DEHNventil modular
:quality(98)/www.dehn.hu/store/f/63453606/HDVORSCHAU/956315a0001_16-9.jpg) 
                        
                        :quality(98)/www.dehn.hu/store/f/63453606/HDVORSCHAU/956315a0001_16-9.jpg) 
                            
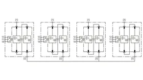
                        - Szikraköz alapú készreszerelt 1.típus +2.típus +3.típusú kombinált-levezető, mely alapmodulból és dugaszolható védőmodulból áll
- RAC szikraközös technológia mely nagyfokú védelmet biztosít a végkészülékek számára
- Szelektív 20A gG olvadóbiztosítókkal akár 50kAeff rövidzárlati áramig
- Villámáram-levezetési képesség akár 100 kA (10/350 μs)
- Végkészülék védelmet tesz lehetővé
- Működési állapot/hiba jelzése zöld/piros színnel a kémlelő ablakban
- Szerszámnélküli, egyszerű védőmodul csere, modul zár/kioldó szerkezet segítségével
Details
:quality(98)/www.dehn.hu/store/f/63453607/HDVORSCHAU/954315a0004.jpg) 
                                :quality(98)/www.dehn.hu/store/f/63453607/HDVORSCHAU/954315a0004.jpg) 
                                    
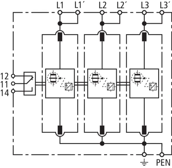
                                Cikkszám 956305 DV M2 TNC 255 FM
GTIN 4013364510586, Vámtarifa szám (EU): 85363090, Bruttó súly: 519.19 g, PU: 1.00 db.
Kifutott termék:Műszaki adatok
| SPD típus/osztály az MSZ EN 61643-11 / ... IEC 61643-11 alapján | 1.típus+2.típus+3.típus/ I.osztály + II.osztály + III.osztály | 
| Levezetési áramimpulzus (10/350 µs) [L1+L2+L3-PEN] (Itotal ) | 75 kA | 
| Levezetési áramimpulzus (10/350 µs) [L-PEN] (Iimp ) | 25 kA | 
| Védelmi feszültségszint (UP ) | ≤ 1,5 kV | 
| Max. előtétbiztosító (L) IK = 50 kAeff értékig | 250 A gG | 
| Tanúsítványok | VDE, KEMA, UL | 
| Jelzőérintkező / Érintkezőtípus | van / váltóérintkező | 
| Bővített műszaki adatok: | Alkalmazás kapcsolószekrényekben, ahol a független zárlati áram nagyobb mint 50 kAeff | 
| – Max. független zárlati áram | 100 kAeff (220 kAcsúcs) | 
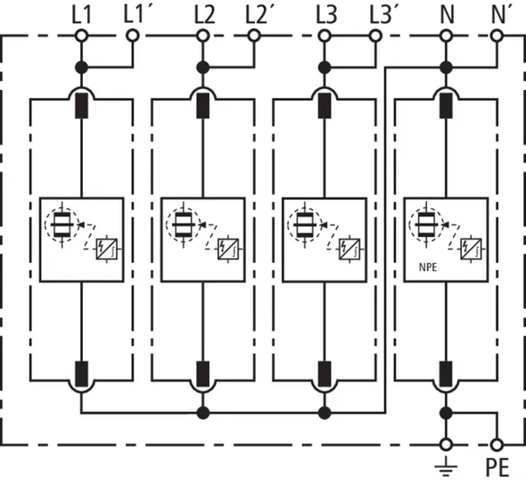
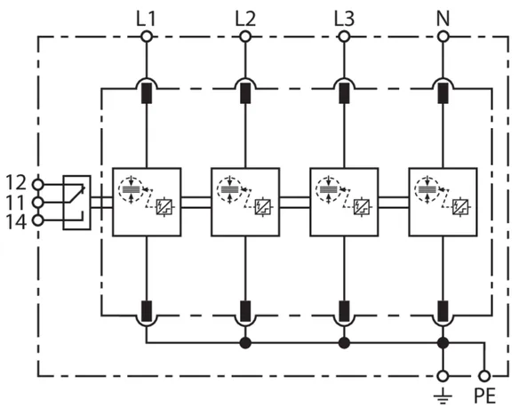
Cikkszám 956405 DV M2 TNS 255 FM
GTIN 4013364510562, Vámtarifa szám (EU): 85363090, Bruttó súly: 583.68 g, PU: 1.00 db.
Kifutott termék:Műszaki adatok
| SPD típus/osztály az MSZ EN 61643-11 / ... IEC 61643-11 alapján | 1.típus+2.típus+3.típus/ I.osztály + II.osztály + III.osztály | 
| Levezetési áramimpulzus (10/350 µs) [L1+L2+L3+N-PE] (Itotal ) | 100 kA | 
| Levezetési áramimpulzus (10/350 µs) [L, N-PE] (Iimp ) | 25 kA | 
| Védelmi feszültségszint [L-PE]/[N-PE] (UP ) | ≤ 1,5 / ≤ 1,5 k | 
| Max. előtétbiztosító (L) IK = 50 kAeff értékig | 250 A gG | 
| Tanúsítványok | VDE, KEMA, UL | 
| Jelzőérintkező / Érintkezőtípus | van / váltóérintkező | 
| Bővített műszaki adatok: | Alkalmazás kapcsolószekrényekben, ahol a független zárlati áram nagyobb mint 50 kAeff | 
| – Max. független zárlati áram | 100 kAeff (220 kAcsúcs) | 
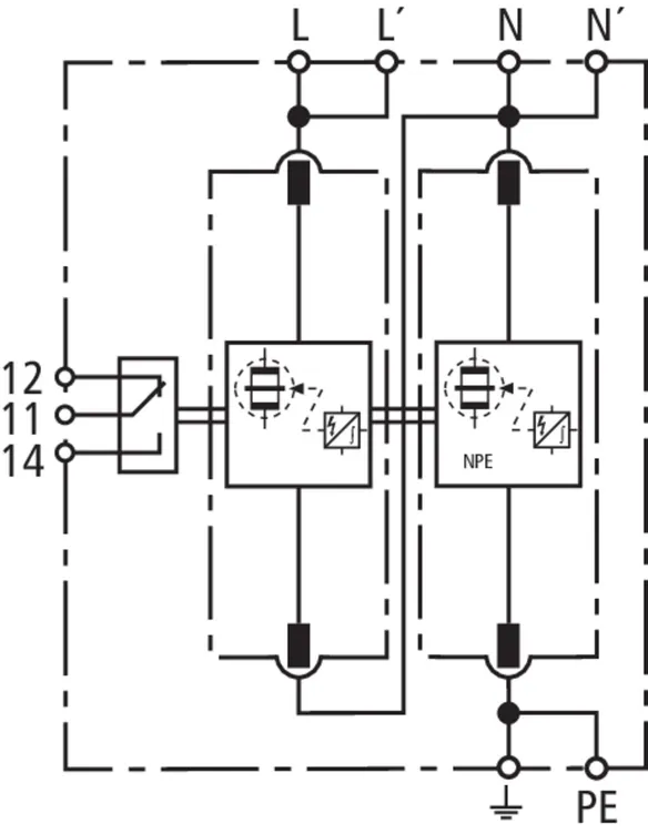
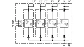
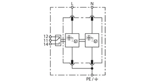
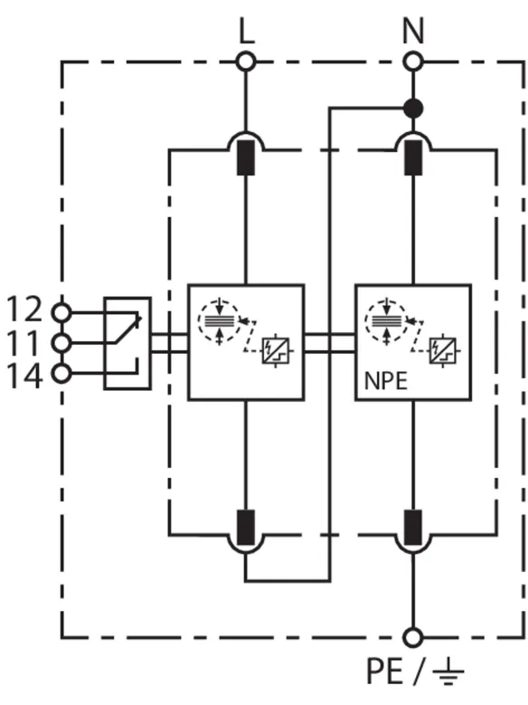
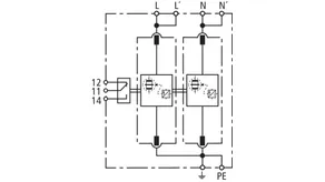
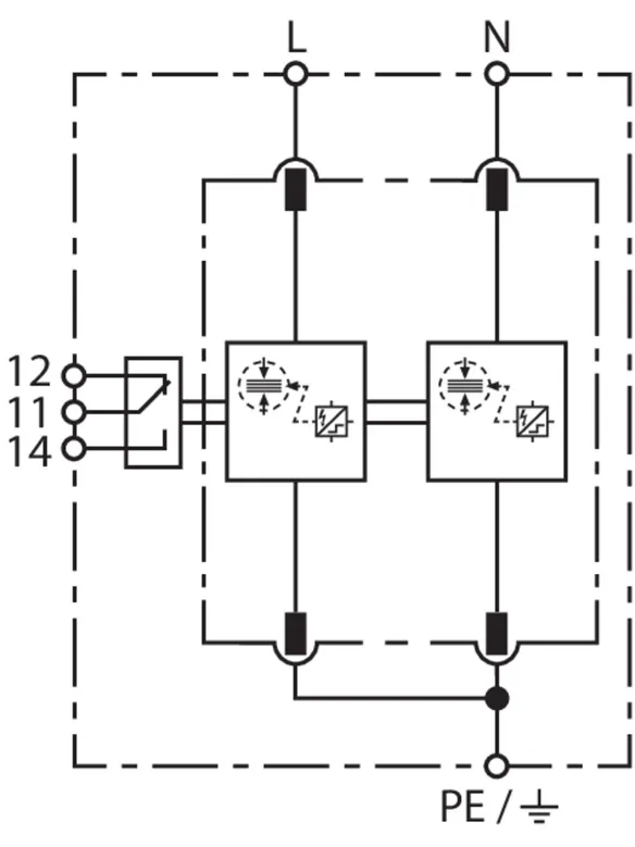
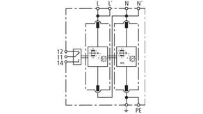
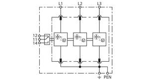
Cikkszám 956315 DV M2 TT 255 FM
GTIN 4013364528963, Vámtarifa szám (EU): 85363090, Bruttó súly: 616.00 g, PU: 1.00 db.
Műszaki adatok
| SPD típus/osztály az MSZ EN 61643-11 / ... IEC 61643-11 alapján | 1.típus+2.típus+3.típus/ I.osztály + II.osztály + III.osztály | 
| Levezetési áramimpulzus (10/350 µs) [L1+L2+L3+N-PE] (Itotal ) | 100 kA | 
| Levezetési áramimpulzus (10/350 µs) [L-N]/[N-PE] (Iimp ) | 25 / 100 kA | 
| Védelmi feszültségszint [L-N]/[N-PE] (UP ) | ≤ 1,5 / ≤ 1,5 kV | 
| Max. előtétbiztosító (L) IK = 50 kAeff értékig | 250 A gG | 
| Tanúsítványok | VDE, KEMA, UL | 
| Jelzőérintkező / Érintkezőtípus | van / váltóérintkező | 
| Bővített műszaki adatok: | Alkalmazás kapcsolószekrényekben, ahol a független zárlati áram nagyobb mint 50 kAeff | 
| – Max. független zárlati áram | 100 kAeff (220 kAcsúcs) | 
| Kiegészítő adatok: | --------------------------------- | 
| – Védelmi feszültségszint [L-PE] (UP ) | 1,8 kV | 
Cikkszám 956205 DV M2 TN 255 FM
GTIN 4013364510579, Vámtarifa szám (EU): 85363090, Bruttó súly: 311.29 g, PU: 1.00 db.
Kifutott termék:Műszaki adatok
| SPD típus/osztály az MSZ EN 61643-11 / ... IEC 61643-11 alapján | 1.típus+2.típus+3.típus/ I.osztály + II.osztály + III.osztály | 
| Levezetési áramimpulzus (10/350 µs) [L+N-PE] (Itotal ) | 50 kA | 
| Levezetési áramimpulzus (10/350 µs) [L, N-PE] (Iimp ) | 25 kA | 
| Védelmi feszültségszint [L-PE]/[N-PE] (UP ) | ≤ 1,5 / ≤ 1,5 kV | 
| Max. előtétbiztosító (L) IK = 50 kAeff értékig | 250 A gG | 
| Tanúsítványok | VDE, KEMA, UL | 
| Jelzőérintkező / Érintkezőtípus | van / váltóérintkező | 
| Bővített műszaki adatok: | Alkalmazás kapcsolószekrényekben, ahol a független zárlati áram nagyobb mint 50 kAeff | 
| – Max. független zárlati áram | 100 kAeff (220 kAcsúcs) | 
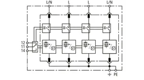
Cikkszám 956115 DV M2 TT 2P 255 FM
GTIN 4013364546929, Vámtarifa szám (EU): 85363090, Bruttó súly: 327.00 g, PU: 1.00 db.
Műszaki adatok
| SPD típus/osztály az MSZ EN 61643-11 / ... IEC 61643-11 alapján | 1.típus+2.típus+3.típus/ I.osztály + II.osztály + III.osztály | 
| Levezetési áramimpulzus (10/350 µs) [L+N-PE] (Itotal ) | 50 kA | 
| Levezetési áramimpulzus (10/350 µs) [L-N]/[N-PE] (Iimp ) | 25 / 50 kA | 
| Védelmi feszültségszint [L-N]/[N-PE] (UP ) | ≤ 1,5 / ≤ 1,5 kV | 
| Max. előtétbiztosító (L) IK = 50 kAeff értékig | 250 A gG | 
| Tanúsítványok | VDE, KEMA, UL | 
| Jelzőérintkező / Érintkezőtípus | van / váltóérintkező | 
| Bővített műszaki adatok: | Alkalmazás kapcsolószekrényekben, ahol a független zárlati áram nagyobb mint 50 kAeff | 
| – Max. független zárlati áram | 100 kAeff (220 kAcsúcs) | 
| Kiegészítő adatok: | --------------------------------- | 
| – Védelmi feszültségszint [L-PE] (UP ) | 1,8 kV | 
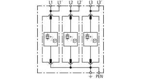
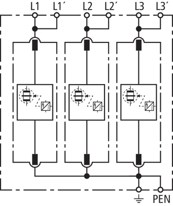
Cikkszám 951300 DV M TNC 255
GTIN 4013364108134, Vámtarifa szám (EU): 85363090, Bruttó súly: 1004.00 g, PU: 1.00 db.
Kifutott termék:Műszaki adatok
| SPD típus/osztály az MSZ EN 61643-11 / ... IEC 61643-11 alapján | 1.típus + 2.típus/ I.osztály + II.osztály | 
| Levezetési áramimpulzus (10/350 µs) [L1+L2+L3-PEN] (Itotal ) | 75 kA | 
| Levezetési áramimpulzus (10/350 µs) [L-PEN] (Iimp ) | 25 kA | 
| Védelmi feszültségszint (UP ) | ≤ 1,5 kV | 
| Max. előtétbiztosító (L) IK = 50 kAeff értékig | 315 A gG | 
| Tanúsítványok | KEMA, VDE, UL | 
| Bővített műszaki adatok: | Alkalmazás kapcsolószekrényekben, ahol a független zárlati áram nagyobb mint 50 kAeff | 
| – Max. független zárlati áram | 100 kAeff (220 kAcsúcs) | 
Cikkszám 951305 DV M TNC 255 FM
GTIN 4013364108141, Vámtarifa szám (EU): 85363090, Bruttó súly: 1020.00 g, PU: 1.00 db.
Kifutott termék:Műszaki adatok
| SPD típus/osztály az MSZ EN 61643-11 / ... IEC 61643-11 alapján | 1.típus + 2.típus/ I.osztály + II.osztály | 
| Levezetési áramimpulzus (10/350 µs) [L1+L2+L3-PEN] (Itotal ) | 75 kA | 
| Levezetési áramimpulzus (10/350 µs) [L-PEN] (Iimp ) | 25 kA | 
| Védelmi feszültségszint (UP ) | ≤ 1,5 kV | 
| Max. előtétbiztosító (L) IK = 50 kAeff értékig | 315 A gG | 
| Tanúsítványok | KEMA, VDE, UL | 
| Jelzőérintkező / Érintkezőtípus | váltóérintkező | 
| Bővített műszaki adatok: | Alkalmazás kapcsolószekrényekben, ahol a független zárlati áram nagyobb mint 50 kAeff | 
| – Max. független zárlati áram | 100 kAeff (220 kAcsúcs) | 
Cikkszám 951400 DV M TNS 255
GTIN 4013364108158, Vámtarifa szám (EU): 85363090, Bruttó súly: 1.40 kg, PU: 1.00 db.
Kifutott termék:Műszaki adatok
| SPD típus/osztály az MSZ EN 61643-11 / ... IEC 61643-11 alapján | 1.típus + 2.típus/ I.osztály + II.osztály | 
| Levezetési áramimpulzus (10/350 µs) [L1+L2+L3+N-PE] (Itotal ) | 100 kA | 
| Levezetési áramimpulzus (10/350 µs) [L, N-PE] (Iimp ) | 25 kA | 
| Védelmi feszültségszint [L-PE]/[N-PE] (UP ) | ≤ 1,5 / ≤ 1,5 k | 
| Max. előtétbiztosító (L) IK = 50 kAeff értékig | 315 A gG | 
| Tanúsítványok | KEMA, VDE, UL | 
| Bővített műszaki adatok: | Alkalmazás kapcsolószekrényekben, ahol a független zárlati áram nagyobb mint 50 kAeff | 
| – Max. független zárlati áram | 100 kAeff (220 kAcsúcs) | 
Cikkszám 951405 DV M TNS 255 FM
GTIN 4013364108165, Vámtarifa szám (EU): 85363090, Bruttó súly: 1.40 kg, PU: 1.00 db.
Kifutott termék:Műszaki adatok
| SPD típus/osztály az MSZ EN 61643-11 / ... IEC 61643-11 alapján | 1.típus + 2.típus/ I.osztály + II.osztály | 
| Levezetési áramimpulzus (10/350 µs) [L1+L2+L3+N-PE] (Itotal ) | 100 kA | 
| Levezetési áramimpulzus (10/350 µs) [L, N-PE] (Iimp ) | 25 kA | 
| Védelmi feszültségszint [L-PE]/[N-PE] (UP ) | ≤ 1,5 / ≤ 1,5 k | 
| Max. előtétbiztosító (L) IK = 50 kAeff értékig | 315 A gG | 
| Tanúsítványok | KEMA, VDE, UL | 
| Jelzőérintkező / Érintkezőtípus | váltóérintkező | 
| Bővített műszaki adatok: | Alkalmazás kapcsolószekrényekben, ahol a független zárlati áram nagyobb mint 50 kAeff | 
| – Max. független zárlati áram | 100 kAeff (220 kAcsúcs) | 
Cikkszám 951310 DV M TT 255
GTIN 4013364108172, Vámtarifa szám (EU): 85363090, Bruttó súly: 1.31 kg, PU: 1.00 db.
Kifutott termék:Műszaki adatok
| SPD típus/osztály az MSZ EN 61643-11 / ... IEC 61643-11 alapján | 1.típus + 2.típus/ I.osztály + II.osztály | 
| Levezetési áramimpulzus (10/350 µs) [L1+L2+L3+N-PE] (Itotal ) | 100 kA | 
| Levezetési áramimpulzus (10/350 µs) [L-N]/[N-PE] (Iimp ) | 25 / 100 kA | 
| Védelmi feszültségszint [L-N]/[N-PE] (UP ) | ≤ 1,5 / ≤ 1,5 k | 
| Max. előtétbiztosító (L) IK = 50 kAeff értékig | 315 A gG | 
| Tanúsítványok | KEMA, VDE, UL | 
| Bővített műszaki adatok: | Alkalmazás kapcsolószekrényekben, ahol a független zárlati áram nagyobb mint 50 kAeff | 
| – Max. független zárlati áram | 100 kAeff (220 kAcsúcs) | 
| Kiegészítő adatok: | --------------------------------- | 
| – Védelmi feszültségszint [L-PE] (UP ) | 2,2 kV | 
Cikkszám 951315 DV M TT 255 FM
GTIN 4013364108189, Vámtarifa szám (EU): 85363090, Bruttó súly: 1.32 kg, PU: 1.00 db.
Kifutott termék:Műszaki adatok
| SPD típus/osztály az MSZ EN 61643-11 / ... IEC 61643-11 alapján | 1.típus + 2.típus/ I.osztály + II.osztály | 
| Levezetési áramimpulzus (10/350 µs) [L1+L2+L3+N-PE] (Itotal ) | 100 kA | 
| Levezetési áramimpulzus (10/350 µs) [L-N]/[N-PE] (Iimp ) | 25 / 100 kA | 
| Védelmi feszültségszint [L-N]/[N-PE] (UP ) | ≤ 1,5 / ≤ 1,5 k | 
| Max. előtétbiztosító (L) IK = 50 kAeff értékig | 315 A gG | 
| Tanúsítványok | KEMA, VDE, UL | 
| Jelzőérintkező / Érintkezőtípus | váltóérintkező | 
| Bővített műszaki adatok: | Alkalmazás kapcsolószekrényekben, ahol a független zárlati áram nagyobb mint 50 kAeff | 
| – Max. független zárlati áram | 100 kAeff (220 kAcsúcs) | 
| Kiegészítő adatok: | --------------------------------- | 
| – Védelmi feszültségszint [L-PE] (UP ) | 2,2 kV | 
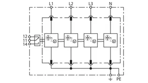
Cikkszám 951200 DV M TN 255
GTIN 4013364108097, Vámtarifa szám (EU): 85363090, Bruttó súly: 754.00 g, PU: 1.00 db.
Kifutott termék:Műszaki adatok
| SPD típus/osztály az MSZ EN 61643-11 / ... IEC 61643-11 alapján | 1.típus + 2.típus/ I.osztály + II.osztály | 
| Levezetési áramimpulzus (10/350 µs) [L+N-PE] (Itotal ) | 50 kA | 
| Levezetési áramimpulzus (10/350 µs) [L, N-PE] (Iimp ) | 25 kA | 
| Védelmi feszültségszint [L-PE]/[N-PE] (UP ) | ≤ 1,5 / ≤ 1,5 k | 
| Max. előtétbiztosító (L) IK = 50 kAeff értékig | 315 A gG | 
| Tanúsítványok | KEMA, VDE, UL | 
| Bővített műszaki adatok: | Alkalmazás kapcsolószekrényekben, ahol a független zárlati áram nagyobb mint 50 kAeff | 
| – Max. független zárlati áram | 100 kAeff (220 kAcsúcs) | 
Cikkszám 951205 DV M TN 255 FM
GTIN 4013364108103, Vámtarifa szám (EU): 85363090, Bruttó súly: 698.50 g, PU: 1.00 db.
Kifutott termék:Műszaki adatok
| SPD típus/osztály az MSZ EN 61643-11 / ... IEC 61643-11 alapján | 1.típus + 2.típus/ I.osztály + II.osztály | 
| Levezetési áramimpulzus (10/350 µs) [L+N-PE] (Itotal ) | 50 kA | 
| Levezetési áramimpulzus (10/350 µs) [L, N-PE] (Iimp ) | 25 kA | 
| Védelmi feszültségszint [L-PE]/[N-PE] (UP ) | ≤ 1,5 / ≤ 1,5 k | 
| Max. előtétbiztosító (L) IK = 50 kAeff értékig | 315 A gG | 
| Tanúsítványok | KEMA, VDE, UL | 
| Jelzőérintkező / Érintkezőtípus | váltóérintkező | 
| Bővített műszaki adatok: | Alkalmazás kapcsolószekrényekben, ahol a független zárlati áram nagyobb mint 50 kAeff | 
| – Max. független zárlati áram | 100 kAeff (220 kAcsúcs) | 
Cikkszám 951110 DV M TT 2P 255
GTIN 4013364108110, Vámtarifa szám (EU): 85363090, Bruttó súly: 688.59 g, PU: 1.00 db.
Kifutott termék:Műszaki adatok
| SPD típus/osztály az MSZ EN 61643-11 / ... IEC 61643-11 alapján | 1.típus + 2.típus/ I.osztály + II.osztály | 
| Levezetési áramimpulzus (10/350 µs) [L+N-PE] (Itotal ) | 50 kA | 
| Levezetési áramimpulzus (10/350 µs) [L-N]/[N-PE] (Iimp ) | 25 / 50 kA | 
| Védelmi feszültségszint [L-N]/[N-PE] (UP ) | ≤ 1,5 / ≤ 1,5 k | 
| Max. előtétbiztosító (L) IK = 50 kAeff értékig | 315 A gG | 
| Tanúsítványok | KEMA, VDE, UL | 
| Bővített műszaki adatok: | Alkalmazás kapcsolószekrényekben, ahol a független zárlati áram nagyobb mint 50 kAeff | 
| – Max. független zárlati áram | 100 kAeff (220 kAcsúcs) | 
| Kiegészítő adatok: | --------------------------------- | 
| – Védelmi feszültségszint [L-PE] (UP ) | 2,2 kV | 
Cikkszám 951115 DV M TT 2P 255 FM
GTIN 4013364108127, Vámtarifa szám (EU): 85363090, Bruttó súly: 694.38 g, PU: 1.00 db.
Kifutott termék:Műszaki adatok
| SPD típus/osztály az MSZ EN 61643-11 / ... IEC 61643-11 alapján | 1.típus + 2.típus/ I.osztály + II.osztály | 
| Levezetési áramimpulzus (10/350 µs) [L+N-PE] (Itotal ) | 50 kA | 
| Levezetési áramimpulzus (10/350 µs) [L-N]/[N-PE] (Iimp ) | 25 / 50 kA | 
| Védelmi feszültségszint [L-N]/[N-PE] (UP ) | ≤ 1,5 / ≤ 1,5 k | 
| Max. előtétbiztosító (L) IK = 50 kAeff értékig | 315 A gG | 
| Tanúsítványok | KEMA, VDE, UL | 
| Jelzőérintkező / Érintkezőtípus | váltóérintkező | 
| Bővített műszaki adatok: | Alkalmazás kapcsolószekrényekben, ahol a független zárlati áram nagyobb mint 50 kAeff | 
| – Max. független zárlati áram | 100 kAeff (220 kAcsúcs) | 
| Kiegészítő adatok: | --------------------------------- | 
| – Védelmi feszültségszint [L-PE] (UP ) | 2,2 kV | 
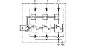
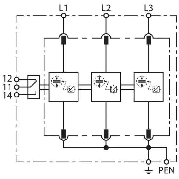
Cikkszám 961305 DV ACI M TNC 264 FM
GTIN 4013364513440, Vámtarifa szám (EU): 85363090, Bruttó súly: 2.42 kg, PU: 1.00 db.
Műszaki adatok
| SPD az EN 61673-11 / IEC 61643-11 szerint | 1. típus + 2. típus + 3. típus / I. osztály + II. osztály + III. osztály | 
| Levezetési áramimpulzus (10/350 µs) [L1+L2+L3-PEN] (Itotal ) | 75 kA | 
| Levezetési áramimpulzus (10/350 µs) [L-PEN] (Iimp ) | 25 kA | 
| Védelmi feszültségszint (UP ) | ≤ 1,5 kV | 
| Bővített műszaki adatok: | Alkalmazás kapcsolószekrényekben, ahol a független zárlati áram nagyobb mint 50 kAeff | 
| – Max. független zárlati áram | 100 kAeff (220 kApeak) | 
Cikkszám 961405 DV ACI M TNS 264 FM
GTIN 4013364513365, Vámtarifa szám (EU): 85363090, Bruttó súly: 2.42 kg, PU: 1.00 db.
Műszaki adatok
| SPD az EN 61673-11 / IEC 61643-11 szerint | 1. típus + 2. típus + 3. típus / I. osztály + II. osztály + III. osztály | 
| Levezetési áramimpulzus (10/350 µs) [L1+L2+L3+N-PE] (Itotal ) | 100 kA | 
| Levezetési áramimpulzus (10/350 µs) [L, N-PE] (Iimp ) | 25 kA | 
| Védelmi feszültségszint [L-PE]/[N-PE] (UP ) | ≤ 1,5 kV | 
| Bővített műszaki adatok: | Alkalmazás kapcsolószekrényekben, ahol a független zárlati áram nagyobb mint 50 kAeff | 
| – Max. független zárlati áram | 100 kAeff (220 kApeak) | 
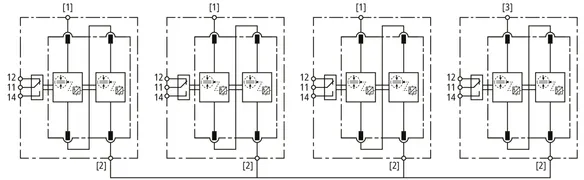
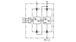
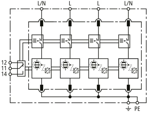
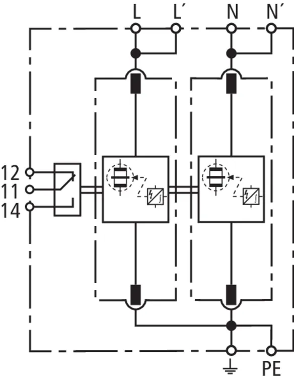
DEHNventil M2 880 FM
Dugaszolható villám- és túlfeszültség-levezetők készlete szigetelt modul vezetékrögzítő sínnel együtt, alkalmazhatók inverteres rendszerekben aktív anti PID-del 750 V DC maximális DC offset mellett. Földelőrendszerek bekötése az IEC 60364-4-44, Table 44.A1 - RE és Z, valamint RE és RA szerint.
1 Termék
Cikkszám 961151 DV M2 880 FM
GTIN 4013364532557, Vámtarifa szám (EU): 85363090, Bruttó súly: 1.07 kg, PU: 1.00 db.
Műszaki adatok
| SPD típus/osztály az MSZ EN 61643-11 / ... IEC 61643-11 alapján | 1. típus + 2. típus / I. osztály + II. osztály | 
| Villámáram impulzus (10/350 µs) [1,2-3] (Iimp ) | 12,5 kA | 
| Max. előtétbiztosító (L) IK = 50 kAeff értékig | 160 A gG | 
| Jelzőérintkező / Érintkezőtípus | igen / váltó | 
| Kiegészítő adatok: | --------------------------------- | 
| – Anti-PID feszültség (U1-3 + UPID ) | 508 VAC + 750 VDC – szilárdság | 
:quality(98)/www.dehn.hu/store/f/63453629/HDVORSCHAU/956305.jpg) 
                                
                                :quality(98)/www.dehn.hu/store/f/63453629/HDVORSCHAU/956305.jpg) 
                                    
                                        
                                    
                                    
                                :quality(98)/www.dehn.hu/store/f/63453630/HDVORSCHAU/954305p.jpg) 
                                
                                :quality(98)/www.dehn.hu/store/f/63453630/HDVORSCHAU/954305p.jpg) 
                                    
                                        :quality(98)/www.dehn.hu/store/f/63453631/HDVORSCHAU/954305m_D.jpg) 
                                
                                :quality(98)/www.dehn.hu/store/f/63453631/HDVORSCHAU/954305m_D.jpg) 
                                    
                                         
                 
                 
                 
                 
                 
            
:quality(98)/www.dehn.hu/store/f/63453669/HDVORSCHAU/956405.jpg) 
                                
                                :quality(98)/www.dehn.hu/store/f/63453669/HDVORSCHAU/956405.jpg) 
                                    
                                        
                                    
                                    
                                :quality(98)/www.dehn.hu/store/f/63453670/HDVORSCHAU/954405p.jpg) 
                                
                                :quality(98)/www.dehn.hu/store/f/63453670/HDVORSCHAU/954405p.jpg) 
                                    
                                        :quality(98)/www.dehn.hu/store/f/63453671/HDVORSCHAU/954315+405m_D.jpg) 
                                
                                :quality(98)/www.dehn.hu/store/f/63453671/HDVORSCHAU/954315+405m_D.jpg) 
                                    
                                        :quality(98)/www.dehn.hu/store/f/63453689/HDVORSCHAU/956315.jpg) 
                                
                                :quality(98)/www.dehn.hu/store/f/63453689/HDVORSCHAU/956315.jpg) 
                                    
                                        
                                    
                                    
                                :quality(98)/www.dehn.hu/store/f/63453690/HDVORSCHAU/954315p.jpg) 
                                
                                :quality(98)/www.dehn.hu/store/f/63453690/HDVORSCHAU/954315p.jpg) 
                                    
                                        :quality(98)/www.dehn.hu/store/f/63453691/HDVORSCHAU/954315+405m_D.jpg) 
                                
                                :quality(98)/www.dehn.hu/store/f/63453691/HDVORSCHAU/954315+405m_D.jpg) 
                                    
                                        :quality(98)/www.dehn.hu/store/f/63453712/HDVORSCHAU/956205.jpg) 
                                
                                :quality(98)/www.dehn.hu/store/f/63453712/HDVORSCHAU/956205.jpg) 
                                    
                                        
                                    
                                    
                                :quality(98)/www.dehn.hu/store/f/63453713/HDVORSCHAU/954205p.jpg) 
                                
                                :quality(98)/www.dehn.hu/store/f/63453713/HDVORSCHAU/954205p.jpg) 
                                    
                                        :quality(98)/www.dehn.hu/store/f/63453714/HDVORSCHAU/954115+205m_D.jpg) 
                                
                                :quality(98)/www.dehn.hu/store/f/63453714/HDVORSCHAU/954115+205m_D.jpg) 
                                    
                                        :quality(98)/www.dehn.hu/store/f/63453733/HDVORSCHAU/956115.jpg) 
                                
                                :quality(98)/www.dehn.hu/store/f/63453733/HDVORSCHAU/956115.jpg) 
                                    
                                        
                                    
                                    
                                :quality(98)/www.dehn.hu/store/f/63453734/HDVORSCHAU/954115p.jpg) 
                                
                                :quality(98)/www.dehn.hu/store/f/63453734/HDVORSCHAU/954115p.jpg) 
                                    
                                        :quality(98)/www.dehn.hu/store/f/63453735/HDVORSCHAU/954115+205m_D.jpg) 
                                
                                :quality(98)/www.dehn.hu/store/f/63453735/HDVORSCHAU/954115+205m_D.jpg) 
                                    
                                        :quality(98)/www.dehn.hu/store/f/63453756/HDVORSCHAU/951300.jpg) 
                                
                                :quality(98)/www.dehn.hu/store/f/63453756/HDVORSCHAU/951300.jpg) 
                                    
                                        
                                    
                                    
                                :quality(98)/www.dehn.hu/store/f/63453757/HDVORSCHAU/951300p.jpg) 
                                
                                :quality(98)/www.dehn.hu/store/f/63453757/HDVORSCHAU/951300p.jpg) 
                                    
                                        :quality(98)/www.dehn.hu/store/f/63453758/HDVORSCHAU/951300m_D.jpg) 
                                
                                :quality(98)/www.dehn.hu/store/f/63453758/HDVORSCHAU/951300m_D.jpg) 
                                    
                                         
        	:quality(98)/www.dehn.hu/store/f/63453795/HDVORSCHAU/951305.jpg) 
                                
                                :quality(98)/www.dehn.hu/store/f/63453795/HDVORSCHAU/951305.jpg) 
                                    
                                        
                                    
                                    
                                :quality(98)/www.dehn.hu/store/f/63453796/HDVORSCHAU/951305p.jpg) 
                                
                                :quality(98)/www.dehn.hu/store/f/63453796/HDVORSCHAU/951305p.jpg) 
                                    
                                        :quality(98)/www.dehn.hu/store/f/63453797/HDVORSCHAU/951305m_D.jpg) 
                                
                                :quality(98)/www.dehn.hu/store/f/63453797/HDVORSCHAU/951305m_D.jpg) 
                                    
                                        :quality(98)/www.dehn.hu/store/f/63453810/HDVORSCHAU/951400.jpg) 
                                
                                :quality(98)/www.dehn.hu/store/f/63453810/HDVORSCHAU/951400.jpg) 
                                    
                                        
                                    
                                    
                                :quality(98)/www.dehn.hu/store/f/63453811/HDVORSCHAU/951400p.jpg) 
                                
                                :quality(98)/www.dehn.hu/store/f/63453811/HDVORSCHAU/951400p.jpg) 
                                    
                                        :quality(98)/www.dehn.hu/store/f/63453812/HDVORSCHAU/951400_310m_D.jpg) 
                                
                                :quality(98)/www.dehn.hu/store/f/63453812/HDVORSCHAU/951400_310m_D.jpg) 
                                    
                                        :quality(98)/www.dehn.hu/store/f/63453821/HDVORSCHAU/951405.jpg) 
                                
                                :quality(98)/www.dehn.hu/store/f/63453821/HDVORSCHAU/951405.jpg) 
                                    
                                        
                                    
                                    
                                :quality(98)/www.dehn.hu/store/f/63453822/HDVORSCHAU/951405p.jpg) 
                                
                                :quality(98)/www.dehn.hu/store/f/63453822/HDVORSCHAU/951405p.jpg) 
                                    
                                        :quality(98)/www.dehn.hu/store/f/63453823/HDVORSCHAU/951405_315m_D.jpg) 
                                
                                :quality(98)/www.dehn.hu/store/f/63453823/HDVORSCHAU/951405_315m_D.jpg) 
                                    
                                        :quality(98)/www.dehn.hu/store/f/63453836/HDVORSCHAU/951310.jpg) 
                                
                                :quality(98)/www.dehn.hu/store/f/63453836/HDVORSCHAU/951310.jpg) 
                                    
                                        
                                    
                                    
                                :quality(98)/www.dehn.hu/store/f/63453837/HDVORSCHAU/951310p.jpg) 
                                
                                :quality(98)/www.dehn.hu/store/f/63453837/HDVORSCHAU/951310p.jpg) 
                                    
                                        :quality(98)/www.dehn.hu/store/f/63453838/HDVORSCHAU/951400_310m_D.jpg) 
                                
                                :quality(98)/www.dehn.hu/store/f/63453838/HDVORSCHAU/951400_310m_D.jpg) 
                                    
                                        :quality(98)/www.dehn.hu/store/f/63453850/HDVORSCHAU/951315.jpg) 
                                
                                :quality(98)/www.dehn.hu/store/f/63453850/HDVORSCHAU/951315.jpg) 
                                    
                                        
                                    
                                    
                                :quality(98)/www.dehn.hu/store/f/63453851/HDVORSCHAU/951315p.jpg) 
                                
                                :quality(98)/www.dehn.hu/store/f/63453851/HDVORSCHAU/951315p.jpg) 
                                    
                                        :quality(98)/www.dehn.hu/store/f/63453852/HDVORSCHAU/951405_315m_D.jpg) 
                                
                                :quality(98)/www.dehn.hu/store/f/63453852/HDVORSCHAU/951405_315m_D.jpg) 
                                    
                                        :quality(98)/www.dehn.hu/store/f/63453865/HDVORSCHAU/951200.jpg) 
                                
                                :quality(98)/www.dehn.hu/store/f/63453865/HDVORSCHAU/951200.jpg) 
                                    
                                        
                                    
                                    
                                :quality(98)/www.dehn.hu/store/f/63453866/HDVORSCHAU/951200p.jpg) 
                                
                                :quality(98)/www.dehn.hu/store/f/63453866/HDVORSCHAU/951200p.jpg) 
                                    
                                        :quality(98)/www.dehn.hu/store/f/63453867/HDVORSCHAU/951200_110m_D.jpg) 
                                
                                :quality(98)/www.dehn.hu/store/f/63453867/HDVORSCHAU/951200_110m_D.jpg) 
                                    
                                        :quality(98)/www.dehn.hu/store/f/63453876/HDVORSCHAU/951205.jpg) 
                                
                                :quality(98)/www.dehn.hu/store/f/63453876/HDVORSCHAU/951205.jpg) 
                                    
                                        
                                    
                                    
                                :quality(98)/www.dehn.hu/store/f/63453877/HDVORSCHAU/951205p.jpg) 
                                
                                :quality(98)/www.dehn.hu/store/f/63453877/HDVORSCHAU/951205p.jpg) 
                                    
                                        :quality(98)/www.dehn.hu/store/f/63453878/HDVORSCHAU/951205_115m_D.jpg) 
                                
                                :quality(98)/www.dehn.hu/store/f/63453878/HDVORSCHAU/951205_115m_D.jpg) 
                                    
                                        :quality(98)/www.dehn.hu/store/f/63453892/HDVORSCHAU/951110.jpg) 
                                
                                :quality(98)/www.dehn.hu/store/f/63453892/HDVORSCHAU/951110.jpg) 
                                    
                                        
                                    
                                    
                                :quality(98)/www.dehn.hu/store/f/63453893/HDVORSCHAU/951110p.jpg) 
                                
                                :quality(98)/www.dehn.hu/store/f/63453893/HDVORSCHAU/951110p.jpg) 
                                    
                                        :quality(98)/www.dehn.hu/store/f/63453894/HDVORSCHAU/951200_110m_D.jpg) 
                                
                                :quality(98)/www.dehn.hu/store/f/63453894/HDVORSCHAU/951200_110m_D.jpg) 
                                    
                                        :quality(98)/www.dehn.hu/store/f/63453909/HDVORSCHAU/951115.jpg) 
                                
                                :quality(98)/www.dehn.hu/store/f/63453909/HDVORSCHAU/951115.jpg) 
                                    
                                        
                                    
                                    
                                :quality(98)/www.dehn.hu/store/f/63453910/HDVORSCHAU/951115p.jpg) 
                                
                                :quality(98)/www.dehn.hu/store/f/63453910/HDVORSCHAU/951115p.jpg) 
                                    
                                        :quality(98)/www.dehn.hu/store/f/63453911/HDVORSCHAU/951205_115m_D.jpg) 
                                
                                :quality(98)/www.dehn.hu/store/f/63453911/HDVORSCHAU/951205_115m_D.jpg) 
                                    
                                        :quality(98)/www.dehn.hu/store/f/63453918/HDVORSCHAU/961305_o.Zul.jpg) 
                                
                                :quality(98)/www.dehn.hu/store/f/63453918/HDVORSCHAU/961305_o.Zul.jpg) 
                                    
                                        
                                    
                                    
                                :quality(98)/www.dehn.hu/store/f/63453919/HDVORSCHAU/961305p.jpg) 
                                
                                :quality(98)/www.dehn.hu/store/f/63453919/HDVORSCHAU/961305p.jpg) 
                                    
                                        :quality(98)/www.dehn.hu/store/f/63453920/HDVORSCHAU/961305m_de_en.jpg) 
                                
                                :quality(98)/www.dehn.hu/store/f/63453920/HDVORSCHAU/961305m_de_en.jpg) 
                                    
                                        :quality(98)/www.dehn.hu/store/f/63453926/HDVORSCHAU/961405_o.Zul..jpg) 
                                
                                :quality(98)/www.dehn.hu/store/f/63453926/HDVORSCHAU/961405_o.Zul..jpg) 
                                    
                                        
                                    
                                    
                                :quality(98)/www.dehn.hu/store/f/63453927/HDVORSCHAU/961405p.jpg) 
                                
                                :quality(98)/www.dehn.hu/store/f/63453927/HDVORSCHAU/961405p.jpg) 
                                    
                                        :quality(98)/www.dehn.hu/store/f/63453928/HDVORSCHAU/961405m_DE_EN.jpg) 
                                
                                :quality(98)/www.dehn.hu/store/f/63453928/HDVORSCHAU/961405m_DE_EN.jpg) 
                                    
                                        :quality(98)/www.dehn.hu/store/f/63453937/HDVORSCHAU/961151.jpg) 
                                
                                :quality(98)/www.dehn.hu/store/f/63453937/HDVORSCHAU/961151.jpg) 
                                    
                                        
                                    
                                    
                                :quality(98)/www.dehn.hu/store/f/63453938/HDVORSCHAU/961151p.jpg) 
                                
                                :quality(98)/www.dehn.hu/store/f/63453938/HDVORSCHAU/961151p.jpg) 
                                    
                                        :quality(98)/www.dehn.hu/store/f/63453939/HDVORSCHAU/961151m_D.jpg) 
                                
                                :quality(98)/www.dehn.hu/store/f/63453939/HDVORSCHAU/961151m_D.jpg)