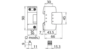
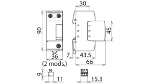
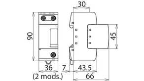
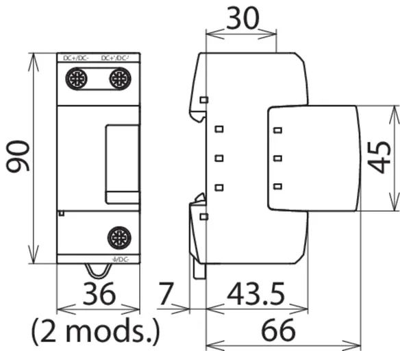
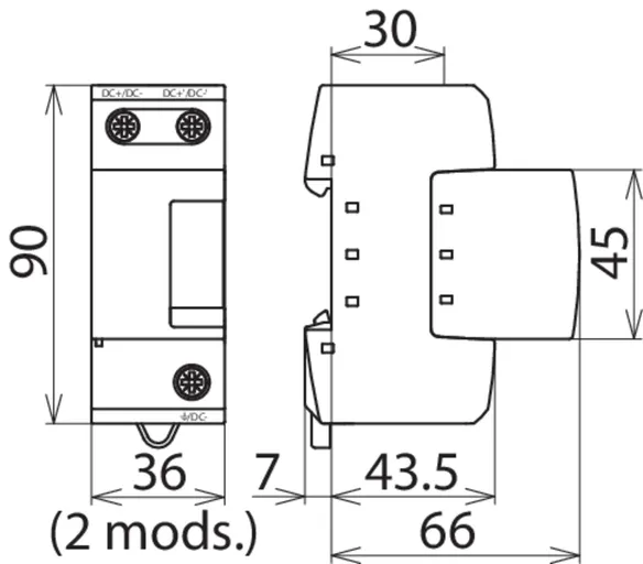
Cikkszám 971121 DSE M 1 60
GTIN 4013364138582, Vámtarifa szám (EU): 85363090, Bruttó súly: 300.00 g, PU: 1.00 db.
Műszaki adatok
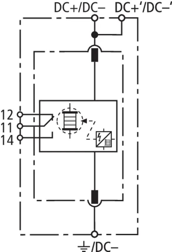
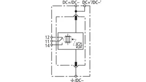
| SPD típus/osztály az MSZ EN 61643-11 / ... IEC 61643-11 alapján | 1.típus / I.osztály |
| Legnagyobb folyamatos üzemi feszültség DC (UC ) | 60 V |
| Levezetési áramimpulzus (10/350 µs) (Iimp ) | 25 kA |
| Védelmi feszültségszint (UP ) | ≤ 1,5 kV |
| Max. hálózatoldali túláramvédelem | 250 A gG |
| Tanúsítványok | UL |
| Kiegészítő műszaki adatok: | Biztonsági világítási rendszerek esetében |
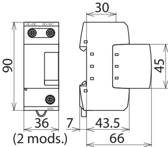
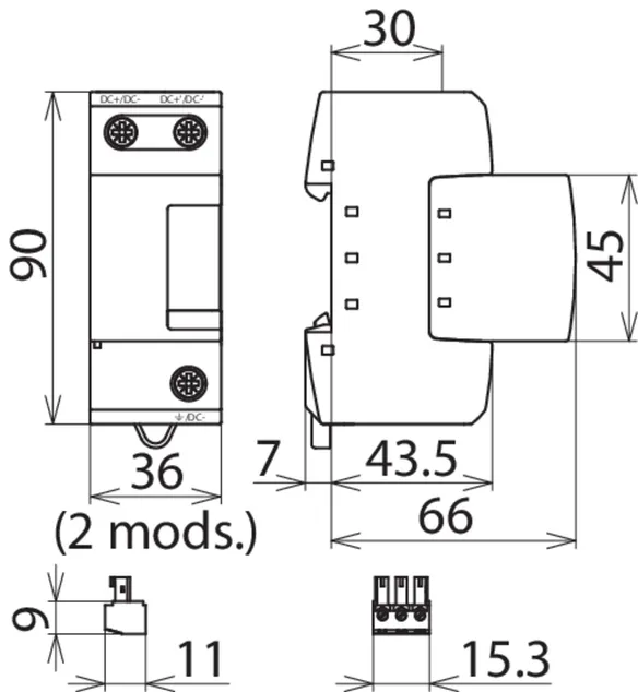
Cikkszám 971120 DSE M 1 220
GTIN 4013364133631, Vámtarifa szám (EU): 85363090, Bruttó súly: 268.20 g, PU: 1.00 db.
Műszaki adatok
| Legnagyobb folyamatos üzemi feszültség DC (UC ) | 220 V |
| Levezetési áramimpulzus (10/350 µs) (Iimp ) | 25 kA |
| Védelmi feszültségszint (UP ) | ≤ 2,5 kV |
| Max. hálózatoldali túláramvédelem | 250 A gG |
| Kiegészítő műszaki adatok: | Biztonsági világítási rendszerek esetében |
Cikkszám 971122 DSE M 1 242
GTIN 4013364144477, Vámtarifa szám (EU): 85363090, Bruttó súly: 273.70 g, PU: 1.00 db.
Műszaki adatok
| SPD típus/osztály az MSZ EN 61643-11 / ... IEC 61643-11 alapján | 1.típus / I.osztály |
| Legnagyobb folyamatos üzemi feszültség DC (UC ) | 242 V |
| Levezetési áramimpulzus (10/350 µs) (Iimp ) | 25 kA |
| Védelmi feszültségszint (UP ) | ≤ 2,5 kV |
| Max. hálózatoldali túláramvédelem | 250 A gG |
| Kiegészítő műszaki adatok: | Biztonsági világítási rendszerek esetében |
| – Legnagyobb tartós üzemi feszültség AC (UC ) | 255 V |
Cikkszám 971126 DSE M 1 60 FM
GTIN 4013364138599, Vámtarifa szám (EU): 85363090, Bruttó súly: 304.00 g, PU: 1.00 db.
Műszaki adatok
| SPD típus/osztály az MSZ EN 61643-11 / ... IEC 61643-11 alapján | 1.típus / I.osztály |
| Legnagyobb folyamatos üzemi feszültség DC (UC ) | 60 V |
| Levezetési áramimpulzus (10/350 µs) (Iimp ) | 25 kA |
| Védelmi feszültségszint (UP ) | ≤ 1,5 kV |
| Max. hálózatoldali túláramvédelem | 250 A gG |
| Tanúsítványok | UL |
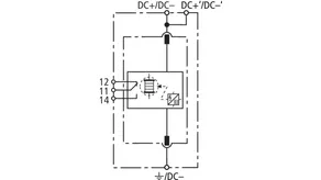
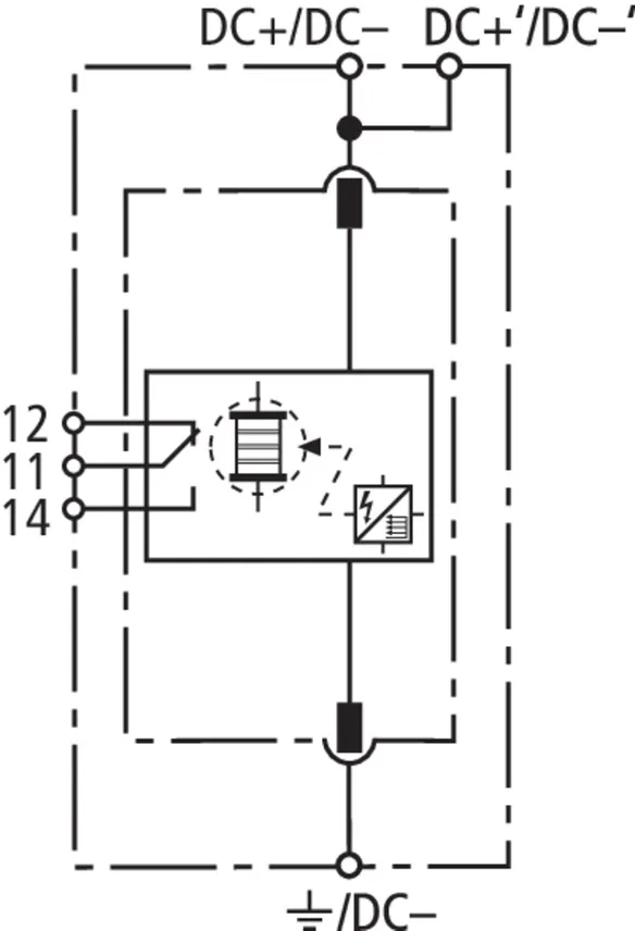
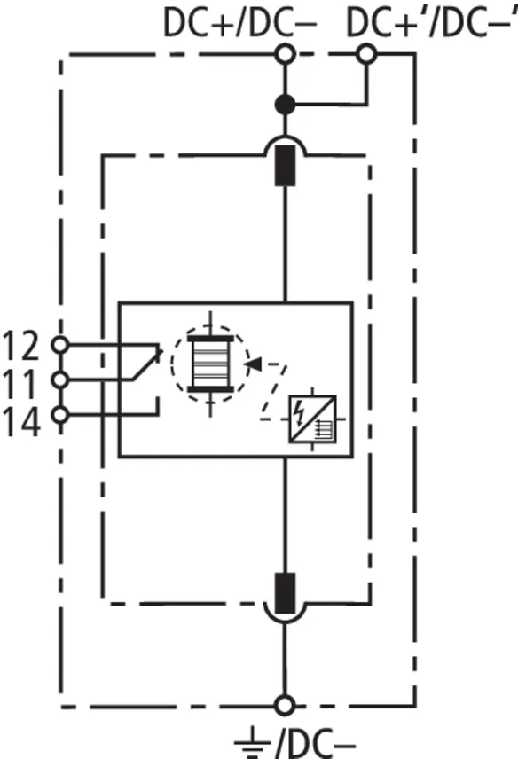
| Jelzőérintkező / Érintkezőtípus | váltóérintkező |
| Kiegészítő műszaki adatok: | Biztonsági világítási rendszerek esetében |
Cikkszám 971125 DSE M 1 220 FM
GTIN 4013364133648, Vámtarifa szám (EU): 85363090, Bruttó súly: 241.90 g, PU: 1.00 db.
Műszaki adatok
| SPD típus/osztály az MSZ EN 61643-11 / ... IEC 61643-11 alapján | 1.típus / I.osztály |
| Legnagyobb folyamatos üzemi feszültség DC (UC ) | 220 V |
| Levezetési áramimpulzus (10/350 µs) (Iimp ) | 25 kA |
| Védelmi feszültségszint (UP ) | ≤ 2,5 kV |
| Max. hálózatoldali túláramvédelem | 250 A gG |
| Jelzőérintkező / Érintkezőtípus | váltóérintkező |
| Kiegészítő műszaki adatok: | Biztonsági világítási rendszerek esetében |
Cikkszám 971127 DSE M 1 242 FM
GTIN 4013364144484, Vámtarifa szám (EU): 85363090, Bruttó súly: 269.50 g, PU: 1.00 db.
Műszaki adatok
| SPD típus/osztály az MSZ EN 61643-11 / ... IEC 61643-11 alapján | 1.típus / I.osztály |
| Legnagyobb folyamatos üzemi feszültség DC (UC ) | 242 V |
| Levezetési áramimpulzus (10/350 µs) (Iimp ) | 25 kA |
| Védelmi feszültségszint (UP ) | ≤ 2,5 kV |
| Max. hálózatoldali túláramvédelem | 250 A gG |
| Jelzőérintkező / Érintkezőtípus | váltóérintkező |
| Kiegészítő műszaki adatok: | Biztonsági világítási rendszerek esetében |
| – Legnagyobb tartós üzemi feszültség AC (UC ) | 255 V |
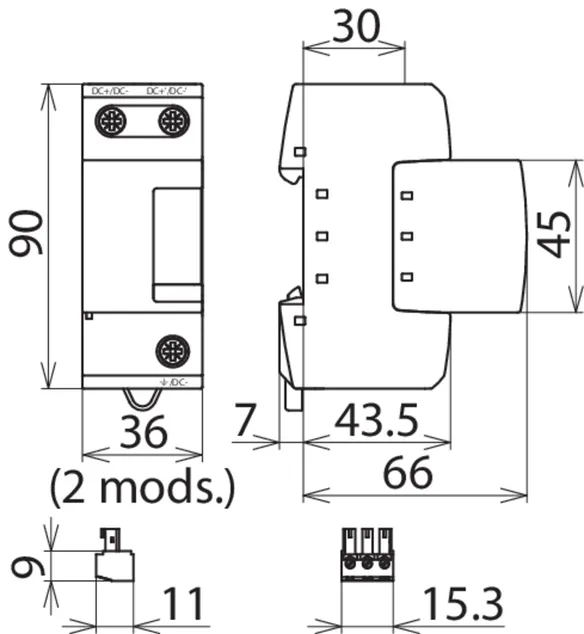
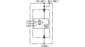
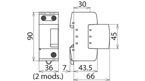
Cikkszám 971221 DSE M 2P 60
GTIN 4013364138612, Vámtarifa szám (EU): 85363090, Bruttó súly: 638.00 g, PU: 1.00 db.
Műszaki adatok
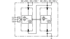
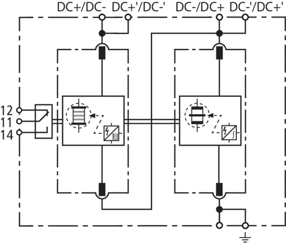
| SPD típus/osztály az MSZ EN 61643-11 / ... IEC 61643-11 alapján | 1.típus / I.osztály |
| Legnagyobb folyamatos üzemi feszültség DC (UC ) | 60 V |
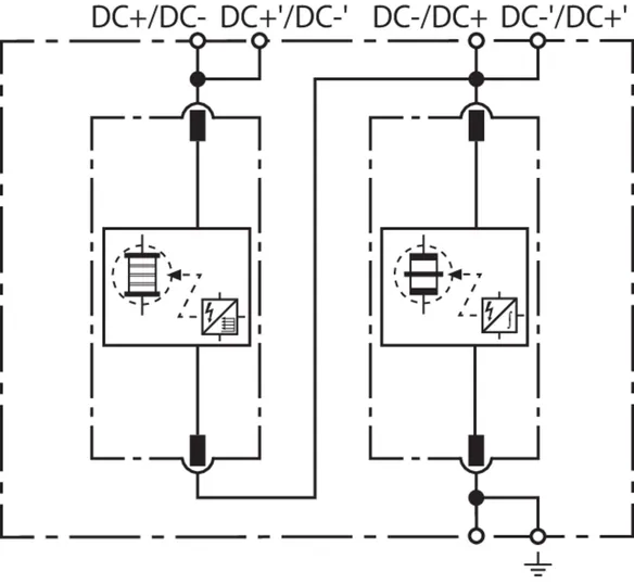
| Levezetési áramimpulzus (10/350 µs) (DC+/DC- -> DC-/DC+) / (DC-/DC+ -> 9) (Iimp ) | 25 / 50 kA |
| Védelmi feszültségszint (DC+/DC- -> DC-/DC+) / (DC-/DC+ -> 9) (UP ) | ≤ 1,5 / ≤ 1,5 kV |
| Max. hálózatoldali túláramvédelem | 250 A gG |
| Tanúsítványok | UL |
Cikkszám 971226 DSE M 2P 60 FM
GTIN 4013364138629, Vámtarifa szám (EU): 85363090, Bruttó súly: 675.00 g, PU: 1.00 db.
Műszaki adatok
| SPD típus/osztály az MSZ EN 61643-11 / ... IEC 61643-11 alapján | 1.típus / I.osztály |
| Legnagyobb folyamatos üzemi feszültség DC (UC ) | 60 V |
| Levezetési áramimpulzus (10/350 µs) (DC+/DC- -> DC-/DC+) / (DC-/DC+ -> 9) (Iimp ) | 25 / 50 kA |
| Védelmi feszültségszint (DC+/DC- -> DC-/DC+) / (DC-/DC+ -> 9) (UP ) | ≤ 1,5 / ≤ 1,5 kV |
| Max. hálózatoldali túláramvédelem | 250 A gG |
| Tanúsítványok | UL |
| Jelzőérintkező / Érintkezőtípus | váltóérintkező |
Cikkszám 971222 DSE NG 2P 60 FM
GTIN 4013364489523, Vámtarifa szám (EU): 85363090, Bruttó súly: 507.00 g, PU: 1.00 db.
Műszaki adatok
| SPD típus/osztály az MSZ EN 61643-11 / ... IEC 61643-11 alapján | 1.típus / I.osztály |
| Legnagyobb folyamatos üzemi feszültség DC (UC ) | 60 V |
| Levezetési áramimpulzus (10/350 µs) (DC+/DC- -> DC-/DC+) / (DC-/DC+ -> 9) (Iimp ) | 25 / 50 kA |
| Védelmi feszültségszint (DC+/DC- -> DC-/DC+) / (DC-/DC+ -> 9) (UP ) | ≤ 1,5 / ≤ 1,5 kV |
| Max. hálózatoldali túláramvédelem | 250 A gG |
| Jelzőérintkező / Érintkezőtípus | váltóérintkező |
