DEHNpatch – Túlfeszültség-korlátozó adathálózatokhoz és Ethernet alkalmazásokhoz

  • Patch kábel túlfeszültség-védelemmel
  • Cat. 6 az ISO/IEC 11801-nak megfelelően
  • CAT 6A csatornában az ANSI/TIA/EIA-568-nak megfelelően
  • Power over Ethernet az IEEE 802.3 alapján (egészen PoE++ / 4PPoE-ig)
  • IP66 változat kültéri alkalmazásokhoz
  • Utólag is könnyen beépíthető

Details

Szerelőkészlet tartozékként 19" patch rack" megoldásokhoz
lorem ipsum
Patch kábel változatként, teljesen árnyékolt (3m hosszú)
lorem ipsum
Egyszerű, szisztematikus karbantartás a kijelzőn és a távjelzésen keresztül
lorem ipsum
Kültéri változat IP66-os védettséggel
lorem ipsum

DPA CLE IP66

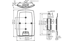
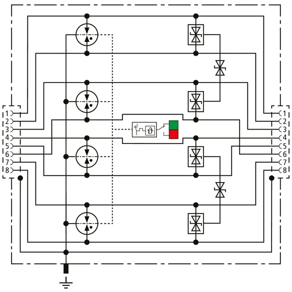
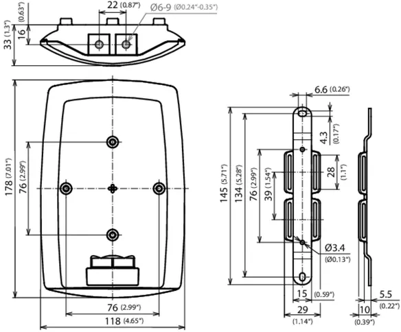
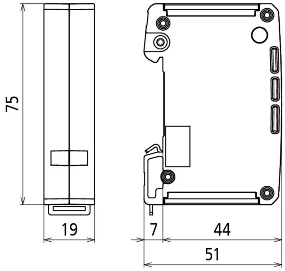
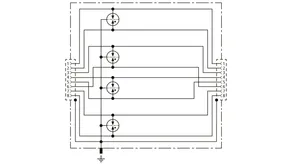
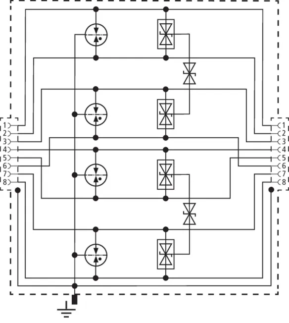
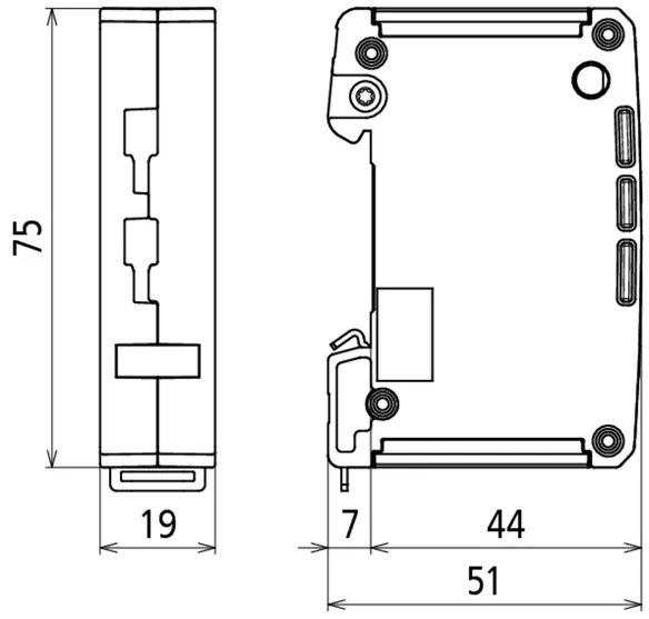
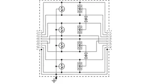
Univerzális túlfeszültség-védelmi készülék GBit Ethernet, POE - Power Over Ethernet (IEEE 802.3 szabvány szerint PoE++ / 4PPoE) és hasonló strukturált kábelhálózatokhoz (E osztályig), beltéri és kültéri alkalmazásokhoz IP66-os por és vizálló tokozatban. Érpárok védelme gázkisüléses szikraközökkel és érpáronkénti szűrőkkel. Teljesen árnyékolt megoldás RJ45-ös csatlakozókkal. Univerzális szerelőbilinccsel fali illetve oszlopszereléshez.
Külső tartozékok: szorító kötegelők oszlopra való szereléshez.

1 Termék

Cikkszám 929221 DPA CLE IP66

GTIN 4013364342866, Vámtarifa szám (EU): 85363010, Bruttó súly: 745.00 g, PU: 1.00 db.


Képek

További információ

DEHNpatch DPA CLE IP66 E osztályú Túlfeszültség-védelmi készülék
Kültéri védelmi készülék GBit Ethernet alkalmazásokhoz
Power over Ethernet (akár PoE++ / 4PPoE) vagy hasonló
alkalmazásokhoz egy teljesen árnyékolt IP66-os tokozatban
2.típusú SPD osztály / P1
DEHNpatch CLE IP66, MSZ EN 61643-21 szerint vizsgálva
Univerzális védelmi készülék az MSZ EN 50173 szerint
mindenféle adatkommunikációhoz 60 V DC-ig (PoE++/4PPoE)
4 adatérpár védelmére
RJ 45 csatlakozással, beltéri és kültéri alkalmazásokhoz

Gyártó: DEHN
Típus: DPA CLE IP66
Cikksz.: 929221
vagy egyenértékű.

Tanúsítványok

 

Műszaki adatok

SPD osztály T
Legnagyobb folyamatos üzemi feszültség (DC) érpár-érpár (PoE) (Uc ) 60 V
Névleges áram (IL ) 1 A
D1 Villámáram impulzus (10/350 µs) per ér (Iimp ) 0.8 kA
D1 Villámáram impulzus (10/350 µs) összesen (Iimp ) 4 kA
C2 Névleges levezetési áram (8/20 µs) összesen (In ) 10 kA
Határfrekvencia (fG ) 250 MHz
Védettség (kábelekkel) IP 66
Csatlakozás (bemenet / kimenet) RJ45 csatlakozó/ RJ45 csatlakozó
Tanúsítványok UL 497B, CSA

A 929221 termék hozzá lett adva a jegyzettömbhöz.

A 929221 terméket hozzáadtuk a kosárhoz.

Webshop indítása

DPA M CAT6

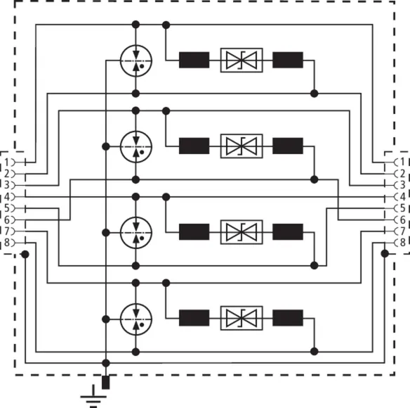
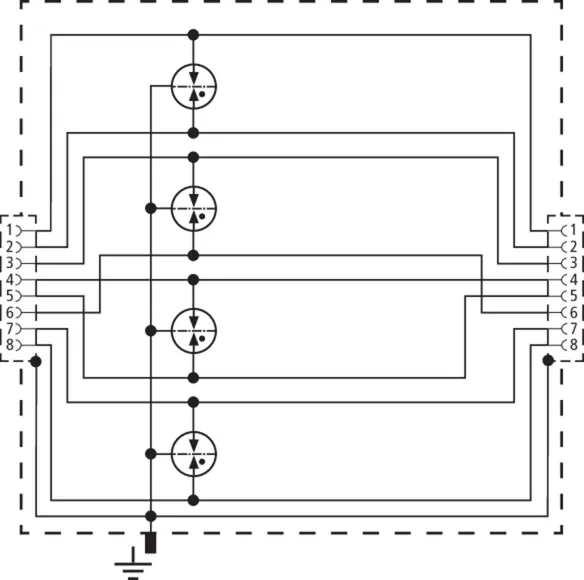
Univerzális túlfeszültség-védelmi készülék ipari ethernet, Power over Ethernet (IEEE 802.3 szabvány szerint PoE++ / 4PPoE és hasonló strukturált kábelhálózatokhoz Cat 6 és E osztály szerint, 500 MHz sávszélességig. Teljesen árnyékolt típus, patch kábellel, DIN sínre történő szereléshez (akár 10 Gbit Ethernet hálózatokhoz is).

1 Termék

Cikkszám 929100 DPA M CAT6 RJ45S 48

GTIN 4013364102170, Vámtarifa szám (EU): 85363010, Bruttó súly: 244.00 g, PU: 1.00 db.

Kifutott termék:

Képek

További információ

Túlfeszültség-korlátozó patch-kábel DEHNpatch DPA M CAT 6 RJ45S 48
Túlfeszültségkorlátozó patch-kábel
Cat.6 teljesen árnyékolt
2 / P1 típusú levezetőosztály
DEHNpatch M, bevizsgálva az
EN 61643-21 és ISO/IEC 11801 szerint
univerzálisan alkalmazható az EN 50173 szerint
összes adatkommunikációhoz 57 V DC-ig
4 érpár védelmére
adathálózati interfészekben
RJ 45 dugaszokon át, elosztó
vagy egyedi munkahelyi alkalmazásra, teljes
hossz 3 m, beépítési szélesség 19 mm.

Gyártó: DEHN
Típus: DPA M CAT6 RJ45S 48
Cikksz.: 929100
vagy egyenértékű.

Tanúsítványok

 

Műszaki adatok

SPD osztály T
Legnagyobb folyamatos üzemi feszültség DC (Uc ) 48 V
Legnagyobb folyamatos üzemi feszültség (DC) érpár-érpár (PoE) (Uc ) 57 V
Névleges áram (IL ) 1 A
D1 Villámáram impulzus (10/350 µs) per ér (Iimp ) 1 kA
C2 Névleges levezetési áram (8/20 µs) összesen (In ) 10 kA
Határfrekvencia (fG ) 250 MHz
Csatlakozás (bemenet / kimenet) RJ45 connecting line / RJ45 connecting line

A 929100 termék hozzá lett adva a jegyzettömbhöz.

A 929100 terméket hozzáadtuk a kosárhoz.

Webshop indítása

DEHNpatch Class EA (Új)

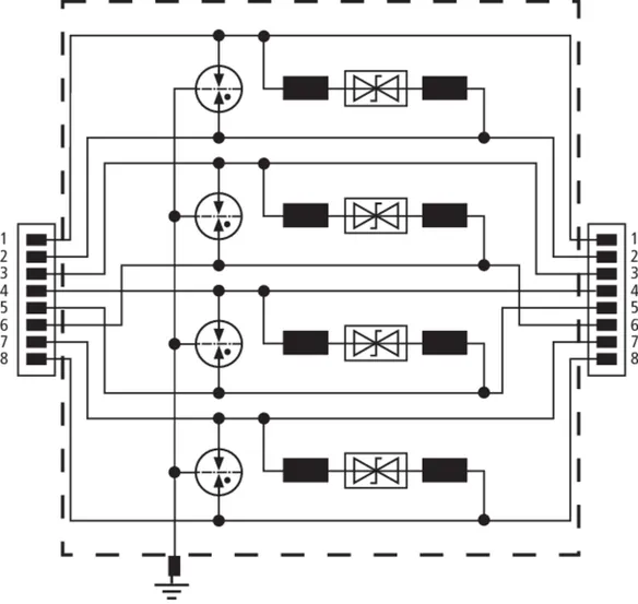
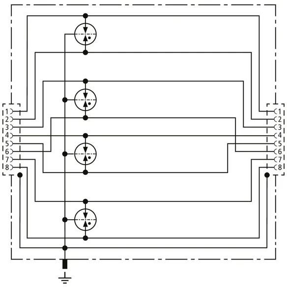
Univerzális, helytakarákos kombi levezető 19 mm szélességgel és RJ45 csatlakozástechnikával, optikai státuszjelzéssel az egyszerű karbantartáshoz. Alkalmazások védelme a strukturált kábelezési rendszerben Class EA 500 MHz-ig, pl. ipari ethernet, rack szekrények, digitális kamerarendszerek, Power over Ethernet (IEEE 802.3 konformitás 4PPoE-ig) és általános ethernet alapú interfészekhez. Minden érpár védelme nagyteljesítményű gázkisülőcsövekkel és védődiódákkal az egyes erek és érpárak között. Teljesen árnyékolt kivitel RJ45 aljzatokkal kalapsínre szerelhető kivitellel. A fémházon lévő csavaros csatlakozással az opcionális földelőcsatlakozáshoz.

1 Termék

Cikkszám 929161 DPA CL8 EA 4PPOE

GTIN 4013364472921, Vámtarifa szám (EU): 85363010, Bruttó súly: 188.70 g, PU: 1.00 db.


Képek

További információ

Túlfeszültségvédelmi készülék DEHNpatch CL8 EA 4PPOE
kompakt kombi levezető
EA átviteli kategóriával az ISO/IEC 11801 szerint
adatinterfészek védelmére
villámáramoktól és túlfeszültségektől
Ethernet alkalmazások 10 GBit-ig és
Power over Ethernet (4PPoE-ig)
4 érpár védelmére RJ45-aljzat
teljesen árnyékolt kivitel
EN/IEC 61643-21 szerint bevizsgálva
levezetőkategória 1. típus/P2
Impulzus kategória: D1, C1, C2, C3, B2
Integrált státuszkijelzés,,
Felügyelet külön távjelző egység segítségével
helytakarékos, szélesség 19 mm
Földelés a 35 mm kalapsínen keresztül vagy
a házon lévő csavaros csatlakozással
Legnagyobb tartós feszültség: 3,3 V DC
Névleges áram 70°C-on: 1,5 A
Határfrekvencia: 500 MHz
C2 névleges levezetési áram erenként (8/20): 2,5 kA
C2 névleges levezetési áram összesen (8/20): 10 kA
D1 villámáram (10/350 µs) erenként: 0,5 kA
D1 villámáram (10/350 µs) összesen: 4 kA
Vezetékcsatlakozás: RJ45 aljzat

Gyártó: DEHN
Típus: DPA CL8 EA 4PPOE
Cikksz.: 929161
vagy egyenértékű.

Tanúsítványok

 

Műszaki adatok

SPD osztály L
Legnagyobb folyamatos üzemi feszültség DC (Uc ) 3.3 V
Legnagyobb folyamatos üzemi feszültség (DC) érpár-érpár (PoE) (Uc ) 58 V
Névleges áram (IL ) 1.5 A
D1 Villámáram impulzus (10/350 µs) per ér (Iimp ) 0.5 kA
C2 Névleges levezetési áram (8/20 µs) összesen (In ) 10 kA
Határfrekvencia (fG ) 500 MHz
Csatlakozás (bemenet / kimenet) RJ45 aljzat / RJ45 aljzat
Tanúsítványok GHMT, UL 497B

A 929161 termék hozzá lett adva a jegyzettömbhöz.

A 929161 terméket hozzáadtuk a kosárhoz.

Webshop indítása

DEHNpatch Class E

Univerzális túlfeszültség-korlátozó ipari Ethernet, POE - Power over Ethernet (IEEE 802.3 kompatibilis a PoE ++ / 4PPoE-vel) és hasonló alkalmazásokhoz E osztály szerint, 250 MHz-es sávszélességig. Minden érpár védelme nagy teljesítményű gázkisüléses-levezetőkkel és vezetékpárokonkénti illesztett szűrő mátrixszal van megoldva. Teljesen árnyékolt adapter kialakítás, aljzatokkal a DIN sínre történő felszereléshez (1Gbit Ethernet sávszélességig).

1 Termék

Cikkszám 929121 DPA M CLE RJ45B 48

GTIN 4013364118935, Vámtarifa szám (EU): 85363010, Bruttó súly: 122.00 g, PU: 1.00 db.

Kifutott termék:

Képek

További információ

DEHNpatch DPA M CLE RJ45B 48 E osztályú túlfeszültség-védelmi készülék
E osztályú túlfeszültség-védelmi készülék
teljesen árnyékolt
2 / P1 típusú levezetőosztály
DEHNpatch M, ellenőrizve az
EN 61643-21 szerint, univerzálisan
alkalmazható az EN 50173 szerint
összes adatkommunikációhoz 57 V DC-ig
4 érpár védelmére
adathálózati interfészekben
RJ 45 aljzatokon át, elosztó
vagy egyedi munkahelyi alkalmazásra, teljes
helytakarékos, beépítési szélesség 19 mm.

Gyártó: DEHN
Típus: DPA M CLE RJ45B 48
Cikksz.: 929121
vagy egyenértékű.

Tanúsítványok

 

Műszaki adatok

SPD osztály T
Legnagyobb folyamatos üzemi feszültség DC (Uc ) 48 V
Legnagyobb folyamatos üzemi feszültség (DC) érpár-érpár (PoE) (Uc ) 57 V
Névleges áram (IL ) 1 A
D1 Villámáram impulzus (10/350 µs) per ér (Iimp ) 0.5 kA
C2 Névleges levezetési áram (8/20 µs) összesen (In ) 10 kA
Határfrekvencia (fG ) 250 MHz
Csatlakozás (bemenet / kimenet) RJ45 aljzat / RJ45 aljzat
Tanúsítványok CSA, UL 497B

A 929121 termék hozzá lett adva a jegyzettömbhöz.

A 929121 terméket hozzáadtuk a kosárhoz.

Webshop indítása

DEHNpatch Class D (Új)

Univerzális, helytakarákos kombi levezető 19 mm szélességgel és RJ45 csatlakozástechnikával, optikai státuszjelzéssel az egyszerű karbantartáshoz. Alkalmazások védelme a strukturált kábelezési rendszerben Class D 100 MHz-ig, pl. ipari ethernet, rack szekrények, digitális kamerarendszerek, Power over Ethernet (IEEE 802.3 konformitás 4PPoE-ig) és általános ethernet alapú interfészekhez. Minden érpár védelme nagyteljesítményű gázkisülőcsövekkel. Teljesen árnyékolt kivitel RJ45 aljzatokkal kalapsínre szerelhető kivitellel. A fémházon lévő csavaros csatlakozással az opcionális földelőcsatlakozáshoz.

1 Termék

Cikkszám 929166 DPA C8 D 4PPOE

GTIN 4013364472914, Vámtarifa szám (EU): 85363010, Bruttó súly: 178.25 g, PU: 1.00 db.


Képek

További információ

Túlfeszültség-védelmi készülék DEHNpatch C8 D 4PPOE
kompakt villámáram-levezető
D átviteli kategóriával az ISO/IEC 11801 szerint
adatinterfészek védelmére
villámáramoktól Ethernet alkalmazásokban
1 GBit-ig és Power over Ethernet-hez (4PPoE-ig)
4 érpár védelmére RJ45-aljzaton keresztül
Teljesen árnyékolt kivitel
az EN/IEC 61643-21 szerint bevizsgálva
Levezetőkategória 1. típus
Impulzuskategória: D1, C2, C3
helytakarékos, szélesség 19 mm
Földelés a 35 mm-es kalapsínen keresztül
vagy a fémházon lévő csavaros csatlakozással
Legnagyobb tartós feszültség: 3,3 V DC
Névleges áram 70°C-on: 1,5 A
Határfrekvencia: 100 MHz
C2 Névleges levezetési áram erenként (8/20): 2,5 kA
C2 Névleges levezetési áram összenes (8/20): 10 kA
D1 Villámáram (10/350 µs) erenként: 0,5 kA
D1 Villámáram (10/350 µs) összesen: 4 kA
Vezetékcsatlakozás: RJ45 aljzat

Gyártó: DEHN
Típus: DPA C8 D 4PPOE
Cikksz.: 929166
vagy egyenértékű.

Tanúsítványok

 

Műszaki adatok

SPD osztály A
Legnagyobb folyamatos üzemi feszültség DC (Uc ) 3.3 V
Legnagyobb folyamatos üzemi feszültség (DC) érpár-érpár (PoE) (Uc ) 58 V
Névleges áram (IL ) 1.5 A
D1 Villámáram impulzus (10/350 µs) per ér (Iimp ) 0.5 kA
C2 Névleges levezetési áram (8/20 µs) összesen (In ) 10 kA
Határfrekvencia (fG ) 100 MHz
Csatlakozás (bemenet / kimenet) RJ45 socket / RJ45 socket
Tanúsítványok UL 497B

A 929166 termék hozzá lett adva a jegyzettömbhöz.

A 929166 terméket hozzáadtuk a kosárhoz.

Webshop indítása

DEHNpatch Class D

Univerzális túlfeszültség-korlátozó ipari Ethernet, POE - Power over Ethernet (IEEE 802.3 kompatibilis a PoE ++ / 4PPoE-vel) és hasonló alkalmazásokhoz D osztály szerint, 100 MHz-es sávszélességig. Érpárak védelme nagy teljesítményű gázkisüléses eszközökkel történik. Teljesen árnyékolt adapter kialakítás, aljzatokkal a DIN sínre történő felszereléshez.

1 Termék

Cikkszám 929126 DPA M CLD RJ45B 48

GTIN 4013364242258, Vámtarifa szám (EU): 85363010, Bruttó súly: 102.00 g, PU: 1.00 db.


Képek

További információ

Túlfeszültség-korlátozó D osztály DEHNpatch DPA M CLD RJ45B 48
Túlfeszültség-korlátozó D osztály
2 / P1 típusú levezetőosztály
DEHNpatch M, ellenőrizve az
EN 61643-21 szerint, univerzálisan
alkalmazható az EN 50173 szerint
összes adatkommunikációhoz 57 V DC-ig
4 érpár védelmére
adathálózati interfészekben
RJ 45 aljzatokon át, elosztó
vagy egyedi munkahelyi alkalmazásra, teljes
helytakarékos, beépítési szélesség 19 mm.

Gyártó: DEHN
Típus: DPA M CLD RJ45B 48
Cikksz.: 929126
vagy egyenértékű.

Tanúsítványok

 

Műszaki adatok

SPD osztály U
Legnagyobb folyamatos üzemi feszültség DC (Uc ) 48 V
Legnagyobb folyamatos üzemi feszültség (DC) érpár-érpár (PoE) (Uc ) 57 V
Névleges áram (IL ) 1 A
D1 Villámáram impulzus (10/350 µs) per ér (Iimp ) 0.5 kA
C2 Névleges levezetési áram (8/20 µs) összesen (In ) 10 kA
Határfrekvencia (fG ) 100 MHz
Csatlakozás (bemenet / kimenet) RJ45 socket / RJ45 socket
Tanúsítványok UL 497B

A 929126 termék hozzá lett adva a jegyzettömbhöz.

A 929126 terméket hozzáadtuk a kosárhoz.

Webshop indítása

back to top