Gyújtószikramentes potenciálkiegyenlítő sínek robbanásveszélyes terekhez 1/21, 2/22 zóna

Gyújtószikramentes Ex-es potenciálkiegyenlítő sín fémes vezetők bevonására a villámvédelmi potenciálkiegyenlítésbe az VDE 0185-305-3 (IEC 62305-3) szerint, valamint a védő- és üzemi potenciálkiegyenlítésbe a DIN VDE 0100, 410/540 része szerint.
  • Alkalmazható potenciálisan robbanásveszélyes terekben, Ex zóna 1/21 és 2/22 -ben
  • Alkalmazható IIC robbanási csoportig és T4 hőmérsékleti osztályig
  • A gyújtószikramentesség bevizsgálva a CLC 50703-2 szabvány szerint 100 kA-ig
  • Villámáram-vezetőképességi osztály H
  • A csavarok kilazulás ellen védettek a VDE 0185-305-3 2. kiegészítése szerint
  • Rugalmas konfigurálás a különböző csatlakozási lehetőségek alkalmazásához

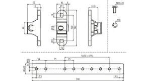
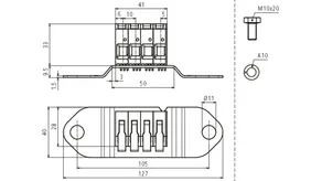
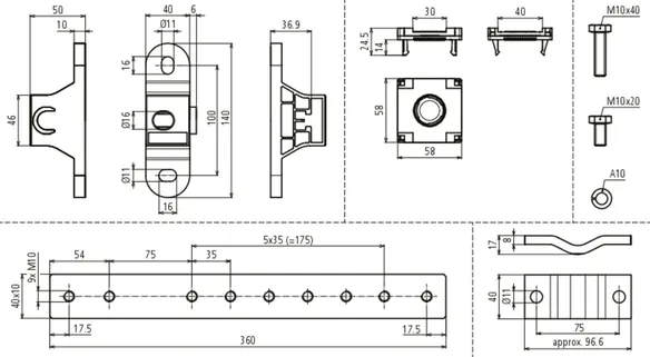
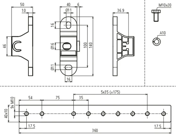
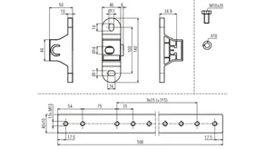
PAS EX 7(11)AP SET

  • Potenciálisan robbanásveszélyes térben történő alkalmazásra Ex zóna 1 és 2-ben (gázok, gőzök, ködök) IIC robbanási csoportig valamint Ex zóna 21 és 22-ben (porok)
  • A csavarok kilazulás ellen védettek
  • A push-in rugós adapter felhasználásánál csak beltéri alkalmazás megengedett.

2 Termékek

Cikkszám 472415 PAS EX 7AP SET

GTIN 4013364470590, Vámtarifa szám (EU): 85359000, Bruttó súly: 3.23 kg, PU: 1.00 db.


Képek

További információ

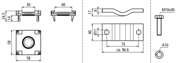
Gyújtószikramentes Ex-potenciálkiegyenlítő sín EX 7AP SET
Fémes vezetők és vezetékek bekötése
a villámvédelem-potenciálkiegyenlítésbe a
VDE 0185-305-3 (IEC 62305-3)
, valamint a védő- és funkcionális potenciálkiegyenlítésbe
a DIN VDE 0100 410/540. rész szerint.
– Alkalmazásra Ex zóna 1 és 2-ben (gázok, gőzök, ködök)
IIC gázcsoportig (biztonsági tényező 1)
valamint Ex zóna 21 és 22-ben (porok) a
CLC 50703-2 szerint hőmérsékletosztály
T4, valamint DIN EN 62561-1
(VDE 0185-561-1)
Villámáram-vezetőképességi osztály H (100 kA).
A csavarok kilazulás ellen védettek
a VDE 0185-305-3, 2. kiegészítése szerint.
Mind beltéri, mind
kültéri alkalmazás lehetséges.
Villámáram impulzus (10/350 µs) NIRO (V4A) 30x3,5mm/40x5mm:
2HExIIC 75 kA (gyújtószikramentes) T4
Villámáram impulzus (10/350 µs) NIRO (V4A) 30x3,5mm/40x5mm:
H 100 kA
Villámáram impulzus (10/350 µs) St/tZn 30x3,5mm/40x5mm:
1HExIIC 100 kA (gyújtószikramentes) T4
Max. rövidzárlati áram (AC 50 Hz / DC / 5s) NIRO (V4A) 30x3,5 mm/40x5 mm:
750 A / T4
Max. rövidzárlati áram (AC 50Hz / DC / 5s) St/tZn 30x3,5 mm/40x5 mm:
1500 A / T4
Villámáram impulzus (10/350 µs) NIRO(V4A) Ø10 mm:
NExIIC 50 kA (gyújtószikramentes) T4
Villámáram impulzus (10/350 µs) NIRO(V4A) Ø10 mm:
75 kA
Villámáram impulzus (10/350 µs) St/tZn Ø10 mm:
2HExIIC 75 kA (gyújtószikramentes) T4
Villámáram impulzus (10/350 µs) St/tZn Ø10 mm:
H 100kA
Max. rövidzárlati áram (AC 50 Hz / DC / 5s) NIRO(V4A) Ø10 mm:
650 A / T4
Max. rövidzárlati áram (AC 50 Hz / DC / 5s) St/tZn Ø10 mm:
1000 A / T4
Villámáram impulzus (10/350 µs) Cu 16 - 95 mm²:
1HExIIC 100 kA (gyújtószikramentes) T4
Max. rövidzárlati áram (AC 50 Hz / DC / 5s) Cu 16 mm²:
750 A / T4
Max. rövidzárlati áram (AC 50 Hz / DC / 5s) Cu 95 mm²:
3,1 kA / T4
Névleges levezetési lökőáram (8/20 µs) erenként (In) 4-10mm² Cu:
10 kA (gyújtószikramentes)
Névleges levezetési áram (8/20 µs) erenként (In) 16mm² Cu:
15 kA (gyújtószikramentes)
Villámáram impulzus (10/350 µs) Cu 4-16 mm² (erenként):
3 kA (gyújtószikramentes)
Villámáram impulzus (10/350 µs) Cu 16 mm² (erenként):
25 kA (erenként)
Max. felületi hőmérséklet T4: 135 °C
Robbanásveszélyes területeken a whisker-képződés
elkerülésére javasolt az ónozott krimpelt kábelsaruk
nikkel záróréteggel való használata.
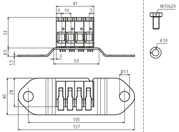
Sín: 360 x 40 x 10 mm
Méret: 382 x 140 x 101 mm
Csatlakozók: 1 db. lapos vezető 30/40 mm vagy
adapter Rd 10 mm,
1x flexibilis / merev vezető 16-95 mm²
kábelsaru útján
1x push-in adapter 4x 4-16 mm²
Anyag: NIRO, anyagszám: 1.4301 / 1.4303
Szigetelő/adapterház Fl: poliamid / halogénmentes
kék, UV-stabilizált
Push-in adapter: poliamid
Szabványhivatkozás: DIN EN 62561-1 / CLC 50703-2

Gyártó: DEHN
Típus: PAS EX 7AP SET
Cikksz.: 472415
vagy egyenértékű.

Tanúsítványok

 

Műszaki adatok

Csatlakozás Rd/Fl 1x lapos vezető 30/40 mm vagy 1x kör keresztmetszetű vezető 10 mm
Csatlakozókapocs csatlakozás 4x 4-16 mm²
Kábelsaru csatlakozás 1x flexibilis / merev vezető 16-95 mm²
Méret 382 x 140 x 101 mm
Villámáram impulzus (10/350 µs) NIRO (V4A) 30x3,5 mm / 40x5 mm 2HExIIC 75 kA (gyújtószikramentes) T4
Villámáram impulzus (10/350 µs) St/tZn 30x3,5 mm / 40x5 mm 1HExIIC 100 kA (gyújtószikramentes) T4
Villámáram impulzus (10/350 µs) NIRO (V4A) Ø10 mm NExIIC 50 kA (gyújtószikramentes) T4
Villámáram impulzus (10/350 µs) St/tZn Ø10 mm 2HExIIC 75 kA (gyújtószikramentes) T4
Villámáram impulzus (10/350 µs) Cu 16-95 mm2 1HExIIC 100 kA (gyújtószikramentes) T4
Villámáram impulzus (10/350 µs) Cu 4-16 mm² (erenként) 3 kA (gyújtószikramentes)
Névleges levezetési áram (8/20 µs) erenként (In) Cu 4-10 mm² 10 kA (gyújtószikramentes)
Névleges levezetési áram (8/20 µs) erenként (In) Cu 16 mm² 15 kA (gyújtószikramentes)
Max. rövidzárlati áram (AC 50 Hz / DC / 5 s) NIRO (V4A) 30x3,5 mm / 40x5 mm 750 A / T4
Max. rövidzárlati áram (AC 50 Hz / DC / 5 s) St/tZn 30x3,5 mm / 40x5 mm 1500 A / T4
Max. rövidzárlati áram (AC 50 Hz / DC / 5s) NIRO (V4A) Ø10 mm 650 A / T4
Max. rövidzárlati áram (AC 50 Hz / DC / 5s) St/tZn Ø10 mm 1000 A / T4
Szabványhivatkozás DIN EN 62561-1 / CLC 50703-2

A 472415 termék hozzá lett adva a jegyzettömbhöz.

A 472415 terméket hozzáadtuk a kosárhoz.

Webshop indítása

Cikkszám 472425 PAS EX 11AP SET

GTIN 4013364470606, Vámtarifa szám (EU): 85359000, Bruttó súly: 3.82 kg, PU: 1.00 db.


Képek

További információ

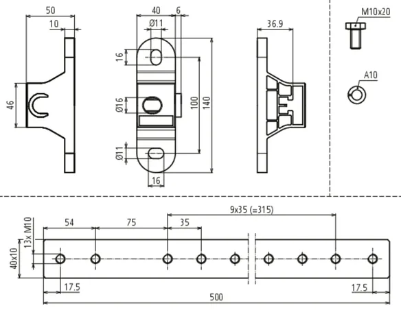
Gyújtószikramentes Ex-potenciálkiegyenlítő sín PAS EX 11AP SET
Fémes vezetők és vezetékek bekötése a
villámvédelmi potenciálkiegyenlítésbe a
VDE 0185-305-3 (IEC 62305-3) szerint, valamint a
védő- és üzemi potenciálkiegyenlítésbe a
DIN VDE 0100, 410/540 rész szerint.
Alkalmazás Ex zóna 1 és 2-ben (gázok, gőzök, ködök)
és Ex zóna 21 és 22-ben (porok)
IIC robbanási csoport (biztonsági tényező 1)
a CLC 50703-2 szerint;
T4 hőmérsékletosztály, valamint DIN EN 62561-1
(VDE 0185-561-1)
Villámáram-vezetőképességi osztály H (100 kA).
A csavarok kilazulás ellen védettek
a VDE 0185-305-3, 2. kiegészítése szerint.
Mind beltéri, mind
kültéri alkalmazás lehetséges.
Villámáram impulzus (10/350 µs) NIRO (V4A) 30x3,5mm/40x5mm:
2HExIIC 75 kA (gyújtószikramentes) T4
Villámáram impulzus (10/350 µs) NIRO (V4A) 30x3,5mm/40x5mm:
H 100 kA
Villámáram impulzus (10/350 µs) St/tZn 30x3,5mm/40x5mm:
1HExIIC 100 kA (gyújtószikramentes) T4
Max. rövidzárlati áram (AC 50 Hz / DC / 5s) NIRO (V4A) 30x3,5 mm/40x5 mm:
750 A / T4
Max. rövidzárlati áram (AC 50Hz / DC / 5s) St/tZn 30x3,5 mm/40x5 mm:
1500 A / T4
Villámáram impulzus (10/350 µs) NIRO(V4A) Ø10 mm:
NExIIC 50 kA (gyújtószikramentes) T4
Villámáram impulzus (10/350 µs) NIRO(V4A) Ø10 mm:
75 kA
Villámáram impulzus (10/350 µs) St/tZn Ø10 mm:
2HExIIC 75 kA (gyújtószikramentes) T4
Villámáram impulzus (10/350 µs) St/tZn Ø10 mm:
H 100kA
Max. rövidzárlati áram (AC 50 Hz / DC / 5s) NIRO(V4A) Ø10 mm:
650 A / T4
Max. rövidzárlati áram (AC 50 Hz / DC / 5s) St/tZn Ø10 mm:
1000 A / T4
Villámáram impulzus (10/350 µs) Cu 16 - 95 mm²:
1HExIIC 100 kA (gyújtószikramentes) T4
Max. rövidzárlati áram (AC 50 Hz / DC / 5s) Cu 16 mm²:
750 A / T4
Max. rövidzárlati áram (AC 50 Hz / DC / 5s) Cu 95 mm²:
3,1 kA / T4
Névleges levezetési lökőáram (8/20 µs) erenként (In) 4-10mm² Cu:
10 kA (gyújtószikramentes)
Névleges levezetési áram (8/20 µs) erenként (In) 16mm² Cu:
15 kA (gyújtószikramentes)
Villámáram impulzus (10/350 µs) Cu 4-16 mm² (erenként):
3 kA (gyújtószikramentes)
Villámáram impulzus (10/350 µs) Cu 16 mm² (erenként):
25 kA (erenként)
Max. felületi hőmérséklet T4: 135 °C
Robbanásveszélyes területeken a whisker-képződés
elkerülésére javasolt az ónozott krimpelt kábelsaruk
nikkel záróréteggel való használata.
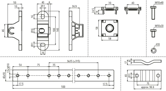
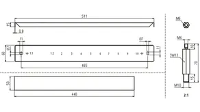
Sín: 500 x 40 x 10 mm
Méret: 522 x 140 x 101 mm
Csatlakozók: 1x lapos vezető 30/40 mm
vagy adapter Rd 10 mm,
5x flexibilis / merev vezető 16-95 mm²
kábelsaru útján
1x push-in adapter 4x 4-16 mm²
Anyag: NIRO,
Anyagszám: 1.4301 / 1.4303
Szigetelő/adapterház Fl: poliamid / halogénmentes
kék, UV-stabilizált
Push-in adapter: poliamid
Szabványhivatkozás: DIN EN 62561-1 / CLC 50703-2

Gyártó: DEHN
Típus: PAS EX 11AP SET
Cikksz.: 472425
vagy egyenértékű.

Tanúsítványok

 

Műszaki adatok

Csatlakozás Rd/Fl 1x lapos vezető 30/40 mm vagy 1x kör keresztmetszetű vezető 10 mm
Csatlakozókapocs csatlakozás 4x 4-16 mm²
Kábelsaru csatlakozás 5x flexibilis / merev vezető 16-95 mm²
Méret 522 x 140 x 101 mm
Villámáram impulzus (10/350 µs) NIRO (V4A) 30x3,5 mm / 40x5 mm 2HExIIC 75 kA (gyújtószikramentes) T4
Villámáram impulzus (10/350 µs) St/tZn 30x3,5 mm / 40x5 mm 1HExIIC 100 kA (gyújtószikramentes) T4
Villámáram impulzus (10/350 µs) NIRO (V4A) Ø10 mm NExIIC 50 kA (gyújtószikramentes) T4
Villámáram impulzus (10/350 µs) St/tZn Ø10 mm 2HExIIC 75 kA (gyújtószikramentes) T4
Villámáram impulzus (10/350 µs) Cu 16-95 mm2 1HExIIC 100 kA (gyújtószikramentes) T4
Villámáram impulzus (10/350 µs) Cu 4-16 mm² (erenként) 3 kA (gyújtószikramentes)
Névleges levezetési áram (8/20 µs) erenként (In) Cu 4-10 mm² 10 kA (gyújtószikramentes)
Névleges levezetési áram (8/20 µs) erenként (In) Cu 16 mm² 15 kA (gyújtószikramentes)
Max. rövidzárlati áram (AC 50 Hz / DC / 5 s) NIRO (V4A) 30x3,5 mm / 40x5 mm 750 A / T4
Max. rövidzárlati áram (AC 50 Hz / DC / 5 s) St/tZn 30x3,5 mm / 40x5 mm 1500 A / T4
Max. rövidzárlati áram (AC 50 Hz / DC / 5s) NIRO (V4A) Ø10 mm 650 A / T4
Max. rövidzárlati áram (AC 50 Hz / DC / 5s) St/tZn Ø10 mm 1000 A / T4
Szabványhivatkozás DIN EN 62561-1 / CLC 50703-2

A 472425 termék hozzá lett adva a jegyzettömbhöz.

A 472425 terméket hozzáadtuk a kosárhoz.

Webshop indítása

PAS EX 1+5(9)AP M10 V2A

  • Potenciálisan robbanásveszélyes térben történő alkalmazásra Ex zóna 1 és 2-ben (gázok, gőzök, ködök) IIC robbanási csoportig valamint Ex zóna 21 és 22-ben (porok)
  • A csavarok kilazulás ellen védettek
  • Mind beltéri, mind kültéri alkalmazás lehetséges.

2 Termékek

Cikkszám 472410 PAS EX 1+5AP M10 V2A

GTIN 4013364470521, Vámtarifa szám (EU): 85359000, Bruttó súly: 1.96 kg, PU: 1.00 db.


Képek

További információ

Gyújtószikramentes Ex-potenciálkiegyenlítő sín PAS EX 1+5AP M10 V2A
Fémes vezetők és vezetékek bekötése
a villámvédelem-potenciálkiegyenlítésbe a
VDE 0185-305-3 (IEC 62305-3)
, valamint a védő- és funkcionális potenciálkiegyenlítésbe
a DIN VDE 0100 410/540. rész szerint.
Alkalmazás Ex zóna 1 és 2-ben
(gázok, gőzök, ködök) és Ex zóna
21 és 22-ben (porok)
IIC robbanási csoport (biztonsági tényező 1)
a CLC 50703-2 szerint;
T4 hőmérsékletosztály, valamint DIN EN 62561-1
(VDE 0185-561-1)
Villámáram-vezetőképességi osztály H (100 kA).
A csavarok kilazulás ellen védettek
a VDE 0185-305-3, 2. kiegészítése szerint.
Mind beltéri, mind
kültéri alkalmazás lehetséges.
Villámáram impulzus (10/350 µs) NIRO (V4A) 30x3,5mm/40x5mm:
2HExIIC 75 kA (gyújtószikramentes) T4
Villámáram impulzus (10/350 µs) NIRO (V4A) 30x3,5mm/40x5mm:
H 100 kA
Villámáram impulzus (10/350 µs) St/tZn 30x3,5mm/40x5mm:
1HExIIC 100 kA (gyújtószikramentes) T4
Max. rövidzárlati áram (AC 50 Hz / DC / 5s) NIRO (V4A) 30x3,5 mm/40x5 mm:
750 A / T4
Max. rövidzárlati áram (AC 50Hz / DC / 5s) St/tZn 30x3,5 mm/40x5 mm:
1500 A / T4
Villámáram impulzus (10/350 µs) Cu 16 - 95 mm²:
1HExIIC 100 kA (gyújtószikramentes) T4
Max. rövidzárlati áram (AC 50 Hz / DC / 5s) Cu 16 mm²:
750 A / T4
Max. rövidzárlati áram (AC 50 Hz / DC / 5s) Cu 95 mm²:
3,1 kA / T4
Max. felületi hőmérséklet T4: 135 °C
Robbanásveszélyes területeken a whisker-képződés
elkerülésére javasolt az ónozott krimpelt kábelsaruk
nikkel záróréteggel való használata.
Sín: 360 x 40 x 10 mm
Méret: 382 x 140 x 101 mm
Csatlakozók: 1 lapos (M10 x 40 mm rugós alátéttel)
+ 5 lapos (M10 x 20 mm rugós alátéttel)
Potenciálkiegyenlítő sín/átfedés/csavarok/rugós alátét:
NIRO, anyagszám: 1.4301 / 1.4303
Szigetelő/adapterház Fl:
poliamid / halogénmentes UV-stabilizált
Szabványhivatkozás: DIN EN 62561-1 / CLC 50703-2

Gyártó: DEHN
Típus: PAS EX 1+5AP M10 V2A
Cikksz.: 472410
vagy egyenértékű.

Tanúsítványok

 

Műszaki adatok

Csatlakozás Fl 1x lapos vezető 30/40 mm
Kábelsaru csatlakozás 5x flexibilis / merev vezető 16-95 mm²
Méret 382 x 140 x 65 mm
Villámáram impulzus (10/350 µs) NIRO (V4A) 30x3,5 mm / 40x5 mm 2HExIIC 75 kA (gyújtószikramentes) T4
Villámáram impulzus (10/350 µs) St/tZn 30x3,5 mm / 40x5 mm 1HExIIC 100 kA (gyújtószikramentes) T4
Villámáram impulzus (10/350 µs) Cu 16-95 mm2 1HExIIC 100 kA (gyújtószikramentes) T4
Max. rövidzárlati áram (AC 50 Hz / DC / 5 s) NIRO (V4A) 30x3,5 mm / 40x5 mm 750 A / T4
Max. rövidzárlati áram (AC 50 Hz / DC / 5 s) St/tZn 30x3,5 mm / 40x5 mm 1500 A / T4
Szabványhivatkozás DIN EN 62561-1 / CLC 50703-2
A korrózióállóság tekintetében a PAS EX anyagokat (pl. Cu/galSn, NIRO, poliamid, poliuretán-észter) ellenőrizni kell, hogy megfelelnek-e a meglévő környezeti feltételeknek.

A 472410 termék hozzá lett adva a jegyzettömbhöz.

A 472410 terméket hozzáadtuk a kosárhoz.

Webshop indítása

Cikkszám 472420 PAS EX 1+9AP M10 V2A

GTIN 4013364476059, Vámtarifa szám (EU): 85359000, Bruttó súly: 2.50 kg, PU: 1.00 db.


Képek

További információ

Gyújtószikramentes Ex-potenciálkiegyenlítő sín PAS EX 1+9AP M10 V2A
Fémes vezetők és vezetékek bekötése
a villámvédelem-potenciálkiegyenlítésbe a
VDE 0185-305-3 (IEC 62305-3)
, valamint a védő- és funkcionális potenciálkiegyenlítésbe
a DIN VDE 0100 410/540. rész szerint.
Alkalmazás Ex zóna 1 és 2-ben
(gázok, gőzök, ködök) és
Ex zóna 21 és 22-ben (porok)
IIC robbanási csoport (biztonsági tényező 1)
a CLC 50703-2 szerint;
T4 hőmérsékletosztály, valamint DIN EN 62561-1
(VDE 0185-561-1)
Villámáram-vezetőképességi osztály H (100 kA).
A csavarok kilazulás ellen védettek
a VDE 0185-305-3, 2. kiegészítése szerint.
Mind beltéri, mind
kültéri alkalmazás lehetséges.
Villámáram impulzus (10/350 µs) NIRO (V4A) 30x3,5mm/40x5mm:
2HExIIC 75 kA (gyújtószikramentes) T4
Villámáram impulzus (10/350 µs) NIRO (V4A) 30x3,5mm/40x5mm:
H 100 kA
Villámáram impulzus (10/350 µs) St/tZn 30x3,5mm/40x5mm:
1HExIIC 100 kA (gyújtószikramentes) T4
Max. rövidzárlati áram (AC 50 Hz / DC / 5s) NIRO (V4A) 30x3,5 mm/40x5 mm:
750 A / T4
Max. rövidzárlati áram (AC 50Hz / DC / 5s) St/tZn 30x3,5 mm/40x5 mm:
1500 A / T4
Villámáram impulzus (10/350 µs) Cu 16 - 95 mm²:
1HExIIC 100 kA (gyújtószikramentes) T4
Max. rövidzárlati áram (AC 50 Hz / DC / 5s) Cu 16 mm²:
750 A / T4
Max. rövidzárlati áram (AC 50 Hz / DC / 5s) Cu 95 mm²:
3,1 kA / T4
Max. felületi hőmérséklet T4: 135 °C
Robbanásveszélyes területeken a whisker-képződés
elkerülésére javasolt az ónozott krimpelt kábelsaruk
nikkel záróréteggel való használata.
Sín: 500 x 40 x 10 mm
Méret: 522 x 140 x 101 mm
Csatlakozók: 1 lapos (M10 x 40 mm rugós alátéttel)
+ 9 kábelsaru (M10 x 20 mm rugós alátéttel)
Potenciálkiegyenlítő sín/átfedés/csavarok/rugós alátét:
NIRO, anyagszám: 1.4301 / 1.4303
Szigetelő/adapterház Fl: Poliamid,
halogénmentes kék, UV-stabilizált
Szabványhivatkozás: DIN EN 62561-1 / CLC 50703-2

Gyártó: DEHN
Típus: PAS EX 1+9AP M10 V2A
Cikksz.: 472420
vagy egyenértékű.

Tanúsítványok

 

Műszaki adatok

Csatlakozás Fl 1x lapos vezető 30/40 mm
Kábelsaru csatlakozás 9x flexibilis / merev vezető 16-95 mm²
Méret 522 x 140 x 65 mm
Villámáram impulzus (10/350 µs) NIRO (V4A) 30x3,5 mm / 40x5 mm 2HExIIC 75 kA (gyújtószikramentes) T4
Villámáram impulzus (10/350 µs) St/tZn 30x3,5 mm / 40x5 mm 1HExIIC 100 kA (gyújtószikramentes) T4
Villámáram impulzus (10/350 µs) Cu 16-95 mm2 1HExIIC 100 kA (gyújtószikramentes) T4
Max. rövidzárlati áram (AC 50 Hz / DC / 5 s) NIRO (V4A) 30x3,5 mm / 40x5 mm 750 A / T4
Max. rövidzárlati áram (AC 50 Hz / DC / 5 s) St/tZn 30x3,5 mm / 40x5 mm 1500 A / T4
Szabványhivatkozás DIN EN 62561-1 / CLC 50703-2
A korrózióállóság tekintetében a PAS EX anyagokat (pl. Cu/galSn, NIRO, poliamid, poliuretán-észter) ellenőrizni kell, hogy megfelelnek-e a meglévő környezeti feltételeknek.

A 472420 termék hozzá lett adva a jegyzettömbhöz.

A 472420 terméket hozzáadtuk a kosárhoz.

Webshop indítása

PAS EX 7(11)AP M10 V2A

  • Potenciálisan robbanásveszélyes térben történő alkalmazásra Ex zóna 1 és 2-ben (gázok, gőzök, ködök) IIC robbanási csoportig valamint Ex zóna 21 és 22-ben (porok)
  • A csavarok kilazulás ellen védettek
  • Mind beltéri, mind kültéri alkalmazás lehetséges.

2 Termékek

Cikkszám 472411 PAS EX 7AP M10 V2A

GTIN 4013364470460, Vámtarifa szám (EU): 85359000, Bruttó súly: 1.65 kg, PU: 1.00 db.


Képek

További információ

Gyújtószikramentes Ex-potenciálkiegyenlítő sín PAS EX 7AP M10 V2A
Fémes vezetők és vezetékek bekötése
a villámvédelem-potenciálkiegyenlítésbe a
VDE 0185-305-3 (IEC 62305-3)
, valamint a védő- és funkcionális potenciálkiegyenlítésbe
a DIN VDE 0100 410/540. rész szerint.
Alkalmazás Ex zóna 1 és 2-ben (gázok, gőzök, ködök)
és Ex zóna 21 és 22-ben (porok)
IIC robbanási csoport (biztonsági tényező 1)
a CLC 50703-2 szerint;
T4 hőmérsékletosztály, valamint DIN EN 62561-1
(VDE 0185-561-1)
Villámáram-vezetőképességi osztály H (100 kA).
A csavarok kilazulás ellen védettek
a VDE 0185-305-3, 2. kiegészítése szerint.
Mind beltéri, mind
kültéri alkalmazás lehetséges.
Villámáram impulzus (10/350 µs) Cu 16 - 95 mm²:
1HExIIC 100 kA (gyújtószikramentes) T4
Max. rövidzárlati áram (AC 50 Hz / DC / 5s) Cu 16 mm²:
750 A / T4
Max. rövidzárlati áram (AC 50 Hz / DC / 5s) Cu 95 mm²:
3,1 kA / T4
Max. felületi hőmérséklet T4: 135 °C
Robbanásveszélyes területeken a whisker-képződés
elkerülésére javasolt az ónozott krimpelt kábelsaruk
nikkel záróréteggel való használata.
Sín: 300 x 40 x 10 mm
Méret: 382 x 140 x 101 mm
Csatlakozók: 7 kábelsaru (M10 x 20 mm rugós alátéttel)
Potenciálkiegyenlítő sín/csavarok/rugós alátét: NIRO,
Anyagszám: 1.4301 / 1.4303
Szigetelő: poliamid / halogénmentes UV-stabilizált
Szabványhivatkozás: DIN EN 62561-1 / CLC 50703-2

Gyártó: DEHN
Típus: PAS EX 7AP M10 V2A
Cikksz.: 472411
vagy egyenértékű.

Tanúsítványok

 

Műszaki adatok

Kábelsaru csatlakozás 7x flexibilis / merev vezető 16-95 mm²
Méret 382 x 140 x 50 mm
Villámáram impulzus (10/350 µs) Cu 16-95 mm2 1HExIIC 100 kA (gyújtószikramentes) T4
Szabványhivatkozás DIN EN 62561-1 / CLC 50703-2
A korrózióállóság tekintetében a PAS EX anyagokat (pl. Cu/galSn, NIRO, poliamid, poliuretán-észter) ellenőrizni kell, hogy megfelelnek-e a meglévő környezeti feltételeknek.

A 472411 termék hozzá lett adva a jegyzettömbhöz.

A 472411 terméket hozzáadtuk a kosárhoz.

Webshop indítása

Cikkszám 472421 PAS EX 11AP M10 V2A

GTIN 4013364470477, Vámtarifa szám (EU): 85359000, Bruttó súly: 2.16 kg, PU: 1.00 db.


Képek

További információ

Gyújtószikramentes Ex-potenciálkiegyenlítő sín PAS EX 11AP M10 V2A
Fémes vezetők és vezetékek bekötése
a villámvédelem-potenciálkiegyenlítésbe a
VDE 0185-305-3 (IEC 62305-3)
, valamint a védő- és funkcionális potenciálkiegyenlítésbe
a DIN VDE 0100 410/540. rész szerint.
Alkalmazás Ex zóna 1 és 2-ben (gázok, gőzök, ködök)
és Ex zóna 21 és 22-ben (porok)
IIC robbanási csoport (biztonsági tényező 1)
a CLC 50703-2 szerint;
T4 hőmérsékletosztály, valamint DIN EN 62561-1
(VDE 0185-561-1)
Villámáram-vezetőképességi osztály H (100 kA).
A csavarok kilazulás ellen védettek
a VDE 0185-305-3, 2. kiegészítése szerint.
Mind beltéri, mind
kültéri alkalmazás lehetséges.
Villámáram impulzus (10/350 µs) Cu 16 - 95 mm²:
1HExIIC 100 kA (gyújtószikramentes) T4
Max. rövidzárlati áram (AC 50 Hz / DC / 5s) Cu 16 mm²:
750 A / T4
Max. rövidzárlati áram (AC 50 Hz / DC / 5s) Cu 95 mm²:
3,1 kA / T4
Max. felületi hőmérséklet T4: 135 °C
Robbanásveszélyes területeken a whisker-képződés
elkerülésére javasolt az ónozott krimpelt kábelsaruk
nikkel záróréteggel való használata.
Sín: 500 x 40 x 10 mm
Méret: 522 x 140 x 101 mm
Csatlakozók: 11 kábelsaru (M10 x 20 mm rugós alátéttel)
Potenciálkiegyenlítősín/csavarok/rugós alátét:
NIRO, anyagszám: 1.4301 / 1.4303
Szigetelő: poliamid / halogénmentes UV-stabilizált
Szabványhivatkozás: DIN EN 62561-1 / CLC 50703-2

Gyártó: DEHN
Típus: PAS EX 11AP M10 V2A
Cikksz.: 472421
vagy egyenértékű.

Tanúsítványok

 

Műszaki adatok

Kábelsaru csatlakozás 11x flexibilis / merev vezető 16-95 mm²
Méret 522 x 140 x 50 mm
Villámáram impulzus (10/350 µs) Cu 16-95 mm2 1HExIIC 100 kA (gyújtószikramentes) T4
Szabványhivatkozás DIN EN 62561-1 / CLC 50703-2
A korrózióállóság tekintetében a PAS EX anyagokat (pl. Cu/galSn, NIRO, poliamid, poliuretán-észter) ellenőrizni kell, hogy megfelelnek-e a meglévő környezeti feltételeknek.

A 472421 termék hozzá lett adva a jegyzettömbhöz.

A 472421 terméket hozzáadtuk a kosárhoz.

Webshop indítása

PAS EX AD 7(11) AP

Fedlap távtartó csappal gyújtószikramentes Ex-potenciálkiegyenlítő sín PAS EX számára. Csatlakozószámozással és jelölőtáblával.

2 Termékek

Cikkszám 472412 PAS EX AD 7 AP

GTIN 4013364470491, Vámtarifa szám (EU): 85389099, Bruttó súly: 576.00 g, PU: 1.00 db.


Képek

További információ

Fedlap távtartó csappal
és jelölőtáblával
PAS EX 1+5AP M10 V2A és
PAS EX 7AP M10 V2A
Anyag: NIRO,
Anyagszám: 1.4301 / 1.4303

Gyártó: DEHN
Típus: PAS EX AD 7 AP
Cikksz.: 472412
vagy egyenértékű.

 

Műszaki adatok

Anyag NIRO

A 472412 termék hozzá lett adva a jegyzettömbhöz.

A 472412 terméket hozzáadtuk a kosárhoz.

Webshop indítása

Cikkszám 472422 PAS EX AD 11 AP

GTIN 4013364470507, Vámtarifa szám (EU): 85389099, Bruttó súly: 658.00 g, PU: 1.00 db.


Képek

További információ

Fedlap távtartó csappal
és jelölőtáblával
PAS EX 1+9AP M10 V2A és
PAS EX 11AP M10 V2A
Anyag: NIRO,
Anyagszám: 1.4301 / 1.4303

Gyártó: DEHN
Típus: PAS EX AD 11 AP
Cikksz.: 472422
vagy egyenértékű.

 

Műszaki adatok

Anyag NIRO

A 472422 termék hozzá lett adva a jegyzettömbhöz.

A 472422 terméket hozzáadtuk a kosárhoz.

Webshop indítása

PAS EX CC

Push-in adapter gyújtószikramentes Ex-potenciálkiegyenlítő sín PAS EX számára flexibilis vezetékek egyszerű csatlakoztatására. Potenciálisan robbanásveszélyes térben történő alkalmazásra Ex zóna 1 és 2-ben (gázok, gőzök, ködök) IIC robbanási csoportig valamint Ex zóna 21 és 22-ben (porok). Csak beltéri használat megengedett.

1 Termék

Cikkszám 472497 PAS EX CC

GTIN 4013364470484, Vámtarifa szám (EU): 85359000, Bruttó súly: 196.00 g, PU: 1.00 db.


Képek

További információ

Push-in adapter flexibilis vezetékek
kontaktálásához 4 db. 4-16 mm² PAS EX...
potenciálisan robbanásveszélyes térben történő alkalmazásra
Ex zóna 1 és 2-ben (gázok, gőzök, ködök)
, valamint Ex zóna 21 és 22-ben (porok).
Alkalmazható IIC robbanási csoportig
(biztonsági tényező 1)
Alkalmazható T4 hőmérsékletosztályig
A csavarok kilazulás ellen védettek
a VDE 0185-305-3, 2. kiegészítése szerint
Beltéri használat megengedett
Névleges levezetési áram (8/20 µs) erenként (In) Cu 4-10mm²:
10 kA (gyújtószikramentes)
Névleges levezetési áram (8/20 µs) erenként (In) Cu 16mm²:
15 kA (gyújtószikramentes)
Villámáram impulzus (10/350 µs) Cu 4-16 mm² (erenként):
3 kA (gyújtószikramentes)
Villámáram impulzus (10/350 µs) Cu 16 mm² (erenként):
25 kA
Anyag: poliamid

Gyártó: DEHN
Típus: PAS EX CC
Cikksz.: 472497
vagy egyenértékű.

Tanúsítványok

 

Műszaki adatok

Villámáram impulzus (10/350 µs) Cu 4-16 mm² (erenként) 3 kA (gyújtószikramentes)
Névleges levezetési áram (8/20 µs) erenként (In) Cu 4-10 mm² 10 kA (gyújtószikramentes)
Névleges levezetési áram (8/20 µs) erenként (In) Cu 16 mm² 15 kA (gyújtószikramentes)
Megjegyzés: A gyújtószikramentesség csak a PAS EX... potenciálkiegyenlítő sínekkel együtt biztosított!

A 472497 termék hozzá lett adva a jegyzettömbhöz.

A 472497 terméket hozzáadtuk a kosárhoz.

Webshop indítása

PAS EX R

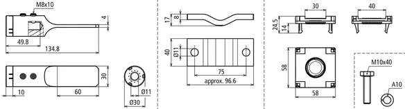
Adapter gyújtószikramentes Ex-potenciálkiegyenlítő sín PAS EX számára kör keresztmetszetű vezető csatlakoztatására. Potenciálisan robbanásveszélyes térben történő alkalmazásra Ex zóna 1 és 2-ben (gázok, gőzök, ködök) IIC robbanási csoportig valamint Ex zóna 21 és 22-ben (porok). Mind beltéri, mind kültéri alkalmazás lehetséges.

1 Termék

Cikkszám 472498 PAS EX R

GTIN 4013364476042, Vámtarifa szám (EU): 85359000, Bruttó súly: 790.00 g, PU: 1.00 db.


Képek

További információ

Csatlakozó készlet Rd 10 mm
PAS EX 11AP M10 V2A
PAS EX 7AP M10 V2A
Fémes vezetők és vezetékek bekötése
a villámvédelem-potenciálkiegyenlítésbe
VDE 0185-305-3 (IEC 62305-3)
valamint a védelmi és funkcionális potenciálkiegyenlítésbe
a DIN VDE 0100 410/540. rész szerint.
Alkalmazás Ex zóna 1 és 2-ben (gázok, gőzök, ködök)
és Ex zóna 21 és 22-ben (porok)
IIC robbanási csoport (biztonsági tényező 1)
a CLC 50703-2 szerint;
T4 hőmérsékletosztály, valamint DIN EN 62561-1
(VDE 0185-561-1)
Villámáram-vezetőképességi osztály H (100 kA).
A csavarok kilazulás ellen védettek
a VDE 0185-305-3, 2. kiegészítése szerint.
Mind beltéri, mind
kültéri alkalmazás lehetséges.
Villámáram impulzus (10/350 µs) NIRO(V4A) Ø10 mm:
NExIIC 50 kA (gyújtószikramentes) T4
Villámáram impulzus (10/350 µs) NIRO(V4A) Ø10 mm:
75 kA
Villámáram impulzus (10/350 µs) St/tZn Ø10 mm:
2HExIIC 75 kA (gyújtószikramentes) T4
Villámáram impulzus (10/350 µs) St/tZn Ø10 mm:
H 100kA
Max. rövidzárlati áram (AC 50 Hz / DC / 5s) NIRO(V4A) Ø10 mm:
650 A / T4
Max. rövidzárlati áram (AC 50 Hz / DC / 5s) St/tZn Ø10 mm:
1000 A / T4
Max. felületi hőmérséklet T4: 135 °C
Adapter Rd/átfedés: NIRO,
Anyagszám: 1.4301 / 1.4303
Adapterház Fl: Poliamid,
halogénmentes kék, UV-stabilizált

Gyártó: DEHN
Típus: PAS EX R
Cikksz.: 472498
vagy egyenértékű.

Tanúsítványok

 

Műszaki adatok

Villámáram impulzus (10/350 µs) NIRO (V4A) Ø10 mm NExIIC 50 kA (gyújtószikramentes) T4
Villámáram impulzus (10/350 µs) St/tZn Ø10 mm 2HExIIC 75 kA (gyújtószikramentes) T4
Max. rövidzárlati áram (AC 50 Hz / DC / 5s) NIRO (V4A) Ø10 mm 650 A / T4
Max. rövidzárlati áram (AC 50 Hz / DC / 5s) St/tZn Ø10 mm 1000 A / T4
Megjegyzés: A gyújtószikramentesség csak a PAS EX... potenciálkiegyenlítő sínekkel együtt biztosított!

A 472498 termék hozzá lett adva a jegyzettömbhöz.

A 472498 terméket hozzáadtuk a kosárhoz.

Webshop indítása

PAS EX FL

Adapter gyújtószikramentes Ex-potenciálkiegyenlítő sín PAS EX számára lapos vezető csatlakoztatására. Potenciálisan robbanásveszélyes térben történő alkalmazásra Ex zóna 1 és 2-ben (gázok, gőzök, ködök) IIC robbanási csoportig valamint Ex zóna 21 és 22-ben (porok). Mind beltéri, mind kültéri alkalmazás lehetséges.

1 Termék

Cikkszám 472499 PAS EX FL

GTIN 4013364470514, Vámtarifa szám (EU): 85359000, Bruttó súly: 408.00 g, PU: 1.00 db.


Képek

További információ

Csatlakozó készlet FL 30/40 mm
PAS EX 11AP M10 V2A
PAS EX 7AP M10 V2A
Fémes vezetők és vezetékek bekötése
a villámvédelem-potenciálkiegyenlítésbe
VDE 0185-305-3 (IEC 62305-3)
valamint a védelmi és funkcionális potenciálkiegyenlítésbe
a DIN VDE 0100 410/540. rész szerint.
Alkalmazás Ex zóna 1 és 2-ben (gázok, gőzök, ködök)
és Ex zóna 21 és 22-ben (porok)
IIC robbanási csoport (biztonsági tényező 1)
a CLC 50703-2 szerint;
T4 hőmérsékletosztály, valamint DIN EN 62561-1
(VDE 0185-561-1)
Villámáram-vezetőképességi osztály H (100 kA).
A csavarok kilazulás ellen védettek
a VDE 0185-305-3, 2. kiegészítése szerint.
Mind beltéri, mind
kültéri alkalmazás lehetséges.
Villámáram impulzus (10/350 µs) NIRO (V4A) 30x3,5mm/40x5mm:
2HExIIC 75 kA (gyújtószikramentes) T4
Villámáram impulzus (10/350 µs) NIRO (V4A) 30x3,5mm/40x5mm:
H 100 kA
Villámáram impulzus (10/350 µs) St/tZn 30x3,5mm/40x5mm:
1HExIIC 100 kA (gyújtószikramentes) T4
Max. rövidzárlati áram (AC 50 Hz / DC / 5s) NIRO (V4A) 30x3,5 mm/40x5 mm:
750 A / T4
Max. rövidzárlati áram (AC 50Hz / DC / 5s) St/tZn 30x3,5 mm/40x5 mm:
1500 A / T4
Max. felületi hőmérséklet T4: 135 °C
Átfedés anyaga: NIRO,
Anyagszám: 1.4301 / 1.4303
Adapterház Fl: poliamid / halogénmentes
kék, UV-stabilizált

Gyártó: DEHN
Típus: PAS EX FL
Cikksz.: 472499
vagy egyenértékű.

Tanúsítványok

 

Műszaki adatok

Villámáram impulzus (10/350 µs) NIRO (V4A) 30x3,5 mm / 40x5 mm 2HExIIC 75 kA (gyújtószikramentes) T4
Villámáram impulzus (10/350 µs) St/tZn 30x3,5 mm / 40x5 mm 1HExIIC 100 kA (gyújtószikramentes) T4
Max. rövidzárlati áram (AC 50 Hz / DC / 5 s) NIRO (V4A) 30x3,5 mm / 40x5 mm 750 A / T4
Max. rövidzárlati áram (AC 50 Hz / DC / 5 s) St/tZn 30x3,5 mm / 40x5 mm 1500 A / T4
Megjegyzés: A gyújtószikramentesség csak a PAS EX... potenciálkiegyenlítő sínekkel együtt biztosított!

A 472499 termék hozzá lett adva a jegyzettömbhöz.

A 472499 terméket hozzáadtuk a kosárhoz.

Webshop indítása

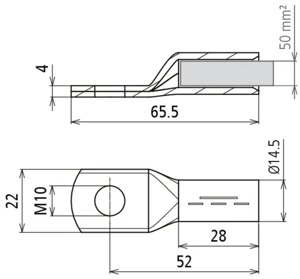
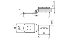
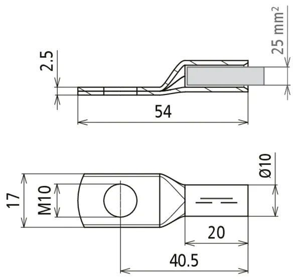
PAS ... CUGALSSN

Krimpelt kábelsaru DIN 46235 szerint, nikkel bevonattal fém whisker kialakulásának megakadályozására.

6 Termékek

Cikkszám 472432 PKS 16 10 CUGALNISN

GTIN 4013364470538, Vámtarifa szám (EU): 85369010, Bruttó súly: 16.33 g, PU: 3.00 db.


Képek

További információ

Krimpelt kábelsaru DIN 46235 16mm² M10
Cu/gal Sn nikkel záróbevonattal
Robbanásveszélyes területeken a whisker-képződés
elkerülésére javasolt az
ónozott krimpelt kábelsaruk nikkel
záróréteggel való használata.
Anyag: Cu/gal (Ni)Sn
Villámáram impulzus (10/350 µs) Cugal (Ni)Sn 16 mm² (Re/Rm/Rf) /
NIRO 40x10 mm: 1HExIIC 100 kA (gyújtószikramentes) T4
Max. rövidzárlati áram (AC 50 Hz / DC / 5 s) Cugal (Ni)Sn
16 mm² (Re) / NIRO 40x10 mm: 1100 A / T4
Max. rövidzárlati áram (AC 50 Hz / DC / 5 s) Cugal (Ni)Sn
16 mm² (Rm/Rf) / NIRO 40x10 mm: 750 A / T4
Max. felületi hőmérséklet T4: 135 °C
Kábelsaru furat: M10
Vezetékkeresztmetszet: 16 mm²

Gyártó: DEHN
Típus: PKS 16 10 CUGALNISN
Cikksz.: 472432
vagy egyenértékű.

Tanúsítványok

 

Műszaki adatok

Anyag Cu /gal (Ni)Sn
Kábelsaru furat M10
Vezetékkeresztmetszet 16 mm2
Megjegyzés: A gyújtószikramentesség csak a PAS EX... potenciálkiegyenlítő sínekkel együtt biztosított!

A 472432 termék hozzá lett adva a jegyzettömbhöz.

A 472432 terméket hozzáadtuk a kosárhoz.

Webshop indítása

Cikkszám 472433 PKS 25 10 CUGALNISN

GTIN 4013364470545, Vámtarifa szám (EU): 85369010, Bruttó súly: 19.67 g, PU: 3.00 db.


Képek

További információ

Krimpelt kábelsaru DIN 46235 25mm² M10
Cu/gal Sn nikkel záróbevonattal
Robbanásveszélyes területeken a whisker-képződés
elkerülésére javasolt az
ónozott krimpelt kábelsaruk nikkel
záróréteggel való használata.
Anyag: Cu/gal (Ni)Sn
Villámáram impulzus (10/350 µs) Cugal (Ni)Sn 25 mm² (Rm/Rf) /
NIRO 40x10 mm: 1HExIIC 100 kA (gyújtószikramentes) T4
Max. rövidzárlati áram (AC 50 Hz / DC / 5 s) Cugal (Ni)Sn
25 mm² (Rm/Rf) / NIRO 40x10 mm: 1100 A / T4
Max. felületi hőmérséklet T4: 135 °C
Kábelsaru furat: M10
Vezetékkeresztmetszet: 25 mm²

Gyártó: DEHN
Típus: PKS 25 10 CUGALNISN
Cikksz.: 472433
vagy egyenértékű.

Tanúsítványok

 

Műszaki adatok

Anyag Cu /gal (Ni)Sn
Kábelsaru furat M10
Vezetékkeresztmetszet 25 mm2
Megjegyzés: A gyújtószikramentesség csak a PAS EX... potenciálkiegyenlítő sínekkel együtt biztosított!

A 472433 termék hozzá lett adva a jegyzettömbhöz.

A 472433 terméket hozzáadtuk a kosárhoz.

Webshop indítása

Cikkszám 472434 PKS 35 10 CUGALNISN

GTIN 4013364470552, Vámtarifa szám (EU): 85369010, Bruttó súly: 34.33 g, PU: 3.00 db.


Képek

További információ

Krimpelt kábelsaru DIN 46235 35mm² M10
Cu/gal Sn nikkel záróbevonattal
Robbanásveszélyes területeken a whisker-képződés
elkerülésére javasolt az
ónozott krimpelt kábelsaruk nikkel
záróréteggel való használata.
Anyag: Cu/gal (Ni)Sn
Villámáram impulzus (10/350 µs) Cugal (Ni)Sn 35 mm² (Rm/Rf) /
NIRO 40x10 mm: 1HExIIC 100 kA (gyújtószikramentes) T4
Max. rövidzárlati áram (AC 50 Hz / DC / 5 s) Cugal (Ni)Sn
35 mm² (Rm/Rf) / NIRO 40x10 mm: 1100 A / T4
Max. felületi hőmérséklet T4: 135 °C
Kábelsaru furat: M10
Vezetékkeresztmetszet: 35 mm²

Gyártó: DEHN
Típus: PKS 35 10 CUGALNISN
Cikksz.: 472434
vagy egyenértékű.

Tanúsítványok

 

Műszaki adatok

Anyag Cu /gal (Ni)Sn
Kábelsaru furat M10
Vezetékkeresztmetszet 35 mm2
Megjegyzés: A gyújtószikramentesség csak a PAS EX... potenciálkiegyenlítő sínekkel együtt biztosított!

A 472434 termék hozzá lett adva a jegyzettömbhöz.

A 472434 terméket hozzáadtuk a kosárhoz.

Webshop indítása

Cikkszám 472435 PKS 50 10 CUGALNISN

GTIN 4013364470569, Vámtarifa szám (EU): 85369010, Bruttó súly: 51.67 g, PU: 3.00 db.


Képek

További információ

Krimpelt kábelsaru DIN 46235 50 mm² M10
Cu/gal Sn nikkel záróbevonattal
Robbanásveszélyes területeken a whisker-képződés
elkerülésére javasolt az
ónozott krimpelt kábelsaruk nikkel
záróréteggel való használata.
Anyag: Cu/gal (Ni)Sn
Villámáram impulzus (10/350 µs) Cugal (Ni)Sn 50 mm² (Rm/Rf) /
NIRO 40x10 mm: 1HExIIC 100 kA (gyújtószikramentes) T4
Max. rövidzárlati áram (AC 50 Hz / DC / 5 s) Cugal (Ni)Sn
50 mm² (Rm/Rf) / NIRO 40x10 mm: 1100 A / T4
Max. felületi hőmérséklet T4: 135 °C
Kábelsaru furat: M10
Vezetékkeresztmetszet: 50 mm²

Gyártó: DEHN
Típus: PKS 50 10 CUGALNISN
Cikksz.: 472435
vagy egyenértékű.

Tanúsítványok

 

Műszaki adatok

Anyag Cu /gal (Ni)Sn
Kábelsaru furat M10
Vezetékkeresztmetszet 50 mm2
Megjegyzés: A gyújtószikramentesség csak a PAS EX... potenciálkiegyenlítő sínekkel együtt biztosított!

A 472435 termék hozzá lett adva a jegyzettömbhöz.

A 472435 terméket hozzáadtuk a kosárhoz.

Webshop indítása

Cikkszám 472436 PKS 70 10 CUGALNISN

GTIN 4013364470576, Vámtarifa szám (EU): 85369010, Bruttó súly: 68.00 g, PU: 3.00 db.


Képek

További információ

Krimpelt kábelsaru DIN 46235 70 mm² M10
Cu/gal Sn nikkel záróbevonattal
Robbanásveszélyes területeken a whisker-képződés
elkerülésére javasolt az
ónozott krimpelt kábelsaruk nikkel
záróréteggel való használata.
Anyag: Cu/gal (Ni)Sn
Villámáram impulzus (10/350 µs) Cugal (Ni)Sn 70 mm² (Rm/Rf) /
NIRO 40x10 mm: 1HExIIC 100 kA (gyújtószikramentes) T4
Max. rövidzárlati áram (AC 50 Hz / DC / 5 s) Cugal (Ni)Sn
70 mm² (Rm/Rf) / NIRO 40x10 mm: 1100 A / T4
Max. felületi hőmérséklet T4: 135 °C
Kábelsaru furat: M10
Vezetékkeresztmetszet: 70 mm²

Gyártó: DEHN
Típus: PKS 70 10 CUGALNISN
Cikksz.: 472436
vagy egyenértékű.

Tanúsítványok

 

Műszaki adatok

Anyag Cu /gal (Ni)Sn
Kábelsaru furat M10
Vezetékkeresztmetszet 70 mm2
Megjegyzés: A gyújtószikramentesség csak a PAS EX... potenciálkiegyenlítő sínekkel együtt biztosított!

A 472436 termék hozzá lett adva a jegyzettömbhöz.

A 472436 terméket hozzáadtuk a kosárhoz.

Webshop indítása

Cikkszám 472437 PKS 95 10 CUGALNISN

GTIN 4013364470583, Vámtarifa szám (EU): 85369010, Bruttó súly: 98.00 g, PU: 3.00 db.


Képek

További információ

Krimpelt kábelsaru DIN 46235 95 mm² M10
Cu/gal Sn nikkel záróbevonattal
Robbanásveszélyes területeken a whisker-képződés
elkerülésére javasolt az
ónozott krimpelt kábelsaruk nikkel
záróréteggel való használata.
Anyag: Cu/gal (Ni)Sn
Villámáram impulzus (10/350 µs) Cugal (Ni)Sn 95 mm² (Rm/Rf) /
NIRO 40x10 mm: 1HExIIC 100 kA (gyújtószikramentes) T4
Max. rövidzárlati áram (AC 50 Hz / DC / 5 s) Cugal (Ni)Sn
95 mm² (Rm/Rf) / NIRO 40x10 mm: 1100 A / T4
Max. felületi hőmérséklet T4: 135 °C
Kábelsaru furat: M10
Vezetékkeresztmetszet: 95 mm²

Gyártó: DEHN
Típus: PKS 95 10 CUGALNISN
Cikksz.: 472437
vagy egyenértékű.

Tanúsítványok

 

Műszaki adatok

Anyag Cu /gal (Ni)Sn
Kábelsaru furat M10
Vezetékkeresztmetszet 95 mm2
Megjegyzés: A gyújtószikramentesség csak a PAS EX... potenciálkiegyenlítő sínekkel együtt biztosított!

A 472437 termék hozzá lett adva a jegyzettömbhöz.

A 472437 terméket hozzáadtuk a kosárhoz.

Webshop indítása

back to top