Multi-purpose connecting clamp

For the secure connection of round and flat conductors as well as seam connections. Thanks to their flexible design, they can be used universally as cross or parallel clamps and are suitable for a wide variety of conductor combinations. Whether it's round/round or round/flat – the multi-purpose connecting clamps offer a stable, long-lasting connection and can be installed flexibly. They are the ideal solution for demanding connection requirements in a wide range of applications.

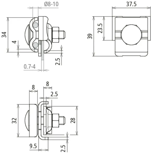
with clamping piece and double clamp

1 Termék

Cikkszám 365018 FK KB DUL 6.10 KBF0.7 4 V2A

GTIN 4013364535428, Vámtarifa szám (EU): 85359000, Bruttó súly: 108.00 g, PU: 50.00 pc(s)


Képek

További információ

Seam clamp with clamping piece and double clamp, stainless steel
Seam clamps for connecting conductors with seams
Clamping range of seam: 0.7-4 mm
Material of clamp: StSt
Clamping range Rd: 8-10 mm
Connecting direction: lengthwise / crosswise
Standard: EN 62561-1

Brand: DEHN
Type: FK KB DUL 6.10 KBF0.7 4 V2A
Part No.: 365018
or equivalent.

Tanúsítványok

 

Műszaki adatok

Clamping range of seam 0.7-4 mm
Material of clamp StSt
Clamping range Rd 8-10 mm
Standard EN 62561-1

A 365018 termék hozzá lett adva a jegyzettömbhöz.

A 365018 terméket hozzáadtuk a kosárhoz.

Webshop indítása

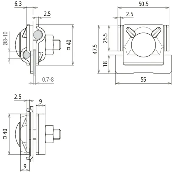
with enlarged contact surface

1 Termék

Cikkszám 365228 FK MV 8.10 KBF0.7 8 V2A

GTIN 4013364535411, Vámtarifa szám (EU): 85359000, Bruttó súly: 157.00 g, PU: 50.00 pc(s)


Képek

További információ

Seam clamp with enlarged contact surface (straight), stainless steel
Seam clamps with enlarged contact surface, version with a contact surface of 10 cm2 contact surface
Clamping range of seam: 0.7-8 mm
Material of clamp: StSt
Clamping range Rd: 8-10 mm
Connecting direction: lengthwise / crosswise
Connection with: clamp
Standard: EN 62561-1

Brand: DEHN
Type: FK MV 8.10 KBF0.7 8 V2A
Part No.: 365228
or equivalent.

Tanúsítványok

 

Műszaki adatok

Clamping range of seam 0.7-8 mm
Material of clamp StSt
Clamping range Rd 8-10 mm
Standard EN 62561-1

A 365228 termék hozzá lett adva a jegyzettömbhöz.

A 365228 terméket hozzáadtuk a kosárhoz.

Webshop indítása

back to top