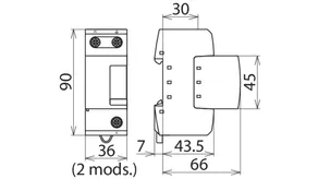
DEHNgap
- Discharge capacity up to 100 kA (10/350 µs)
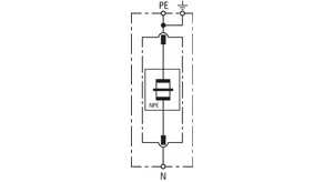
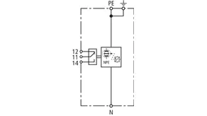
- Total current arrester specifically designed for installation in 3+1 and 1+1 configurations of TT systems according to IEC 60364-5-53 between neutral conductor N and protective conductor PE
- Creepage discharge spark gap technology
- Operating state / fault indication by green / red indicator flag in the inspection window
Details
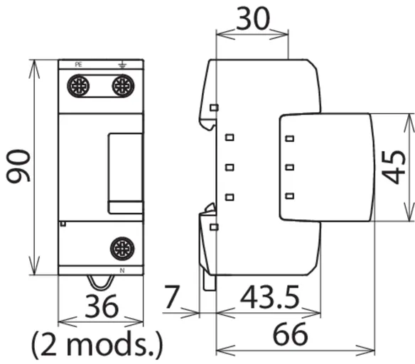
Cikkszám 961101 DGP M 255
GTIN 4013364118676, Vámtarifa szám (EU): 85363030, Bruttó súly: 331.00 g, PU: 1.00 pc(s)
Kifutott termék:Műszaki adatok
| SPD according to EN 61643-11 / IEC 61643-11 | type 1 / class I |
| Max. continuous operating voltage (a.c.) (UC ) | 255 V (50 / 60 Hz) |
| Lightning impulse current (10/350 µs) (Iimp ) | 100 kA |
| Voltage protection level (UP ) | ≤ 1.5 kV |
| Approvals | VDE, KEMA, UL |
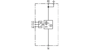
Cikkszám 961105 DGP M 255 FM
GTIN 4013364118683, Vámtarifa szám (EU): 85363030, Bruttó súly: 336.00 g, PU: 1.00 pc(s)
Kifutott termék:Műszaki adatok
| SPD according to EN 61643-11 / IEC 61643-11 | type 1 / class I |
| Max. continuous operating voltage (a.c.) (UC ) | 255 V (50 / 60 Hz) |
| Lightning impulse current (10/350 µs) (Iimp ) | 100 kA |
| Voltage protection level (UP ) | ≤ 1.5 kV |
| Approvals | VDE, KEMA, UL |
| Type of remote signalling contact | changeover contact |
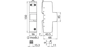
Cikkszám 900050 DGPM 1 255 S
GTIN 4013364107496, Vámtarifa szám (EU): 85363090, Bruttó súly: 539.00 g, PU: 1.00 pc(s)
Műszaki adatok
| SPD according to EN 61643-11 / IEC 61643-11 | type 1 / class I |
| Max. continuous operating voltage (a.c.) (UC ) | 255 V (50 / 60 Hz) |
| Lightning impulse current (10/350 µs) (Iimp ) | 100 kA |
| Voltage protection level (UP ) | ≤ 2.5 kV (including 80 cm connecting cable) |
| Operating state monitoring | via DEHNsignal DSI E 3 |
Cikkszám 961180 DGPM 1 255
GTIN 4013364157323, Vámtarifa szám (EU): 85363090, Bruttó súly: 460.00 g, PU: 1.00 pc(s)
Műszaki adatok
| SPD according to EN 61643-11 / IEC 61643-11 | type 1 + type 2 / class I + class II |
| Max. continuous operating voltage (a.c.) (UC ) | 255 V (50 / 60 Hz) |
| Lightning impulse current (10/350 µs) (Iimp ) | 100 kA |
| Voltage protection level (UP ) | ≤ 1.5 kV |
| Approvals | KEMA |
Cikkszám 961185 DGPM 1 255 FM
GTIN 4013364157330, Vámtarifa szám (EU): 85363090, Bruttó súly: 460.00 g, PU: 1.00 pc(s)
Műszaki adatok
| SPD according to EN 61643-11 / IEC 61643-11 | type 1 + type 2 / class I + class II |
| Max. continuous operating voltage (a.c.) (UC ) | 255 V (50 / 60 Hz) |
| Lightning impulse current (10/350 µs) (Iimp ) | 100 kA |
| Voltage protection level (UP ) | ≤ 1.5 kV |
| Approvals | KEMA |
| Type of remote signalling contact | changeover contact |
Cikkszám 961160 DGPM 440
GTIN 4013364116290, Vámtarifa szám (EU): 85363030, Bruttó súly: 415.00 g, PU: 1.00 pc(s)
Műszaki adatok
| SPD according to EN 61643-11 / IEC 61643-11 | type 1 / class I |
| Max. continuous operating voltage (a.c.) (UC ) | 440 V (50 / 60 Hz) |
| Lightning impulse current (10/350 µs) (Iimp ) | 100 kA |
| Voltage protection level (UP ) | ≤ 2.5 kV |
| Approvals | UL |
Cikkszám 961165 DGPM 440 FM
GTIN 4013364116306, Vámtarifa szám (EU): 85363030, Bruttó súly: 418.00 g, PU: 1.00 pc(s)
Műszaki adatok
| SPD according to EN 61643-11 / IEC 61643-11 | type 1 / class I |
| Max. continuous operating voltage (a.c.) (UC ) | 440 V (50 / 60 Hz) |
| Lightning impulse current (10/350 µs) (Iimp ) | 100 kA |
| Voltage protection level (UP ) | ≤ 2.5 kV |
| Approvals | UL |
| Type of remote signalling contact | changeover contact |
Cikkszám 961102 DGPH M 255
GTIN 4013364118690, Vámtarifa szám (EU): 85363030, Bruttó súly: 300.00 g, PU: 1.00 pc(s)
Kifutott termék:Műszaki adatok
| SPD according to EN 61643-11 / IEC 61643-11 | type 1 / class I |
| Max. continuous operating voltage (a.c.) (UC ) | 255 V (50 / 60 Hz) |
| Lightning impulse current (10/350 µs) (Iimp ) | 100 kA |
| Voltage protection level (UP ) | ≤ 4 kV |
