DEHNgap C S

  • Különösen a 3+1 és 1+1 TT kapcsolásokban használt az MSZ HD 60364-5-534 szabvány szerint a nulla vezető (N) és védővezető (PE) között
  • Nagy levezető-képesség
  • Két részből álló túlfeszültség-korlátozó mely alapmodulból és dugaszolható szikraköz alapú védelmi modulból áll
  • Energetikailag koordinált a Red/Line termékcsalád levezetőivel
  • Működési állapot- / hibajelzés zöld / piros jelöléssel a kémlelő ablakban
  • Távjelző érintkezővel felügyeleti rendszer számára
  • Egyszerű, szerszámmentes védőmodul csere a modulreteszelő kioldógomb segítségével
  • Rezgés és ütésvizsgált az MSZ EN 60068-2 szabvány szerint

DEHNgap C S (FM)

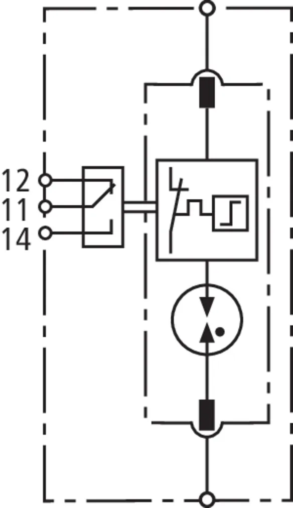
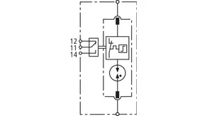
N-PE túlfeszültség-védelmi készülék; FM változat potenciálfüggetlen távjelző érintkezővel.

2 Termékek

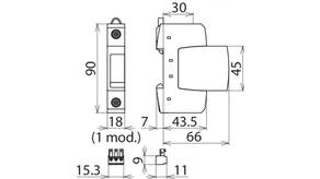
Cikkszám 952030 DGP C S

GTIN 4013364108530, Vámtarifa szám (EU): 85363030, Bruttó súly: 121.00 g, PU: 1.00 db.

Kifutott termék:

Képek

További információ

DEHNgap C S N-PE túlfeszültség-korlátozó
N-PE túlfeszültség-korlátozó szélesség: 1 modul
Hibajelzés
2.típusú SPD az MSZ EN 61643-11 szabvány szerint
Alapmodul dugaszolható szikraköz alapú védelmi modullal
Névleges levezetési áram (8/20): 20 kA
Villámáram impulzus (10/350): 12 kA
Védelmi feszültségszint: <= 1.5 kV
Utánfolyóáram kioltási képesség: 100 Aeff 255 V AC-n
Energetikailag koordinált MSZ EN 62305-4
szabvány szerint a Red/Line termékcsalád levezetőivel

Gyártó: DEHN
Típus: DGP C S
Cikksz.: 952030
vagy egyenértékű.

Tanúsítványok

 

Műszaki adatok

SPD típus/osztály az MSZ EN 61643-11 / ... IEC 61643-11 alapján 2.típus / II.osztály
Legnagyobb folyamatos üzemi feszültség AC (UC ) 255 V (50 / 60 Hz)
Névleges levezetési áram (8/20 µs) (In ) 20 kA
Legnagyobb levezetési áram (8/20 µs) (Imax ) 40 kA
Védelmi feszültségszint (UP ) ≤ 1,5 kV
Tanúsítványok KEMA, VDE, UL

A 952030 termék hozzá lett adva a jegyzettömbhöz.

A 952030 terméket hozzáadtuk a kosárhoz.

Webshop indítása

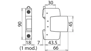
Cikkszám 952035 DGP C S FM

GTIN 4013364108547, Vámtarifa szám (EU): 85363030, Bruttó súly: 125.00 g, PU: 1.00 db.

Kifutott termék:

Képek

További információ

DEHNgap C S FM N-PE túlfeszültség-korlátozó
N-PE túlfeszültség-korlátozó
távjelző érintkezővel, szélesség: 1 modul
Hibajelzés
2.típusú SPD az MSZ EN 61643-11 szabvány szerint
Alapmodul dugaszolható szikraköz alapú védelmi modullal
Névleges levezetési áram (8/20): 20 kA
Villámáram impulzus (10/350): 12 kA
Védelmi feszültségszint: <= 1.5 kV
Utánfolyóáram kioltási képesség: 100 Aeff 255 V AC-n
Energetikailag koordinált MSZ EN 62305-4
szabvány szerint a Red/Line termékcsalád levezetőivel

Gyártó: DEHN
Típus: DGP C S FM
Cikksz.: 952035
vagy egyenértékű.

Tanúsítványok

 

Műszaki adatok

SPD típus/osztály az MSZ EN 61643-11 / ... IEC 61643-11 alapján 2.típus / II.osztály
Legnagyobb folyamatos üzemi feszültség AC (UC ) 255 V (50 / 60 Hz)
Névleges levezetési áram (8/20 µs) (In ) 20 kA
Legnagyobb levezetési áram (8/20 µs) (Imax ) 40 kA
Védelmi feszültségszint (UP ) ≤ 1,5 kV
Tanúsítványok KEMA, VDE, UL
Jelzőérintkező / Érintkezőtípus váltóérintkező

A 952035 termék hozzá lett adva a jegyzettömbhöz.

A 952035 terméket hozzáadtuk a kosárhoz.

Webshop indítása

back to top