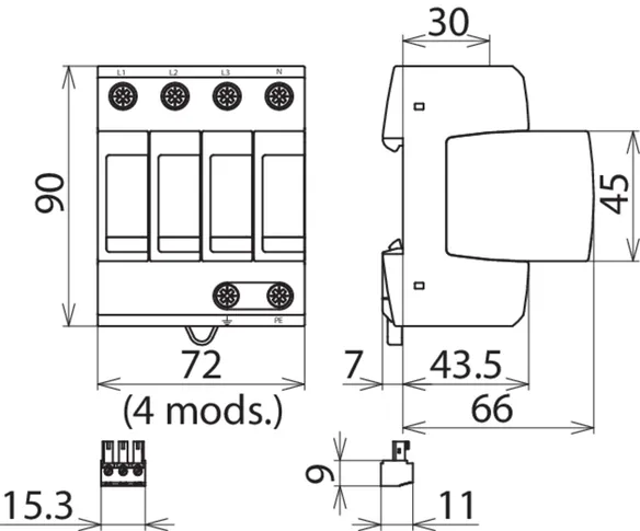
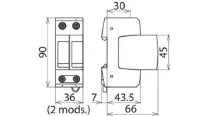
DEHNguard modular

  • Prewired complete unit consisting of a base part and plug-in protection modules
  • Energy coordination with other arresters of the Red/Line product family
  • High discharge capacity due to heavy-duty zinc oxide varistors / spark gaps
  • High device reliability due to "Thermo Dynamic Control" arrester monitoring
  • Easy replacement of protection modules without tools due to module locking system with module release button
  • Vibration and shock-tested according to EN 60068-2
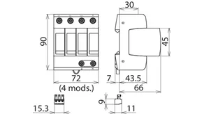
  • For DG MP versions with push-in double terminals for easy feed-through wiring
  • For DG MD versions with double screw terminals for easy feed-through wiring

Details

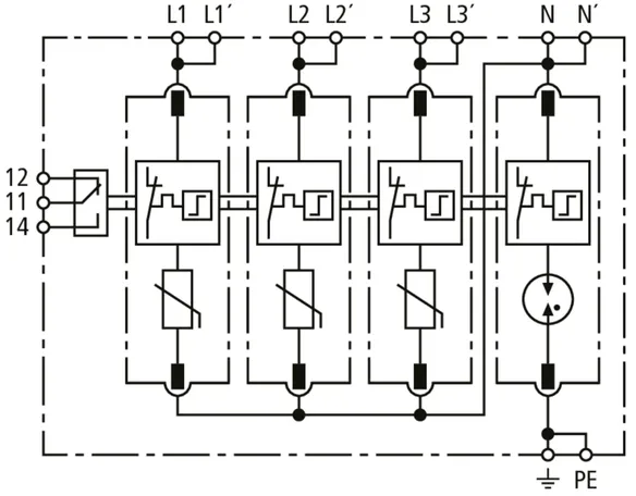
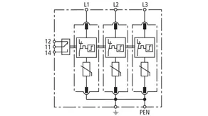
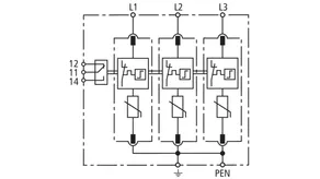
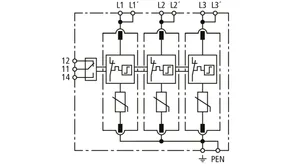
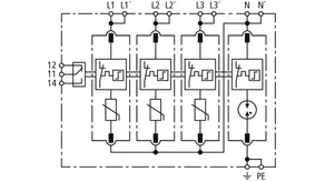
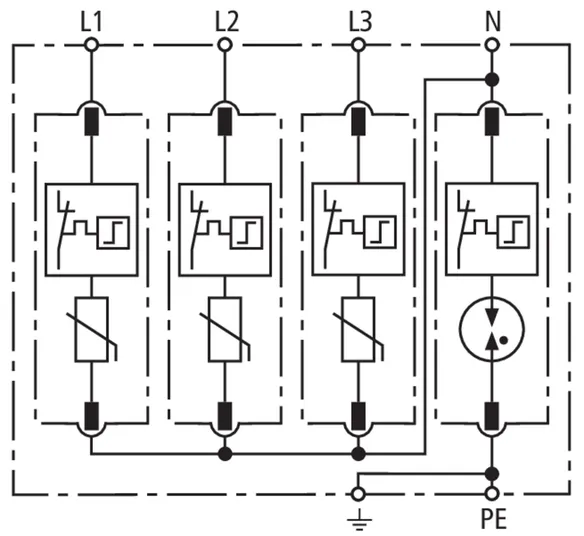
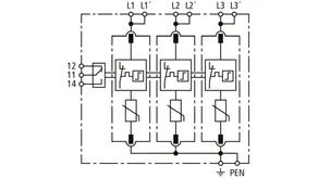
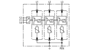
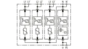
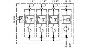
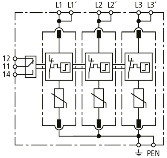
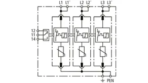
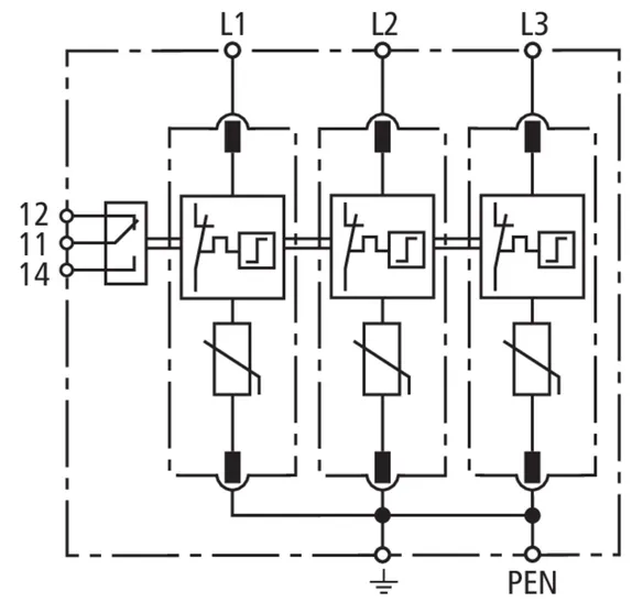
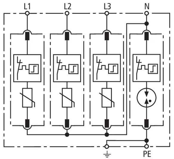
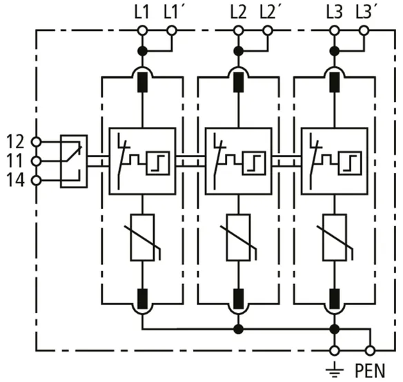
3+1 configuration with an increased discharge capacity 4 x 20 kA = 80 kA.
lorem ipsum
lorem ipsum
lorem ipsum

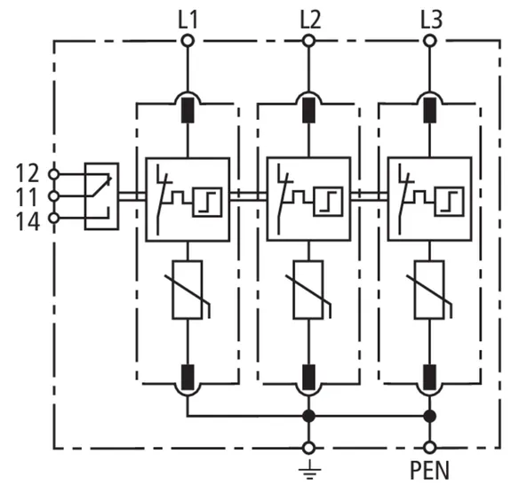
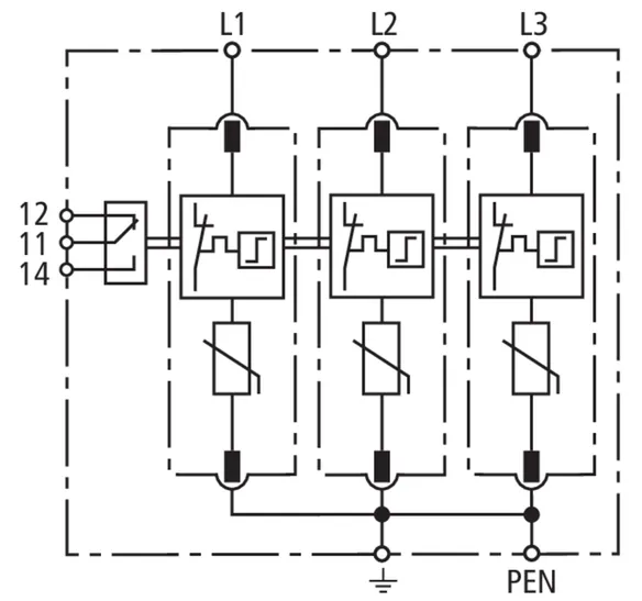
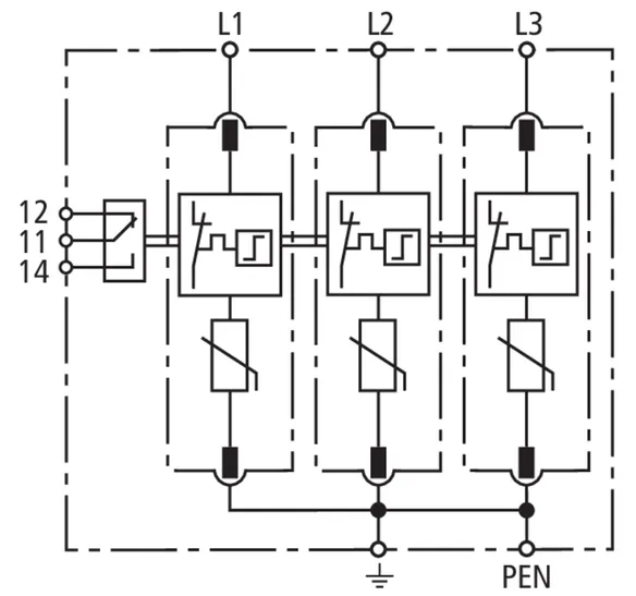
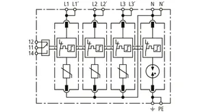
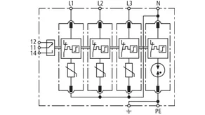
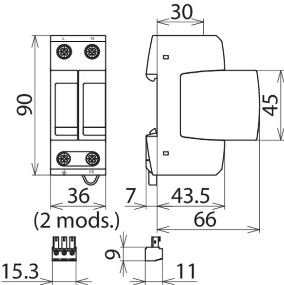
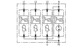
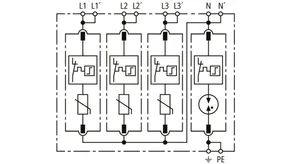
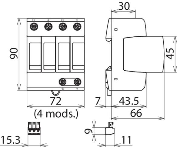
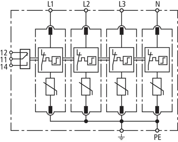
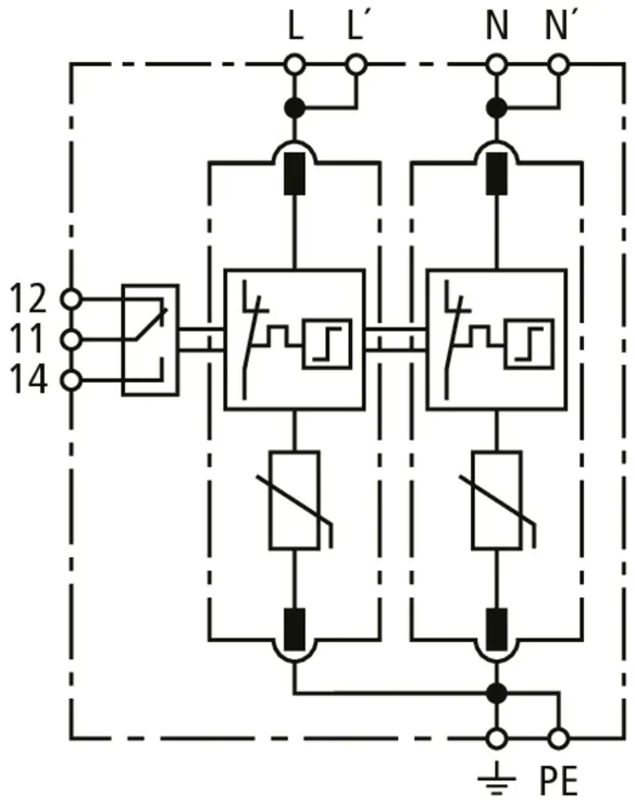
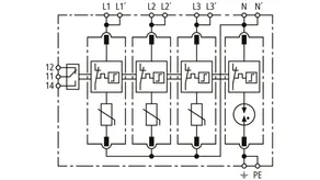
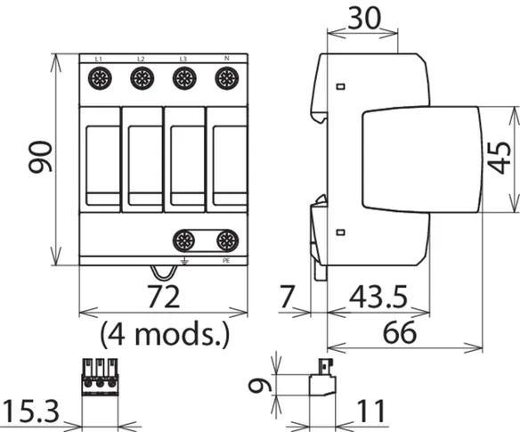
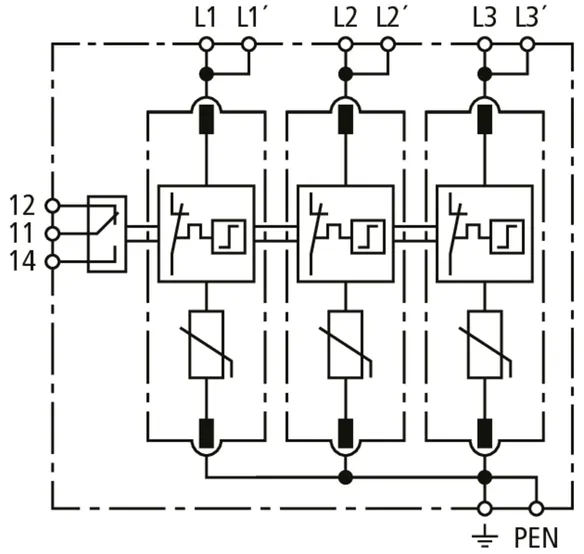
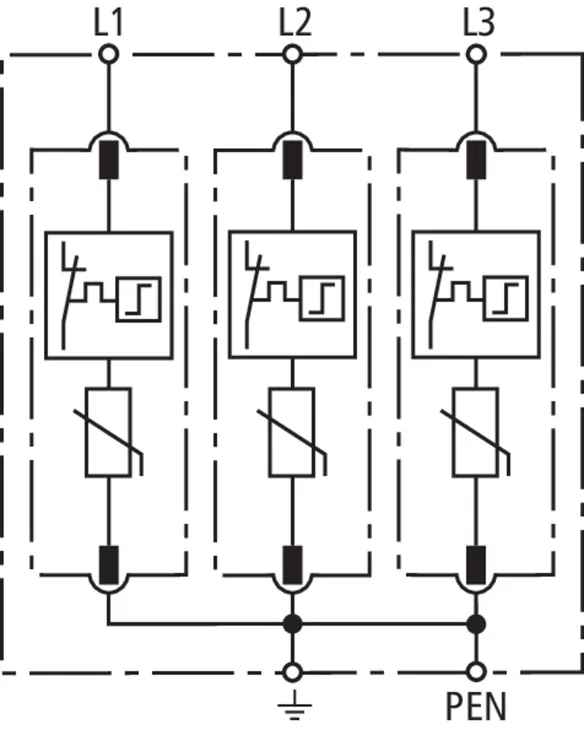
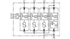
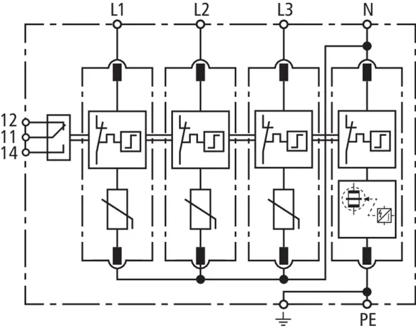
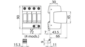
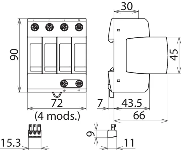
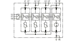
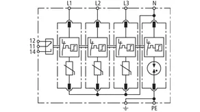
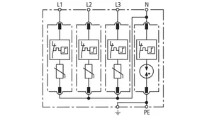
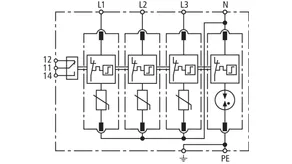
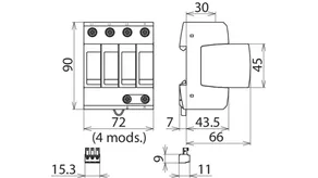
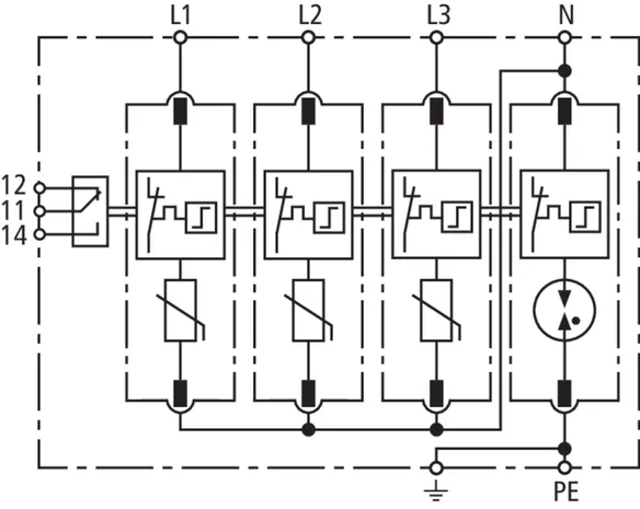
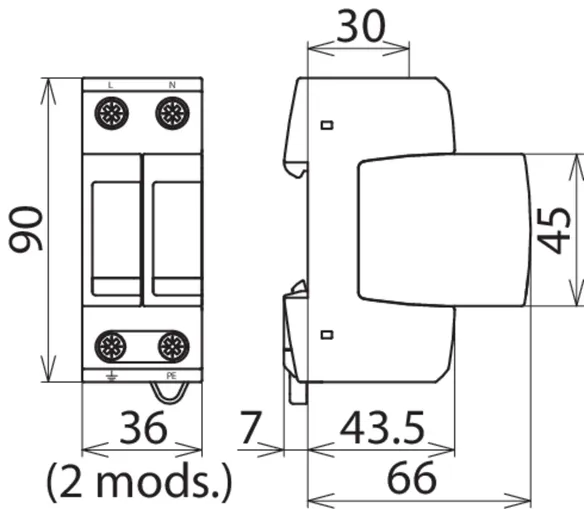
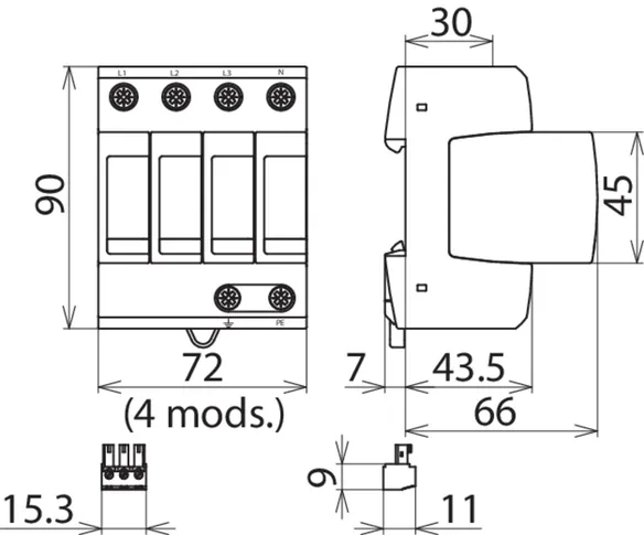
DEHNguard MD TNS ... (FM)

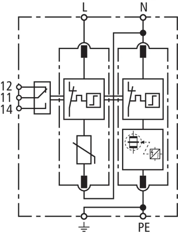
Modular surge arrester for use in TN-S systems (4+0 configuration); with floating remote signalling contact.

4 Termékek

Cikkszám 943408 DG MD TNS 150 FM

GTIN 4013364522244, Vámtarifa szám (EU): 85363030, Bruttó súly: 380.00 g, PU: 1.00 pc(s)


Képek

További információ

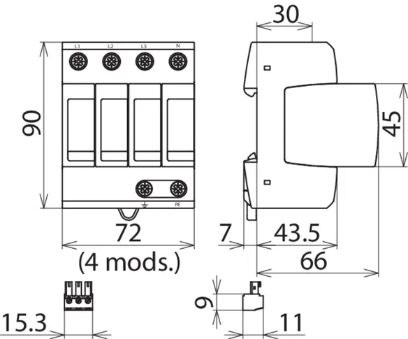
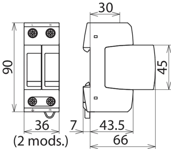
DEHNguard MD TNS 150 FM surge arrester
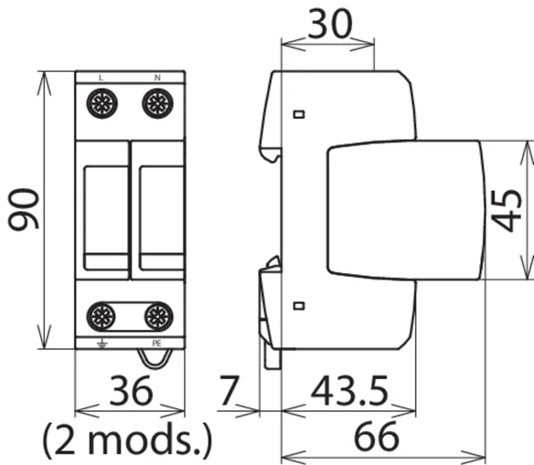
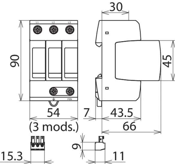
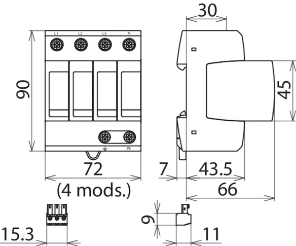
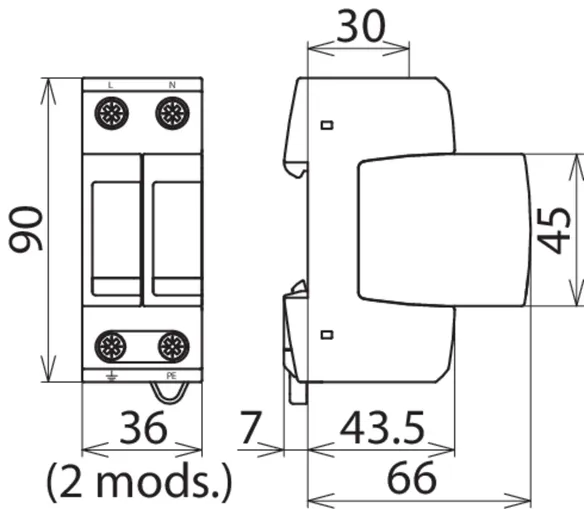
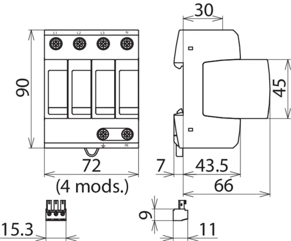
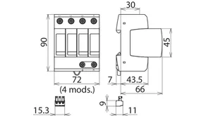
Four-pole, modular, pluggable surge arrester
for 120/240 V TN-S systems, width: 4 modules
with remote signalling contact
Type 2 arrester as per EN 61643-11
Fault indication
Max. continuous operating voltage: 150 V AC
Voltage protection level: <= 0.7 kV
Nominal discharge current: 15 kA
Short-circuit withstand capability 50 kAeff
Energy coordination according to DIN EN 62305-4
Arrester of the Red/Line series

Brand: DEHN
Type: DG MD TNS 150 FM
Part No.: 943408
or equivalent.

Tanúsítványok

 

Műszaki adatok

SPD according to EN 61643-11 / IEC 61643-11 Type 2 + Type 3 / class II + class III
Max. continuous operating voltage (a.c.) (UC ) 150 V (50 / 60 Hz)
Nominal discharge current (8/20 µs) (In ) 15 kA
Max. discharge current (8/20 µs) (Imax ) 40 kA
Voltage protection level [L-PE]/[N-PE] (UP ) ≤ 0.7 / ≤ 0.7 kV
Approvals DEKRA
Type of remote signalling contact changeover contact

A 943408 termék hozzá lett adva a jegyzettömbhöz.

A 943408 terméket hozzáadtuk a kosárhoz.

Webshop indítása

Cikkszám 943400 DG MD TNS 275

GTIN 4013364521919, Vámtarifa szám (EU): 85363030, Bruttó súly: 380.00 g, PU: 1.00 pc(s)


Képek

További információ

DEHNguard MD TNS 275 surge arrester
Four-pole, modular, pluggable surge arrester
for 230/400 V TN-S systems, width: 4 modules
Type 2 arrester as per EN 61643-11
Fault indication
Max. continuous operating voltage: 275 V AC
Voltage protection level: <= 1.5 kV
Nominal discharge current: 20 kA
Short-circuit withstand capability 50 kAeff
Energy coordination according to DIN EN 62305-4
Arrester of the Red/Line series

Brand: DEHN
Type: DG MD TNS 275
Part No.: 943400
or equivalent.

 

Műszaki adatok

SPD according to EN 61643-11 / IEC 61643-11 Type 2 + Type 3 / class II + class III
Max. continuous operating voltage (a.c.) (UC ) 275 V (50 / 60 Hz)
Nominal discharge current (8/20 µs) (In ) 20 kA
Max. discharge current (8/20 µs) (Imax ) 40 kA
Voltage protection level [L-PE]/[N-PE] (UP ) ≤ 1.5 / ≤ 1.5 kV
Approvals DEKRA

A 943400 termék hozzá lett adva a jegyzettömbhöz.

A 943400 terméket hozzáadtuk a kosárhoz.

Webshop indítása

Cikkszám 943405 DG MD TNS 275 FM

GTIN 4013364477117, Vámtarifa szám (EU): 85363030, Bruttó súly: 380.00 g, PU: 1.00 pc(s)


Képek

További információ

DEHNguard MD TNS 275 FM surge arrester
Four-pole, modular, pluggable surge arrester
for 230/400 V TN-S systems, width: 4 modules
with remote signalling contact
Type 2 arrester as per EN 61643-11
Fault indication
Max. continuous operating voltage: 275 V AC
Voltage protection level: <= 1.5 kV
Nominal discharge current: 20 kA
Short-circuit withstand capability 50 kAeff
Energy coordination according to DIN EN 62305-4
Arrester of the Red/Line series

Brand: DEHN
Type: DG MD TNS 275 FM
Part No.: 943405
or equivalent.

Tanúsítványok

 

Műszaki adatok

SPD according to EN 61643-11 / IEC 61643-11 Type 2 + Type 3 / class II + class III
Max. continuous operating voltage (a.c.) (UC ) 275 V (50 / 60 Hz)
Nominal discharge current (8/20 µs) (In ) 20 kA
Max. discharge current (8/20 µs) (Imax ) 40 kA
Voltage protection level [L-PE]/[N-PE] (UP ) ≤ 1.5 / ≤ 1.5 kV
Approvals DEKRA
Type of remote signalling contact changeover contact

A 943405 termék hozzá lett adva a jegyzettömbhöz.

A 943405 terméket hozzáadtuk a kosárhoz.

Webshop indítása

Cikkszám 943409 DG MD TNS 385 FM

GTIN 4013364522213, Vámtarifa szám (EU): 85363030, Bruttó súly: 380.00 g, PU: 1.00 pc(s)


Képek

További információ

DEHNguard MD TNS 385 FM surge arrester
Four-pole, modular, pluggable surge arrester
for 230/400 V TN-S systems, width: 4 modules
with remote signalling contact
Type 2 arrester as per EN 61643-11
Fault indication
Max. continuous operating voltage: 385 V AC
Voltage protection level: <= 1.75 kV
Nominal discharge current: 20 kA
Short-circuit withstand capability 25 kArms
Energy coordination according to DIN EN 62305-4
Arrester of the Red/Line series

Brand: DEHN
Type: DG MD TNS 385 FM
Part No.: 943409
or equivalent.

Tanúsítványok

 

Műszaki adatok

SPD according to EN 61643-11 / IEC 61643-11 Type 2 + Type 3 / class II + class III
Max. continuous operating voltage (a.c.) (UC ) 385 V (50 / 60 Hz)
Nominal discharge current (8/20 µs) (In ) 20 kA
Max. discharge current (8/20 µs) (Imax ) 40 kA
Voltage protection level [L-PE]/[N-PE] (UP ) ≤ 1.75 / ≤ 1.75 kV
Approvals DEKRA
Type of remote signalling contact changeover contact

A 943409 termék hozzá lett adva a jegyzettömbhöz.

A 943409 terméket hozzáadtuk a kosárhoz.

Webshop indítása

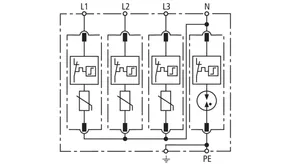
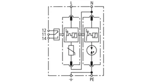
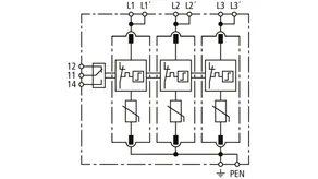
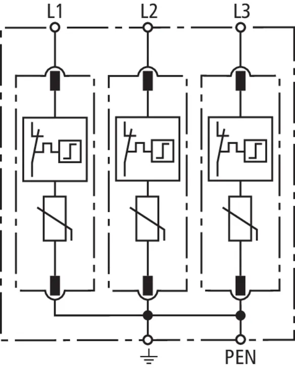
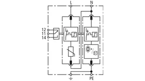
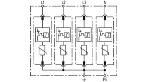
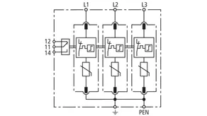
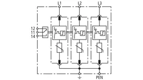
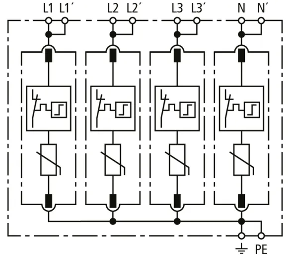
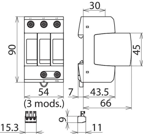
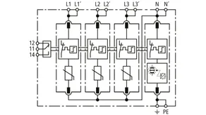
DEHNguard MD TT ... (FM)

Modular surge arrester for TT and TN-S systems (3+1 configuration); with floating remote signalling contact.

5 Termékek

Cikkszám 943310 DG MD TT 275

GTIN 4013364522046, Vámtarifa szám (EU): 85363030, Bruttó súly: 250.00 g, PU: 1.00 pc(s)


Képek

További információ

DEHNguard MD TT 275 surge arrester
Four-pole, modular, pluggable surge arrester
for 230/400 V TT and TN-S systems, width: 4 modules
Type 2 arrester as per EN 61643-11
Fault indication
Max. continuous operating voltage: 275 V AC
Voltage protection level: <= 1.5 kV
Nominal discharge current: 20 kA
Short-circuit withstand capability 50 kAeff
Energy coordination according to DIN EN 62305-4
Arrester of the Red/Line series

Brand: DEHN
Type: DG MD TT 275
Part No.: 943310
or equivalent.

 

Műszaki adatok

SPD according to EN 61643-11 / IEC 61643-11 Type 2 + Type 3 / class II + class III
Max. continuous operating voltage (a.c.) [L-N] (UC ) 275 V (50 / 60 Hz)
Nominal discharge current (8/20 µs) (In ) 20 kA
Max. discharge current (8/20 µs) (Imax ) 40 kA
Voltage protection level [L-N]/[N-PE] (UP ) ≤ 1.5 / ≤ 1.5 kV
Approvals DEKRA

A 943310 termék hozzá lett adva a jegyzettömbhöz.

A 943310 terméket hozzáadtuk a kosárhoz.

Webshop indítása

Cikkszám 943315 DG MD TT 275 FM

GTIN 4013364477155, Vámtarifa szám (EU): 85363030, Bruttó súly: 250.00 g, PU: 1.00 pc(s)


Képek

További információ

DEHNguard MD TT 275 FM surge arrester
Four-pole, modular, pluggable surge arrester
for 230/400 V TT and TN-S systems, width: 4 modules
with remote signalling contact
Type 2 arrester as per EN 61643-11
Fault indication
Max. continuous operating voltage: 275 V AC
Voltage protection level: <= 1.5 kV
Nominal discharge current: 20 kA
Short-circuit withstand capability 50 kAeff
Energy coordination according to DIN EN 62305-4
Arrester of the Red/Line series

Brand: DEHN
Type: DG MD TT 275 FM
Part No.: 943315
or equivalent.

Tanúsítványok

 

Műszaki adatok

SPD according to EN 61643-11 / IEC 61643-11 Type 2 + Type 3 / class II + class III
Max. continuous operating voltage (a.c.) [L-N] (UC ) 275 V (50 / 60 Hz)
Nominal discharge current (8/20 µs) (In ) 20 kA
Max. discharge current (8/20 µs) (Imax ) 40 kA
Voltage protection level [L-N]/[N-PE] (UP ) ≤ 1.5 / ≤ 1.5 kV
Approvals DEKRA
Type of remote signalling contact changeover contact

A 943315 termék hozzá lett adva a jegyzettömbhöz.

A 943315 terméket hozzáadtuk a kosárhoz.

Webshop indítása

Cikkszám 943325 DG MD TT 320 FM

GTIN 4013364522206, Vámtarifa szám (EU): 85363030, Bruttó súly: 250.00 g, PU: 1.00 pc(s)


Képek

További információ

DEHNguard MD TT 320 FM surge arrester
Four-pole, modular, pluggable surge arrester
for 230/400 V TT and TN-S systems, width: 4 modules
with remote signalling contact
Type 2 arrester as per EN 61643-11
Fault indication
Max. continuous operating voltage: 320 V AC
Voltage protection level: <= 1.5 kV
Nominal discharge current: 20 kA
Short-circuit withstand capability 25 kArms
Energy coordination according to DIN EN 62305-4
Arrester of the Red/Line series

Brand: DEHN
Type: DG MD TT 320 FM
Part No.: 943325
or equivalent.

Tanúsítványok

 

Műszaki adatok

SPD according to EN 61643-11 / IEC 61643-11 Type 2 + Type 3 / class II + class III
Max. continuous operating voltage (a.c.) [L-N] (UC ) 320 V (50 / 60 Hz)
Nominal discharge current (8/20 µs) (In ) 20 kA
Max. discharge current (8/20 µs) (Imax ) 40 kA
Voltage protection level [L-N]/[N-PE] (UP ) ≤ 1.5 / ≤ 1.5 kV
Approvals DEKRA
Type of remote signalling contact changeover contact

A 943325 termék hozzá lett adva a jegyzettömbhöz.

A 943325 terméket hozzáadtuk a kosárhoz.

Webshop indítása

Cikkszám 943328 DG MD TT 150 FM

GTIN 4013364522237, Vámtarifa szám (EU): 85363030, Bruttó súly: 250.00 g, PU: 1.00 pc(s)


Képek

További információ

DEHNguard MD TT 150 FM surge arrester
Four-pole, modular, pluggable surge arrester
for 120/240 V TT and TN-S systems, width: 4 modules
with remote signalling contact
Type 2 arrester as per EN 61643-11
Fault indication
Max. continuous operating voltage: 150 V AC
Voltage protection level: <= 1.5 kV
Nominal discharge current: 15 kA
Short-circuit withstand capability 50 kAeff
Energy coordination according to DIN EN 62305-4
Arrester of the Red/Line series

Brand: DEHN
Type: DG MD TT 150 FM
Part No.: 943328
or equivalent.

Tanúsítványok

 

Műszaki adatok

SPD according to EN 61643-11 / IEC 61643-11 Type 2 + Type 3 / class II + class III
Max. continuous operating voltage (a.c.) [L-N] (UC ) 150 V (50 / 60 Hz)
Nominal discharge current (8/20 µs) [L-N] (In ) 15 kA
Nominal discharge current (8/20 µs) [N-PE] (In ) 20 kA
Max. discharge current (8/20 µs) (Imax ) 40 kA
Voltage protection level [L-N]/[N-PE] (UP ) ≤ 0.7 / ≤ 1.5 kV
Approvals DEKRA
Type of remote signalling contact changeover contact

A 943328 termék hozzá lett adva a jegyzettömbhöz.

A 943328 terméket hozzáadtuk a kosárhoz.

Webshop indítása

Cikkszám 943317 DG MD TT 385 FM

GTIN 4013364522220, Vámtarifa szám (EU): 85363030, Bruttó súly: 250.00 g, PU: 1.00 pc(s)


Képek

További információ

DEHNguard MD TT 385 FM surge arrester
Four-pole, modular, pluggable surge arrester
for 230/400 V TT and TN-S systems, width: 4 modules
with remote signalling contact
Type 2 arrester as per EN 61643-11
Fault indication
Max. continuous operating voltage: 385 V AC
Voltage protection level: <= 1.5 kV
Nominal discharge current: 20 kA
Short-circuit withstand capability 25 kArms
Energy coordination according to DIN EN 62305-4
Arrester of the Red/Line series

Brand: DEHN
Type: DG MD TT 385 FM
Part No.: 943317
or equivalent.

Tanúsítványok

 

Műszaki adatok

SPD according to EN 61643-11 / IEC 61643-11 Type 2 + Type 3 / class II + class III
Max. continuous operating voltage (a.c.) [L-N] (UC ) 385 V (50 / 60 Hz)
Nominal discharge current (8/20 µs) (In ) 20 kA
Max. discharge current (8/20 µs) (Imax ) 40 kA
Voltage protection level [L-N]/[N-PE] (UP ) ≤ 1.75 / ≤ 1.5 kV
Approvals DEKRA
Type of remote signalling contact changeover contact

A 943317 termék hozzá lett adva a jegyzettömbhöz.

A 943317 terméket hozzáadtuk a kosárhoz.

Webshop indítása

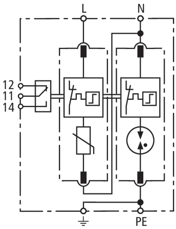
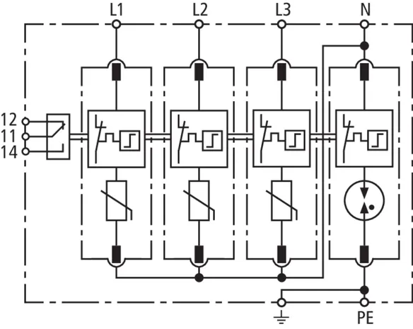
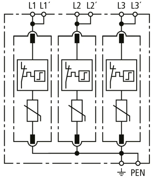
DEHNguard MD H TT ... (FM)

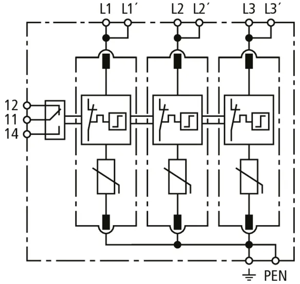
Modular surge arrester with a high total discharge capacity in the N-PE path for TT and TN-S systems (3+1 configuration). Meets the stricter safety requirements as outlined in DIN VDE 0100-534 for use at the feeding point of the electrical installation; with floating remote signalling contact.

2 Termékek

Cikkszám 943381 DG MD H TT 275

GTIN 4013364522022, Vámtarifa szám (EU): 85363030, Bruttó súly: 250.00 g, PU: 1.00 pc(s)


Képek

További információ

DEHNguard MD H TT 275 surge arrester
Four-pole, modular, pluggable surge arrester
for 230/400 V TT and TN-S systems, width: 4 modules
Type 2 arrester as per EN 61643-11
Fault indication
Max. continuous operating voltage: 275 V AC
Voltage protection level: <= 1.5 kV
Nominal discharge current: 20 kA
Short-circuit withstand capability 50 kAeff
Energy coordination according to DIN EN 62305-4
Arrester of the Red/Line series

Brand: DEHN
Type: DG MD H TT 275
Part No.: 943381
or equivalent.

 

Műszaki adatok

SPD according to EN 61643-11 / IEC 61643-11 Type 2 + Type 3 / class II + class III
Max. continuous operating voltage (a.c.) [L-N] (UC ) 275 V (50 / 60 Hz)
Nominal discharge current (8/20 µs) [L-N] (In ) 20 kA
Nominal discharge current (8/20 µs) [N-PE] (In ) 80 kA
Max. discharge current (8/20 µs) [L-N] (Imax ) 40 kA
Max. discharge current (8/20 µs) [N-PE] (Imax ) 120 kA
Voltage protection level [L-N]/[N-PE] (UP ) ≤ 1.5 / ≤ 1.5 kV
Approvals DEKRA

A 943381 termék hozzá lett adva a jegyzettömbhöz.

A 943381 terméket hozzáadtuk a kosárhoz.

Webshop indítása

Cikkszám 943385 DG MD H TT 275 FM

GTIN 4013364477193, Vámtarifa szám (EU): 85363030, Bruttó súly: 250.00 g, PU: 1.00 pc(s)


Képek

További információ

DEHNguard MD H TT 275 FM surge arrester
Four-pole, modular, pluggable surge arrester
for 230/400 V TT and TN-S systems, width: 4 modules
with remote signalling contact
Type 2 arrester as per EN 61643-11
Fault indication
Max. continuous operating voltage: 275 V AC
Voltage protection level: <= 1.5 kV
Nominal discharge current: 20 kA
Short-circuit withstand capability 50 kAeff
Energy coordination according to DIN EN 62305-4
Arrester of the Red/Line series

Brand: DEHN
Type: DG MD H TT 275 FM
Part No.: 943385
or equivalent.

 

Műszaki adatok

SPD according to EN 61643-11 / IEC 61643-11 Type 2 + Type 3 / class II + class III
Max. continuous operating voltage (a.c.) [L-N] (UC ) 275 V (50 / 60 Hz)
Nominal discharge current (8/20 µs) [L-N] (In ) 20 kA
Nominal discharge current (8/20 µs) [N-PE] (In ) 80 kA
Max. discharge current (8/20 µs) [L-N] (Imax ) 40 kA
Max. discharge current (8/20 µs) [N-PE] (Imax ) 120 kA
Voltage protection level [L-N]/[N-PE] (UP ) ≤ 1.5 / ≤ 1.5 kV
Approvals DEKRA
Type of remote signalling contact changeover contact

A 943385 termék hozzá lett adva a jegyzettömbhöz.

A 943385 terméket hozzáadtuk a kosárhoz.

Webshop indítása

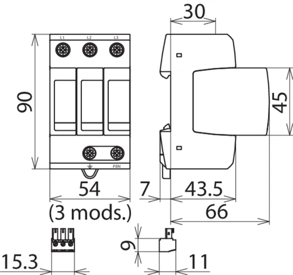
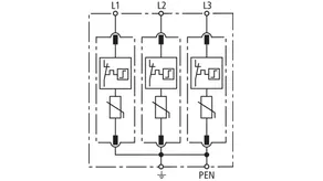
DEHNguard MP TNC ...

Modular surge arrester for use in TN-C systems.

1 Termék

Cikkszám 942300 DG MP TNC 275

GTIN 4013364495272, Vámtarifa szám (EU): 85363030, Bruttó súly: 316.66 g, PU: 1.00 pc(s)


Képek

További információ

DEHNguard MP TNC 275 surge arrester
3-pole, modular, pluggable
surge arrester with
double push-in connection clamp suitable for
stub wiring and feed-through wiring
for 230/400 V TN-C systems, width: 3 modules
with remote signalling contact
Arrester type 2 + type 3 according to EN 61643-11
Fault indication
Max. continuous operating voltage: 275 V AC
Voltage protection level: <= 1.5 kV
Nominal discharge current: 20 kA
Short-circuit withstand capability 50 kAeff
Energy coordination according to DIN EN 62305-4
Arrester of the Red/Line series

Brand: DEHN
Type: DG MP TNC 275
Part No.: 942300
or equivalent.

Tanúsítványok

 

Műszaki adatok

SPD according to EN 61643-11 / IEC 61643-11 Type 2 + Type 3 / class II + class III
Max. continuous operating voltage (a.c.) (UC ) 275 V (50 / 60 Hz)
Nominal discharge current (8/20 µs) (In ) 20 kA
Max. discharge current (8/20 µs) (Imax ) 40 kA
Voltage protection level (UP ) ≤ 1.5 kV
Approvals KEMA, VDE

A 942300 termék hozzá lett adva a jegyzettömbhöz.

A 942300 terméket hozzáadtuk a kosárhoz.

Webshop indítása

DEHNguard MP TNC ... FM

Modular surge arrester for use in TN-C systems; with floating remote signalling contact.

4 Termékek

Cikkszám 942318 DG MP TNC 150 FM

GTIN 4013364495265, Vámtarifa szám (EU): 85363030, Bruttó súly: 324.71 g, PU: 1.00 pc(s)


Képek

További információ

DEHNguard MP TNC 150 FM surge arrester
3-pole, modular, pluggable
surge arrester with
double-push-in connection clamp suitable for
stub wiring and feed-through wiring
for TN-C systems, width of 3 standard DIN modules
with remote signalling contact
Type 2 + type 3 arrester according to EN 61643-11
Fault indication
Max. continuous operating voltage: 150 V AC
Voltage protection level: <= 0.7 kV
Nominal discharge current: 15 kA
Short-circuit withstand capability 50 kAeff
Energy coordination according to DIN EN 62305-4
Arrester of the Red/Line series

Brand: DEHN
Type: DG MP TNC 150 FM
Part No.: 942318
or equivalent.

Tanúsítványok

 

Műszaki adatok

SPD according to EN 61643-11 / IEC 61643-11 Type 2 + Type 3 / class II + class III
Max. continuous operating voltage (a.c.) (UC ) 150 V (50 / 60 Hz)
Nominal discharge current (8/20 µs) (In ) 15 kA
Max. discharge current (8/20 µs) (Imax ) 40 kA
Voltage protection level (UP ) ≤ 0.7 kV
Approvals KEMA, VDE
Type of remote signalling contact changeover contact

A 942318 termék hozzá lett adva a jegyzettömbhöz.

A 942318 terméket hozzáadtuk a kosárhoz.

Webshop indítása

Cikkszám 942305 DG MP TNC 275 FM

GTIN 4013364495289, Vámtarifa szám (EU): 85363030, Bruttó súly: 323.13 g, PU: 1.00 pc(s)


Képek

További információ

DEHNguard MP TNC 275 FM surge arrester
3-pole, modular, pluggable
surge arrester with
double-push-in connection clamp suitable for
stub wiring and feed-through wiring
for 230/400 V TN-C systems, width of 3 standard DIN modules
with remote signalling contact
Type 2 + type 3 arrester according to EN 61643-11
Fault indication
Max. continuous operating voltage: 275 V AC
Voltage protection level: <= 1.5 kV
Nominal discharge current: 20 kA
Short-circuit withstand capability 50 kAeff
Energy coordination according to DIN EN 62305-4
Arrester of the Red/Line series

Brand: DEHN
Type: DG MP TNC 275 FM
Part No.: 942305
or equivalent.

Tanúsítványok

 

Műszaki adatok

SPD according to EN 61643-11 / IEC 61643-11 Type 2 + Type 3 / class II + class III
Max. continuous operating voltage (a.c.) (UC ) 275 V (50 / 60 Hz)
Nominal discharge current (8/20 µs) (In ) 20 kA
Max. discharge current (8/20 µs) (Imax ) 40 kA
Voltage protection level (UP ) ≤ 1.5 kV
Approvals KEMA, VDE
Type of remote signalling contact changeover contact

A 942305 termék hozzá lett adva a jegyzettömbhöz.

A 942305 terméket hozzáadtuk a kosárhoz.

Webshop indítása

Cikkszám 942319 DG MP TNC 385 FM

GTIN 4013364495296, Vámtarifa szám (EU): 85363030, Bruttó súly: 324.71 g, PU: 1.00 pc(s)


Képek

További információ

DEHNguard MP TNC 385 FM surge arrester
3-pole, modular, pluggable
surge arrester with
double-push-in connection clamp suitable for
stub wiring and feed-through wiring
for TN-C systems, width of 3 standard DIN modules
with remote signalling contact
Type 2 + type 3 arrester according to EN 61643-11
Fault indication
Max. continuous operating voltage: 385 V AC
Voltage protection level: <= 1.75 kV
Nominal discharge current: 20 kA
Short-circuit withstand capability 25 kArms
Energy coordination according to DIN EN 62305-4
Arrester of the Red/Line series

Brand: DEHN
Type: DG MP TNC 385 FM
Part No.: 942319
or equivalent.

Tanúsítványok

 

Műszaki adatok

SPD according to EN 61643-11 / IEC 61643-11 Type 2 + Type 3 / class II + class III
Max. continuous operating voltage (a.c.) (UC ) 385 V (50 / 60 Hz)
Nominal discharge current (8/20 µs) (In ) 20 kA
Max. discharge current (8/20 µs) (Imax ) 40 kA
Voltage protection level (UP ) ≤ 1.75 kV
Approvals KEMA, VDE
Type of remote signalling contact changeover contact

A 942319 termék hozzá lett adva a jegyzettömbhöz.

A 942319 terméket hozzáadtuk a kosárhoz.

Webshop indítása

Cikkszám 942308 DG MP TNC 440 FM

GTIN 4013364495258, Vámtarifa szám (EU): 85363030, Bruttó súly: 355.78 g, PU: 1.00 pc(s)


Képek

További információ

DEHNguard MP TNC 440 FM surge arrester
3-pole, modular, pluggable
surge arrester with
double-push-in connection clamp suitable for
stub wiring and feed-through wiring
for 400/690 V TN-C systems, width of 3 standard DIN modules
with remote signalling contact
Type 2 + type 3 arrester according to EN 61643-11
Fault indication
Max. continuous operating voltage: 440 V AC
Voltage protection level: <= 2 kV
Nominal discharge current: 20 kA
Short-circuit withstand capability 25 kArms
Energy coordination according to DIN EN 62305-4
Arrester of the Red/Line series

Brand: DEHN
Type: DG MP TNC 440 FM
Part No.: 942308
or equivalent.

Tanúsítványok

 

Műszaki adatok

SPD according to EN 61643-11 / IEC 61643-11 Type 2 + Type 3 / class II + class III
Max. continuous operating voltage (a.c.) (UC ) 440 V (50 / 60 Hz)
Nominal discharge current (8/20 µs) (In ) 20 kA
Max. discharge current (8/20 µs) (Imax ) 40 kA
Voltage protection level (UP ) ≤ 2 kV
Approvals KEMA, VDE
Type of remote signalling contact changeover contact

A 942308 termék hozzá lett adva a jegyzettömbhöz.

A 942308 terméket hozzáadtuk a kosárhoz.

Webshop indítása

DEHNguard MP TNS ...

Modular surge arrester for use in TN-S systems.

1 Termék

Cikkszám 942400 DG MP TNS 275

GTIN 4013364484115, Vámtarifa szám (EU): 85363030, Bruttó súly: 407.53 g, PU: 1.00 pc(s)


Képek

További információ

DEHNguard MP TNS 275 surge arrester
4-pole, modular, pluggable
surge arrester with
double-push-in connection clamp suitable for
stub wiring and feed-through wiring
for TN-S systems, width of 4 standard DIN modules
Type 2 + type 3 arrester according to EN 61643-11
Fault indication
Max. continuous operating voltage: 275 V AC
Voltage protection level: <= 1.5 kV
Nominal discharge current: 20 kA
Short-circuit withstand capability 50 kAeff
Energy coordination according to DIN EN 62305-4
Arrester of the Red/Line series

Brand: DEHN
Type: DG MP TNS 275
Part No.: 942400
or equivalent.

Tanúsítványok

 

Műszaki adatok

SPD according to EN 61643-11 / IEC 61643-11 type 2 + type 3 / class II + class III
Max. continuous operating voltage (a.c.) (UC ) 275 V (50 / 60 Hz)
Nominal discharge current (8/20 µs) (In ) 20 kA
Max. discharge current (8/20 µs) (Imax ) 40 kA
Voltage protection level [L-PE]/[N-PE] (UP ) ≤ 1.5 / ≤ 1.5 kV
Approvals KEMA, VDE

A 942400 termék hozzá lett adva a jegyzettömbhöz.

A 942400 terméket hozzáadtuk a kosárhoz.

Webshop indítása

DEHNguard MP TNS ... FM

Modular surge arrester for use in TN-S systems; with floating remote signalling contact.

3 Termékek

Cikkszám 942408 DG MP TNS 150 FM

GTIN 4013364484863, Vámtarifa szám (EU): 85363030, Bruttó súly: 385.91 g, PU: 1.00 pc(s)


Képek

További információ

DEHNguard MP TNS 150 FM surge arrester
4-pole, modular, pluggable
surge arrester with
double-push-in connection clamp suitable for
stub wiring and feed-through wiring
for TN-S systems, width of 4 standard DIN modules
with remote signalling contact
Type 2 + type 3 arrester according to EN 61643-11
Fault indication
Max. continuous operating voltage: 150 V AC
Voltage protection level: <= 0.7 kV
Nominal discharge current: 15 kA
Short-circuit withstand capability 50 kAeff
Energy coordination according to DIN EN 62305-4
Arrester of the Red/Line series

Brand: DEHN
Type: DG MP TNS 150 FM
Part No.: 942408
or equivalent.

Tanúsítványok

 

Műszaki adatok

SPD according to EN 61643-11 / IEC 61643-11 type 2 + type 3 / class II + class III
Max. continuous operating voltage (a.c.) (UC ) 150 V (50 / 60 Hz)
Nominal discharge current (8/20 µs) (In ) 15 kA
Max. discharge current (8/20 µs) (Imax ) 40 kA
Voltage protection level [L-PE]/[N-PE] (UP ) ≤ 0.7 / ≤ 0.7 kV
Approvals KEMA, VDE
Type of remote signalling contact changeover contact

A 942408 termék hozzá lett adva a jegyzettömbhöz.

A 942408 terméket hozzáadtuk a kosárhoz.

Webshop indítása

Cikkszám 942405 DG MP TNS 275 FM

GTIN 4013364477124, Vámtarifa szám (EU): 85363030, Bruttó súly: 350.91 g, PU: 1.00 pc(s)


Képek

További információ

DEHNguard MP TNS 275 FM surge arrester
4-pole, modular, pluggable
surge arrester with
double-push-in connection clamp suitable for
stub wiring and feed-through wiring
for TN-S systems, width of 4 standard DIN modules
with remote signalling contact
Type 2 + type 3 arrester according to EN 61643-11
Fault indication
Max. continuous operating voltage: 275 V AC
Voltage protection level: <= 1.5 kV
Nominal discharge current: 20 kA
Short-circuit withstand capability 50 kAeff
Energy coordination according to DIN EN 62305-4
Arrester of the Red/Line series

Brand: DEHN
Type: DG MP TNS 275 FM
Part No.: 942405
or equivalent.

Tanúsítványok

 

Műszaki adatok

SPD according to EN 61643-11 / IEC 61643-11 type 2 + type 3 / class II + class III
Max. continuous operating voltage (a.c.) (UC ) 275 V (50 / 60 Hz)
Nominal discharge current (8/20 µs) (In ) 20 kA
Max. discharge current (8/20 µs) (Imax ) 40 kA
Voltage protection level [L-PE]/[N-PE] (UP ) ≤ 1.5 / ≤ 1.5 kV
Approvals KEMA, VDE
Type of remote signalling contact changeover contact

A 942405 termék hozzá lett adva a jegyzettömbhöz.

A 942405 terméket hozzáadtuk a kosárhoz.

Webshop indítása

Cikkszám 942409 DG MP TNS 385 FM

GTIN 4013364484832, Vámtarifa szám (EU): 85363030, Bruttó súly: 441.67 g, PU: 1.00 pc(s)


Képek

További információ

DEHNguard MP TNS 385 FM surge arrester
4-pole, modular, pluggable
surge arrester with
double-push-in connection clamp suitable for
stub wiring and feed-through wiring
for TN-S systems, width of 4 standard DIN modules
with remote signalling contact
Type 2 + type 3 arrester according to EN 61643-11
Fault indication
Max. continuous operating voltage: 385 V AC
Voltage protection level: <= 1.75 kV
Nominal discharge current: 20 kA
Short-circuit withstand capability 25 kArms
Energy coordination according to DIN EN 62305-4
Arrester of the Red/Line series

Brand: DEHN
Type: DG MP TNS 385 FM
Part No.: 942409
or equivalent.

Tanúsítványok

 

Műszaki adatok

SPD according to EN 61643-11 / IEC 61643-11 type 2 + type 3 / class II + class III
Max. continuous operating voltage (a.c.) (UC ) 385 V (50 / 60 Hz)
Nominal discharge current (8/20 µs) (In ) 20 kA
Max. discharge current (8/20 µs) (Imax ) 40 kA
Voltage protection level [L-PE]/[N-PE] (UP ) ≤ 1.75 / ≤ 1.75 kV
Approvals KEMA, VDE
Type of remote signalling contact changeover contact

A 942409 termék hozzá lett adva a jegyzettömbhöz.

A 942409 terméket hozzáadtuk a kosárhoz.

Webshop indítása

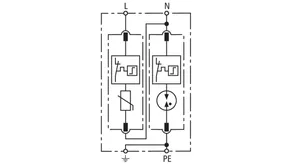
DEHNguard MP TT ...

Modular surge arrester for use in TT and TN-S systems (3+1 configuration).

1 Termék

Cikkszám 942310 DG MP TT 275

GTIN 4013364484108, Vámtarifa szám (EU): 85363030, Bruttó súly: 343.84 g, PU: 1.00 pc(s)


Képek

További információ

DEHNguard MP TT 275 surge arrester
4-pole, modular, pluggable
surge arrester with
double-push-in connection clamp suitable for
stub wiring and feed-through wiring
for TT and TN-S systems, width of 4 standard DIN modules
Type 2 + type 3 arrester according to EN 61643-11
Fault indication
Max. continuous operating voltage: 275 V AC
Voltage protection level: <= 1.5 kV
Nominal discharge current: 20 kA
Short-circuit withstand capability 50 kAeff
Energy coordination according to DIN EN 62305-4
Arrester of the Red/Line series

Brand: DEHN
Type: DG MP TT 275
Part No.: 942310
or equivalent.

Tanúsítványok

 

Műszaki adatok

SPD according to EN 61643-11 / IEC 61643-11 type 2 + type 3 / class II + class III
Max. continuous operating voltage (a.c.) [L-N] (UC ) 275 V (50 / 60 Hz)
Nominal discharge current (8/20 µs) (In ) 20 kA
Max. discharge current (8/20 µs) (Imax ) 40 kA
Voltage protection level [L-N]/[N-PE] (UP ) ≤ 1.5 / ≤ 1.5 kV
Approvals KEMA, VDE

A 942310 termék hozzá lett adva a jegyzettömbhöz.

A 942310 terméket hozzáadtuk a kosárhoz.

Webshop indítása

DEHNguard MP TT ... FM

Modular surge arrester for use in TT and TN-S systems (3+1 configuration); with floating remote signalling contact.

4 Termékek

Cikkszám 942328 DG MP TT 150 FM

GTIN 4013364484856, Vámtarifa szám (EU): 85363030, Bruttó súly: 388.86 g, PU: 1.00 pc(s)


Képek

További információ

DEHNguard MP TT 275 FM surge arrester
4-pole, modular, pluggable
surge arrester with
double-push-in connection clamp suitable for
stub wiring and feed-through wiring
for TT and TN-S systems, width of 4 standard DIN modules
with remote signalling contact
Type 2 + type 3 arrester according to EN 61643-11
Fault indication
Max. continuous operating voltage: 150 V AC
Voltage protection level: <= 0.7 kV
Nominal discharge current: 15 kA
Short-circuit withstand capability 50 kAeff
Energy coordination according to DIN EN 62305-4
Arrester of the Red/Line series

Brand: DEHN
Type: DG MP TT 150 FM
Part No.: 942328
or equivalent.

Tanúsítványok

 

Műszaki adatok

SPD according to EN 61643-11 / IEC 61643-11 type 2 + type 3 / class II + class III
Max. continuous operating voltage (a.c.) [L-N] (UC ) 150 V (50 / 60 Hz)
Nominal discharge current (8/20 µs) [L-N] (In ) 15 kA
Nominal discharge current (8/20 µs) [N-PE] (In ) 20 kA
Max. discharge current (8/20 µs) (Imax ) 40 kA
Voltage protection level [L-N]/[N-PE] (UP ) ≤ 0.7 / ≤ 1.5 kV
Approvals KEMA, VDE
Type of remote signalling contact changeover contact

A 942328 termék hozzá lett adva a jegyzettömbhöz.

A 942328 terméket hozzáadtuk a kosárhoz.

Webshop indítása

Cikkszám 942315 DG MP TT 275 FM

GTIN 4013364477162, Vámtarifa szám (EU): 85363030, Bruttó súly: 346.63 g, PU: 1.00 pc(s)


Képek

További információ

DEHNguard MP TT 275 FM surge arrester
4-pole, modular, pluggable
surge arrester with
double-push-in connection clamp suitable for
stub wiring and feed-through wiring
for TT and TN-S systems, width of 4 standard DIN modules
with remote signalling contact
Type 2 + type 3 arrester according to EN 61643-11
Fault indication
Max. continuous operating voltage: 275 V AC
Voltage protection level: <= 1.5 kV
Nominal discharge current: 20 kA
Short-circuit withstand capability 50 kAeff
Energy coordination according to DIN EN 62305-4
Arrester of the Red/Line series

Brand: DEHN
Type: DG MP TT 275 FM
Part No.: 942315
or equivalent.

Tanúsítványok

 

Műszaki adatok

SPD according to EN 61643-11 / IEC 61643-11 type 2 + type 3 / class II + class III
Max. continuous operating voltage (a.c.) [L-N] (UC ) 275 V (50 / 60 Hz)
Nominal discharge current (8/20 µs) (In ) 20 kA
Max. discharge current (8/20 µs) (Imax ) 40 kA
Voltage protection level [L-N]/[N-PE] (UP ) ≤ 1.5 / ≤ 1.5 kV
Approvals KEMA, VDE
Type of remote signalling contact changeover contact

A 942315 termék hozzá lett adva a jegyzettömbhöz.

A 942315 terméket hozzáadtuk a kosárhoz.

Webshop indítása

Cikkszám 942325 DG MP TT 320 FM

GTIN 4013364484849, Vámtarifa szám (EU): 85363030, Bruttó súly: 418.85 g, PU: 1.00 pc(s)


Képek

További információ

DEHNguard MP TT 320 FM surge arrester
4-pole, modular, pluggable
surge arrester with
double-push-in connection clamp suitable for
stub wiring and feed-through wiring
for TT and TN-S systems, width of 4 standard DIN modules
with remote signalling contact
Type 2 + type 3 arrester according to EN 61643-11
Fault indication
Max. continuous operating voltage: 320 V AC
Voltage protection level: <= 1.5 kV
Nominal discharge current: 20 kA
Short-circuit withstand capability 25 kArms
Energy coordination according to DIN EN 62305-4
Arrester of the Red/Line series

Brand: DEHN
Type: DG MP TT 320 FM
Part No.: 942325
or equivalent.

Tanúsítványok

 

Műszaki adatok

SPD according to EN 61643-11 / IEC 61643-11 type 2 + type 3 / class II + class III
Max. continuous operating voltage (a.c.) [L-N] (UC ) 320 V (50 / 60 Hz)
Nominal discharge current (8/20 µs) (In ) 20 kA
Max. discharge current (8/20 µs) (Imax ) 40 kA
Voltage protection level [L-N]/[N-PE] (UP ) ≤ 1.5 / ≤ 1.5 kV
Approvals KEMA, VDE
Type of remote signalling contact changeover contact

A 942325 termék hozzá lett adva a jegyzettömbhöz.

A 942325 terméket hozzáadtuk a kosárhoz.

Webshop indítása

Cikkszám 942317 DG MP TT 385 FM

GTIN 4013364484825, Vámtarifa szám (EU): 85363030, Bruttó súly: 430.48 g, PU: 1.00 pc(s)


Képek

További információ

DEHNguard MP TT 385 FM surge arrester
4-pole, modular, pluggable
surge arrester with
double-push-in connection clamp suitable for
stub wiring and feed-through wiring
for TT and TN-S systems, width of 4 standard DIN modules
with remote signalling contact
Type 2 + type 3 arrester according to EN 61643-11
Fault indication
Max. continuous operating voltage: 385 V AC
Voltage protection level: <= 1.75 kV
Nominal discharge current: 20 kA
Short-circuit withstand capability 25 kArms
Energy coordination according to DIN EN 62305-4
Arrester of the Red/Line series

Brand: DEHN
Type: DG MP TT 385 FM
Part No.: 942317
or equivalent.

Tanúsítványok

 

Műszaki adatok

SPD according to EN 61643-11 / IEC 61643-11 type 2 + type 3 / class II + class III
Max. continuous operating voltage (a.c.) [L-N] (UC ) 385 V (50 / 60 Hz)
Nominal discharge current (8/20 µs) (In ) 20 kA
Max. discharge current (8/20 µs) (Imax ) 40 kA
Voltage protection level [L-N]/[N-PE] (UP ) ≤ 1.75 / ≤ 1.5 kV
Approvals KEMA, VDE
Type of remote signalling contact changeover contact

A 942317 termék hozzá lett adva a jegyzettömbhöz.

A 942317 terméket hozzáadtuk a kosárhoz.

Webshop indítása

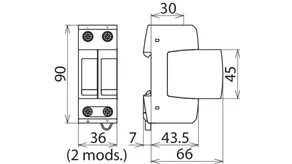
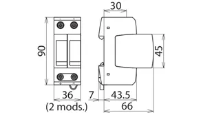
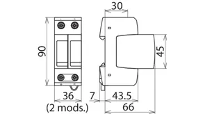
DEHNguard MP TN ...

Modular surge arrester for single-phase TN systems.

1 Termék

Cikkszám 942200 DG MP TN 275

GTIN 4013364495395, Vámtarifa szám (EU): 85363030, Bruttó súly: 228.88 g, PU: 1.00 pc(s)


Képek

További információ

DEHNguard MP TN 275 surge arrester
2-pole, modular, pluggable
surge arrester with
double-push-in connection clamp suitable for
stub wiring and feed-through wiring
for single-phase 230 V TN systems, width of 2 standard DIN modules
Type 2 + type 3 arrester according to EN 61643-11
Fault indication
Max. continuous operating voltage: 275 V AC
Voltage protection level: <= 1.5 kV
Nominal discharge current: 20 kA
Short-circuit withstand capability 50 kAeff
Energy coordination according to DIN EN 62305-4
Arrester of the Red/Line series

Brand: DEHN
Type: DG MP TN 275
Part No.: 942200
or equivalent.

Tanúsítványok

 

Műszaki adatok

SPD according to EN 61643-11 / IEC 61643-11 Type 2 + Type 3 / class II + class III
Max. continuous operating voltage (a.c.) (UC ) 275 V (50 / 60 Hz)
Nominal discharge current (8/20 µs) (In ) 20 kA
Max. discharge current (8/20 µs) (Imax ) 40 kA
Voltage protection level [L-PE]/[N-PE] (UP ) ≤ 1.5 / ≤ 1.5 kV
Approvals KEMA, VDE

A 942200 termék hozzá lett adva a jegyzettömbhöz.

A 942200 terméket hozzáadtuk a kosárhoz.

Webshop indítása

DEHNguard MP TN ... FM

Modular surge arrester for single-phase TN systems; with floating remote signalling contact.

2 Termékek

Cikkszám 942207 DG MP TN 150 FM

GTIN 4013364495418, Vámtarifa szám (EU): 85363030, Bruttó súly: 231.67 g, PU: 1.00 pc(s)


Képek

További információ

DEHNguard MP TN 150 FM surge arrester
2-pole, modular, pluggable
surge arrester with
double-push-in connection clamp suitable for
stub wiring and feed-through wiring
for single-phase TN systems, width of 2 standard DIN modules
with remote signalling contact
Type 2 + type 3 arrester according to EN 61643-11
Fault indication
Max. continuous operating voltage: 150 V AC
Voltage protection level: <= 0.7 kV
Nominal discharge current: 15 kA
Short-circuit withstand capability 50 kAeff
Energy coordination according to DIN EN 62305-4
Arrester of the Red/Line series

Brand: DEHN
Type: DG MP TN 150 FM
Part No.: 942207
or equivalent.

Tanúsítványok

 

Műszaki adatok

SPD according to EN 61643-11 / IEC 61643-11 Type 2 + Type 3 / class II + class III
Max. continuous operating voltage (a.c.) (UC ) 150 V (50 / 60 Hz)
Nominal discharge current (8/20 µs) (In ) 15 kA
Max. discharge current (8/20 µs) (Imax ) 40 kA
Voltage protection level [L-PE]/[N-PE] (UP ) ≤ 0.7 / ≤ 0.7 kV
Approvals KEMA, VDE
Type of remote signalling contact Changeover contact

A 942207 termék hozzá lett adva a jegyzettömbhöz.

A 942207 terméket hozzáadtuk a kosárhoz.

Webshop indítása

Cikkszám 942205 DG MP TN 275 FM

GTIN 4013364495401, Vámtarifa szám (EU): 85363030, Bruttó súly: 231.32 g, PU: 1.00 pc(s)


Képek

További információ

DEHNguard MP TN 275 FM surge arrester
2-pole, modular, pluggable
surge arrester with
double-push-in connection clamp suitable for
stub wiring and feed-through wiring
for single-phase 230 V TN systems, width of 2 standard DIN modules
with remote signalling contact
Type 2 + type 3 arrester according to EN 61643-11
Fault indication
Max. continuous operating voltage: 275 V AC
Voltage protection level: <= 1.5 kV
Nominal discharge current: 20 kA
Short-circuit withstand capability 50 kAeff
Energy coordination according to DIN EN 62305-4
Arrester of the Red/Line series

Brand: DEHN
Type: DG MP TN 275 FM
Part No.: 942205
or equivalent.

Tanúsítványok

 

Műszaki adatok

SPD according to EN 61643-11 / IEC 61643-11 Type 2 + Type 3 / class II + class III
Max. continuous operating voltage (a.c.) (UC ) 275 V (50 / 60 Hz)
Nominal discharge current (8/20 µs) (In ) 20 kA
Max. discharge current (8/20 µs) (Imax ) 40 kA
Voltage protection level [L-PE]/[N-PE] (UP ) ≤ 1.5 / ≤ 1.5 kV
Approvals KEMA, VDE
Type of remote signalling contact Changeover contact

A 942205 termék hozzá lett adva a jegyzettömbhöz.

A 942205 terméket hozzáadtuk a kosárhoz.

Webshop indítása

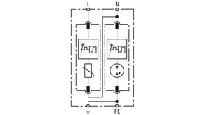
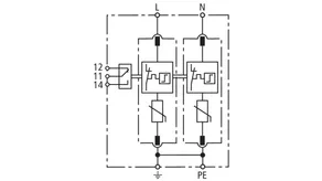
DEHNguard MP TT 2P ...

Modular surge arrester for use in single-phase TT and TN systems (1+1 configuration); with floating remote signalling contact.

1 Termék

Cikkszám 942110 DG MP TT 2P 275

GTIN 4013364495326, Vámtarifa szám (EU): 85363030, Bruttó súly: 220.36 g, PU: 1.00 pc(s)


Képek

További információ

DEHNguard MP TT 2P 275 surge arrester
2-pole, modular, pluggable
surge arrester with
double push-in connection clamp suitable for
stub wiring and feed-through wiring
for single-phase 230 V TT and TN systems, width: 2 modules
Arrester type 2 + type 3 according to EN 61643-11
Fault indication
Max. continuous operating voltage: 275 V AC
Voltage protection level: <= 1.5 kV
Nominal discharge current: 20 kA
Short-circuit withstand capability 50 kAeff
Energy coordination according to DIN EN 62305-4
Arrester of the Red/Line series

Brand: DEHN
Type: DG MP TT 2P 275
Part No.: 942110
or equivalent.

Tanúsítványok

 

Műszaki adatok

SPD according to EN 61643-11 / IEC 61643-11 Type 2 + Type 3 / class II + class III
Max. continuous operating voltage (a.c.) [L-N] (UC ) 275 V (50 / 60 Hz)
Nominal discharge current (8/20 µs) (In ) 20 kA
Max. discharge current (8/20 µs) (Imax ) 40 kA
Voltage protection level [L-N]/[N-PE] (UP ) ≤ 1.5 / ≤ 1.5 kV
Approvals KEMA, VDE

A 942110 termék hozzá lett adva a jegyzettömbhöz.

A 942110 terméket hozzáadtuk a kosárhoz.

Webshop indítása

DEHNguard MP TT 2P ... FM

Modular surge arrester for use in single-phase TT and TN systems (1+1 configuration); with floating remote signalling contact.

3 Termékek

Cikkszám 942115 DG MP TT 2P 275 FM

GTIN 4013364495333, Vámtarifa szám (EU): 85363030, Bruttó súly: 226.75 g, PU: 1.00 pc(s)


Képek

További információ

DEHNguard MP TT 2P 275 FM surge arrester
2-pole, modular, pluggable
surge arrester with
double-push-in connection clamp suitable for
stub wiring and feed-through wiring
for single-phase 230 V TT and TN systems, width of 2 standard DIN modules
with remote signalling contact
Type 2 + type 3 arrester according to EN 61643-11
Fault indication
Max. continuous operating voltage: 275 V AC
Voltage protection level: <= 1.5 kV
Nominal discharge current: 20 kA
Short-circuit withstand capability 50 kAeff
Energy coordination according to DIN EN 62305-4
Arrester of the Red/Line series

Brand: DEHN
Type: DG MP TT 2P 275 FM
Part No.: 942115
or equivalent.

Tanúsítványok

 

Műszaki adatok

SPD according to EN 61643-11 / IEC 61643-11 Type 2 + Type 3 / class II + class III
Max. continuous operating voltage (a.c.) [L-N] (UC ) 275 V (50 / 60 Hz)
Nominal discharge current (8/20 µs) (In ) 20 kA
Max. discharge current (8/20 µs) (Imax ) 40 kA
Voltage protection level [L-N]/[N-PE] (UP ) ≤ 1.5 / ≤ 1.5 kV
Approvals KEMA, VDE
Type of remote signalling contact changeover contact

A 942115 termék hozzá lett adva a jegyzettömbhöz.

A 942115 terméket hozzáadtuk a kosárhoz.

Webshop indítása

Cikkszám 942135 DG MP TT 2P 320 FM

GTIN 4013364495340, Vámtarifa szám (EU): 85363030, Bruttó súly: 230.96 g, PU: 1.00 pc(s)


Képek

További információ

DEHNguard MP TT 2P 320 FM surge arrester
2-pole, modular, pluggable
surge arrester with
double-push-in connection clamp suitable for
stub wiring and feed-through wiring
for single-phase 230 V TT and TN systems, width of 2 standard DIN modules
with remote signalling contact
Type 2 + type 3 arrester according to EN 61643-11
Fault indication
Max. continuous operating voltage: 320 V AC
Voltage protection level: <= 1.5 kV
Nominal discharge current: 20 kA
Short-circuit withstand capability 25 kArms
Energy coordination according to DIN EN 62305-4
Arrester of the Red/Line series

Brand: DEHN
Type: DG MP TT 2P 320 FM
Part No.: 942135
or equivalent.

Tanúsítványok

 

Műszaki adatok

SPD according to EN 61643-11 / IEC 61643-11 Type 2 + Type 3 / class II + class III
Max. continuous operating voltage (a.c.) [L-N] (UC ) 320 V (50 / 60 Hz)
Nominal discharge current (8/20 µs) (In ) 20 kA
Max. discharge current (8/20 µs) (Imax ) 40 kA
Voltage protection level [L-N]/[N-PE] (UP ) ≤ 1.5 / ≤ 1.5 kV
Approvals KEMA, VDE
Type of remote signalling contact changeover contact

A 942135 termék hozzá lett adva a jegyzettömbhöz.

A 942135 terméket hozzáadtuk a kosárhoz.

Webshop indítása

Cikkszám 942117 DG MP TT 2P 385 FM

GTIN 4013364495357, Vámtarifa szám (EU): 85363090, Bruttó súly: 227.23 g, PU: 1.00 pc(s)


Képek

További információ

DEHNguard MP TT 2P 385 FM surge arrester
2-pole, modular, pluggable
surge arrester with
double-push-in connection clamp suitable for
stub wiring and feed-through wiring
for single-phase TT and TN systems, width of 2 standard DIN modules
with remote signalling contact
Type 2 + type 3 arrester according to EN 61643-11
Fault indication
Max. continuous operating voltage: 385 V AC
Voltage protection level: <= 1.75 kV
Nominal discharge current: 20 kA
Short-circuit withstand capability 25 kArms
Energy coordination according to DIN EN 62305-4
Arrester of the Red/Line series

Brand: DEHN
Type: DG MP TT 2P 385 FM
Part No.: 942117
or equivalent.

Tanúsítványok

 

Műszaki adatok

SPD according to EN 61643-11 / IEC 61643-11 Type 2 + Type 3 / class II + class III
Max. continuous operating voltage (a.c.) [L-N] (UC ) 385 V (50 / 60 Hz)
Nominal discharge current (8/20 µs) (In ) 20 kA
Max. discharge current (8/20 µs) (Imax ) 40 kA
Voltage protection level [L-N]/[N-PE] (UP ) ≤ 1.75 / ≤ 1.5 kV
Approvals KEMA, VDE
Type of remote signalling contact changeover contact

A 942117 termék hozzá lett adva a jegyzettömbhöz.

A 942117 terméket hozzáadtuk a kosárhoz.

Webshop indítása

DEHNguard MP WE 600 FM

Modular three-pole surge arrester for use in wind turbines with a rated varistor voltage Umov = 750 V AC; FM version with floating remote signalling contact.

1 Termék

Cikkszám 942307 DG MP WE 600 FM

GTIN 4013364495302, Vámtarifa szám (EU): 85363030, Bruttó súly: 384.26 g, PU: 1.00 pc(s)


Képek

További információ

DEHNguard MP WE 600 FM surge arrester
3-pole, modular, pluggable
surge arrester with
double push-in connection clamp suitable for
stub wiring and feed-through wiring
for wind turbines for use in
400/690 V TN-C systems, width: 3 modules
with remote signalling contact
Consideration of short-term voltage fluctuations
resulting from increased rated varistor voltage Umov
Arrester type 2 + type 3 according to EN 61643-11
Fault indication
Max. continuous operating voltage: 600 V AC
Varistor rated voltage 750 V AC
Voltage protection level: <= 3 kV
Nominal discharge current: 15 kA
Short-circuit withstand capability 25 kArms
Energy coordination according to DIN EN 62305-4
Arrester of the Red/Line series

Brand: DEHN
Type: DG MP WE 600 FM
Part No.: 942307
or equivalent.

Tanúsítványok

 

Műszaki adatok

SPD according to EN 61643-11 / IEC 61643-11 Type 2 + Type 3 / class II + class III
Max. continuous operating voltage (a.c.) (UC ) 600 V (50 / 60 Hz)
Rated varistor voltage (Umov ) 750 V
Nominal discharge current (8/20 µs) (In ) 15 kA
Max. discharge current (8/20 µs) (Imax ) 25 kA
Voltage protection level (UP ) ≤ 3 kV
Approvals KEMA, VDE
Type of remote signalling contact changeover contact

A 942307 termék hozzá lett adva a jegyzettömbhöz.

A 942307 terméket hozzáadtuk a kosárhoz.

Webshop indítása

DEHNguard M TNC ...

Modular surge arrester for use in TN-C systems (3+0 configuration).

4 Termékek

Cikkszám 952313 DG M TNC 150

GTIN 4013364123939, Vámtarifa szám (EU): 85363030, Bruttó súly: 319.70 g, PU: 1.00 pc(s)


Képek

További információ

DEHNguard M TNC 150 surge arrester
Modular and pluggable three-pole surge arrester
for TN-C systems, width: 3 modules
Type 2 SPD according to EN 61643-11
Fault indication
Max. continuous operating voltage: 150 V a.c.
Voltage protection level: <= 0.7 kV
Nominal discharge current: 15 kA
Short circuit strength: 50 kArms
Energy-coordinated according to IEC 62305-4
with arresters of the Red/Line series

Brand: DEHN
Type: DG M TNC 150
Part No.: 952313
or equivalent.

Tanúsítványok

 

Műszaki adatok

SPD according to EN 61643-11 / IEC 61643-11 type 2 / class II
Max. continuous operating voltage (a.c.) (UC ) 150 V (50 / 60 Hz)
Nominal discharge current (8/20 µs) (In ) 15 kA
Max. discharge current (8/20 µs) (Imax ) 40 kA
Voltage protection level (UP ) ≤ 0.7 kV
Max. mains-side overcurrent protection 125 A gG
Approvals KEMA, UL

A 952313 termék hozzá lett adva a jegyzettömbhöz.

A 952313 terméket hozzáadtuk a kosárhoz.

Webshop indítása

Cikkszám 952300 DG M TNC 275

GTIN 4013364108431, Vámtarifa szám (EU): 85363030, Bruttó súly: 355.40 g, PU: 1.00 pc(s)

Kifutott termék:

Képek

További információ

DEHNguard M TNC 275 surge arrester
Modular and pluggable three-pole surge arrester
for TN-C systems, width: 3 modules
Type 2 SPD according to EN 61643-11
Fault indication
Max. continuous operating voltage: 275 V a.c.
Voltage protection level: <= 1.5 kV
Nominal discharge current: 20 kA
Short circuit strength: 50 kArms
Energy-coordinated according to IEC 62305-4
with arresters of the Red/Line series

Brand: DEHN
Type: DG M TNC 275
Part No.: 952300
or equivalent.

Tanúsítványok

 

Műszaki adatok

SPD according to EN 61643-11 / IEC 61643-11 type 2 / class II
Max. continuous operating voltage (a.c.) (UC ) 275 V (50 / 60 Hz)
Nominal discharge current (8/20 µs) (In ) 20 kA
Max. discharge current (8/20 µs) (Imax ) 40 kA
Voltage protection level (UP ) ≤ 1.5 kV
Max. mains-side overcurrent protection 125 A gG
Approvals KEMA, VDE, UL

A 952300 termék hozzá lett adva a jegyzettömbhöz.

A 952300 terméket hozzáadtuk a kosárhoz.

Webshop indítása

Cikkszám 952314 DG M TNC 385

GTIN 4013364124028, Vámtarifa szám (EU): 85363030, Bruttó súly: 362.50 g, PU: 1.00 pc(s)

Kifutott termék:

Képek

További információ

DEHNguard M TNC 385 surge arrester
Modular and pluggable three-pole surge arrester
for TN-C systems, width: 3 modules
Type 2 SPD according to EN 61643-11
Fault indication
Max. continuous operating voltage: 385 V a.c.
Voltage protection level: <= 1.75 kV
Nominal discharge current: 20 kA
Short circuit strength: 25 kArms
Energy-coordinated according to IEC 62305-4
with arresters of the Red/Line series

Brand: DEHN
Type: DG M TNC 385
Part No.: 952314
or equivalent.

Tanúsítványok

 

Műszaki adatok

SPD according to EN 61643-11 / IEC 61643-11 type 2 / class II
Max. continuous operating voltage (a.c.) (UC ) 385 V (50 / 60 Hz)
Nominal discharge current (8/20 µs) (In ) 20 kA
Max. discharge current (8/20 µs) (Imax ) 40 kA
Voltage protection level (UP ) ≤ 1.75 kV
Max. mains-side overcurrent protection 125 A gG
Approvals KEMA, UL

A 952314 termék hozzá lett adva a jegyzettömbhöz.

A 952314 terméket hozzáadtuk a kosárhoz.

Webshop indítása

Cikkszám 952303 DG M TNC 440

GTIN 4013364120709, Vámtarifa szám (EU): 85363030, Bruttó súly: 376.30 g, PU: 1.00 pc(s)


Képek

További információ

DEHNguard M TNC 440 surge arrester
Modular and pluggable three-pole surge arrester
for 400/690 V TN-C systems, width: 3 modules
Type 2 SPD according to EN 61643-11
Fault indication
Max. continuous operating voltage: 440 V a.c.
Voltage protection level: <= 2 kV
Nominal discharge current: 20 kA
Short circuit strength: 25 kArms
Energy-coordinated according to IEC 62305-4
with arresters of the Red/Line series

Brand: DEHN
Type: DG M TNC 440
Part No.: 952303
or equivalent.

Tanúsítványok

 

Műszaki adatok

SPD according to EN 61643-11 / IEC 61643-11 type 2 / class II
Max. continuous operating voltage (a.c.) (UC ) 440 V (50 / 60 Hz)
Nominal discharge current (8/20 µs) (In ) 20 kA
Max. discharge current (8/20 µs) (Imax ) 40 kA
Voltage protection level (UP ) ≤ 2 kV
Max. mains-side overcurrent protection 125 A gG
Approvals KEMA, UL

A 952303 termék hozzá lett adva a jegyzettömbhöz.

A 952303 terméket hozzáadtuk a kosárhoz.

Webshop indítása

DEHNguard M TNC ... FM

Modular surge arrester for use in TN-C systems (3+0 configuration); with floating changeover contact.

4 Termékek

Cikkszám 952318 DG M TNC 150 FM

GTIN 4013364124011, Vámtarifa szám (EU): 85363030, Bruttó súly: 326.80 g, PU: 1.00 pc(s)


Képek

További információ

DEHNguard M TNC 150 FM surge arrester
Modular and pluggable three-pole surge arrester
for TN-C systems, width: 3 modules
With remote signalling contact
Type 2 SPD according to EN 61643-11
Fault indication
Max. continuous operating voltage: 150 V a.c.
Voltage protection level: <= 0.7 kV
Nominal discharge current: 15 kA
Short circuit strength: 50 kArms
Energy-coordinated according to IEC 62305-4
with arresters of the Red/Line series

Brand: DEHN
Type: DG M TNC 150 FM
Part No.: 952318
or equivalent.

Tanúsítványok

 

Műszaki adatok

SPD according to EN 61643-11 / IEC 61643-11 type 2 / class II
Max. continuous operating voltage (a.c.) (UC ) 150 V (50 / 60 Hz)
Nominal discharge current (8/20 µs) (In ) 15 kA
Max. discharge current (8/20 µs) (Imax ) 40 kA
Voltage protection level (UP ) ≤ 0.7 kV
Max. mains-side overcurrent protection 125 A gG
Approvals KEMA, UL
Type of remote signalling contact changeover contact

A 952318 termék hozzá lett adva a jegyzettömbhöz.

A 952318 terméket hozzáadtuk a kosárhoz.

Webshop indítása

Cikkszám 952305 DG M TNC 275 FM

GTIN 4013364108448, Vámtarifa szám (EU): 85363030, Bruttó súly: 348.80 g, PU: 1.00 pc(s)

Kifutott termék:

Képek

További információ

DEHNguard M TNC 275 FM surge arrester
Modular and pluggable three-pole surge arrester
for 230/400 V TN-C systems, width: 3 modules
With remote signalling contact
Type 2 SPD according to EN 61643-11
Fault indication
Max. continuous operating voltage: 275 V a.c.
Voltage protection level: <= 1.5 kV
Nominal discharge current: 20 kA
Short circuit strength: 50 kArms
Energy-coordinated according to IEC 62305-4
with arresters of the Red/Line series

Brand: DEHN
Type: DG M TNC 275 FM
Part No.: 952305
or equivalent.

Tanúsítványok

 

Műszaki adatok

SPD according to EN 61643-11 / IEC 61643-11 type 2 / class II
Max. continuous operating voltage (a.c.) (UC ) 275 V (50 / 60 Hz)
Nominal discharge current (8/20 µs) (In ) 20 kA
Max. discharge current (8/20 µs) (Imax ) 40 kA
Voltage protection level (UP ) ≤ 1.5 kV
Max. mains-side overcurrent protection 125 A gG
Approvals KEMA, VDE, UL
Type of remote signalling contact changeover contact

A 952305 termék hozzá lett adva a jegyzettömbhöz.

A 952305 terméket hozzáadtuk a kosárhoz.

Webshop indítása

Cikkszám 952319 DG M TNC 385 FM

GTIN 4013364124035, Vámtarifa szám (EU): 85363030, Bruttó súly: 370.70 g, PU: 1.00 pc(s)

Kifutott termék:

Képek

További információ

DEHNguard M TNC 385 FM surge arrester
Modular and pluggable three-pole surge arrester
for TN-C systems, width: 3 modules
With remote signalling contact
Type 2 SPD according to EN 61643-11
Fault indication
Max. continuous operating voltage: 385 V a.c.
Voltage protection level: <= 1.75 kV
Nominal discharge current: 20 kA
Short circuit strength: 25 kArms
Energy-coordinated according to IEC 62305-4
with arresters of the Red/Line series

Brand: DEHN
Type: DG M TNC 385 FM
Part No.: 952319
or equivalent.

Tanúsítványok

 

Műszaki adatok

SPD according to EN 61643-11 / IEC 61643-11 type 2 / class II
Max. continuous operating voltage (a.c.) (UC ) 385 V (50 / 60 Hz)
Nominal discharge current (8/20 µs) (In ) 20 kA
Max. discharge current (8/20 µs) (Imax ) 40 kA
Voltage protection level (UP ) ≤ 1.75 kV
Max. mains-side overcurrent protection 125 A gG
Approvals KEMA, UL
Type of remote signalling contact changeover contact

A 952319 termék hozzá lett adva a jegyzettömbhöz.

A 952319 terméket hozzáadtuk a kosárhoz.

Webshop indítása

Cikkszám 952308 DG M TNC 440 FM

GTIN 4013364120716, Vámtarifa szám (EU): 85363030, Bruttó súly: 383.20 g, PU: 1.00 pc(s)


Képek

További információ

DEHNguard M TNC 440 FM surge arrester
Modular and pluggable three-pole surge arrester
for 400/690 V TN-C systems, width: 3 modules
With remote signalling contact
Type 2 SPD according to EN 61643-11
Fault indication
Max. continuous operating voltage: 440 V a.c.
Voltage protection level: <= 2 kV
Nominal discharge current: 20 kA
Short circuit strength: 25 kArms
Energy-coordinated according to IEC 62305-4
with arresters of the Red/Line series

Brand: DEHN
Type: DG M TNC 440 FM
Part No.: 952308
or equivalent.

Tanúsítványok

 

Műszaki adatok

SPD according to EN 61643-11 / IEC 61643-11 type 2 / class II
Max. continuous operating voltage (a.c.) (UC ) 440 V (50 / 60 Hz)
Nominal discharge current (8/20 µs) (In ) 20 kA
Max. discharge current (8/20 µs) (Imax ) 40 kA
Voltage protection level (UP ) ≤ 2 kV
Max. mains-side overcurrent protection 125 A gG
Approvals KEMA, UL
Type of remote signalling contact changeover contact

A 952308 termék hozzá lett adva a jegyzettömbhöz.

A 952308 terméket hozzáadtuk a kosárhoz.

Webshop indítása

DEHNguard M TNS ...

Modular surge arrester for use in TN-S systems (4+0 configuration).

3 Termékek

Cikkszám 952403 DG M TNS 150

GTIN 4013364128569, Vámtarifa szám (EU): 85363030, Bruttó súly: 443.20 g, PU: 1.00 pc(s)


Képek

További információ

DEHNguard M TNS 150 surge arrester
Modular and pluggable four-pole surge arrester
for TN-S systems, width: 4 modules
Type 2 SPD according to EN 61643-11
Fault indication
Max. continuous operating voltage: 150 V a.c.
Voltage protection level: <= 0.7 kV
Nominal discharge current: 15 kA
Short circuit strength: 50 kArms
Energy-coordinated according to IEC 62305-4
with arresters of the Red/Line series

Brand: DEHN
Type: DG M TNS 150
Part No.: 952403
or equivalent.

Tanúsítványok

 

Műszaki adatok

SPD according to EN 61643-11 / IEC 61643-11 type 2 / class II
Max. continuous operating voltage (a.c.) (UC ) 150 V (50 / 60 Hz)
Nominal discharge current (8/20 µs) (In ) 15 kA
Max. discharge current (8/20 µs) (Imax ) 40 kA
Voltage protection level [L-PE]/[N-PE] (UP ) ≤ 0.7 / ≤ 0.7 kV
Max. mains-side overcurrent protection 125 A gG
Approvals KEMA, UL

A 952403 termék hozzá lett adva a jegyzettömbhöz.

A 952403 terméket hozzáadtuk a kosárhoz.

Webshop indítása

Cikkszám 952400 DG M TNS 275

GTIN 4013364108455, Vámtarifa szám (EU): 85363030, Bruttó súly: 444.00 g, PU: 1.00 pc(s)

Kifutott termék:

Képek

További információ

DEHNguard M TNS 275 surge arrester
Modular and pluggable four-pole surge arrester
for 230/400 V TN-S systems, width: 4 modules
Type 2 SPD according to EN 61643-11
Fault indication
Max. continuous operating voltage: 275 V a.c.
Voltage protection level: <= 1.5 kV
Nominal discharge current: 20 kA
Short circuit strength: 50 kArms
Energy-coordinated according to IEC 62305-4
with arresters of the Red/Line series

Brand: DEHN
Type: DG M TNS 275
Part No.: 952400
or equivalent.

Tanúsítványok

 

Műszaki adatok

SPD according to EN 61643-11 / IEC 61643-11 type 2 / class II
Max. continuous operating voltage (a.c.) (UC ) 275 V (50 / 60 Hz)
Nominal discharge current (8/20 µs) (In ) 20 kA
Max. discharge current (8/20 µs) (Imax ) 40 kA
Voltage protection level [L-PE]/[N-PE] (UP ) ≤ 1.5 / ≤ 1.5 kV
Max. mains-side overcurrent protection 125 A gG
Approvals KEMA, VDE, UL

A 952400 termék hozzá lett adva a jegyzettömbhöz.

A 952400 terméket hozzáadtuk a kosárhoz.

Webshop indítása

Cikkszám 952404 DG M TNS 385

GTIN 4013364128545, Vámtarifa szám (EU): 85363030, Bruttó súly: 499.50 g, PU: 1.00 pc(s)

Kifutott termék:

Képek

További információ

DEHNguard M TNS 385 surge arrester
Modular and pluggable four-pole surge arrester
for TN-S systems, width: 4 modules
Type 2 SPD according to EN 61643-11
Fault indication
Max. continuous operating voltage: 385 V a.c.
Voltage protection level: <= 1.75 kV
Nominal discharge current: 20 kA
Short circuit strength: 25 kArms
Energy-coordinated according to IEC 62305-4
with arresters of the Red/Line series

Brand: DEHN
Type: DG M TNS 385
Part No.: 952404
or equivalent.

Tanúsítványok

 

Műszaki adatok

SPD according to EN 61643-11 / IEC 61643-11 type 2 / class II
Max. continuous operating voltage (a.c.) (UC ) 385 V (50 / 60 Hz)
Nominal discharge current (8/20 µs) (In ) 20 kA
Max. discharge current (8/20 µs) (Imax ) 40 kA
Voltage protection level [L-PE]/[N-PE] (UP ) ≤ 1.75 / ≤ 1.75 kV
Max. mains-side overcurrent protection 125 A gG
Approvals KEMA, UL

A 952404 termék hozzá lett adva a jegyzettömbhöz.

A 952404 terméket hozzáadtuk a kosárhoz.

Webshop indítása

DEHNguard M TNS ... FM

Modular surge arrester for use in TN-S systems (4+0 configuration); with floating changeover contact.

3 Termékek

Cikkszám 952408 DG M TNS 150 FM

GTIN 4013364128576, Vámtarifa szám (EU): 85363030, Bruttó súly: 451.60 g, PU: 1.00 pc(s)


Képek

További információ

DEHNguard M TNS 150 FM surge arrester
Modular and pluggable four-pole surge arrester
for TN-S systems, width: 4 modules
With remote signalling contact
Type 2 SPD according to EN 61643-11
Fault indication
Max. continuous operating voltage: 150 V a.c.
Voltage protection level: <= 0.7 kV
Nominal discharge current: 15 kA
Short circuit strength: 50 kArms
Energy-coordinated according to IEC 62305-4
with arresters of the Red/Line series

Brand: DEHN
Type: DG M TNS 150 FM
Part No.: 952408
or equivalent.

Tanúsítványok

 

Műszaki adatok

SPD according to EN 61643-11 / IEC 61643-11 type 2 / class II
Max. continuous operating voltage (a.c.) (UC ) 150 V (50 / 60 Hz)
Nominal discharge current (8/20 µs) (In ) 15 kA
Max. discharge current (8/20 µs) (Imax ) 40 kA
Voltage protection level [L-PE]/[N-PE] (UP ) ≤ 0.7 / ≤ 0.7 kV
Max. mains-side overcurrent protection 125 A gG
Approvals KEMA, UL
Type of remote signalling contact changeover contact

A 952408 termék hozzá lett adva a jegyzettömbhöz.

A 952408 terméket hozzáadtuk a kosárhoz.

Webshop indítása

Cikkszám 952405 DG M TNS 275 FM

GTIN 4013364108462, Vámtarifa szám (EU): 85363030, Bruttó súly: 479.00 g, PU: 1.00 pc(s)

Kifutott termék:

Képek

További információ

DEHNguard M TNS 275 FM surge arrester
Modular and pluggable four-pole surge arrester
for 230/400 V TN-S systems, width: 4 modules
With remote signalling contact
Type 2 SPD according to EN 61643-11
Fault indication
Max. continuous operating voltage: 275 V a.c.
Voltage protection level: <= 1.5 kV
Nominal discharge current: 20 kA
Short circuit strength: 50 kArms
Energy-coordinated according to IEC 62305-4
with arresters of the Red/Line series

Brand: DEHN
Type: DG M TNS 275 FM
Part No.: 952405
or equivalent.

Tanúsítványok

 

Műszaki adatok

SPD according to EN 61643-11 / IEC 61643-11 type 2 / class II
Max. continuous operating voltage (a.c.) (UC ) 275 V (50 / 60 Hz)
Nominal discharge current (8/20 µs) (In ) 20 kA
Max. discharge current (8/20 µs) (Imax ) 40 kA
Voltage protection level [L-PE]/[N-PE] (UP ) ≤ 1.5 / ≤ 1.5 kV
Max. mains-side overcurrent protection 125 A gG
Approvals KEMA, VDE, UL
Type of remote signalling contact changeover contact

A 952405 termék hozzá lett adva a jegyzettömbhöz.

A 952405 terméket hozzáadtuk a kosárhoz.

Webshop indítása

Cikkszám 952409 DG M TNS 385 FM

GTIN 4013364128552, Vámtarifa szám (EU): 85363030, Bruttó súly: 508.40 g, PU: 1.00 pc(s)

Kifutott termék:

Képek

További információ

DEHNguard M TNS 385 FM surge arrester
Modular and pluggable four-pole surge arrester
for TN-S systems, width: 4 modules
With remote signalling contact
Type 2 SPD according to EN 61643-11
Fault indication
Max. continuous operating voltage: 385 V a.c.
Voltage protection level: <= 1.75 kV
Nominal discharge current: 20 kA
Short circuit strength: 25 kArms
Energy-coordinated according to IEC 62305-4
with arresters of the Red/Line series

Brand: DEHN
Type: DG M TNS 385 FM
Part No.: 952409
or equivalent.

Tanúsítványok

 

Műszaki adatok

SPD according to EN 61643-11 / IEC 61643-11 type 2 / class II
Max. continuous operating voltage (a.c.) (UC ) 385 V (50 / 60 Hz)
Nominal discharge current (8/20 µs) (In ) 20 kA
Max. discharge current (8/20 µs) (Imax ) 40 kA
Voltage protection level [L-PE]/[N-PE] (UP ) ≤ 1.75 / ≤ 1.75 kV
Max. mains-side overcurrent protection 125 A gG
Approvals KEMA, UL
Type of remote signalling contact changeover contact

A 952409 termék hozzá lett adva a jegyzettömbhöz.

A 952409 terméket hozzáadtuk a kosárhoz.

Webshop indítása

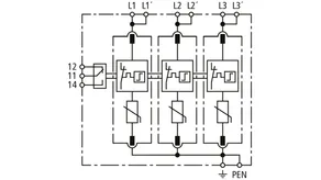
DEHNguard M TT ...

Modular surge arrester for use in TT and TN-S systems (3+1 configuration).

4 Termékek

Cikkszám 952323 DG M TT 150

GTIN 4013364133235, Vámtarifa szám (EU): 85363030, Bruttó súly: 406.90 g, PU: 1.00 pc(s)


Képek

További információ

DEHNguard M TT 150 surge arrester
Modular and pluggable four-pole surge arrester
for TT and TN-S systems, width: 4 modules
Type 2 SPD according to EN 61643-11
Fault indication
Max. continuous operating voltage: 150 V a.c.
Voltage protection level: <= 0.7 kV
Nominal discharge current: 15 kA
Short circuit strength: 50 kArms
Energy-coordinated according to IEC 62305-4
with arresters of the Red/Line series

Brand: DEHN
Type: DG M TT 150
Part No.: 952323
or equivalent.

Tanúsítványok

 

Műszaki adatok

SPD according to EN 61643-11 / IEC 61643-11 type 2 / class II
Max. continuous operating voltage (a.c.) [L-N] (UC ) 150 V (50 / 60 Hz)
Nominal discharge current (8/20 µs) (In ) 15 kA
Max. discharge current (8/20 µs) (Imax ) 40 kA
Voltage protection level [L-N]/[N-PE] (UP ) ≤ 0.7 / ≤ 1.5 kV
Max. mains-side overcurrent protection 125 A gG

A 952323 termék hozzá lett adva a jegyzettömbhöz.

A 952323 terméket hozzáadtuk a kosárhoz.

Webshop indítása

Cikkszám 952310 DG M TT 275

GTIN 4013364108479, Vámtarifa szám (EU): 85363030, Bruttó súly: 435.03 g, PU: 1.00 pc(s)

Kifutott termék:

Képek

További információ

DEHNguard M TT 275 surge arrester
Modular and pluggable four-pole surge arrester
for 230/400 V TT and TN-S systems, width: 4 modules
Type 2 SPD according to EN 61643-11
Fault indication
Max. continuous operating voltage: 275 V a.c.
Voltage protection level: <= 1.25 kV
Nominal discharge current: 20 kA
Short circuit strength: 50 kArms
Energy-coordinated according to IEC 62305-4
with arresters of the Red/Line series

Brand: DEHN
Type: DG M TT 275
Part No.: 952310
or equivalent.

Tanúsítványok

 

Műszaki adatok

SPD according to EN 61643-11 / IEC 61643-11 type 2 / class II
Max. continuous operating voltage (a.c.) [L-N] (UC ) 275 V (50 / 60 Hz)
Nominal discharge current (8/20 µs) (In ) 20 kA
Max. discharge current (8/20 µs) (Imax ) 40 kA
Voltage protection level [L-N]/[N-PE] (UP ) ≤ 1.5 / ≤ 1.5 kV
Max. mains-side overcurrent protection 125 A gG
Approvals KEMA, VDE, UL

A 952310 termék hozzá lett adva a jegyzettömbhöz.

A 952310 terméket hozzáadtuk a kosárhoz.

Webshop indítása

Cikkszám 952320 DG M TT 320

GTIN 4013364126794, Vámtarifa szám (EU): 85363030, Bruttó súly: 442.08 g, PU: 1.00 pc(s)

Kifutott termék:

Képek

További információ

DEHNguard M TT 320 surge arrester
Modular and pluggable four-pole surge arrester
for TT and TN-S systems, width: 4 modules
Fault indication
Max. continuous operating voltage: 320 V a.c.
Voltage protection level: <= 1.5 kV
Nominal discharge current: 20 kA
Short circuit strength: 25 kArms
Energy-coordinated according to IEC 62305-4
with arresters of the Red/Line series

Brand: DEHN
Type: DG M TT 320
Part No.: 952320
or equivalent.

Tanúsítványok

 

Műszaki adatok

SPD according to EN 61643-11 / IEC 61643-11 type 2 / class II
Max. continuous operating voltage (a.c.) [L-N] (UC ) 320 V (50 / 60 Hz)
Nominal discharge current (8/20 µs) (In ) 20 kA
Max. discharge current (8/20 µs) (Imax ) 40 kA
Voltage protection level [L-N]/[N-PE] (UP ) ≤ 1.5 / ≤ 1.5 kV
Max. mains-side overcurrent protection 125 A gG
Approvals KEMA

A 952320 termék hozzá lett adva a jegyzettömbhöz.

A 952320 terméket hozzáadtuk a kosárhoz.

Webshop indítása

Cikkszám 952311 DG M TT 385

GTIN 4013364119390, Vámtarifa szám (EU): 85363030, Bruttó súly: 458.20 g, PU: 1.00 pc(s)

Kifutott termék:

Képek

További információ

DEHNguard M TT 385 surge arrester
Modular and pluggable four-pole surge arrester
for TT and TN-S systems, width: 4 modules
Fault indication
Type 2 SPD according to EN 61643-11
Max. continuous operating voltage: 385 V a.c.
Voltage protection level: <= 1.75 kV
Nominal discharge current: 20 kA
Short circuit strength: 25 kArms
Energy-coordinated according to IEC 62305-4
with arresters of the Red/Line series

Brand: DEHN
Type: DG M TT 385
Part No.: 952311
or equivalent.

Tanúsítványok

 

Műszaki adatok

SPD according to EN 61643-11 / IEC 61643-11 type 2 / class II
Max. continuous operating voltage (a.c.) [L-N] (UC ) 385 V (50 / 60 Hz)
Nominal discharge current (8/20 µs) (In ) 20 kA
Max. discharge current (8/20 µs) (Imax ) 40 kA
Voltage protection level [L-N]/[N-PE] (UP ) ≤ 1.75 / ≤ 1.5 kV
Max. mains-side overcurrent protection 125 A gG
Approvals KEMA, UL

A 952311 termék hozzá lett adva a jegyzettömbhöz.

A 952311 terméket hozzáadtuk a kosárhoz.

Webshop indítása

DEHNguard M TT ... FM

Modular surge arrester for use in TT and TN-S systems (3+1 configuration); with floating remote signalling contact.

5 Termékek

Cikkszám 952328 DG M TT 150 FM

GTIN 4013364133242, Vámtarifa szám (EU): 85363030, Bruttó súly: 416.40 g, PU: 1.00 pc(s)


Képek

További információ

DEHNguard M TT 150 FM surge arrester
Modular and pluggable four-pole surge arrester
for TT and TN-S systems, width: 4 modules
With remote signalling contact
Type 2 SPD according to EN 61643-11
Fault indication
Max. continuous operating voltage: 150 V a.c.
Voltage protection level: <= 0.7 kV
Nominal discharge current: 15 kA
Short circuit strength: 50 kArms
Energy-coordinated according to IEC 62305-4
with arresters of the Red/Line series

Brand: DEHN
Type: DG M TT 150 FM
Part No.: 952328
or equivalent.

Tanúsítványok

 

Műszaki adatok

SPD according to EN 61643-11 / IEC 61643-11 type 2 / class II
Max. continuous operating voltage (a.c.) [L-N] (UC ) 150 V (50 / 60 Hz)
Nominal discharge current (8/20 µs) (In ) 15 kA
Max. discharge current (8/20 µs) (Imax ) 40 kA
Voltage protection level [L-N]/[N-PE] (UP ) ≤ 0.7 / ≤ 1.5 kV
Max. mains-side overcurrent protection 125 A gG
Approvals UL
Type of remote signalling contact changeover contact

A 952328 termék hozzá lett adva a jegyzettömbhöz.

A 952328 terméket hozzáadtuk a kosárhoz.

Webshop indítása

Cikkszám 952315 DG M TT 275 FM

GTIN 4013364108486, Vámtarifa szám (EU): 85363030, Bruttó súly: 441.30 g, PU: 1.00 pc(s)

Kifutott termék:

Képek

További információ

DEHNguard M TT 275 FM surge arrester
Modular and pluggable four-pole surge arrester
for 230/400 V TT and TN-S systems, width: 4 modules
With remote signalling contact
Type 2 SPD according to EN 61643-11
Fault indication
Max. continuous operating voltage: 275 V a.c.
Voltage protection level: <= 1.5 kV
Nominal discharge current: 20 kA
Short circuit strength: 50 kArms
Energy-coordinated according to IEC 62305-4
with arresters of the Red/Line series

Brand: DEHN
Type: DG M TT 275 FM
Part No.: 952315
or equivalent.

Tanúsítványok

 

Műszaki adatok

SPD according to EN 61643-11 / IEC 61643-11 type 2 / class II
Max. continuous operating voltage (a.c.) [L-N] (UC ) 275 V (50 / 60 Hz)
Nominal discharge current (8/20 µs) (In ) 20 kA
Max. discharge current (8/20 µs) (Imax ) 40 kA
Voltage protection level [L-N]/[N-PE] (UP ) ≤ 1.5 / ≤ 1.5 kV
Max. mains-side overcurrent protection 125 A gG
Approvals KEMA, VDE, UL
Type of remote signalling contact changeover contact

A 952315 termék hozzá lett adva a jegyzettömbhöz.

A 952315 terméket hozzáadtuk a kosárhoz.

Webshop indítása

Cikkszám 952325 DG M TT 320 FM

GTIN 4013364126800, Vámtarifa szám (EU): 85363030, Bruttó súly: 450.80 g, PU: 1.00 pc(s)

Kifutott termék:

Képek

További információ

DEHNguard M TT 320 FM surge arrester
Modular and pluggable four-pole surge arrester
for TT and TN-S systems, width: 4 modules
With remote signalling contact
Type 2 SPD according to EN 61643-11
Fault indication
Max. continuous operating voltage: 320 V a.c.
Voltage protection level: <= 1.5 kV
Nominal discharge current: 20 kA
Short circuit strength: 25 kArms
Energy-coordinated according to IEC 62305-4
with arresters of the Red/Line series

Brand: DEHN
Type: DG M TT 320 FM
Part No.: 952325
or equivalent.

Tanúsítványok

 

Műszaki adatok

SPD according to EN 61643-11 / IEC 61643-11 type 2 / class II
Max. continuous operating voltage (a.c.) [L-N] (UC ) 320 V (50 / 60 Hz)
Nominal discharge current (8/20 µs) (In ) 20 kA
Max. discharge current (8/20 µs) (Imax ) 40 kA
Voltage protection level [L-N]/[N-PE] (UP ) ≤ 1.5 / ≤ 1.5 kV
Max. mains-side overcurrent protection 125 A gG
Approvals KEMA
Type of remote signalling contact changeover contact

A 952325 termék hozzá lett adva a jegyzettömbhöz.

A 952325 terméket hozzáadtuk a kosárhoz.

Webshop indítása

Cikkszám 952316 DG M TT 385 FM

GTIN 4013364119406, Vámtarifa szám (EU): 85363030, Bruttó súly: 462.10 g, PU: 1.00 pc(s)

Kifutott termék:

Képek

További információ

DEHNguard M TT 385 FM surge arrester
Modular and pluggable four-pole surge arrester
for TT and TN-S systems, width: 4 modules
With remote signalling contact
Type 2 SPD according to EN 61643-11
Fault indication
Max. continuous operating voltage: 385 V a.c.
Voltage protection level: <= 1.75 kV
Nominal discharge current: 20 kA
Short circuit strength: 25 kArms
Energy-coordinated according to IEC 62305-4
with arresters of the Red/Line series

Brand: DEHN
Type: DG M TT 385 FM
Part No.: 952316
or equivalent.

Tanúsítványok

 

Műszaki adatok

SPD according to EN 61643-11 / IEC 61643-11 type 2 / class II
Max. continuous operating voltage (a.c.) [L-N] (UC ) 385 V (50 / 60 Hz)
Nominal discharge current (8/20 µs) (In ) 20 kA
Max. discharge current (8/20 µs) (Imax ) 40 kA
Voltage protection level [L-N]/[N-PE] (UP ) ≤ 1.75 / ≤ 1.5 kV
Max. mains-side overcurrent protection 125 A gG
Approvals KEMA, UL
Type of remote signalling contact changeover contact

A 952316 termék hozzá lett adva a jegyzettömbhöz.

A 952316 terméket hozzáadtuk a kosárhoz.

Webshop indítása

Cikkszám 952332 DG M TT 385/305 FM

GTIN 4013364469945, Vámtarifa szám (EU): 85363030, Bruttó súly: 464.30 g, PU: 1.00 pc(s)


Képek

További információ

DEHNguard M TT 385/305 FM surge arrester
4-pole, modular, pluggable surge arrester
for TT and TN-S systems, width: 4 modules
with remote signalling contact
Type 2 arrester as per EN 61643-11
Fault indication
Max. continuous operating voltage: 385 V AC
Voltage protection level: <= 1.75 kV
Nominal discharge current: 20 kA
Short-circuit withstand capability 25 kArms
Energy coordination according to DIN EN 62305-4
Arrester of the Red/Line series

Brand: DEHN
Type: DG M TT 385/305 FM
Part No.: 952332
or equivalent.

Tanúsítványok

 

Műszaki adatok

SPD according to EN 61643-11 / IEC 61643-11 type 2 / class II
Max. continuous operating voltage (a.c.) [L-N] (UC ) 385 V (50 / 60 Hz)
Nominal discharge current (8/20 µs) (In ) 20 kA
Max. discharge current (8/20 µs) (Imax ) 40 kA
Voltage protection level [L-N]/[N-PE] (UP ) ≤ 1.75 / ≤ 1.5 kV
Max. mains-side overcurrent protection 125 A gG
Approvals UL
Type of remote signalling contact changeover contact

A 952332 termék hozzá lett adva a jegyzettömbhöz.

A 952332 terméket hozzáadtuk a kosárhoz.

Webshop indítása

DEHNguard M H TT ... (FM)

Modular surge arrester with a high total discharge capacity in the N-PE path for TT and TN-S systems (3+1 configuration); meets increased safety requirements by higher discharge capability; with floating remote signalling contact.

2 Termékek

Cikkszám 952381 DG M H TT 275

GTIN 4013364318144, Vámtarifa szám (EU): 85363030, Bruttó súly: 435.03 g, PU: 1.00 pc(s)


Képek

További információ

DEHNguard M H TT 275 surge arrester
4-pole, modular surge arrester with an increased
discharge capacity for 230/400 V TT and TN-S systems
Width: 4 modules, Fault indication
SPD Type 2 according to EN 61643-11
Max. continuous voltage: 275 V ac
Voltage protection level: <= 1.5 kV
Nominal discharge current [L-N]: 20 kA
Nominal discharge current [N-PE]: 80 kA
Short circuit withstand capability: 50 kArms
Energy-coordinated according to
IEC 62305-4 with SPDs of the Red/Line family

Brand: DEHN
Type: DG M H TT 275
Part No.: 952381
or equivalent.

Tanúsítványok

 

Műszaki adatok

SPD according to EN 61643-11 / IEC 61643-11 type 2 / class II
Max. continuous operating voltage (a.c.) [L-N] (UC ) 275 V (50 / 60 Hz)
Nominal discharge current (8/20 µs) [L-N] (In ) 20 kA
Nominal discharge current (8/20 µs) [N-PE] (In ) 80 kA
Max. discharge current (8/20 µs) [L-N] (Imax ) 40 kA
Max. discharge current (8/20 µs) [N-PE] (Imax ) 120 kA
Voltage protection level [L-N]/[N-PE] (UP ) ≤ 1.5 / ≤ 1.5 kV
Max. mains-side overcurrent protection 125 A gG
Approvals KEMA

A 952381 termék hozzá lett adva a jegyzettömbhöz.

A 952381 terméket hozzáadtuk a kosárhoz.

Webshop indítása

Cikkszám 952385 DG M H TT 275 FM

GTIN 4013364318137, Vámtarifa szám (EU): 85363030, Bruttó súly: 441.30 g, PU: 1.00 pc(s)


Képek

További információ

DEHNguard M H TT 275 FM surge arrester
4-pole, modular surge arrester with an increased
discharge capacity for 230/400 V TT and TN-S systems,
Width: 4 modules, Fault indication
With remote signalling contact for control device
SPD Type 2 according to EN 61643-11
Max. continuous voltage: 275 V ac
Voltage protection level: <= 1.5 kV
Nominal discharge current [L-N]: 20 kA
Nominal discharge current [N-PE]: 80 kA
Short circuit withstand capability: 50 kArms
Energy-coordinated according to
IEC 62305-4 of the Red/Line family

Brand: DEHN
Type: DG M H TT 275 FM
Part No.: 952385
or equivalent.

Tanúsítványok

 

Műszaki adatok

SPD according to EN 61643-11 / IEC 61643-11 type 2 / class II
Max. continuous operating voltage (a.c.) [L-N] (UC ) 275 V (50 / 60 Hz)
Nominal discharge current (8/20 µs) [L-N] (In ) 20 kA
Nominal discharge current (8/20 µs) [N-PE] (In ) 80 kA
Max. discharge current (8/20 µs) [L-N] (Imax ) 40 kA
Max. discharge current (8/20 µs) [N-PE] (Imax ) 120 kA
Voltage protection level [L-N]/[N-PE] (UP ) ≤ 1.5 / ≤ 1.5 kV
Max. mains-side overcurrent protection 125 A gG
Approvals KEMA
Type of remote signalling contact changeover contact

A 952385 termék hozzá lett adva a jegyzettömbhöz.

A 952385 terméket hozzáadtuk a kosárhoz.

Webshop indítása

DEHNguard M TN ...

Modular surge arrester for use in single-phase TN systems (2+0 configuration).

2 Termékek

Cikkszám 952201 DG M TN 150

GTIN 4013364123915, Vámtarifa szám (EU): 85363030, Bruttó súly: 227.20 g, PU: 1.00 pc(s)


Képek

További információ

DEHNguard M TN 150 surge arrester
Modular and pluggable two-pole surge arrester
for single-phase TN-S systems, width: 2 modules
Type 2 SPD according to EN 61643-11
Fault indication
Max. continuous operating voltage: 150 V a.c.
Voltage protection level: <= 0.7 kV
Nominal discharge current: 15 kA
Short circuit strength: 50 kArms
Energy-coordinated according to IEC 62305-4
with arresters of the Red/Line series

Brand: DEHN
Type: DG M TN 150
Part No.: 952201
or equivalent.

Tanúsítványok

 

Műszaki adatok

SPD according to EN 61643-11 / IEC 61643-11 type 2 / class II
Max. continuous operating voltage (a.c.) (UC ) 150 V (50 / 60 Hz)
Nominal discharge current (8/20 µs) (In ) 15 kA
Max. discharge current (8/20 µs) (Imax ) 40 kA
Voltage protection level [L-PE]/[N-PE] (UP ) ≤ 0.7 / ≤ 0.7 kV
Max. mains-side overcurrent protection 125 A gG
Approvals KEMA, UL

A 952201 termék hozzá lett adva a jegyzettömbhöz.

A 952201 terméket hozzáadtuk a kosárhoz.

Webshop indítása

Cikkszám 952200 DG M TN 275

GTIN 4013364108394, Vámtarifa szám (EU): 85363030, Bruttó súly: 244.60 g, PU: 1.00 pc(s)

Kifutott termék:

Képek

További információ

DEHNguard M TN 275 surge arrester
Modular and pluggable two-pole surge arrester
for single-phase 230 V TN systems, width: 2 modules
Type 2 SPD according to EN 61643-11
Fault indication
Max. continuous operating voltage: 275 V a.c.
Voltage protection level: <= 1.5 kV
Nominal discharge current: 20 kA
Short circuit strength: 50 kArms
Energy-coordinated according to IEC 62305-4
with arresters of the Red/Line series

Brand: DEHN
Type: DG M TN 275
Part No.: 952200
or equivalent.

Tanúsítványok

 

Műszaki adatok

SPD according to EN 61643-11 / IEC 61643-11 type 2 / class II
Max. continuous operating voltage (a.c.) (UC ) 275 V (50 / 60 Hz)
Nominal discharge current (8/20 µs) (In ) 20 kA
Max. discharge current (8/20 µs) (Imax ) 40 kA
Voltage protection level [L-PE]/[N-PE] (UP ) ≤ 1.5 / ≤ 1.5 kV
Max. mains-side overcurrent protection 125 A gG
Approvals KEMA, VDE, UL, ATEX, IECEx

A 952200 termék hozzá lett adva a jegyzettömbhöz.

A 952200 terméket hozzáadtuk a kosárhoz.

Webshop indítása

DEHNguard M TN ... FM

Modular surge arrester for use in single-phase TN systems (2+0 configuration); with floating remote signalling contact.

2 Termékek

Cikkszám 952206 DG M TN 150 FM

GTIN 4013364123922, Vámtarifa szám (EU): 85363030, Bruttó súly: 233.10 g, PU: 1.00 pc(s)


Képek

További információ

DEHNguard M TN 150 FM surge arrester
Modular and pluggable two-pole surge arrester
for single-phase TN systems, width: 2 modules
With remote signalling contact
Type 2 SPD according to EN 61643-11
Fault indication
Max. continuous operating voltage: 150 V a.c.
Voltage protection level: <= 0.7 kV
Nominal discharge current: 15 kA
Short circuit strength: 50 kArms
Energy-coordinated according to IEC 62305-4
with arresters of the Red/Line series

Brand: DEHN
Type: DG M TN 150 FM
Part No.: 952206
or equivalent.

Tanúsítványok

 

Műszaki adatok

SPD according to EN 61643-11 / IEC 61643-11 type 2 / class II
Max. continuous operating voltage (a.c.) (UC ) 150 V (50 / 60 Hz)
Nominal discharge current (8/20 µs) (In ) 15 kA
Max. discharge current (8/20 µs) (Imax ) 40 kA
Voltage protection level [L-PE]/[N-PE] (UP ) ≤ 0.7 / ≤ 0.7 kV
Max. mains-side overcurrent protection 125 A gG
Approvals KEMA, UL
Type of remote signalling contact changeover contact

A 952206 termék hozzá lett adva a jegyzettömbhöz.

A 952206 terméket hozzáadtuk a kosárhoz.

Webshop indítása

Cikkszám 952205 DG M TN 275 FM

GTIN 4013364108400, Vámtarifa szám (EU): 85363030, Bruttó súly: 247.70 g, PU: 1.00 pc(s)

Kifutott termék:

Képek

További információ

DEHNguard M TN 275 FM surge arrester
Modular and pluggable two-pole surge arrester
for single-phase 230 V TN systems, width: 2 modules
With remote signalling contact
Type 2 SPD according to EN 61643-11
Fault indication
Max. continuous operating voltage: 275 V a.c.
Voltage protection level: <= 1.5 kV
Nominal discharge current: 20 kA
Short circuit strength: 50 kArms
Energy-coordinated according to IEC 62305-4
with arresters of the Red/Line series

Brand: DEHN
Type: DG M TN 275 FM
Part No.: 952205
or equivalent.

Tanúsítványok

 

Műszaki adatok

SPD according to EN 61643-11 / IEC 61643-11 type 2 / class II
Max. continuous operating voltage (a.c.) (UC ) 275 V (50 / 60 Hz)
Nominal discharge current (8/20 µs) (In ) 20 kA
Max. discharge current (8/20 µs) (Imax ) 40 kA
Voltage protection level [L-PE]/[N-PE] (UP ) ≤ 1.5 / ≤ 1.5 kV
Max. mains-side overcurrent protection 125 A gG
Approvals KEMA, VDE, UL, ATEX, IECEx
Type of remote signalling contact changeover contact

A 952205 termék hozzá lett adva a jegyzettömbhöz.

A 952205 terméket hozzáadtuk a kosárhoz.

Webshop indítása

DEHNguard M H TT 2P ... (FM)

Modular surge arrester with a high total discharge capacity in the N-PE path for TT and TN systems (1+1 configuration); meets increased safety requirements by higher discharge capability; with floating remote signalling contact.

2 Termékek

Cikkszám 952181 DG M H TT 2P 275

GTIN 4013364318175, Vámtarifa szám (EU): 85363030, Bruttó súly: 244.10 g, PU: 1.00 pc(s)


Képek

További információ

DEHNguard M H TT 2P 275 surge arrester
2-pole, modular surge arrester with an
increased discharge capacity
for single-phase 230 V TT and TN systems, 2 mods.
SPD Type 2 according to EN 61643-11
Fault indication
Max. continuous voltage: 275 V ac
Voltage protection level: <= 1.5 kV
Nominal discharge current [L-N]: 20 kA
Nominal discharge current [N-PE]: 80 kA
Short circuit withstand capability: 25 kArms
Energy-coordinated according to
IEC 62305-4 with SPDs of the Red/Line family

Brand: DEHN
Type: DG M H TT 2P 275
Part No.: 952181
or equivalent.

Tanúsítványok

 

Műszaki adatok

SPD according to EN 61643-11 / IEC 61643-11 type 2 / class II
Max. continuous operating voltage (a.c.) [L-N] (UC ) 275 V (50 / 60 Hz)
Nominal discharge current (8/20 µs) [L-N] (In ) 20 kA
Nominal discharge current (8/20 µs) [N-PE] (In ) 80 kA
Max. discharge current (8/20 µs) [L-N] (Imax ) 40 kA
Max. discharge current (8/20 µs) [N-PE] (Imax ) 120 kA
Voltage protection level [L-N]/[N-PE] (UP ) ≤ 1.5 / ≤ 1.5 kV
Max. mains-side overcurrent protection 125 A gG
Approvals KEMA

A 952181 termék hozzá lett adva a jegyzettömbhöz.

A 952181 terméket hozzáadtuk a kosárhoz.

Webshop indítása

Cikkszám 952185 DG M H TT 2P 275 FM

GTIN 4013364318151, Vámtarifa szám (EU): 85363030, Bruttó súly: 244.10 g, PU: 1.00 pc(s)


Képek

További információ

DEHNguard M H TT 2P 275 FM surge arrester
2-pole, modular surge arrester with an
increased discharge capacity
for single-phase 230 V TT and TN systems, 2 mods.
With remote signalling contact for control device
SPD Type 2 according to EN 61643-11
Fault indication
Max. continuous voltage: 275 V ac
Voltage protection level: <= 1.5 kV
Nominal discharge current [L-N]: 20 kA
Nominal discharge current [N-PE]: 80 kA
Short circuit withstand capability: 25 kArms
Energy-coordinated according to
IEC 62305-4 with SPDs of the Red/Line family

Brand: DEHN
Type: DG M H TT 2P 275 FM
Part No.: 952185
or equivalent.

Tanúsítványok

 

Műszaki adatok

SPD according to EN 61643-11 / IEC 61643-11 type 2 / class II
Max. continuous operating voltage (a.c.) [L-N] (UC ) 275 V (50 / 60 Hz)
Nominal discharge current (8/20 µs) [L-N] (In ) 20 kA
Nominal discharge current (8/20 µs) [N-PE] (In ) 80 kA
Max. discharge current (8/20 µs) [L-N] (Imax ) 40 kA
Max. discharge current (8/20 µs) [N-PE] (Imax ) 120 kA
Voltage protection level [L-N]/[N-PE] (UP ) ≤ 1.5 / ≤ 1.5 kV
Max. mains-side overcurrent protection 125 A gG
Approvals KEMA
Type of remote signalling contact changeover contact

A 952185 termék hozzá lett adva a jegyzettömbhöz.

A 952185 terméket hozzáadtuk a kosárhoz.

Webshop indítása

DEHNguard M TT 2P ...

Modular surge arrester for use in single-phase TT and TN systems (1+1 configuration).

3 Termékek

Cikkszám 952110 DG M TT 2P 275

GTIN 4013364108417, Vámtarifa szám (EU): 85363030, Bruttó súly: 258.00 g, PU: 1.00 pc(s)

Kifutott termék:

Képek

További információ

DEHNguard M TT 2P 275 surge arrester
Modular and pluggable two-pole surge arrester
for single-phase 230 V TT and TN systems, width: 2 modules
Type 2 SPD according to EN 61643-11
Fault indication
Max. continuous operating voltage: 275 V a.c.
Voltage protection level: <= 1.5 kV
Nominal discharge current: 20 kA
Short circuit strength: 50 kArms
Energy-coordinated according to IEC 62305-4
with arresters of the Red/Line series

Brand: DEHN
Type: DG M TT 2P 275
Part No.: 952110
or equivalent.

Tanúsítványok

 

Műszaki adatok

SPD according to EN 61643-11 / IEC 61643-11 type 2 / class II
Max. continuous operating voltage (a.c.) [L-N] (UC ) 275 V (50 / 60 Hz)
Nominal discharge current (8/20 µs) (In ) 20 kA
Max. discharge current (8/20 µs) (Imax ) 40 kA
Voltage protection level [L-N]/[N-PE] (UP ) ≤ 1.5 / ≤ 1.5 kV
Max. mains-side overcurrent protection 125 A gG
Approvals KEMA, VDE, UL, ATEX, IECEx

A 952110 termék hozzá lett adva a jegyzettömbhöz.

A 952110 terméket hozzáadtuk a kosárhoz.

Webshop indítása

Cikkszám 952130 DG M TT 2P 320

GTIN 4013364128521, Vámtarifa szám (EU): 85363030, Bruttó súly: 263.20 g, PU: 1.00 pc(s)


Képek

További információ

DEHNguard M TT 2P 320 surge arrester
Modular and pluggable two-pole surge arrester
for single-phase 230 V TT and TN systems, width: 2 modules
Type 2 SPD according to EN 61643-11
Fault indication
Max. continuous operating voltage: 320 V a.c.
Voltage protection level: <= 1.5 kV
Nominal discharge current: 20 kA
Short circuit strength: 25 kArms
Energy-coordinated according to IEC 62305-4
with arresters of the Red/Line series

Brand: DEHN
Type: DG M TT 2P 320
Part No.: 952130
or equivalent.

Tanúsítványok

 

Műszaki adatok

SPD according to EN 61643-11 / IEC 61643-11 type 2 / class II
Max. continuous operating voltage (a.c.) [L-N] (UC ) 320 V (50 / 60 Hz)
Nominal discharge current (8/20 µs) (In ) 20 kA
Max. discharge current (8/20 µs) (Imax ) 40 kA
Voltage protection level [L-N]/[N-PE] (UP ) ≤ 1.5 / ≤ 1.5 kV
Max. mains-side overcurrent protection 125 A gG
Approvals KEMA

A 952130 termék hozzá lett adva a jegyzettömbhöz.

A 952130 terméket hozzáadtuk a kosárhoz.

Webshop indítása

Cikkszám 952111 DG M TT 2P 385

GTIN 4013364119420, Vámtarifa szám (EU): 85363030, Bruttó súly: 248.30 g, PU: 1.00 pc(s)


Képek

További információ

DEHNguard M TT 2P 385 surge arrester
Modular and pluggable two-pole surge arrester
for single-phase TT and TN systems, width: 2 modules
Type 2 SPD according to EN 61643-11
Fault indication
Max. continuous operating voltage: 385 V a.c.
Voltage protection level: <= 1.75 kV
Nominal discharge current: 20 kA
Short circuit strength: 25 kArms
Energy-coordinated according to IEC 62305-4
with arresters of the Red/Line series

Brand: DEHN
Type: DG M TT 2P 385
Part No.: 952111
or equivalent.

Tanúsítványok

 

Műszaki adatok

SPD according to EN 61643-11 / IEC 61643-11 type 2 / class II
Max. continuous operating voltage (a.c.) [L-N] (UC ) 385 V (50 / 60 Hz)
Nominal discharge current (8/20 µs) (In ) 20 kA
Max. discharge current (8/20 µs) (Imax ) 40 kA
Voltage protection level [L-N]/[N-PE] (UP ) ≤ 1.75 / ≤ 1.5 kV
Max. mains-side overcurrent protection 125 A gG
Approvals KEMA

A 952111 termék hozzá lett adva a jegyzettömbhöz.

A 952111 terméket hozzáadtuk a kosárhoz.

Webshop indítása

DEHNguard M TT 2P ... FM

Modular surge arrester for use in single-phase TT and TN systems (1+1 configuration); with floating remote signalling contact.

3 Termékek

Cikkszám 952115 DG M TT 2P 275 FM

GTIN 4013364108424, Vámtarifa szám (EU): 85363030, Bruttó súly: 244.10 g, PU: 1.00 pc(s)

Kifutott termék:

Képek

További információ

DEHNguard M TT 2P 275 FM surge arrester
Modular and pluggable two-pole surge arrester
for single-phase 230 V TT and TN systems, width: 2 modules
With remote signalling contact
Type 2 SPD according to EN 61643-11
Fault indication
Max. continuous operating voltage: 275 V a.c.
Voltage protection level: <= 1.5 kV
Nominal discharge current: 20 kA
Short circuit strength: 50 kArms
Energy-coordinated according to IEC 62305-4
with arresters of the Red/Line series

Brand: DEHN
Type: DG M TT 2P 275 FM
Part No.: 952115
or equivalent.

Tanúsítványok

 

Műszaki adatok

SPD according to EN 61643-11 / IEC 61643-11 type 2 / class II
Max. continuous operating voltage (a.c.) [L-N] (UC ) 275 V (50 / 60 Hz)
Nominal discharge current (8/20 µs) (In ) 20 kA
Max. discharge current (8/20 µs) (Imax ) 40 kA
Voltage protection level [L-N]/[N-PE] (UP ) ≤ 1.5 / ≤ 1.5 kV
Max. mains-side overcurrent protection 125 A gG
Approvals KEMA, VDE, UL, ATEX, IECEx
Type of remote signalling contact changeover contact

A 952115 termék hozzá lett adva a jegyzettömbhöz.

A 952115 terméket hozzáadtuk a kosárhoz.

Webshop indítása

Cikkszám 952135 DG M TT 2P 320 FM

GTIN 4013364128538, Vámtarifa szám (EU): 85363030, Bruttó súly: 269.20 g, PU: 1.00 pc(s)


Képek

További információ

DEHNguard M TT 2P 320 FM surge arrester
Modular and pluggable two-pole surge arrester
for single-phase 230 V TT and TN systems, width: 2 modules
With remote signalling contact
Type 2 SPD according to EN 61643-11
Fault indication
Max. continuous operating voltage: 320 V a.c.
Voltage protection level: <= 1.5 kV
Nominal discharge current: 20 kA
Short circuit strength: 25 kArms
Energy-coordinated according to IEC 62305-4
with arresters of the Red/Line series

Brand: DEHN
Type: DG M TT 2P 320 FM
Part No.: 952135
or equivalent.

Tanúsítványok

 

Műszaki adatok

SPD according to EN 61643-11 / IEC 61643-11 type 2 / class II
Max. continuous operating voltage (a.c.) [L-N] (UC ) 320 V (50 / 60 Hz)
Nominal discharge current (8/20 µs) (In ) 20 kA
Max. discharge current (8/20 µs) (Imax ) 40 kA
Voltage protection level [L-N]/[N-PE] (UP ) ≤ 1.5 / ≤ 1.5 kV
Max. mains-side overcurrent protection 125 A gG
Approvals KEMA
Type of remote signalling contact changeover contact

A 952135 termék hozzá lett adva a jegyzettömbhöz.

A 952135 terméket hozzáadtuk a kosárhoz.

Webshop indítása

Cikkszám 952116 DG M TT 2P 385 FM

GTIN 4013364119413, Vámtarifa szám (EU): 85363030, Bruttó súly: 251.70 g, PU: 1.00 pc(s)

Kifutott termék:

Képek

További információ

DEHNguard M TT 2P 385 FM surge arrester
Modular and pluggable two-pole surge arrester
for single-phase TT and TN systems, width: 2 modules
With remote signalling contact
Type 2 SPD according to EN 61643-11
Fault indication
Max. continuous operating voltage: 385 V a.c.
Voltage protection level: <= 1.75 kV
Nominal discharge current: 20 kA
Short circuit strength: 25 kArms
Energy-coordinated according to IEC 62305-4
with arresters of the Red/Line series

Brand: DEHN
Type: DG M TT 2P 385 FM
Part No.: 952116
or equivalent.

Tanúsítványok

 

Műszaki adatok

SPD according to EN 61643-11 / IEC 61643-11 type 2 / class II
Max. continuous operating voltage (a.c.) [L-N] (UC ) 385 V (50 / 60 Hz)
Nominal discharge current (8/20 µs) (In ) 20 kA
Max. discharge current (8/20 µs) (Imax ) 40 kA
Voltage protection level [L-N]/[N-PE] (UP ) ≤ 1.75 / ≤ 1.5 kV
Max. mains-side overcurrent protection 125 A gG
Approvals KEMA
Type of remote signalling contact changeover contact

A 952116 termék hozzá lett adva a jegyzettömbhöz.

A 952116 terméket hozzáadtuk a kosárhoz.

Webshop indítása

DEHNguard M WE ... (FM)

Modular surge arrester (3+0 configuration) with a rated varistor voltage Umov = 750 V a.c.; FM version with floating remote signalling contact.

2 Termékek

Cikkszám 952302 DG M WE 600

GTIN 4013364113305, Vámtarifa szám (EU): 85363030, Bruttó súly: 406.60 g, PU: 1.00 pc(s)

Kifutott termék:

Képek

További információ

DEHNguard M WE 600 surge arrester
Modular and pluggable three-pole surge arrester
for wind turbines for use in
400/690 V TN-C systems, Width: 3 modules
Consideration of short-term voltage fluctuations
resulting from increased rated varistor voltage Umov
Type 2 SPD according to EN 61643-11
Fault indication
Max. continuous operating voltage: 600 V a.c.
Rated varistor voltage: 750 V a.c.
Voltage protection level: <= 3 kV
Voltage protection level at 5 kA: <= 2.5 kV
Nominal discharge current: 15 kA
Short-circuit strength: 25 kArms
Energy-coordinated according to IEC 62305-4 with
arresters of the Red/Line series

Brand: DEHN
Type: DG M WE 600
Part No.: 952302
or equivalent.

Tanúsítványok

 

Műszaki adatok

SPD according to EN 61643-11 / IEC 61643-11 type 2 / class II
Max. continuous operating voltage (a.c.) (UC ) 600 V (50 / 60 Hz)
Rated varistor voltage (Umov ) 750 V
Nominal discharge current (8/20 µs) (In ) 15 kA
Max. discharge current (8/20 µs) (Imax ) 25 kA
Voltage protection level (UP ) ≤ 3 kV
Max. mains-side overcurrent protection 100 A gG
Approvals KEMA, UL

A 952302 termék hozzá lett adva a jegyzettömbhöz.

A 952302 terméket hozzáadtuk a kosárhoz.

Webshop indítása

Cikkszám 952307 DG M WE 600 FM

GTIN 4013364113312, Vámtarifa szám (EU): 85363030, Bruttó súly: 409.50 g, PU: 1.00 pc(s)

Kifutott termék:

Képek

További információ

DEHNguard M WE 600 FM surge arrester
Modular three-polesurge arrester
for wind turbines for use in 400/690 V TN-C systems,
Width: 3 modules
Consideration of short-term voltage fluctuations
resulting from increased rated varistor voltage Umov
With remote signalling contact
Type 2 SPD according to EN 61643-11
Fault indication
Max. continuous operating voltage: 600 V a.c.
Rated varistor voltage: 750 V a.c.
Voltage protection level: <= 3 kV
Voltage protection level at 5 kA: <= 2.5 kV
Nominal discharge current: 15 kA
Short-circuit strength: 25 kArms
Energy-coordinated according to IEC 62305-4 with
arresters of the Red/Line series

Brand: DEHN
Type: DG M WE 600 FM
Part No.: 952307
or equivalent.

Tanúsítványok

 

Műszaki adatok

SPD according to EN 61643-11 / IEC 61643-11 type 2 / class II
Max. continuous operating voltage (a.c.) (UC ) 600 V (50 / 60 Hz)
Rated varistor voltage (Umov ) 750 V
Nominal discharge current (8/20 µs) (In ) 15 kA
Max. discharge current (8/20 µs) (Imax ) 25 kA
Voltage protection level (UP ) ≤ 3 kV
Max. mains-side overcurrent protection 100 A gG
Approvals KEMA, UL
Type of remote signalling contact changeover contact

A 952307 termék hozzá lett adva a jegyzettömbhöz.

A 952307 terméket hozzáadtuk a kosárhoz.

Webshop indítása

back to top