DEHNguard modular E (Y)PV SCI 1500
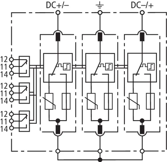
- Moduláris, csatlakozáskész kompakt eszköz napelemes rendszerekhez 1500V-ig, mely alapmodulból és duhaszolható védelmi modulokból áll
- Kombinált leválasztó és rövidrezáró kapcsolás biztonságos szigeteléssel a védelmi modulban (szabadalmaztatott SCI - ShortCircuitInterruption elv)
- Új kialakítás, az 1500V-os napelemes rendszerekben való biztonságos használatra
- MSZ EN 50539-11 szabvány szerint tesztelt
- Használható az MSZ HD 60364-7-712 szabvány szerint "Különleges berendezésekre vagy helyekre vonatkozó követelmények. Napelemes (PV-) rendszerek"
Details
Cikkszám 952520 DG ME YPV SCI 1500
GTIN 4013364149069, Vámtarifa szám (EU): 85354000, Bruttó súly: 535.70 g, PU: 1.00 db.
Műszaki adatok
| SPD az EN 61643-31 / ... szerint IEC 61643-31 | 2. típus / Class II |
| Legnagyobb PV feszültség (UCPV ) | 1500 V |
| Zárlati szilárdság (ISCPV ) | 10 kA |
| Teljes levezetési áram (8/20 µs) (Itotal ) | 25 kA |
| Névleges levezetési lökőáram (8/20 µs) [(DC+/DC-) --> PE] (In ) | 12,5 kA |
| Védelmi feszültségszint (UP ) | ≤ 6 kV |
| Tanúsítványok | KEMA, UL |
Cikkszám 952525 DG ME YPV SCI1500 FM
GTIN 4013364149076, Vámtarifa szám (EU): 85354000, Bruttó súly: 556.00 g, PU: 1.00 db.
Műszaki adatok
| SPD az EN 61643-31 / ... szerint IEC 61643-31 | 2. típus / Class II |
| Legnagyobb PV feszültség (UCPV ) | 1500 V |
| Zárlati szilárdság (ISCPV ) | 10 kA |
| Teljes levezetési áram (8/20 µs) (Itotal ) | 25 kA |
| Névleges levezetési lökőáram (8/20 µs) [(DC+/DC-) --> PE] (In ) | 12,5 kA |
| Védelmi feszültségszint (UP ) | ≤ 6 kV |
| Tanúsítványok | KEMA, UL |
| Jelzőérintkező / Érintkezőtípus | váltóérintkező |
