Non-sparking, Ex equipotential bonding bar for hazardous areas of zones 1/21, 2/22

Non-sparking, Ex equipotential bonding bar for integrating metallic conductors and wires into the lightning equipotential bonding according to VDE 0185-305-3 (IEC 62305-3) as well as for protective and functional equipotential bonding according to DIN VDE 0100 Part 410/540.
  • Use in potentially explosive areas Ex zones 1/21 and 2/22
  • For use up to explosion group IIC and temperature class T4
  • Tested for non-ignition according to CLC 50703-2 up to 100 kA
  • Lightning current carrying capability Class H
  • Screws secured against self-loosening according to VDE 0185-305-3 Supplement 2
  • Flexible configuration for implementing different types of connection possibilities

További információ

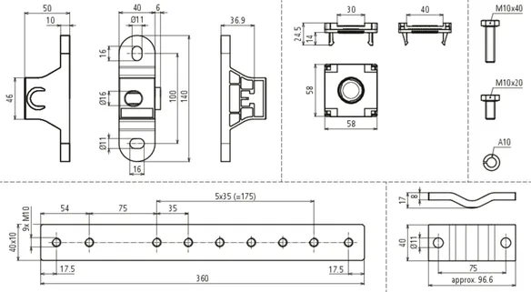
PAS EX 7(11)AP SET

  • For use in potentially explosive areas of Ex zones 1 and 2 (gases, vapours, mists) up to explosion group IIC as well as Ex zones 21 and 22 (dusts).
  • Screws secured against self-loosening
  • With the push-in adapter, only indoor use is permissible

2 Termékek

Cikkszám 472415 PAS EX 7AP SET

GTIN 4013364470590, Vámtarifa szám (EU): 85359000, Bruttó súly: 3.23 kg, PU: 1.00 pc(s)


Képek

További információ

Non-sparking Ex equipotential bonding bar PAS EX 7AP SET
Integration of metallic conductors and wires into
the lightning equipotential bonding according
to VDE 0185-305-3 (IEC 62305-3) as
well as for protective and functional
equipotential bonding according to DIN VDE 0100 Teil 410/540.
For use in Ex zones 1 and 2 (gases, vapours, mists)
and Ex zones 21 and 22 (dusts)
Explosion group IIC (safety factor 1)
according to CLC 50703-2;
Temperature class T4 as well as DIN EN 62561-1
(VDE 0185-561-1)
Lightning current carrying capability Class H (100 kA).
Screws secured against self-
loosening according to VDE 0185-305-3 Supplement 2.
Both indoor and outdoor installation
permissible.
Lightning impulse current (10/350 µs) StSt (V4A) 30x3.5 mm/40x5 mm:
2HExIIC 75 kA (non-sparking) T4
Lightning impulse current (10/350 µs) StSt (V4A) 30x3.5 mm/40x5 mm:
H 100 kA
Lightning impulse current (10/350 µs) St/tZn 30x3.5 mm/40x5mm:
1HExIIC 100 kA (non-sparking) T4
Max. short-circuit current (AC 50 Hz / DC / 5 s) StSt (V4A) 30x3.5 mm/40x5 mm:
750 A / T4
Max. short-circuit current (AC 50 Hz / DC / 5 s) St/tZn 30x3.5 mm/40x5 mm:
1500 A / T4
Lightning impulse current (10/350 µs) StSt (V4A) Ø10 mm:
NExIIC 50 kA (non-sparking) T4
Lightning impulse current (10/350 µs) StSt (V4A) Ø10 mm:
75 kA
Lightning impulse current (10/350 µs) St/tZn Ø10 mm:
2HExIIC 75 kA (non-sparking) T4
Lightning impulse current (10/350 µs) St/tZn Ø10 mm:
H 100kA
Max. short-circuit current (AC 50 Hz / DC / 5 s) StSt (V4A) Ø10 mm:
650 A / T4
Max. short-circuit current (AC 50 Hz / DC / 5 s) St/tZn Ø10 mm:
1000 A / T4
Lightning impulse current (10/350 µs) Cu 16 - 95 mm²:
1HExIIC 100 kA (non-sparking) T4
Max. short-circuit current (AC 50 Hz / DC / 5 s) Cu 16 mm²:
750 A / T4
Max. short-circuit current (AC 50 Hz / DC / 5 s) Cu 95 mm²:
3.1 kA / T4
Nominal discharge current (8/20 µs) per core (In) 4-10 mm² Cu:
10 kA (non-sparking)
Nominal discharge current (8/20 µs) per core (In) 16 mm² Cu:
15 kA (non-sparking)
Lightning impulse current (10/350 µs) Cu 4-16 mm² (per core):
3 kA (non-sparking)
Lightning impulse current (10/350 µs) Cu 16 mm² (per core):
25 kA (per core)
Max. surface temperature T4: 135 °C
To avoid whisker formation in
hazardous areas, the use of tin-plated crimped cable
lugs with a nickel barrier layer is recommended.
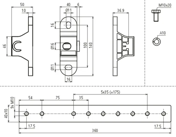
Bars: 360 x 40 x 10 mm
Dimensions: 382 x 140 x 101 mm
Connections: 1x flat conductor 30/40 mm or
adapter for Rd 10 mm,
1x flexible / rigid conductor 16-95mm²
by means of cable lug
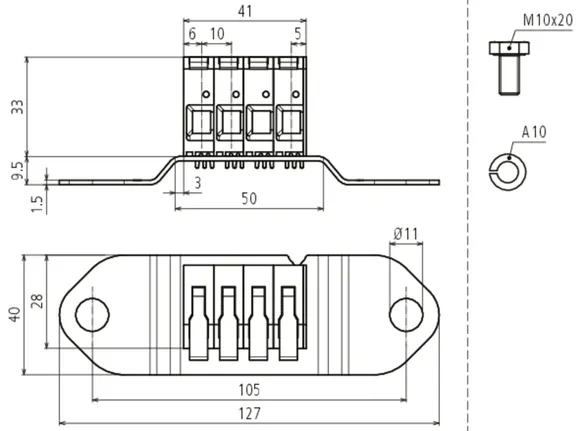
1x push-in adapter 4x 4-16 mm²
Material: StSt, Material No.: 1.4301 / 1.4303
Insulator/adapter housing Fl: Polyamide, halogen-free
blue, UV-stabilised
Push-in adapter: Polyamide
Standard: DIN EN 62561-1 / CLC 50703-2

Brand: DEHN
Type: PAS EX 7AP SET
Part No.: 472415
or equivalent.

Tanúsítványok

 

Műszaki adatok

Connection Rd/Fl 1x flat conductor 30/40 mm or 1x round conductor 10 mm
Connection connecting clamp 4x 4–16 mm²
Connection cable lug 1x flexible/rigid conductor 16–95 mm²
Dimensions 382 x 140 x 101 mm
Lightning impulse current (10/350 µs) StSt (V4A) 30x3.5 mm / 40x5 mm 2HExIIC 75 kA (non-sparking) T4
Lightning impulse current (10/350 µs) St/tZn 30x3.5 mm/40x5 mm 1HExIIC 100 kA (non-sparking) T4
Lightning impulse current (10/350 µs) StSt (V4A) Ø10 mm NExIIC 50 kA (non-sparking) T4
Lightning impulse current (10/350 µs) St/tZn Ø10 mm 2HExIIC 75 kA (non-sparking) T4
Lightning impulse current (10/350 µs) Cu 16-95 mm2 1HExIIC 100 kA (non-sparking) T4
Lightning impulse current (10/350 µs) Cu 4-16 mm² (per core) 3 kA (non-sparking)
Nominal discharge current (8/20 µs) per line (In) Cu 4-10 mm² 10 kA (non-sparking)
Nominal discharge current (8/20 µs) per line (In) Cu 16 mm² 15 kA (non-sparking)
Max. short-circuit current (AC 50 Hz / DC / 5 s) StSt (V4A) 30x3.5 mm / 40x5 mm 750 A / T4
Max. short-circuit current (AC 50 Hz / DC / 5 s) St/tZn 30x3.5 mm / 40x5 mm 1500 A / T4
Max. short-circuit current (AC 50 Hz /DC /5 s) StSt (V4A) Ø10 mm 650 A / T4
Max. short-circuit current (AC 50 Hz / DC / 5 s) St/tZn Ø10 mm 1000 A / T4
Standard IEC 62561-1 / CLC 50703-2

A 472415 termék hozzá lett adva a jegyzettömbhöz.

A 472415 terméket hozzáadtuk a kosárhoz.

Webshop indítása

Cikkszám 472425 PAS EX 11AP SET

GTIN 4013364470606, Vámtarifa szám (EU): 85359000, Bruttó súly: 3.82 kg, PU: 1.00 pc(s)


Képek

További információ

Non-sparking Ex equipotential bonding bar PAS EX 11AP SET
Integration of metallic conductors and wires into
the lightning equipotential bonding according
to VDE 0185-305-3 (IEC 62305-3) as
well as for protective and functional
equipotential bonding according to DIN VDE 0100 Teil 410/540.
For use in Ex zones 1 and 2 (gases, vapours, mists)
and Ex zones 21 and 22 (dusts)
Explosion group IIC (safety factor 1)
according to CLC 50703-2;
Temperature class T4 as well as DIN EN 62561-1
(VDE 0185-561-1)
Lightning current carrying capability Class H (100 kA).
Screws secured against self-
loosening according to VDE 0185-305-3 Supplement 2.
Both indoor and outdoor installation
permissible.
Lightning impulse current (10/350 µs) StSt (V4A) 30x3.5 mm/40x5 mm:
2HExIIC 75 kA (non-sparking) T4
Lightning impulse current (10/350 µs) StSt (V4A) 30x3.5 mm/40x5 mm:
H 100 kA
Lightning impulse current (10/350 µs) St/tZn 30x3.5 mm/40x5mm:
1HExIIC 100 kA (non-sparking) T4
Max. short-circuit current (AC 50 Hz / DC / 5 s) StSt (V4A) 30x3.5 mm/40x5 mm:
750 A / T4
Max. short-circuit current (AC 50 Hz / DC / 5 s) St/tZn 30x3.5 mm/40x5 mm:
1500 A / T4
Lightning impulse current (10/350 µs) StSt (V4A) Ø10 mm:
NExIIC 50 kA (non-sparking) T4
Lightning impulse current (10/350 µs) StSt (V4A) Ø10 mm:
75 kA
Lightning impulse current (10/350 µs) St/tZn Ø10 mm:
2HExIIC 75 kA (non-sparking) T4
Lightning impulse current (10/350 µs) St/tZn Ø10 mm:
H 100kA
Max. short-circuit current (AC 50 Hz / DC / 5 s) StSt (V4A) Ø10 mm:
650 A / T4
Max. short-circuit current (AC 50 Hz / DC / 5 s) St/tZn Ø10 mm:
1000 A / T4
Lightning impulse current (10/350 µs) Cu 16 - 95 mm²:
1HExIIC 100 kA (non-sparking) T4
Max. short-circuit current (AC 50 Hz / DC / 5 s) Cu 16 mm²:
750 A / T4
Max. short-circuit current (AC 50 Hz / DC / 5 s) Cu 95 mm²:
3.1 kA / T4
Nominal discharge current (8/20 µs) per core (In) 4-10 mm² Cu:
10 kA (non-sparking)
Nominal discharge current (8/20 µs) per core (In) 16 mm² Cu:
15 kA (non-sparking)
Lightning impulse current (10/350 µs) Cu 4-16 mm² (per core):
3 kA (non-sparking)
Lightning impulse current (10/350 µs) Cu 16 mm² (per core):
25 kA (per core)
Max. surface temperature T4: 135 °C
To avoid whisker formation in
hazardous areas, the use of tin-plated crimped cable
lugs with a nickel barrier layer is recommended.
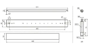
Bars: 500 x 40 x 10 mm
Dimensions: 522 x 140 x 101 mm
Connections: 1x flat conductor 30/40mm
or adapter for Rd 10 mm,
5x flexible / rigid conductor 16-95 mm²
by means of cable lug
1x push-in adapter 4x 4-16 mm²
Material: StSt,
Material No.: 1.4301 / 1.4303
Insulator/adapter housing Fl: Polyamide, halogen-free
blue, UV-stabilised
Push-in adapter: Polyamide
Standard: DIN EN 62561-1 / CLC 50703-2

Brand: DEHN
Type: PAS EX 11AP SET
Part No.: 472425
or equivalent.

Tanúsítványok

 

Műszaki adatok

Connection Rd/Fl 1x flat conductor 30/40 mm or 1x round conductor 10 mm
Connection connecting clamp 4x 4–16 mm²
Connection cable lug 5x flexible/rigid conductor 16–95 mm²
Dimensions 522 x 140 x 101 mm
Lightning impulse current (10/350 µs) StSt (V4A) 30x3.5 mm / 40x5 mm 2HExIIC 75 kA (non-sparking) T4
Lightning impulse current (10/350 µs) St/tZn 30x3.5 mm/40x5 mm 1HExIIC 100 kA (non-sparking) T4
Lightning impulse current (10/350 µs) StSt (V4A) Ø10 mm NExIIC 50 kA (non-sparking) T4
Lightning impulse current (10/350 µs) St/tZn Ø10 mm 2HExIIC 75 kA (non-sparking) T4
Lightning impulse current (10/350 µs) Cu 16-95 mm2 1HExIIC 100 kA (non-sparking) T4
Lightning impulse current (10/350 µs) Cu 4-16 mm² (per core) 3 kA (non-sparking)
Nominal discharge current (8/20 µs) per line (In) Cu 4-10 mm² 10 kA (non-sparking)
Nominal discharge current (8/20 µs) per line (In) Cu 16 mm² 15 kA (non-sparking)
Max. short-circuit current (AC 50 Hz / DC / 5 s) StSt (V4A) 30x3.5 mm / 40x5 mm 750 A / T4
Max. short-circuit current (AC 50 Hz / DC / 5 s) St/tZn 30x3.5 mm / 40x5 mm 1500 A / T4
Max. short-circuit current (AC 50 Hz /DC /5 s) StSt (V4A) Ø10 mm 650 A / T4
Max. short-circuit current (AC 50 Hz / DC / 5 s) St/tZn Ø10 mm 1000 A / T4
Standard IEC 62561-1 / CLC 50703-2

A 472425 termék hozzá lett adva a jegyzettömbhöz.

A 472425 terméket hozzáadtuk a kosárhoz.

Webshop indítása

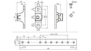
PAS EX 1+5(9)AP M10 V2A

  • For use in potentially explosive areas of Ex zones 1 and 2 (gases, vapours, mists) up to explosion group IIC as well as Ex zones 21 and 22 (dusts).
  • Screws secured against self-loosening
  • Both indoor and outdoor installation permissible

2 Termékek

Cikkszám 472410 PAS EX 1+5AP M10 V2A

GTIN 4013364470521, Vámtarifa szám (EU): 85359000, Bruttó súly: 1.96 kg, PU: 1.00 pc(s)


Képek

További információ

Non-sparking Ex equipotential bonding bar PAS EX 1+5AP M10 V2A
Integration of metallic conductors and wires into
the lightning equipotential bonding according
to VDE 0185-305-3 (IEC 62305-3) as
well as for protective and functional
equipotential bonding according to DIN VDE 0100 Teil 410/540.
Use in Ex zones 1 and 2
(Gases, vapours, mists) and
Ex zones 21 and 22 (dusts)
Explosion group IIC (safety factor 1)
according to CLC 50703-2;
Temperature class T4 as well as DIN EN 62561-1
(VDE 0185-561-1)
Lightning current carrying capability Class H (100 kA).
Screws secured against self-
loosening according to VDE 0185-305-3 Supplement 2.
Both indoor and outdoor installation
permissible.
Lightning impulse current (10/350 µs) StSt (V4A) 30x3.5 mm/40x5 mm:
2HExIIC 75 kA (non-sparking) T4
Lightning impulse current (10/350 µs) StSt (V4A) 30x3.5 mm/40x5 mm:
H 100 kA
Lightning impulse current (10/350 µs) St/tZn 30x3.5 mm/40x5mm:
1HExIIC 100 kA (non-sparking) T4
Max. short-circuit current (AC 50 Hz / DC / 5 s) StSt (V4A) 30x3.5 mm/40x5 mm:
750 A / T4
Max. short-circuit current (AC 50 Hz / DC / 5 s) St/tZn 30x3.5 mm/40x5 mm:
1500 A / T4
Lightning impulse current (10/350 µs) Cu 16 - 95 mm²:
1HExIIC 100 kA (non-sparking) T4
Max. short-circuit current (AC 50 Hz / DC / 5 s) Cu 16 mm²:
750 A / T4
Max. short-circuit current (AC 50 Hz / DC / 5 s) Cu 95 mm²:
3.1 kA / T4
Max. surface temperature T4: 135 °C
To avoid whisker formation in
hazardous areas, the use of tin-plated crimped cable
lugs with a nickel barrier layer is recommended.
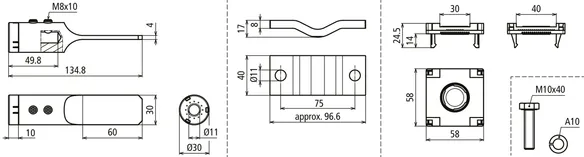
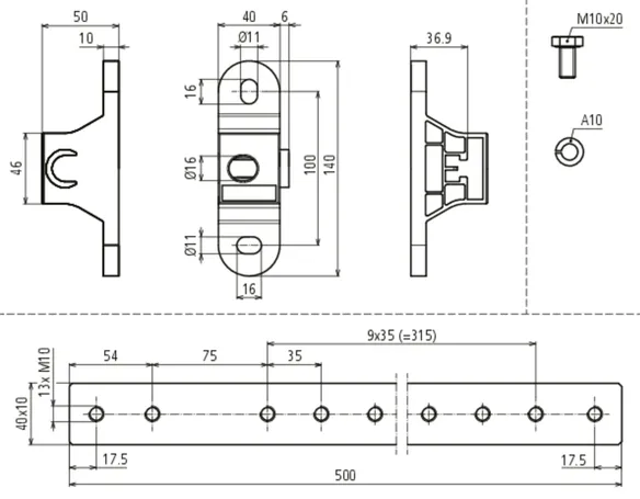
Bars: 360 x 40 x 10 mm
Dimensions: 382 x 140 x 101 mm
Connections: 1 flat (M10 x 40 mm with spring washer)
+ 5 cable lug (M10 x 20 mm with spring washer)
Equipotential bonding bar/saddle clamp/screws/spring washer:
StSt, Material No.: 1.4301 / 1.4303
Insulator/adapter housing Fl:
Polyamide / halogen-free, blue, UV-stabilised
Standard: DIN EN 62561-1 / CLC 50703-2

Brand: DEHN
Type: PAS EX 1+5AP M10 V2A
Part No.: 472410
or equivalent.

Tanúsítványok

 

Műszaki adatok

Connection Fl 1x flat conductor 30/40 mm
Connection cable lug 5x flexible/rigid conductor 16–95 mm²
Dimensions 382 x 140 x 65 mm
Lightning impulse current (10/350 µs) StSt (V4A) 30x3.5 mm / 40x5 mm 2HExIIC 75 kA (non-sparking) T4
Lightning impulse current (10/350 µs) St/tZn 30x3.5 mm/40x5 mm 1HExIIC 100 kA (non-sparking) T4
Lightning impulse current (10/350 µs) Cu 16-95 mm2 1HExIIC 100 kA (non-sparking) T4
Max. short-circuit current (AC 50 Hz / DC / 5 s) StSt (V4A) 30x3.5 mm / 40x5 mm 750 A / T4
Max. short-circuit current (AC 50 Hz / DC / 5 s) St/tZn 30x3.5 mm / 40x5 mm 1500 A / T4
Standard IEC 62561-1 / CLC 50703-2
In relation to corrosion resistance, it must be established whether the materials used in the PAS EX (e.g. Cu/galSn, StSt, polyamide, polyurethane ester) are able to be used within the prevailing environmental conditions.

A 472410 termék hozzá lett adva a jegyzettömbhöz.

A 472410 terméket hozzáadtuk a kosárhoz.

Webshop indítása

Cikkszám 472420 PAS EX 1+9AP M10 V2A

GTIN 4013364476059, Vámtarifa szám (EU): 85359000, Bruttó súly: 2.50 kg, PU: 1.00 pc(s)


Képek

További információ

Non-sparking Ex equipotential bonding bar PAS EX 1+9AP M10 V2A
Integration of metallic conductors and wires into
the lightning equipotential bonding according
to VDE 0185-305-3 (IEC 62305-3) as
well as for protective and functional
equipotential bonding according to DIN VDE 0100 Teil 410/540.
Use in Ex zones 1 and 2
(Gases, vapours, mists) and
Ex zones 21 and 22 (dusts)
Explosion group IIC (safety factor 1)
according to CLC 50703-2;
Temperature class T4 as well as DIN EN 62561-1
(VDE 0185-561-1)
Lightning current carrying capability Class H (100 kA).
Screws secured against self-
loosening according to VDE 0185-305-3 Supplement 2.
Both indoor and outdoor installation
permissible.
Lightning impulse current (10/350 µs) StSt (V4A) 30x3.5 mm/40x5 mm:
2HExIIC 75 kA (non-sparking) T4
Lightning impulse current (10/350 µs) StSt (V4A) 30x3.5 mm/40x5 mm:
H 100 kA
Lightning impulse current (10/350 µs) St/tZn 30x3.5 mm/40x5mm:
1HExIIC 100 kA (non-sparking) T4
Max. short-circuit current (AC 50 Hz / DC / 5 s) StSt (V4A) 30x3.5 mm/40x5 mm:
750 A / T4
Max. short-circuit current (AC 50 Hz / DC / 5 s) St/tZn 30x3.5 mm/40x5 mm:
1500 A / T4
Lightning impulse current (10/350 µs) Cu 16 - 95 mm²:
1HExIIC 100 kA (non-sparking) T4
Max. short-circuit current (AC 50 Hz / DC / 5 s) Cu 16 mm²:
750 A / T4
Max. short-circuit current (AC 50 Hz / DC / 5 s) Cu 95 mm²:
3.1 kA / T4
Max. surface temperature T4: 135 °C
To avoid whisker formation in
hazardous areas, the use of tin-plated crimped cable
lugs with a nickel barrier layer is recommended.
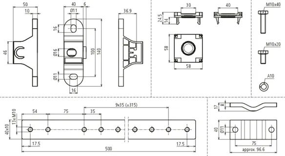
Bars: 500 x 40 x 10 mm
Dimensions: 522 x 140 x 101 mm
Connections: 1 flat (M10 x 40 mm with spring washer)
+ 9 cable lug (M10 x 20 mm with spring washer)
Equipotential bonding bar/saddle clamp/screws/spring washer:
StSt, Material No.: 1.4301 / 1.4303
Insulator/adapter housing Fl: Polyamide,
halogen-free, blue, UV-stabilised
Standard: DIN EN 62561-1 / CLC 50703-2

Brand: DEHN
Type: PAS EX 1+9AP M10 V2A
Part No.: 472420
or equivalent.

Tanúsítványok

 

Műszaki adatok

Connection Fl 1x flat conductor 30/40 mm
Connection cable lug 9x flexible/rigid conductor 16–95 mm²
Dimensions 522 x 140 x 65 mm
Lightning impulse current (10/350 µs) StSt (V4A) 30x3.5 mm / 40x5 mm 2HExIIC 75 kA (non-sparking) T4
Lightning impulse current (10/350 µs) St/tZn 30x3.5 mm/40x5 mm 1HExIIC 100 kA (non-sparking) T4
Lightning impulse current (10/350 µs) Cu 16-95 mm2 1HExIIC 100 kA (non-sparking) T4
Max. short-circuit current (AC 50 Hz / DC / 5 s) StSt (V4A) 30x3.5 mm / 40x5 mm 750 A / T4
Max. short-circuit current (AC 50 Hz / DC / 5 s) St/tZn 30x3.5 mm / 40x5 mm 1500 A / T4
Standard IEC 62561-1 / CLC 50703-2
In relation to corrosion resistance, it must be established whether the materials used in the PAS EX (e.g. Cu/galSn, StSt, polyamide, polyurethane ester) are able to be used within the prevailing environmental conditions.

A 472420 termék hozzá lett adva a jegyzettömbhöz.

A 472420 terméket hozzáadtuk a kosárhoz.

Webshop indítása

PAS EX 7(11)AP M10 V2A

  • For use in potentially explosive areas of Ex zones 1 and 2 (gases, vapours, mists) up to explosion group IIC as well as Ex zones 21 and 22 (dusts).
  • Screws secured against self-loosening
  • Both indoor and outdoor installation permissible

2 Termékek

Cikkszám 472411 PAS EX 7AP M10 V2A

GTIN 4013364470460, Vámtarifa szám (EU): 85359000, Bruttó súly: 1.65 kg, PU: 1.00 pc(s)


Képek

További információ

Non-sparking Ex equipotential bonding bar PAS EX 7AP M10 V2A
Integration of metallic conductors and wires into
the lightning equipotential bonding according
to VDE 0185-305-3 (IEC 62305-3) as
well as for protective and functional
equipotential bonding according to DIN VDE 0100 Teil 410/540.
For use in Ex zones 1 and 2 (gases, vapours, mists)
and Ex zones 21 and 22 (dusts)
Explosion group IIC (safety factor 1)
according to CLC 50703-2;
Temperature class T4 as well as DIN EN 62561-1
(VDE 0185-561-1)
Lightning current carrying capability Class H (100 kA).
Screws secured against self-
loosening according to VDE 0185-305-3 Supplement 2.
Both indoor and outdoor installation
permissible.
Lightning impulse current (10/350 µs) Cu 16 - 95 mm²:
1HExIIC 100 kA (non-sparking) T4
Max. short-circuit current (AC 50 Hz / DC / 5 s) Cu 16 mm²:
750 A / T4
Max. short-circuit current (AC 50 Hz / DC / 5 s) Cu 95 mm²:
3.1 kA / T4
Max. surface temperature T4: 135 °C
To avoid whisker formation in
hazardous areas, the use of tin-plated crimped cable
lugs with a nickel barrier layer is recommended.
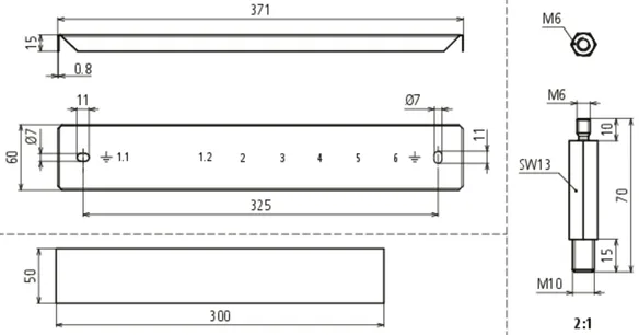
Bars: 300 x 40 x 10 mm
Dimensions: 382 x 140 x 101 mm
Connections: 7 cable lug (M10 x 20 mm with spring washer)
Equipotential bonding bar/screws/spring washer: StSt,
Material No.: 1.4301 / 1.4303
Insulator: Polyamide / halogen-free, blue, UV-stabilised
Standard: DIN EN 62561-1 / CLC 50703-2

Brand: DEHN
Type: PAS EX 7AP M10 V2A
Part No.: 472411
or equivalent.

Tanúsítványok

 

Műszaki adatok

Connection cable lug 7x flexible/rigid conductor 16–95 mm²
Dimensions 382 x 140 x 50 mm
Lightning impulse current (10/350 µs) Cu 16-95 mm2 1HExIIC 100 kA (non-sparking) T4
Standard IEC 62561-1 / CLC 50703-2
In relation to corrosion resistance, it must be established whether the materials used in the PAS EX (e.g. Cu/galSn, StSt, polyamide, polyurethane ester) are able to be used within the prevailing environmental conditions.

A 472411 termék hozzá lett adva a jegyzettömbhöz.

A 472411 terméket hozzáadtuk a kosárhoz.

Webshop indítása

Cikkszám 472421 PAS EX 11AP M10 V2A

GTIN 4013364470477, Vámtarifa szám (EU): 85359000, Bruttó súly: 2.16 kg, PU: 1.00 pc(s)


Képek

További információ

Non-sparking Ex equipotential bonding bar PAS EX 11AP M10 V2A
Integration of metallic conductors and wires into
the lightning equipotential bonding according
to VDE 0185-305-3 (IEC 62305-3) as
well as for protective and functional
equipotential bonding according to DIN VDE 0100 Teil 410/540.
For use in Ex zones 1 and 2 (gases, vapours, mists)
and Ex zones 21 and 22 (dusts)
Explosion group IIC (safety factor 1)
according to CLC 50703-2;
Temperature class T4 as well as DIN EN 62561-1
(VDE 0185-561-1)
Lightning current carrying capability Class H (100 kA).
Screws secured against self-
loosening according to VDE 0185-305-3 Supplement 2.
Both indoor and outdoor installation
permissible.
Lightning impulse current (10/350 µs) Cu 16 - 95 mm²:
1HExIIC 100 kA (non-sparking) T4
Max. short-circuit current (AC 50 Hz / DC / 5 s) Cu 16 mm²:
750 A / T4
Max. short-circuit current (AC 50 Hz / DC / 5 s) Cu 95 mm²:
3.1 kA / T4
Max. surface temperature T4: 135 °C
To avoid whisker formation in
hazardous areas, the use of tin-plated crimped cable
lugs with a nickel barrier layer is recommended.
Bars: 500 x 40 x 10 mm
Dimensions: 522 x 140 x 101 mm
Connections: 11 cable lug (M10 x 20 mm with spring washer)
Equipotential bonding bar/screws/spring washer:
StSt, Material No.: 1.4301 / 1.4303
Insulator: Polyamide / halogen-free, blue, UV-stabilised
Standard: DIN EN 62561-1 / CLC 50703-2

Brand: DEHN
Type: PAS EX 11AP M10 V2A
Part No.: 472421
or equivalent.

Tanúsítványok

 

Műszaki adatok

Connection cable lug 11x flexible/rigid conductor 16–95 mm²
Dimensions 522 x 140 x 50 mm
Lightning impulse current (10/350 µs) Cu 16-95 mm2 1HExIIC 100 kA (non-sparking) T4
Standard IEC 62561-1 / CLC 50703-2
In relation to corrosion resistance, it must be established whether the materials used in the PAS EX (e.g. Cu/galSn, StSt, polyamide, polyurethane ester) are able to be used within the prevailing environmental conditions.

A 472421 termék hozzá lett adva a jegyzettömbhöz.

A 472421 terméket hozzáadtuk a kosárhoz.

Webshop indítása

PAS EX AD 7(11) AP

Cover with distance bolts for non-sparking Ex equipotential bonding bar PAS EX. With connection numbering and label.

2 Termékek

Cikkszám 472412 PAS EX AD 7 AP

GTIN 4013364470491, Vámtarifa szám (EU): 85389099, Bruttó súly: 576.00 g, PU: 1.00 pc(s)


Képek

További információ

Cover with distance bolts
and label for PAS EX 1+5AP M10 V2A
and PAS EX 7AP M10 V2A

Material: Stainless steel,
Material No.: 1.4301 / 1.4303

Brand: DEHN
Type: PAS EX AD 7 AP
Part No.: 472412
or equivalent.

 

Műszaki adatok

Material StSt

A 472412 termék hozzá lett adva a jegyzettömbhöz.

A 472412 terméket hozzáadtuk a kosárhoz.

Webshop indítása

Cikkszám 472422 PAS EX AD 11 AP

GTIN 4013364470507, Vámtarifa szám (EU): 85389099, Bruttó súly: 658.00 g, PU: 1.00 pc(s)


Képek

További információ

Cover with distance bolts and label
for PAS EX 1+9AP M10 V2A and
PAS EX 11AP M10 V2A

Material: Stainless steel,
Material No.: 1.4301 / 1.4303

Brand: DEHN
Type: PAS EX AD 11 AP
Part No.: 472422
or equivalent.

 

Műszaki adatok

Material StSt

A 472422 termék hozzá lett adva a jegyzettömbhöz.

A 472422 terméket hozzáadtuk a kosárhoz.

Webshop indítása

PAS EX CC

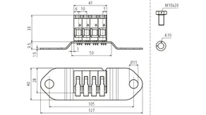
Push-in adapter for non-sparking, Ex equipotential bonding bar PAS EX for convenient connection of flexible conductors. For use in potentially explosive areas of Ex zones 1 and 2 (gases, vapours, mists) up to explosion group IIC as well as Ex zones 21 and 22 (dusts). Use indoors only permissible.

1 Termék

Cikkszám 472497 PAS EX CC

GTIN 4013364470484, Vámtarifa szám (EU): 85359000, Bruttó súly: 196.00 g, PU: 1.00 pc(s)


Képek

További információ

Push-in adapter for contact
of flexible conductors 4x 4-16 mm² on PAS EX...
Use in potentially explosive areas
Ex zones 1 and 2 (gases, vapours, mists)
as well as Ex zones 21 and 22 (dusts)
For use up to explosion group IIC
(safety factor 1)
For use up to temperature class T4
Screws secured against self-
loosening according to VDE 0185-305-3 Supplement 2
Use indoors permissible
Nominal discharge current (8/20 µs) per core (In) Cu 4–10 mm²:
10 kA (non-sparking)
Nominal discharge current (8/20 µs) per core (In) Cu 16 mm²:
15 kA (non-sparking)
Lightning impulse current (10/350 µs) Cu 4-16 mm² (per core):
3 kA (non-sparking)
Lightning impulse current (10/350 µs) Cu 16 mm² (per core):
25 kA
Material: Polyamide

Brand: DEHN
Type: PAS EX CC
Part No.: 472497
or equivalent.

Tanúsítványok

 

Műszaki adatok

Lightning impulse current (10/350 µs) Cu 4-16 mm² (per core) 3 kA (non-sparking)
Nominal discharge current (8/20 µs) per line (In) Cu 4-10 mm² 10 kA (non-sparking)
Nominal discharge current (8/20 µs) per line (In) Cu 16 mm² 15 kA (non-sparking)
Note: Non-sparking only ensured in connection with PAS EX ...!

A 472497 termék hozzá lett adva a jegyzettömbhöz.

A 472497 terméket hozzáadtuk a kosárhoz.

Webshop indítása

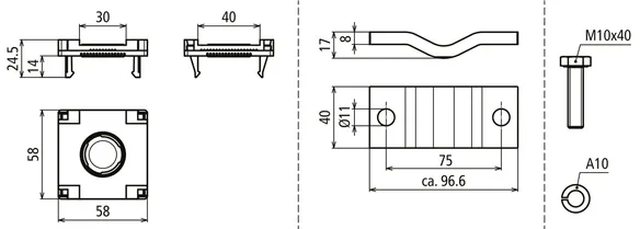
PAS EX R

Adapter for non-sparking Ex equipotential bonding bar PAS EX for connecting a round conductor. For use in potentially explosive areas of Ex zones 1 and 2 (gases, vapours, mists) up to explosion group IIC as well as Ex zones 21 and 22 (dusts). Both indoor and outdoor installation permissible.

1 Termék

Cikkszám 472498 PAS EX R

GTIN 4013364476042, Vámtarifa szám (EU): 85359000, Bruttó súly: 790.00 g, PU: 1.00 pc(s)


Képek

További információ

Connection kit, Rd 10 mm for
PAS EX 11AP M10 V2A
PAS EX 7AP M10 V2A
Integration of metallic conductors and wires into
the lightning equipotential bonding according to
VDE 0185-305-3 (IEC 62305-3)
as well as for protective and functional
equipotential bonding according to DIN VDE 0100 Teil 410/540.
For use in Ex zones 1 and 2 (gases, vapours, mists)
and Ex zones 21 and 22 (dusts)
Explosion group IIC (safety factor 1)
according to CLC 50703-2;
Temperature class T4 as well as DIN EN 62561-1
(VDE 0185-561-1)
Lightning current carrying capability Class H (100 kA).
Screws secured against self-
loosening according to VDE 0185-305-3 Supplement 2.
Both indoor and outdoor installation
permissible.
Lightning impulse current (10/350 µs) StSt (V4A) Ø10 mm:
NExIIC 50 kA (non-sparking) T4
Lightning impulse current (10/350 µs) StSt (V4A) Ø10 mm:
75 kA
Lightning impulse current (10/350 µs) St/tZn Ø10 mm:
2HExIIC 75 kA (non-sparking) T4
Lightning impulse current (10/350 µs) St/tZn Ø10 mm:
H 100kA
Max. short-circuit current (AC 50 Hz / DC / 5 s) StSt (V4A) Ø10 mm:
650 A / T4
Max. short-circuit current (AC 50 Hz / DC / 5 s) St/tZn Ø10 mm:
1000 A / T4
Max. surface temperature T4: 135 °C
Adapter, Rd/saddle clamp: StSt,
Material No.: 1.4301 / 1.4303
Adapter housing Fl: Polyamide,
halogen-free, blue, UV-stabilised

Brand: DEHN
Type: PAS EX R
Part No.: 472498
or equivalent.

Tanúsítványok

 

Műszaki adatok

Lightning impulse current (10/350 µs) StSt (V4A) Ø10 mm NExIIC 50 kA (non-sparking) T4
Lightning impulse current (10/350 µs) St/tZn Ø10 mm 2HExIIC 75 kA (non-sparking) T4
Max. short-circuit current (AC 50 Hz /DC /5 s) StSt (V4A) Ø10 mm 650 A / T4
Max. short-circuit current (AC 50 Hz / DC / 5 s) St/tZn Ø10 mm 1000 A / T4
Note: Non-sparking only ensured in connection with PAS EX ...!

A 472498 termék hozzá lett adva a jegyzettömbhöz.

A 472498 terméket hozzáadtuk a kosárhoz.

Webshop indítása

PAS EX FL

Adapter for non-sparking Ex equipotential bonding bar PAS EX for connecting a flat conductor. For use in potentially explosive areas of Ex zones 1 and 2 (gases, vapours, mists) up to explosion group IIC as well as Ex zones 21 and 22 (dusts). Both indoor and outdoor installation permissible.

1 Termék

Cikkszám 472499 PAS EX FL

GTIN 4013364470514, Vámtarifa szám (EU): 85359000, Bruttó súly: 408.00 g, PU: 1.00 pc(s)


Képek

További információ

Connection kit FL 30/40 mm for
PAS EX 11AP M10 V2A
PAS EX 7AP M10 V2A
Integration of metallic conductors and wires into
the lightning equipotential bonding according
to VDE 0185-305-3 (IEC 62305-3) as
well as for protective and functional
equipotential bonding according to DIN VDE 0100 Teil 410/540.
For use in Ex zones 1 and 2 (gases, vapours, mists)
and Ex zones 21 and 22 (dusts)
Explosion group IIC (safety factor 1)
according to CLC 50703-2;
Temperature class T4 as well as DIN EN 62561-1
(VDE 0185-561-1)
Lightning current carrying capability Class H (100 kA).
Screws secured against self-
loosening according to VDE 0185-305-3 Supplement 2.
Both indoor and outdoor installation
permissible.
Lightning impulse current (10/350 µs) StSt (V4A) 30x3.5 mm/40x5 mm:
2HExIIC 75kA (non-sparking) T4
Lightning impulse current (10/350 µs) StSt (V4A) 30x3.5 mm/40x5 mm:
H 100 kA
Lightning impulse current (10/350 µs) St/tZn 30x3.5 mm/40x5mm:
1HExIIC 100 kA (non-sparking) T4
Max. short-circuit current (AC 50 Hz / DC / 5 s) StSt (V4A) 30x3.5 mm/40x5 mm:
750 A / T4
Max. short-circuit current (AC 50 Hz / DC / 5 s) St/tZn 30x3.5 mm/40x5 mm:
1500 A / T4
Max. surface temperature T4: 135 °C
Material of saddle clamp: StSt,
Material No.: 1.4301 / 1.4303
Adapter housing Fl: Polyamide, halogen-free
blue, UV-stabilised

Brand: DEHN
Type: PAS EX FL
Part No.: 472499
or equivalent.

Tanúsítványok

 

Műszaki adatok

Lightning impulse current (10/350 µs) StSt (V4A) 30x3.5 mm / 40x5 mm 2HExIIC 75kA (non-sparking) T4
Lightning impulse current (10/350 µs) St/tZn 30x3.5 mm/40x5 mm 1HExIIC 100 kA (non-sparking) T4
Max. short-circuit current (AC 50 Hz / DC / 5 s) StSt (V4A) 30x3.5 mm / 40x5 mm 750 A / T4
Max. short-circuit current (AC 50 Hz / DC / 5 s) St/tZn 30x3.5 mm / 40x5 mm 1500 A / T4
Note: Non-sparking only ensured in connection with PAS EX ...!

A 472499 termék hozzá lett adva a jegyzettömbhöz.

A 472499 terméket hozzáadtuk a kosárhoz.

Webshop indítása

PAS ... CUGALSSN

Crimped cable lug according to DIN 46235 with nickel barrier layer to avoid whisker formation.

6 Termékek

Cikkszám 472432 PKS 16 10 CUGALNISN

GTIN 4013364470538, Vámtarifa szám (EU): 85369010, Bruttó súly: 16.33 g, PU: 3.00 pc(s)


Képek

További információ

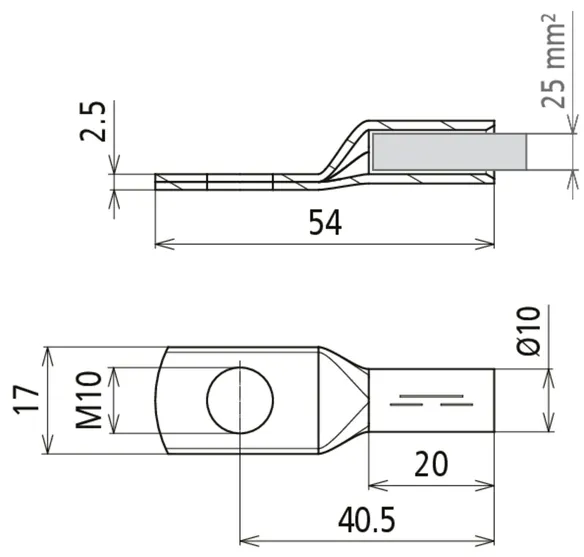
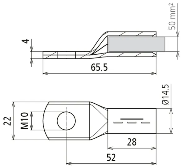
Crimped cable lug DIN 46235 16 mm² M10
Cu/gal Sn with nickel barrier layer
To avoid whisker formation in
hazardous areas, we
recommend the use of tin-plated crimped cable lugs
with a nickel barrier layer
Material: Cu/gal (Ni)Sn
Lightning impulse current (10/350 μs) Cugal (Ni)Sn 16 mm² (Re/Rm/Rf) /
StSt 40x10 mm: 1HEXIIC 100 kA (non-sparking) T4
Max. short-circuit current (AC 50 Hz / DC / 5 s) Cugal (Ni)Sn 16
mm² (Re) / StSt 40x10 mm: 1100 A / T4
Max. short-circuit current (AC 50 Hz / DC / 5 s) Cugal (Ni)Sn 16
mm² (Rm/Rf) / StSt 40x10 mm: 750 A / T4
Max. surface temperature T4: 135 °C
Cable lug hole: M10
Conductor cross-section: 16 mm²

Brand: DEHN
Type: PKS 16 10 CUGALNISN
Part No.: 472432
or equivalent.

Tanúsítványok

 

Műszaki adatok

Material Cu /gal (Ni)Sn
Cable lug hole M10
Conductor cross-section 16 mm2
Note: Non-sparking only ensured in connection with PAS EX ...!

A 472432 termék hozzá lett adva a jegyzettömbhöz.

A 472432 terméket hozzáadtuk a kosárhoz.

Webshop indítása

Cikkszám 472433 PKS 25 10 CUGALNISN

GTIN 4013364470545, Vámtarifa szám (EU): 85369010, Bruttó súly: 19.67 g, PU: 3.00 pc(s)


Képek

További információ

Crimped cable lug DIN 46235 25 mm² M10
Cu/gal Sn with nickel barrier layer
To avoid whisker formation in
hazardous areas, we
recommend the use of tin-plated crimped cable lugs
with a nickel barrier layer
Material: Cu/gal (Ni)Sn
Lightning impulse current (10/350 μs) Cugal (Ni)Sn 25 mm² (Rm/Rf) /
StSt 40x10 mm: 1HEXIIC 100 kA (non-sparking) T4
Max. short-circuit current (AC 50 Hz / DC / 5 s) Cugal (Ni)Sn
25 mm² (Rm/Rf) / StSt 40x10 mm: 1100 A / T4
Max. surface temperature T4: 135 °C
Cable lug hole: M10
Conductor cross-section: 25 mm²

Brand: DEHN
Type: PKS 25 10 CUGALNISN
Part No.: 472433
or equivalent.

Tanúsítványok

 

Műszaki adatok

Material Cu /gal (Ni)Sn
Cable lug hole M10
Conductor cross-section 25 mm2
Note: Non-sparking only ensured in connection with PAS EX ...!

A 472433 termék hozzá lett adva a jegyzettömbhöz.

A 472433 terméket hozzáadtuk a kosárhoz.

Webshop indítása

Cikkszám 472434 PKS 35 10 CUGALNISN

GTIN 4013364470552, Vámtarifa szám (EU): 85369010, Bruttó súly: 34.33 g, PU: 3.00 pc(s)


Képek

További információ

Crimped cable lug DIN 46235 35 mm² M10
Cu/gal Sn with nickel barrier layer
To avoid whisker formation in
hazardous areas, we
recommend the use of tin-plated crimped cable lugs
with a nickel barrier layer
Material: Cu/gal (Ni)Sn
Lightning impulse current (10/350 μs) Cugal (Ni)Sn 35 mm² (Rm/Rf) /
StSt 40x10 mm: 1HEXIIC 100 kA (non-sparking) T4
Max. short-circuit current (AC 50 Hz / DC / 5 s) Cugal (Ni)Sn
35 mm² (Rm/Rf) / StSt 40x10 mm: 1100 A / T4
Max. surface temperature T4: 135 °C
Cable lug hole: M10
Conductor cross-section: 35 mm²

Brand: DEHN
Type: PKS 35 10 CUGALNISN
Part No.: 472434
or equivalent.

Tanúsítványok

 

Műszaki adatok

Material Cu /gal (Ni)Sn
Cable lug hole M10
Conductor cross-section 35 mm2
Note: Non-sparking only ensured in connection with PAS EX ...!

A 472434 termék hozzá lett adva a jegyzettömbhöz.

A 472434 terméket hozzáadtuk a kosárhoz.

Webshop indítása

Cikkszám 472435 PKS 50 10 CUGALNISN

GTIN 4013364470569, Vámtarifa szám (EU): 85369010, Bruttó súly: 51.67 g, PU: 3.00 pc(s)


Képek

További információ

Crimped cable lug DIN 46235 50 mm² M10
Cu/gal Sn with nickel barrier layer
To avoid whisker formation in
hazardous areas, we
recommend the use of tin-plated crimped cable lugs
with a nickel barrier layer
Material: Cu/gal (Ni)Sn
Lightning impulse current (10/350 μs) Cugal (Ni)Sn 50 mm² (Rm/Rf) /
StSt 40x10 mm: 1HEXIIC 100 kA (non-sparking) T4
Max. short-circuit current (AC 50 Hz / DC / 5 s) Cugal (Ni)Sn
50 mm² (Rm/Rf) / StSt 40x10 mm: 1100 A / T4
Max. surface temperature T4: 135 °C
Cable lug hole: M10
Conductor cross-section: 50 mm²

Brand: DEHN
Type: PKS 50 10 CUGALNISN
Part No.: 472435
or equivalent.

Tanúsítványok

 

Műszaki adatok

Material Cu /gal (Ni)Sn
Cable lug hole M10
Conductor cross-section 50 mm2
Note: Non-sparking only ensured in connection with PAS EX ...!

A 472435 termék hozzá lett adva a jegyzettömbhöz.

A 472435 terméket hozzáadtuk a kosárhoz.

Webshop indítása

Cikkszám 472436 PKS 70 10 CUGALNISN

GTIN 4013364470576, Vámtarifa szám (EU): 85369010, Bruttó súly: 68.00 g, PU: 3.00 pc(s)


Képek

További információ

Crimped cable lug DIN 46235 70 mm² M10
Cu/gal Sn with nickel barrier layer
To avoid whisker formation in
hazardous areas, we
recommend the use of tin-plated crimped cable lugs
with a nickel barrier layer
Material: Cu/gal (Ni)Sn
Lightning impulse current (10/350 μs) Cugal (Ni)Sn 70 mm² (Rm/Rf) /
StSt 40x10 mm: 1HEXIIC 100 kA (non-sparking) T4
Max. short-circuit current (AC 50 Hz / DC / 5 s) Cugal (Ni)Sn
70 mm² (Rm/Rf) / StSt 40x10 mm: 1100 A / T4
Max. surface temperature T4: 135 °C
Cable lug hole: M10
Conductor cross-section: 70 mm²

Brand: DEHN
Type: PKS 70 10 CUGALNISN
Part No.: 472436
or equivalent.

Tanúsítványok

 

Műszaki adatok

Material Cu /gal (Ni)Sn
Cable lug hole M10
Conductor cross-section 70 mm2
Note: Non-sparking only ensured in connection with PAS EX ...!

A 472436 termék hozzá lett adva a jegyzettömbhöz.

A 472436 terméket hozzáadtuk a kosárhoz.

Webshop indítása

Cikkszám 472437 PKS 95 10 CUGALNISN

GTIN 4013364470583, Vámtarifa szám (EU): 85369010, Bruttó súly: 98.00 g, PU: 3.00 pc(s)


Képek

További információ

Crimped cable lug DIN 46235 95 mm² M10
Cu/gal Sn with nickel barrier layer
To avoid whisker formation in
hazardous areas, we
recommend the use of tin-plated crimped cable lugs
with a nickel barrier layer
Material: Cu/gal (Ni)Sn
Lightning impulse current (10/350 μs) Cugal (Ni)Sn 95 mm² (Rm/Rf) /
StSt 40x10 mm: 1HEXIIC 100 kA (non-sparking) T4
Max. short-circuit current (AC 50 Hz / DC / 5 s) Cugal (Ni)Sn
95 mm² (Rm/Rf) / StSt 40x10 mm: 1100 A / T4
Max. surface temperature T4: 135 °C
Cable lug hole: M10
Conductor cross-section: 95 mm²

Brand: DEHN
Type: PKS 95 10 CUGALNISN
Part No.: 472437
or equivalent.

Tanúsítványok

 

Műszaki adatok

Material Cu /gal (Ni)Sn
Cable lug hole M10
Conductor cross-section 95 mm2
Note: Non-sparking only ensured in connection with PAS EX ...!

A 472437 termék hozzá lett adva a jegyzettömbhöz.

A 472437 terméket hozzáadtuk a kosárhoz.

Webshop indítása

back to top