DEHNcube EMOB

  • Többpólusú túlfeszültségvédelem burkolatcsatlakozó dobozban az E-mobilitás számára
  • Csatlakozáskész komplett egység E-mobilitás számára
  • Ellenőrizve az EN 61643-11 és EN 61439-2 szerint
  • Alkalmazható a DIN VDE és EN 61439 szerint E-mobilitás számára
  • Kimenet oldali telepítővezeték előre huzalozva
  • Megfelelő alkalmazások számára 22 kW-ig

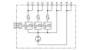
DEHNcube EMOB 2 16

Burkolatcsatlakozó doboz E-mobilitás számára.
Túlfeszültségvédelemmel és push-in kapcsokkal a kimenet számára.

1 Termék

Cikkszám 900901 DCU EMOB 2 16

GTIN 4013364506183, Vámtarifa szám (EU): 85371098, Bruttó súly: 1.14 kg, PU: 1.00 db.


Képek

További információ

Burkolatcsatlakozó doboz DCU EMOB 2 16
Burkolatcsatlakozó doboz típus 2+3 / II+III
az EN 61643-11 / ... IEC 61643-11 szerint
EN 61439-2 / IEC 61439-2
Csatlakozáskész komplett egység
univerzális telepítésre a Wallbox előtt
távjelző érintkezővel, működés-/hibajelzés funkcióval
Legmagasabb tartós feszültség: 275 V AC
Védelmi feszültségszint: <= 1,5 kV
Névleges levezetési lökőáram (8/20): 10 kA
Teljes levezetési lökőáram (8/20): 40 kA
Névleges áram: 16 A
Max. teljesítmény: 11 kW
Méret: 110 x 110 x 66 mm

Gyártó: DEHN
Típus: DCU EMOB 2 16
Cikksz.: 900901
vagy egyenértékű.

Tanúsítványok

 

Műszaki adatok

SPD típus az MSZ EN 61643-11 / ... IEC 61643-11 2. típus + 3. típus / II. osztály + III. osztály
Legnagyobb folyamatos üzemi feszültség AC [L-N] (UC ) 275 V (50 / 60 Hz)
Legnagyobb tartós üzemi feszültség DC (UC ) 350 V
Névleges áram AC (IL ) 16 A
Max. teljesítmény 11 kW
Névleges levezetési lökőáram (8/20 µs) [L-N] (In ) 10 kA
Maximális levezetési lökőáram (8/20 µs) [L-N] (Imax ) 20 kA
Névleges levezetési lökőáram (8/20 µs) [N-PE] (In ) 10 kA
Maximális levezetési lökőáram (8/20 µs) [N-PE] (Imax ) 20 kA
Védelmi feszültségszint [L-N] (UP ) ≤ 1,5 kV
Védelmi feszültségszint [N-PE] (UP ) ≤ 1,5 kV

A 900901 termék hozzá lett adva a jegyzettömbhöz.

A 900901 terméket hozzáadtuk a kosárhoz.

Webshop indítása

DEHNcube EMOB 2 25

Burkolatcsatlakozó doboz E-mobilitás számára.
Túlfeszültségvédelemmel és push-in kapcsokkal a kimenet számára.

1 Termék

Cikkszám 900902 DCU EMOB 2 25

GTIN 4013364506190, Vámtarifa szám (EU): 85371098, Bruttó súly: 1.63 kg, PU: 1.00 db.


Képek

További információ

Burkolatcsatlakozó doboz DCU EMOB 2 25
Burkolatcsatlakozó doboz típus 2+3 / II+III
az EN 61643-11 / ... IEC 61643-11 szerint
EN 61439-2 / IEC 61439-2
Csatlakozáskész komplett egység
univerzális telepítésre a Wallbox előtt
távjelző érintkezővel, működés-/hibajelzés funkcióval
Legmagasabb tartós feszültség: 275 V AC
Védelmi feszültségszint: <= 1,5 kV
Névleges levezetési lökőáram (8/20): 10 kA
Teljes levezetési lökőáram (8/20): 40 kA
Névleges áram: 25 A
Max. teljesítmény: 11 / 22 kW
Méret: 182 x 180 x 100 mm

Gyártó: DEHN
Típus: DCU EMOB 2 25
Cikksz.: 900902
vagy egyenértékű.

Tanúsítványok

 

Műszaki adatok

SPD típus az MSZ EN 61643-11 / ... IEC 61643-11 2. típus + 3. típus / II. osztály + III. osztály
Legnagyobb folyamatos üzemi feszültség AC [L-N] (UC ) 275 V (50 / 60 Hz)
Legnagyobb tartós üzemi feszültség DC (UC ) 350 V
Névleges áram AC (IL ) 25 A
Max. teljesítmény 11 / 22 kW
Névleges levezetési lökőáram (8/20 µs) [L-N] (In ) 10 kA
Maximális levezetési lökőáram (8/20 µs) [L-N] (Imax ) 20 kA
Névleges levezetési lökőáram (8/20 µs) [N-PE] (In ) 10 kA
Maximális levezetési lökőáram (8/20 µs) [N-PE] (Imax ) 20 kA
Védelmi feszültségszint [L-N] (UP ) ≤ 1,5 kV
Védelmi feszültségszint [N-PE] (UP ) ≤ 1,5 kV

A 900902 termék hozzá lett adva a jegyzettömbhöz.

A 900902 terméket hozzáadtuk a kosárhoz.

Webshop indítása

DEHNcube EMOB 2 25 C

Burkolatcsatlakozó doboz E-mobilitás számára.
Energiaszámlálóval és túlfeszültségvédelemmel push-in kapcsokkal a kimenet számára.

1 Termék

Cikkszám 900903 DCU EMOB 2 25 C

GTIN 4013364506206, Vámtarifa szám (EU): 85371098, Bruttó súly: 2.06 kg, PU: 1.00 db.


Képek

További információ

"Burkolatcsatlakozó doboz DCU EMOB 2 25 C
Burkolatcsatlakozó doboz típus 2+3 / II+III
az EN 61643-11 / ... IEC 61643-11 szerint
EN 61439-2 / IEC 61439-2
Csatlakozáskész komplett egység
3 fázisú energiaszámlálóval a Wallbox előtt
univerzális telepítésre a Wallbox előtt
távjelző érintkezővel, működés-/hibajelzés funkcióval
Legmagasabb tartós feszültség: 275 V AC
Védelmi feszültségszint: <= 1,5 kV
Névleges levezetési lökőáram (8/20): 10 kA
Teljes levezetési lökőáram (8/20): 40 kA
Névleges áram: 25 A
Max. teljesítmény: 11 / 22 kW
Méret: 217 x 253 x 115 mm

Gyártó: DEHN
Típus: DCU EMOB 2 25 C
Cikksz.: 900903
vagy egyenértékű.

Tanúsítványok

 

Műszaki adatok

SPD típus az MSZ EN 61643-11 / ... IEC 61643-11 2. típus + 3. típus / II. osztály + III. osztály
Legnagyobb folyamatos üzemi feszültség AC [L-N] (UC ) 275 V (50 / 60 Hz)
Legnagyobb tartós üzemi feszültség DC (UC ) 350 V
Névleges áram AC (IL ) 25 A
Max. teljesítmény 11 / 22 kW
Névleges levezetési lökőáram (8/20 µs) [L-N] (In ) 10 kA
Maximális levezetési lökőáram (8/20 µs) [L-N] (Imax ) 20 kA
Névleges levezetési lökőáram (8/20 µs) [N-PE] (In ) 10 kA
Maximális levezetési lökőáram (8/20 µs) [N-PE] (Imax ) 20 kA
Védelmi feszültségszint [L-N] (UP ) ≤ 1,5 kV
Védelmi feszültségszint [N-PE] (UP ) ≤ 1,5 kV

A 900903 termék hozzá lett adva a jegyzettömbhöz.

A 900903 terméket hozzáadtuk a kosárhoz.

Webshop indítása

DEHNcube EMOB 1 32

Burkolatcsatlakozó doboz E-mobilitás számára.
Kombinált levezetővel és push-in kapcsokkal a kimenet számára.

1 Termék

Cikkszám 900904 DCU EMOB 1 32

GTIN 4013364506213, Vámtarifa szám (EU): 85371098, Bruttó súly: 2.55 kg, PU: 1.00 db.


Képek

További információ

Burkolatcsatlakozó doboz DCU EMOB 1 32
Burkolatcsatlakozó doboz típus 1+2 / I+II
az EN 61643-11 / ... IEC 61643-11 szerint
EN 61439-2 / IEC 61439-2
Csatlakozáskész komplett egység
univerzális telepítésre a Wallbox előtt
távjelző érintkezővel, működés-/hibajelzés funkcióval
Legmagasabb tartós feszültség: 255 V AC
Védelmi feszültségszint: <= 1,5 kV
Villámáram impulzus (10/350): 12,5 / 50 kA
Névleges levezetési lökőáram (8/20): 25 / 100 kA
Névleges áram: 32 A
Max. teljesítmény: 11 / 22 kW
Méret: 217 x 253 x 115 mm

Gyártó: DEHN
Típus: DCU EMOB 1 32
Cikksz.: 900904
vagy egyenértékű.

Tanúsítványok

 

Műszaki adatok

SPD típus az MSZ EN 61643-11 / ... IEC 61643-11 1. típus + 2. típus / I. osztály + II. osztály
Legnagyobb tartós üzemi feszültség AC [L-N]/[N-PE] (UC ) 255 V (50 / 60 Hz)
Névleges áram AC (IL ) 32 A
Max. teljesítmény 11 / 22 kW
Villámáram impulzus (10/350) [L-N]/[N-PE] (Iimp ) 12,5 / 50 kA
Névleges levezetési lökőáram (8/20) (In ) 25 / 100 kA
Védelmi feszültségszint [L-N] (UP ) ≤ 1,5 kV
Védelmi feszültségszint [N-PE] (UP ) ≤ 1,5 kV

A 900904 termék hozzá lett adva a jegyzettömbhöz.

A 900904 terméket hozzáadtuk a kosárhoz.

Webshop indítása

DEHNcube EMOB 2 32

Burkolatcsatlakozó doboz E-mobilitás számára.
Túlfeszültségvédelemmel és push-in kapcsokkal a kimenet számára.

1 Termék

Cikkszám 900905 DCU EMOB 2 32

GTIN 4013364506244, Vámtarifa szám (EU): 85371098, Bruttó súly: 2.07 kg, PU: 1.00 db.


Képek

További információ

Burkolatcsatlakozó doboz DCU EMOB 2 32
Burkolatcsatlakozó doboz típus 2+3 / II+III
az EN 61643-11 / ... IEC 61643-11 szerint
EN 61439-2 / IEC 61439-2
Csatlakozáskész komplett egység
univerzális telepítésre a Wallbox előtt
távjelző érintkezővel, működés-/hibajelzés funkcióval
Legmagasabb tartós feszültség: 275 V AC
Védelmi feszültségszint: <= 1,5 kV
Névleges levezetési lökőáram (8/20): 10 kA
Teljes levezetési lökőáram (8/20): 40 kA
Névleges áram: 32 A
Max. teljesítmény: 11 / 22 kW
Méret: 182 x 180 x 100 mm

Gyártó: DEHN
Típus: DCU EMOB 2 32
Cikksz.: 900905
vagy egyenértékű.

Tanúsítványok

 

Műszaki adatok

SPD típus az MSZ EN 61643-11 / ... IEC 61643-11 2. típus + 3. típus / II. osztály + III. osztály
Legnagyobb folyamatos üzemi feszültség AC [L-N] (UC ) 275 V (50 / 60 Hz)
Legnagyobb tartós üzemi feszültség DC (UC ) 350 V
Névleges áram AC (IL ) 32 A
Max. teljesítmény 11 / 22 kW
Névleges levezetési lökőáram (8/20 µs) [L-N] (In ) 10 kA
Maximális levezetési lökőáram (8/20 µs) [L-N] (Imax ) 20 kA
Névleges levezetési lökőáram (8/20 µs) [N-PE] (In ) 10 kA
Maximális levezetési lökőáram (8/20 µs) [N-PE] (Imax ) 20 kA
Védelmi feszültségszint [L-N] (UP ) ≤ 1,5 kV
Védelmi feszültségszint [N-PE] (UP ) ≤ 1,5 kV

A 900905 termék hozzá lett adva a jegyzettömbhöz.

A 900905 terméket hozzáadtuk a kosárhoz.

Webshop indítása

back to top