Cikkszám 952920 DG SE CI 440 FM
GTIN 4013364322622, Vámtarifa szám (EU): 85363030, Bruttó súly: 178.00 g, PU: 1.00 db.
Műszaki adatok
| SPD típus/osztály az MSZ EN 61643-11 / ... IEC 61643-11 alapján | 2.típus / II.osztály |
| Legnagyobb folyamatos üzemi feszültség AC (UC ) | 440 V (50 / 60 Hz) |
| Névleges levezetési áram (8/20 µs) (In ) | 12,5 kA |
| Védelmi feszültségszint (UP ) | ≤ 2 kV |
| Max. hálózatoldali túláramvédelem | nem szükséges |
| Jelzőérintkező / Érintkezőtípus | váltóérintkező |
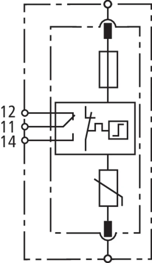
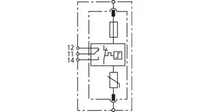
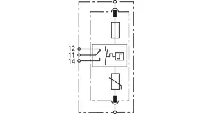
DEHNguard SE CI WE 440 FM
Moduláris egypólusú túlfeszültség-védelmi készülék, Umov = 750V AC névleges varisztor feszültséggel, mely alapmodulból és dugaszolható védelmi modulból áll; beépített előtét-biztosítóval és távjelző érintkezővel felügyeleti rendszer számára (potenciálfüggetlen váltóérintkező)
1 Termék
Cikkszám 952923 DG SE CI WE 440 FM
GTIN 4013364322639, Vámtarifa szám (EU): 85363030, Bruttó súly: 184.00 g, PU: 1.00 db.
Műszaki adatok
| SPD típus/osztály az MSZ EN 61643-11 / ... IEC 61643-11 alapján | 2.típus / II.osztály |
| Legnagyobb folyamatos üzemi feszültség AC (UC ) | 440 V (50 / 60 Hz) |
| Varisztor névleges feszültség AC (Umov ) | 750 V |
| Névleges levezetési áram (8/20 µs) (In ) | 12,5 kA |
| Védelmi feszültségszint (UP ) | ≤ 3 kV |
| Max. hálózatoldali túláramvédelem | nem szükséges |
| Jelzőérintkező / Érintkezőtípus | váltóérintkező |
