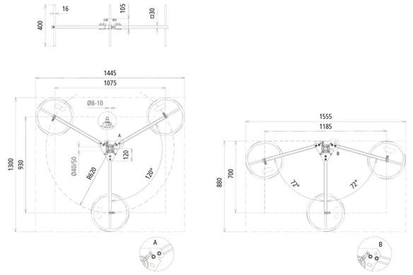
Tartó D40 felfogórudak és GFK/Al támasztócsövek számára

Betontalpas kivitelezéshez (súly 17 kg). Illesztve a max. 10°-os tetőhajlatra változó rögzítéssel a talptartón. A D40 felfogórudak / támasztócsövek külön rendelendők.

A tartozéknál külön elérhetők az egymásra rakható betontalpak, az alátétlap, a talptartó készlet további talpak felvételére és az adapterkészlet D40 felfogórudak számára.

Megjegyzés: A tetővezetőtartók, valamint alátétlapok anyagkompatibilitására vonatkozó információk tetőelemekkel kapcsolatban a DEHN cégtől kérhetők.

Kicsi háromlábú állvány

D40 felfogórudak, DEHNiso-Combi támasztócsövek felfogócsúccsal / -rúddal vagy HVI vezeték számára támasztócsőben/csövön fektetve.
Csatlakozás kettős átfedéssel 2x Rd 8-10 mm [villámáram-levezetőképesség 100 kA (10/350 µs)].

1 Termék

Cikkszám 107390 DBS KB D50 RA680 V2A

GTIN 4013364478466, Vámtarifa szám (EU): 85389099, Bruttó súly: 7.75 kg, PU: 1.00 db.

Kifutott termék:

Képek

További információ

Háromlábú állvány kicsi NIRO (behajtható kivitel)
Háromlábú állvány (kivitel behajtható)
D 50 mm támasztócsövek számára oldalsó kimenettel vagy felfogórúddal
D 40 mm szűkítő tartozékkal.
Kettős átfedéssel 2x Rd 8-10 mm csatlakozáshoz
Betontalpas kivitelezéshez (súly 17 kg)
Tetőhajlat szögének kiegyenlítése max. 10°-ig
Egymásra rakható betontalp (cikkszám 102 010)
Alátétlap (cikkszám 102 050)
Talptartó készlet (cikkszám 107 396)
Szűkítő tartozék (cikkszám 107 399)
külön rendelendő.
A háromlábú állványok az
Eurocode 1 (DIN EN 1991-1-4 + DIN EN 1991-1-4/NA) szerint
vannak méretezve.
Állvány anyaga: NIRO
Fogadó: 50 és 40*) mm
Sugár: 680 mm
Állvány helyigénye: 1175 x 1020 mm

Gyártó: DEHN
Típus: DBS KB D50 RA680 V2A
Cikksz.: 107390
vagy egyenértékű.

Tanúsítványok

 

Műszaki adatok

Állvány anyaga NIRO
Fogadó 50 és 40*) mm
Sugár 680 mm
Állvány helyigénye 1175 x 1020 mm
*) Csak adapterkészlettel cikkszám 107 399.

A 107390 termék hozzá lett adva a jegyzettömbhöz.

A 107390 terméket hozzáadtuk a kosárhoz.

Webshop indítása

Nagy háromlábú állvány

D40 felfogórudak, DEHNiso-Combi támasztócsövek felfogócsúccsal / -rúddal vagy HVI vezeték számára támasztócsőben/csövön fektetve.
Csatlakozás kettős átfedéssel 2x Rd 8-10 mm [villámáram-levezetőképesség 100 kA (10/350 µs)].

1 Termék

Cikkszám 107391 DBS KB D50 RA1330 V2A

GTIN 4013364478473, Vámtarifa szám (EU): 85389099, Bruttó súly: 15.60 kg, PU: 1.00 db.

Kifutott termék:

Képek

További információ

Háromlábú állvány nagy NIRO (behajtható kivitel)
Háromlábú állvány (behajtható kivitel) támasztócsövek számára
D 50 mm mit oldalsó kimenettel és kettős átfedéssel
a 2x Rd 8-10 mm csatlakozáshoz, betontalpas
kivitelezéshez (súly 17 kg) talptartó készlettel illesztve a
tetőhajlathoz max. 10°-ig.
Egymásra rakható betontalp (cikkszám 102 010)
Alátétlap (cikkszám 102 050)
Talptartó készlet (cikkszám 107 396)
Szűkítő tartozék (cikkszám 107 399)
külön rendelendő.
A háromlábú állványok az
Eurocode 1 (DIN EN 1991-1-4 + DIN EN 1991-1-4/NA) szerint
vannak méretezve.
Állvány anyaga: NIRO
Fogadó: 50 és 40*) mm
Sugár: 1330 mm
Állvány helyigénye: 2300 x 1995 mm

Gyártó: DEHN
Típus: DBS KB D50 RA1330 V2A
Cikksz.: 107391
vagy egyenértékű.

 

Műszaki adatok

Állvány anyaga NIRO
Fogadó 50 és 40*) mm
Sugár 1330 mm
Állvány helyigénye 2300 x 1995 mm
*) Csak adapterkészlettel cikkszám 107 399.

A 107391 termék hozzá lett adva a jegyzettömbhöz.

A 107391 terméket hozzáadtuk a kosárhoz.

Webshop indítása

Kicsi négylábú állvány

D40, D50 és D60 felfogórudak, DEHNiso-Combi támasztócsövek felfogócsúccsal / -rúddal vagy HVI vezeték számára támasztócsőben/csövön fektetve.
Csatlakozás kettős átfedéssel 2x Rd 8-10 mm [villámáram-levezetőképesség 100 kA (10/350 µs)].

1 Termék

Cikkszám 107490 VBS KB D50 RA680 V2A

GTIN 4013364478480, Vámtarifa szám (EU): 85389099, Bruttó súly: 10.38 kg, PU: 1.00 db.


Képek

További információ

Négylábú állvány kicsi NIRO (behajtható kivitel)
Négylábú állvány (kivitel behajtható)
D 50 mm támasztócsövek számára oldalsó kimenettel vagy felfogórúddal
D 40 mm szűkítő tartozékkal.
Kettős átfedéssel 2x Rd 8-10 mm csatlakozáshoz
Betontalpas kivitelezéshez (súly 17 kg)
Tetőhajlat szögének kiegyenlítése max. 10°-ig
Egymásra rakható betontalp (cikkszám 102 010)
Alátétlap (cikkszám 102 050)
Talptartó készlet (cikkszám 107 396)
Szűkítő tartozék (cikkszám 107 399)
külön rendelendő.
A négylábú állványok az
Eurocode 1 (DIN EN 1991-1-4 + DIN EN 1991-1-4/NA) szerint
vannak méretezve.
Állvány anyaga: NIRO
Fogadó: 50 és 40*) mm
Sugár: 680 mm
Állvány helyigénye: 960 x 960 mm

Gyártó: DEHN
Típus: VBS KB D50 RA680 V2A
Cikksz.: 107490
vagy egyenértékű.

Tanúsítványok

 

Műszaki adatok

Állvány anyaga NIRO
Fogadó 50 és 40*) mm
Sugár 680 mm
Állvány helyigénye 960 x 960 mm
*) Csak adapterkészlettel cikkszám 107 399.

A 107490 termék hozzá lett adva a jegyzettömbhöz.

A 107490 terméket hozzáadtuk a kosárhoz.

Webshop indítása

Nagy négylábú állvány

D40, D50 és D60 felfogórudak, DEHNiso-Combi támasztócsövek felfogócsúccsal / -rúddal vagy HVI vezeték számára támasztócsőben/csövön fektetve.
Csatlakozás kettős átfedéssel 2x Rd 8-10 mm [villámáram-levezetőképesség 100 kA (10/350 µs)].

1 Termék

Cikkszám 107491 VBS KB D50 RA1330 V2A

GTIN 4013364478497, Vámtarifa szám (EU): 85389099, Bruttó súly: 17.63 kg, PU: 1.00 db.


Képek

További információ

Nagy négylábú állvány NIRO (behajtható kivitel)
Négylábú állvány (behajtható kivitel) támasztócsövek számára
D 50 mm oldalsó kimenettel vagy felfogórúddal
D 40 mm szűkítő tartozékkal
Kettős átfedéssel 2x Rd 8-10 mm csatlakozáshoz
Betontalpas kivitelezéshez (súly 17 kg)
Tetőhajlat szögének kiegyenlítése max. 10°-ig
Egymásra rakható betontalp (cikkszám 102 010)
Alátétlap (cikkszám 102 050)
Talptartó készlet (cikkszám 107 396)
Szűkítő tartozék (cikkszám 107 399)
külön rendelendő.
A négylábú állványok az
Eurocode 1 (DIN EN 1991-1-4 + DIN EN 1991-1-4/NA) szerint
vannak méretezve.
Állvány anyaga: NIRO
Fogadó: 50 és 40*) mm
Sugár: 1330 mm
Állvány helyigénye: 1880 x 1880 mm

Gyártó: DEHN
Típus: VBS KB D50 RA1330 V2A
Cikksz.: 107491
vagy egyenértékű.

 

Műszaki adatok

Állvány anyaga NIRO
Fogadó 50 és 40*) mm
Sugár 1330 mm
Állvány helyigénye 1880 x 1880 mm
*) Csak adapterkészlettel cikkszám 107 399.

A 107491 termék hozzá lett adva a jegyzettömbhöz.

A 107491 terméket hozzáadtuk a kosárhoz.

Webshop indítása

Kivitel behajtható St/tZn

Felfogórudakhoz Ø40 mm vagy támasztócsövekhez Ø50 mm 3200 mm hosszúsággal (pl. cikkszám 105 440 vagy 105 300), járulékos rögzítés nélkül a szerkezeti elemeken.
Csatlakozás kettős átfedéssel 2x Rd 8-10 mm [villámáram-levezetőképesség 100 kA (10/350 µs)].

3 Termékek

Cikkszám 105200 DBS KB D40.50 RA560 STTZN

GTIN 4013364095908, Vámtarifa szám (EU): 85389099, Bruttó súly: 9.60 kg, PU: 1.00 db.


Képek

További információ

Háromlábú állvány felfogórudak számára kivitel behajtható St/tZn
Háromlábú állvány DEHNiso-Combi
számára támasztócsövek
vagy fogórudak D40 szabad felállításához 3200 mm
hosszúsággal
(pl. cikkszám 105 300 vagy 105 440),
járulékos rögzítés nélkül a
szerkezeti elemeken
Illesztve a max. 10°-os tetőhajlatra.
Az egymásra rakható betonalapot (cikkszám 102 010) és az
alaplapot (cikkszám: 102 050) külön kell
megrendelni.
Állvány anyaga: St/tZn
Fogadó: Ø40 / 50 mm
Sugár: 560 mm
Állvány helyigénye: 1200 x 1330 mm
Betontalpak száma: 6 - 9 darab à 17 kg
Szabványhivatkozás: DIN EN 62561-1

Gyártó: DEHN
Típus: DBS KB D40.50 RA560 STTZN
Cikksz.: 105200
vagy egyenértékű.

Tanúsítványok

 

Műszaki adatok

Állvány anyaga St/tZn
Fogadó Ø40 / 50 mm
Sugár 560 mm
Állvány helyigénye 1200 x 1330 mm
Szabványhivatkozás DIN EN 62561-1

A 105200 termék hozzá lett adva a jegyzettömbhöz.

A 105200 terméket hozzáadtuk a kosárhoz.

Webshop indítása

Cikkszám 105351 DBS KB D40.50 RA620 STTZN

GTIN 4013364238916, Vámtarifa szám (EU): 85389099, Bruttó súly: 11.50 kg, PU: 1.00 db.


Képek

További információ

Háromlábú állvány HVI vezeték számára kicsi St/tZn
Háromlábú állvány HVI vezeték számára támasztócsőben
speciális kivitel támasztócsövek számára (hossza 3200 mm).
A HVI vezeték hajlítási sugarának betartásához
alul a háromlábú állványon két betontalpat a szár alatt
és egyet afölött kell pozicionálni.
Járulékos rögzítés nélkül a szerkezeti elemeken
Illesztés a max. 10°-os tetőhajlatra lehetséges.
Az egymásra rakható betonalapot (cikkszám: 102 010) és az
alaplapot (cikkszám: 102 050) külön kell megrendelni.
A háromlábú állványok az
Eurocode 1 (DIN EN 1991-1-4 + DIN EN 1991-1-4/NA) szerint vannak méretezve.
Állvány anyaga: St/tZn
Fogadó: 40 / 50 mm
Sugár: 620 mm
Állvány helyigénye: 1300 x 1450 mm
Betontalpak száma: 3-12 darab à 17 kg

Gyártó: DEHN
Típus: DBS KB D40.50 RA620 STTZN
Cikksz.: 105351
vagy egyenértékű.

Tanúsítványok

 

Műszaki adatok

Állvány anyaga St/tZn
Fogadó 40 / 50 mm
Sugár 620 mm
Állvány helyigénye 1300 x 1450 mm

A 105351 termék hozzá lett adva a jegyzettömbhöz.

A 105351 terméket hozzáadtuk a kosárhoz.

Webshop indítása

Cikkszám 105357 DBS KB D40.50 RA220 STTZN

GTIN 4013364527829, Vámtarifa szám (EU): 85389099, Bruttó súly: 8.04 kg, PU: 1.00 db.


Képek

További információ

Háromlábú állvány helytakarékos, állítható magasságú és behajtható
felfogórudak és támasztócsövek
fogadására Ø40 mm és Ø50 mm
Tetőhajlat kiegyenlítése 10°-ig lehetséges.
Akár négy betontalp fogadása
lábanként lehetséges
Állvány anyaga: St/tZn
Fogadó: 40 / 50 mm
Sugár: 220 mm
Állvány helyigénye: 668 x 718 mm
Betontalpak száma: 3-12 darab à 17 kg
Szabványhivatkozás: DIN EN 62561-1

Gyártó: DEHN
Típus: DBS KB D40.50 RA220 STTZN
Cikksz.: 105357
vagy egyenértékű.

 

Műszaki adatok

Állvány anyaga St/tZn
Fogadó 40 / 50 mm
Sugár 220 mm
Állvány helyigénye 668 x 718 mm
Szabványhivatkozás DIN EN 62561-1

A 105357 termék hozzá lett adva a jegyzettömbhöz.

A 105357 terméket hozzáadtuk a kosárhoz.

Webshop indítása

Kicsi háromlábú állvány (kimenet)

1 Termék

Cikkszám 105290 DBS KB D40.50 RA590 V2A

GTIN 4013364126046, Vámtarifa szám (EU): 85389099, Bruttó súly: 8.40 kg, PU: 1.00 db.


Képek

További információ

Háromlábú állvány felfogórudak számára kivitel behajtható NIRO
Háromlábú állvány D40 felfogórudak és GFK/Al támasztócsövek számára
betontalpas kivitelezéshez (súly 17 kg)
M16 menetes szárral végzett illesztéssel max. 10°-os
tetőhajlatra.
Méretezve szélsebességre 145 km/h-ig
(szélterhelési zóna II). A felfogórudakat
D40/támasztócsöveket vagy az egymásra
rakható betontalpat (cikkszám 102 010) és az alaplapot (cikkszám: 102
050) külön kell megrendelni.
Behajtható felfogórudakhoz
D40 5,5 m magasságig,
Állvány anyaga: NIRO
Fogadó: Ø40 / 50 mm
Sugár: 590 mm
Állvány helyigénye: 1230 x 1370 mm
Magasság – betontalpak száma: 4000 / 4500 mm – 3 darab 5000 / 5500 mm – 6 darab

Gyártó: DEHN
Típus: DBS KB D40.50 RA590 V2A
Cikksz.: 105290
vagy egyenértékű.

 

Műszaki adatok

Állvány anyaga NIRO
Fogadó Ø40 / 50 mm
Sugár 590 mm
Állvány helyigénye 1230 x 1370 mm

A 105290 termék hozzá lett adva a jegyzettömbhöz.

A 105290 terméket hozzáadtuk a kosárhoz.

Webshop indítása

Kivitel osztható NIRO (kimenet)

D40 felfogórudak, DEHNiso-Combi támasztócsövek felfogócsúccsal vagy HVI vezeték számára támasztócsőben/csövön fektetve.

1 Termék

Cikkszám 105291 DBS KB D40.50 RA1100 V2A

GTIN 4013364126053, Vámtarifa szám (EU): 85389099, Bruttó súly: 19.00 kg, PU: 1.00 db.


Képek

További információ

Háromlábú állvány felfogórudak számára kivitel osztható NIRO
Háromlábú állvány D40 felfogórudak és GFK/Al támasztócsövek számára
betontalpas kivitelezéshez (súly 17 kg)
M16 menetes szárral végzett illesztéssel max. 10°-os
tetőhajlatra.
Méretezve szélsebességre 145 km/h-ig
(szélterhelési zóna II). A felfogórudakat
D40/támasztócsöveket vagy az egymásra
rakható betontalpat (cikkszám 102 010) és az alaplapot (cikkszám: 102
050) külön kell megrendelni.
Osztható felfogórudakhoz
D40 8,0 m magasságig,
Állvány anyaga: NIRO
Fogadó: Ø40 / 50 mm
Sugár: 1155 mm
Állvány helyigénye: 2050 x 2300 mm
Magasság – betontalpak száma: 6000 / 6500 mm – 6 darab 7000-8000 mm – 9 darab

Gyártó: DEHN
Típus: DBS KB D40.50 RA1100 V2A
Cikksz.: 105291
vagy egyenértékű.

Tanúsítványok

 

Műszaki adatok

Állvány anyaga NIRO
Fogadó Ø40 / 50 mm
Sugár 1155 mm
Állvány helyigénye 2050 x 2300 mm

A 105291 termék hozzá lett adva a jegyzettömbhöz.

A 105291 terméket hozzáadtuk a kosárhoz.

Webshop indítása

back to top