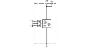
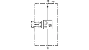
DEHNgap
:quality(98)/www.dehn.hu/store/f/62258288/HDVORSCHAU/961101a1_16-9.jpg)
:quality(98)/www.dehn.hu/store/f/62258288/HDVORSCHAU/961101a1_16-9.jpg)
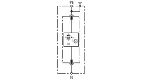
- Levezetési áramimpulzus akár 100 kA (10/350 µs)
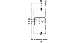
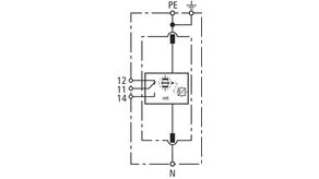
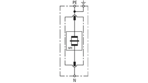
- Összegáram-levezető N nullavezető és PE védőföldvezető között, melyet kifejezetten a TT rendszerek 3+1 illetve 1+1 kapcsolásokhoz terveztek az MSZ HD 60364-5-534 szabvány szerint
- Kúszószikraköz-technológia
- Működési állapot-/hiba jelzése zöld/piros színnel kémlelőablakban
Details
:quality(98)/www.dehn.hu/store/f/62258289/HDVORSCHAU/900050a2_Kat.jpg)
:quality(98)/www.dehn.hu/store/f/62258289/HDVORSCHAU/900050a2_Kat.jpg)
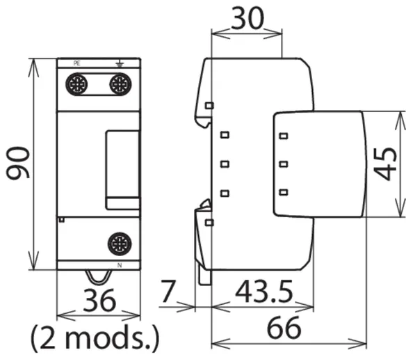
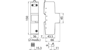
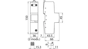
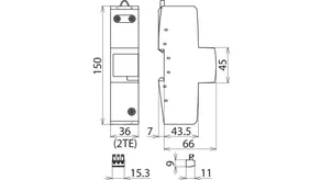
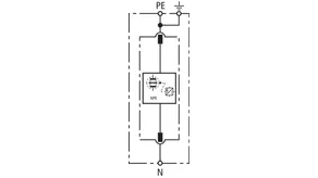
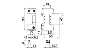
Cikkszám 961101 DGP M 255
GTIN 4013364118676, Vámtarifa szám (EU): 85363030, Bruttó súly: 331.00 g, PU: 1.00 db.
Kifutott termék:Műszaki adatok
Legnagyobb folyamatos üzemi feszültség AC (UC ) | 255 V (50 / 60 Hz) |
Levezetési áramimpulzus (10/350 µs) (Iimp ) | 100 kA |
Védelmi feszültségszint (UP ) | ≤ 1,5 kV |
Tanúsítványok | VDE, KEMA, UL |
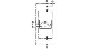
Cikkszám 961105 DGP M 255 FM
GTIN 4013364118683, Vámtarifa szám (EU): 85363030, Bruttó súly: 336.00 g, PU: 1.00 db.
Kifutott termék:Műszaki adatok
SPD típus/osztály az MSZ EN 61643-11 / ... IEC 61643-11 alapján | 1.típus / I.osztály |
Legnagyobb folyamatos üzemi feszültség AC (UC ) | 255 V (50 / 60 Hz) |
Levezetési áramimpulzus (10/350 µs) (Iimp ) | 100 kA |
Védelmi feszültségszint (UP ) | ≤ 1,5 kV |
Tanúsítványok | VDE, KEMA, UL |
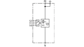
Jelzőérintkező / Érintkezőtípus | váltóérintkező |
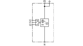
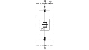
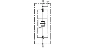
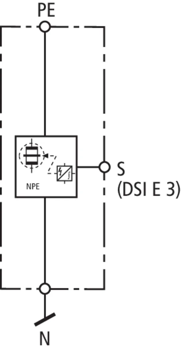
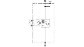
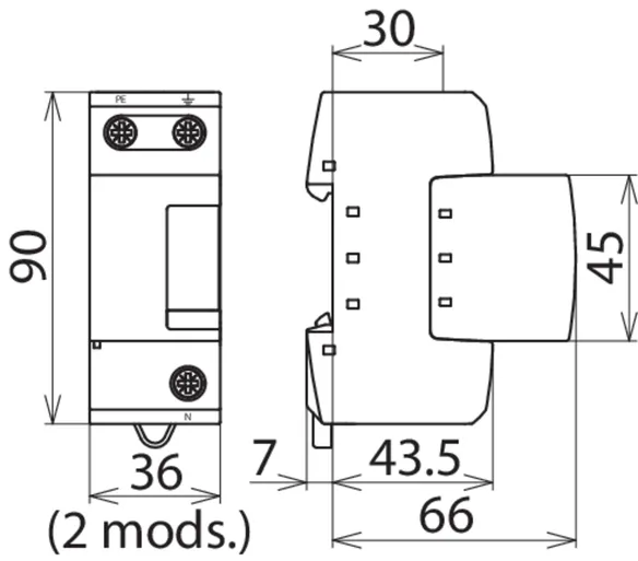
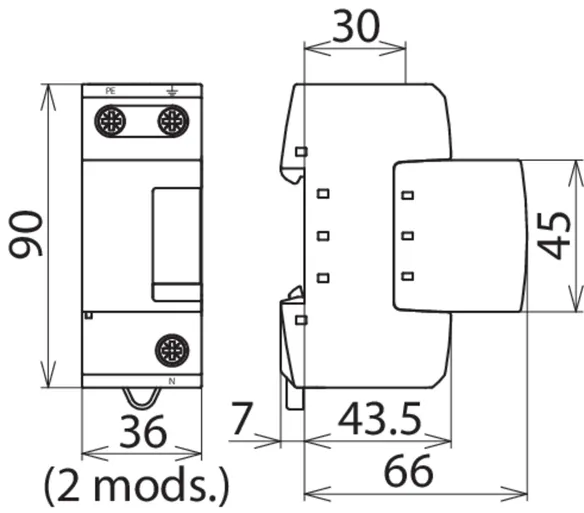
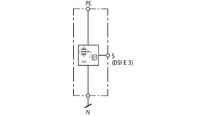
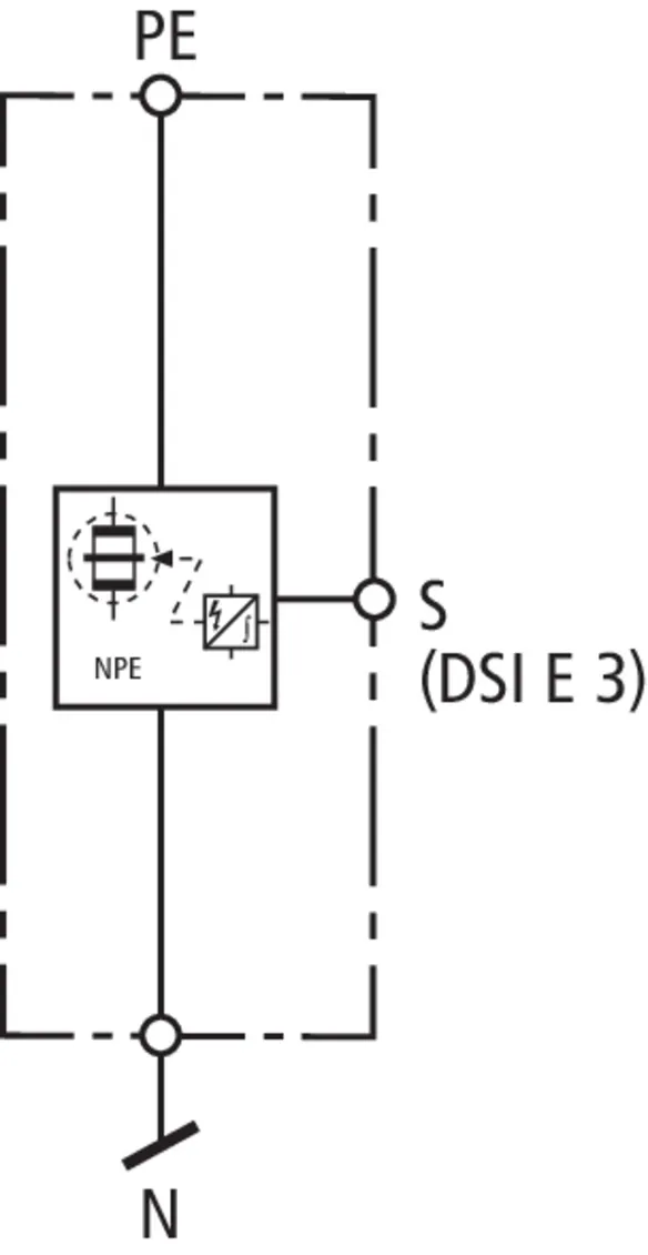
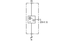
Cikkszám 900050 DGPM 1 255 S
GTIN 4013364107496, Vámtarifa szám (EU): 85363090, Bruttó súly: 539.00 g, PU: 1.00 db.
Műszaki adatok
SPD típus/osztály az MSZ EN 61643-11 / ... IEC 61643-11 alapján | 1.típus / I. osztály |
Legnagyobb folyamatos üzemi feszültség AC (UC ) | 255 V (50 / 60 Hz) |
Levezetési áramimpulzus (10/350 µs) (Iimp ) | 100 kA |
Védelmi feszültségszint (UP ) | ≤ 2.5 kV (beleértve egy 80cm-es kábelszakaszt) |
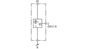
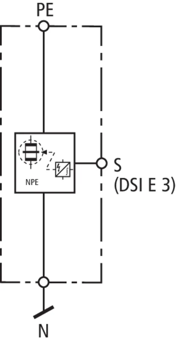
Működésfelügyelet | DEHNsignal DSI E 3 segítségével |
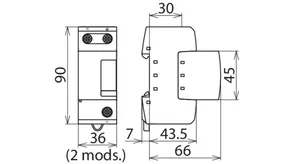
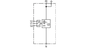
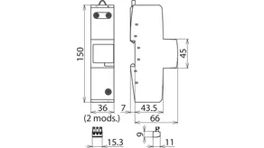
Cikkszám 961180 DGPM 1 255
GTIN 4013364157323, Vámtarifa szám (EU): 85363090, Bruttó súly: 460.00 g, PU: 1.00 db.
Műszaki adatok
SPD típus/osztály az MSZ EN 61643-11 / ... IEC 61643-11 alapján | 1.típus + 2.típus/ I.osztály + II.osztály |
Legnagyobb folyamatos üzemi feszültség AC (UC ) | 255 V (50 / 60 Hz) |
Levezetési áramimpulzus (10/350 µs) (Iimp ) | 100 kA |
Védelmi feszültségszint (UP ) | ≤ 1,5 kV |
Tanúsítványok | KEMA |
Cikkszám 961185 DGPM 1 255 FM
GTIN 4013364157330, Vámtarifa szám (EU): 85363090, Bruttó súly: 460.00 g, PU: 1.00 db.
Műszaki adatok
SPD típus/osztály az MSZ EN 61643-11 / ... IEC 61643-11 alapján | 1.típus + 2.típus/ I.osztály + II.osztály |
Legnagyobb folyamatos üzemi feszültség AC (UC ) | 255 V (50 / 60 Hz) |
Levezetési áramimpulzus (10/350 µs) (Iimp ) | 100 kA |
Védelmi feszültségszint (UP ) | ≤ 1,5 kV |
Tanúsítványok | KEMA |
Jelzőérintkező / Érintkezőtípus | váltóérintkező |
Cikkszám 961160 DGPM 440
GTIN 4013364116290, Vámtarifa szám (EU): 85363030, Bruttó súly: 415.00 g, PU: 1.00 db.
Műszaki adatok
Legnagyobb folyamatos üzemi feszültség AC (UC ) | 440 V (50 / 60 Hz) |
Levezetési áramimpulzus (10/350 µs) (Iimp ) | 100 kA |
Védelmi feszültségszint (UP ) | ≤ 2,5 kV |
Tanúsítványok | UL |
Cikkszám 961165 DGPM 440 FM
GTIN 4013364116306, Vámtarifa szám (EU): 85363030, Bruttó súly: 418.00 g, PU: 1.00 db.
Műszaki adatok
Legnagyobb folyamatos üzemi feszültség AC (UC ) | 440 V (50 / 60 Hz) |
Levezetési áramimpulzus (10/350 µs) (Iimp ) | 100 kA |
Védelmi feszültségszint (UP ) | ≤ 2,5 kV |
Tanúsítványok | UL |
Jelzőérintkező / Érintkezőtípus | váltóérintkező |
Cikkszám 961102 DGPH M 255
GTIN 4013364118690, Vámtarifa szám (EU): 85363030, Bruttó súly: 300.00 g, PU: 1.00 db.
Kifutott termék:Műszaki adatok
Legnagyobb folyamatos üzemi feszültség AC (UC ) | 255 V (50 / 60 Hz) |
Levezetési áramimpulzus (10/350 µs) (Iimp ) | 100 kA |
Védelmi feszültségszint (UP ) | ≤ 4 kV |