DEHNguard modular (Y)PV SCI ...
:quality(98)/www.dehn.hu/store/f/61880448/HDVORSCHAU/952510a4_16-9.jpg)
:quality(98)/www.dehn.hu/store/f/61880448/HDVORSCHAU/952510a4_16-9.jpg)
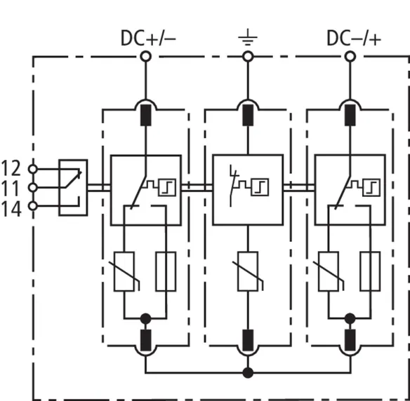
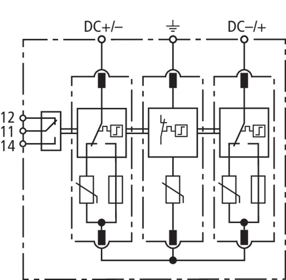
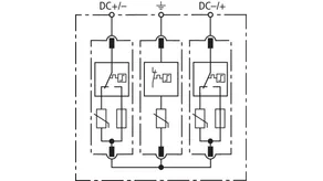
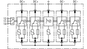
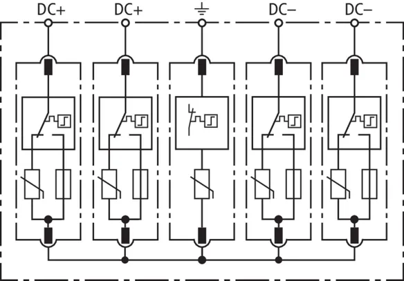
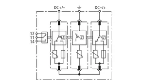
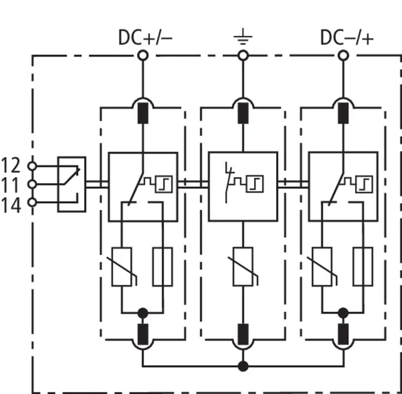
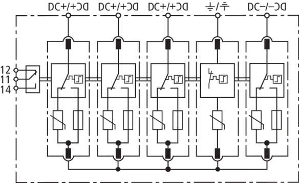
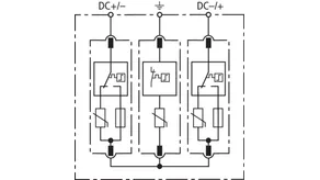
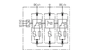
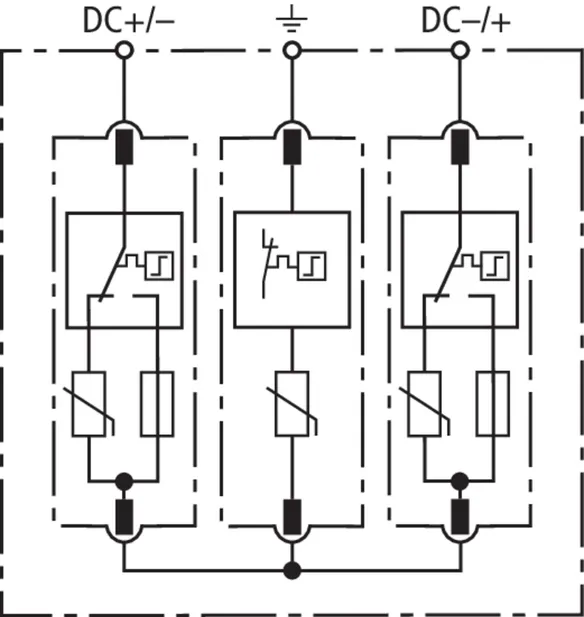
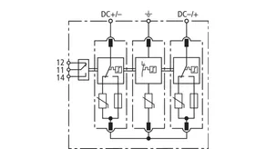
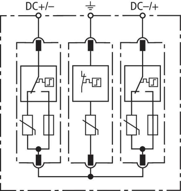
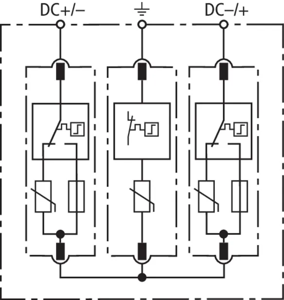
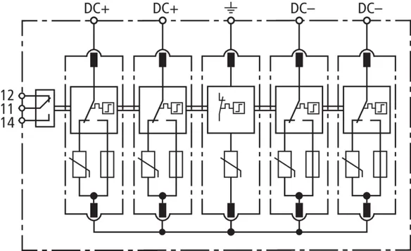
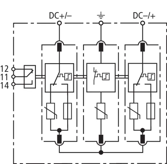
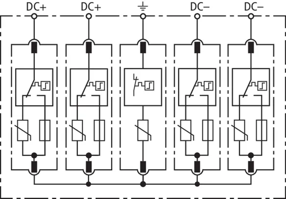
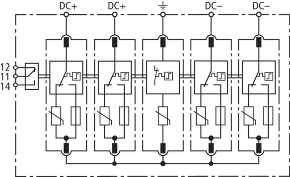
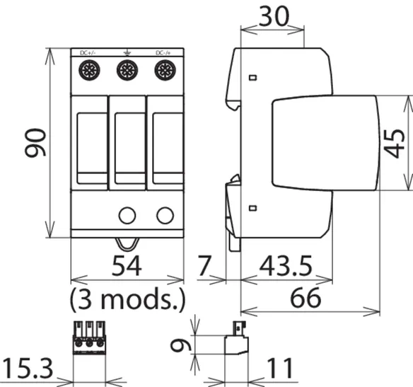
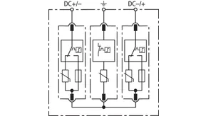
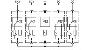
- VCsatlakozáskész moduláris komplett egység fotovoltaikus rendszerek számára mely alapmodulból és dugaszolható védőmodulokból áll
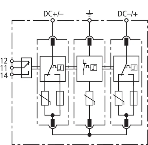
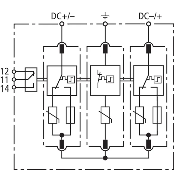
- Kombinált leválasztó és rövidrezáró eszköz biztonságos galvanikus leválasztással a védőmodulban (szabadalmaztatott SCI-elv)
- A bevált és hibatűrő DEHNguard M YPV SCI ... (FM) Y-kapcsolás megakadályozza a túlfeszültségvédelem károsodását a generátorkör szigeteléshibája esetén
- Ellenőrizve az EN 61643-31 szerint
- Minden napelemes rendszerhez használható az MSZ HD 60364-7-712 szabvány szerint
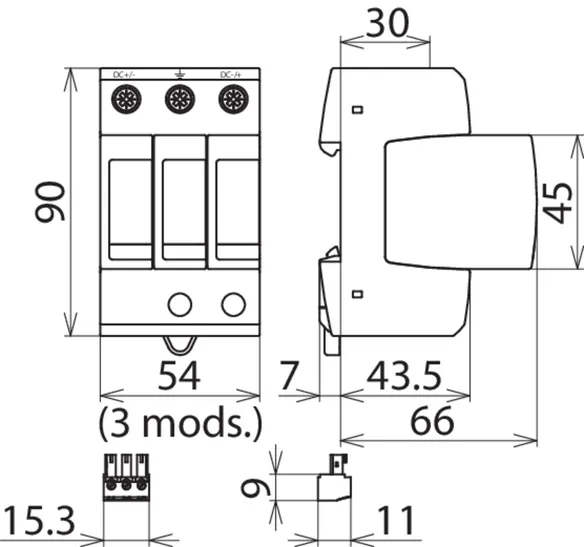
Details
:quality(98)/www.dehn.hu/store/f/61880450/HDVORSCHAU/952510a2.jpg)
:quality(98)/www.dehn.hu/store/f/61880450/HDVORSCHAU/952510a2.jpg)
:quality(98)/www.dehn.hu/store/f/61880449/HDVORSCHAU/952510_Schaltphasen_E.jpg)
:quality(98)/www.dehn.hu/store/f/61880449/HDVORSCHAU/952510_Schaltphasen_E.jpg)
Cikkszám 952513 DG M YPV SCI 150
GTIN 4013364136663, Vámtarifa szám (EU): 85363030, Bruttó súly: 289.70 g, PU: 1.00 db.
Műszaki adatok
Legnagyobb PV feszültség (UCPV ) | 150 V |
Zárlati szilárdság (ISCPV ) | 10 kA |
Névleges levezetési áram (8/20 µs) [(DC+/DC-) --> PE] (In ) | 10 kA |
Legnagyobb levezetési áram (8/20 µs) [(DC+/DC-) --> PE] (Imax ) | 20 kA |
Védelmi feszültségszint (UP ) | ≤ 0,8 kV |
Tanúsítványok | KEMA, UL, CSA |
Cikkszám 952510 DG M YPV SCI 1000
GTIN 4013364126428, Vámtarifa szám (EU): 85363030, Bruttó súly: 361.40 g, PU: 1.00 db.
Kifutott termék:Műszaki adatok
SPD az EN 61643-31 / ... szerint IEC 61643-31 | 2. típus / Class II |
Legnagyobb PV feszültség (UCPV ) | 1000 V |
Zárlati szilárdság (ISCPV ) | 10 kA |
Névleges levezetési áram (8/20 µs) [(DC+/DC-) --> PE] (In ) | 12,5 kA |
Legnagyobb levezetési áram (8/20 µs) [(DC+/DC-) --> PE] (Imax ) | 25 kA |
Védelmi feszültségszint (UP ) | ≤ 4 kV |
Tanúsítványok | KEMA, UL, CSA |
Cikkszám 952512 DG M YPV SCI 1200
GTIN 4013364127951, Vámtarifa szám (EU): 85354000, Bruttó súly: 356.50 g, PU: 1.00 db.
Kifutott termék:Műszaki adatok
SPD az EN 61643-31 / ... szerint IEC 61643-31 | 2. típus / Class II |
Legnagyobb PV feszültség (UCPV ) | 1200 V |
Zárlati szilárdság (ISCPV ) | 10 kA |
Névleges levezetési áram (8/20 µs) [(DC+/DC-) --> PE] (In ) | 12,5 kA |
Legnagyobb levezetési áram (8/20 µs) [(DC+/DC-) --> PE] (Imax ) | 25 kA |
Védelmi feszültségszint (UP ) | ≤ 4,5 kV |
Tanúsítványok | KEMA, CSA |
Cikkszám 952518 DG M YPV SCI 150 FM
GTIN 4013364136670, Vámtarifa szám (EU): 85363030, Bruttó súly: 297.00 g, PU: 1.00 db.
Műszaki adatok
SPD típus/osztály MSZ EN 50539-11 alapján | 2.típus |
Legnagyobb PV feszültség (UCPV ) | 150 V |
Zárlati szilárdság (ISCPV ) | 10 kA |
Névleges levezetési áram (8/20 µs) [(DC+/DC-) --> PE] (In ) | 10 kA |
Legnagyobb levezetési áram (8/20 µs) [(DC+/DC-) --> PE] (Imax ) | 20 kA |
Védelmi feszültségszint (UP ) | ≤ 0,8 kV |
Tanúsítványok | KEMA, UL, CSA |
Jelzőérintkező / Érintkezőtípus | váltóérintkező |
Cikkszám 952515 DG M YPV SCI 1000 FM
GTIN 4013364126435, Vámtarifa szám (EU): 85363030, Bruttó súly: 343.90 g, PU: 1.00 db.
Kifutott termék:Műszaki adatok
SPD az EN 61643-31 / ... szerint IEC 61643-31 | 2. típus / Class II |
Legnagyobb PV feszültség (UCPV ) | 1000 V |
Zárlati szilárdság (ISCPV ) | 10 kA |
Névleges levezetési áram (8/20 µs) [(DC+/DC-) --> PE] (In ) | 12,5 kA |
Legnagyobb levezetési áram (8/20 µs) [(DC+/DC-) --> PE] (Imax ) | 25 kA |
Védelmi feszültségszint (UP ) | ≤ 4 kV |
Tanúsítványok | KEMA, UL, CSA |
Jelzőérintkező / Érintkezőtípus | váltóérintkező |
Cikkszám 952517 DG M YPV SCI 1200 FM
GTIN 4013364127968, Vámtarifa szám (EU): 85354000, Bruttó súly: 359.30 g, PU: 1.00 db.
Kifutott termék:Műszaki adatok
SPD az EN 61643-31 / ... szerint IEC 61643-31 | 2. típus / Class II |
Legnagyobb PV feszültség (UCPV ) | 1200 V |
Zárlati szilárdság (ISCPV ) | 10 kA |
Névleges levezetési áram (8/20 µs) [(DC+/DC-) --> PE] (In ) | 12,5 kA |
Legnagyobb levezetési áram (8/20 µs) [(DC+/DC-) --> PE] (Imax ) | 25 kA |
Védelmi feszültségszint (UP ) | ≤ 4,5 kV |
Tanúsítványok | KEMA, CSA |
Jelzőérintkező / Érintkezőtípus | váltóérintkező |
Cikkszám 952514 DG M PV2 SCI 1000
GTIN 4013364224964, Vámtarifa szám (EU): 85363030, Bruttó súly: 588.00 g, PU: 1.00 db.
Műszaki adatok
SPD az EN 61643-31 / ... szerint IEC 61643-31 | 2. típus / Class II |
Legnagyobb PV feszültség (UCPV ) | 1000 V |
Zárlati szilárdság (ISCPV ) | 10 kA |
Névleges levezetési áram (8/20 µs) [(DC+/DC-) --> PE] (In ) | 12,5 kA |
Legnagyobb levezetési áram (8/20 µs) [(DC+/DC-) --> PE] (Imax ) | 25 kA |
Védelmi feszültségszint (UP ) | ≤ 4 kV |
Tanúsítványok | UL, KEMA |
Cikkszám 952519 DG M PV2 SCI 1000 FM
GTIN 4013364224971, Vámtarifa szám (EU): 85363030, Bruttó súly: 599.00 g, PU: 1.00 db.
Műszaki adatok
SPD az EN 61643-31 / ... szerint IEC 61643-31 | 2. típus / Class II |
Legnagyobb PV feszültség (UCPV ) | 1000 V |
Zárlati szilárdság (ISCPV ) | 10 kA |
Névleges levezetési áram (8/20 µs) [(DC+/DC-) --> PE] (In ) | 12,5 kA |
Legnagyobb levezetési áram (8/20 µs) [(DC+/DC-) --> PE] (Imax ) | 25 kA |
Védelmi feszültségszint (UP ) | ≤ 4 kV |
Tanúsítványok | UL, KEMA |
Jelzőérintkező / Érintkezőtípus | váltóérintkező |
Cikkszám 999799 DG M PV2 SCI SN1868 FM
GTIN 4013364328723, Vámtarifa szám (EU): 85363030, Bruttó súly: 598.30 g, PU: 1.00 db.
Műszaki adatok
SPD az EN 61643-31 / ... szerint IEC 61643-31 | 2. típus / Class II |
Legnagyobb PV feszültség (UCPV ) | 1000 V |
Zárlati szilárdság (ISCPV ) | 10 kA |
Névleges levezetési áram (8/20 µs) [(DC+/DC-) --> PE] (In ) | 12,5 kA |
Legnagyobb levezetési áram (8/20 µs) [(DC+/DC-) --> PE] (Imax ) | 25 kA |
Védelmi feszültségszint (UP ) | ≤ 4 kV |
Tanúsítványok | UL, KEMA |
Jelzőérintkező / Érintkezőtípus | váltóérintkező |