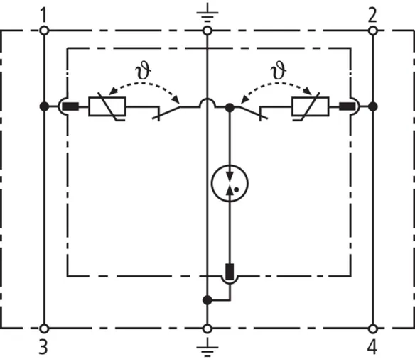
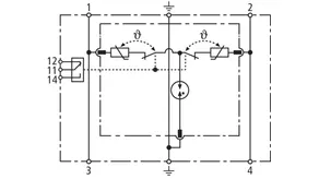
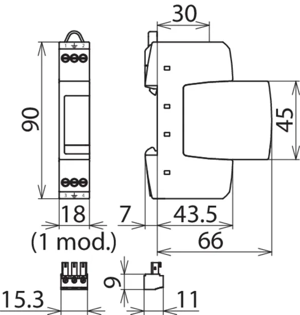
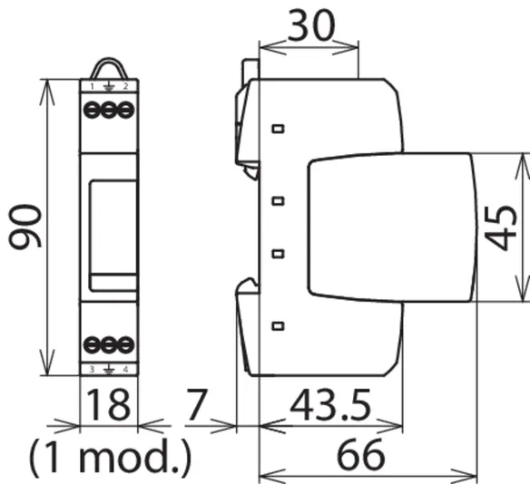
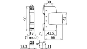
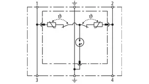
DEHNrail modular

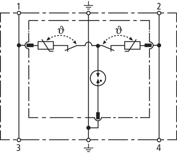
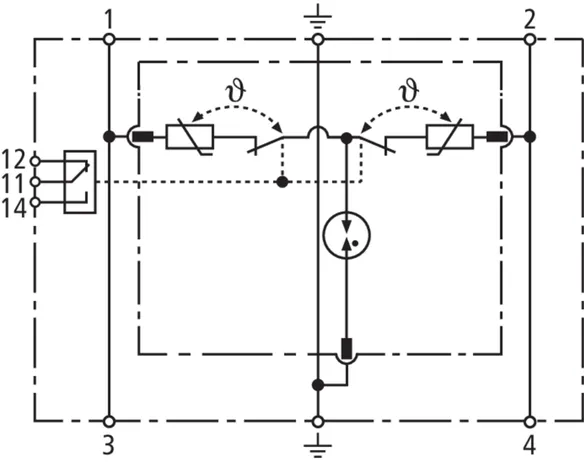
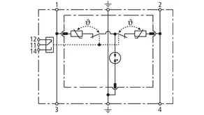
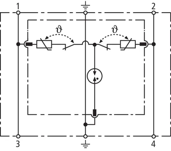
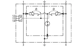
  • Kétpólusú túlfeszültségvédelmi készülék mely alapmodulból és dugaszolható védelmi modulból áll
  • Nagy levezetési képesség a nagyteljesítményű cink-oxid varisztor / szikraköz kombinációnak köszönhetően
  • Energetikailag koordinált a Red/Line termékcsaládon belül.
  • Működési állapot- /hibajelzés zöld / piros jelzéssel a kémlelő ablakban
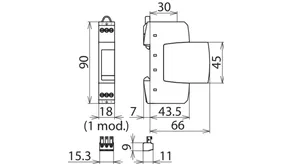
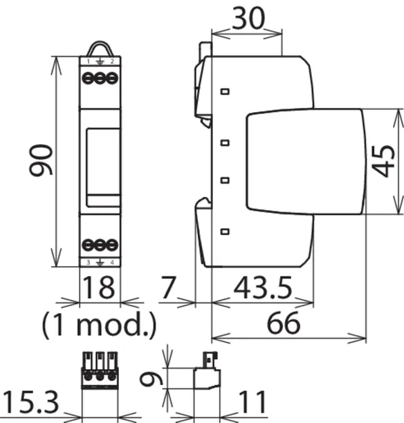
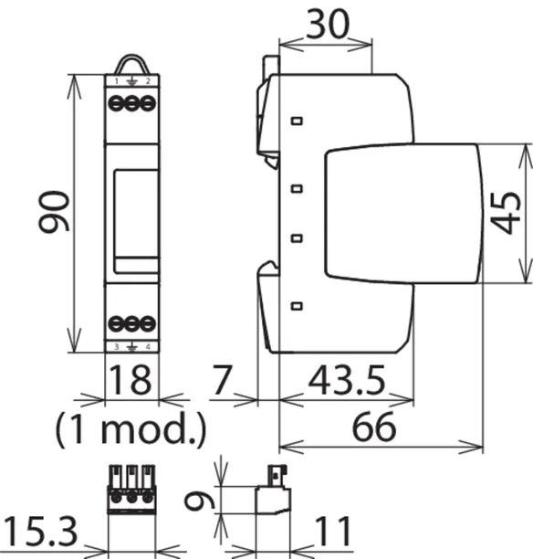
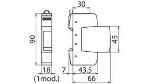
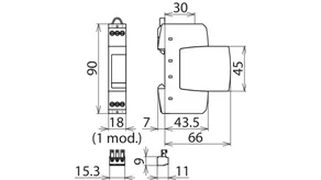
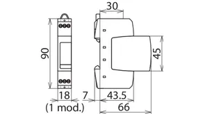
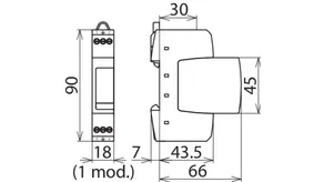
  • Keskeny (moduláris) kivitel a DIN 43880 szabvány szerint
  • Egyszerű, szerszámmentes védőmodul csere a modulreteszelő kioldógomb segítségével
  • Rezgés- és ütésállóság az MSZ EN 60068-2 szabvány szerint

Details

lorem ipsum

DEHNrail M 2P ...

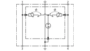
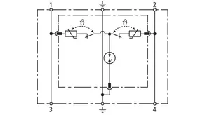
Kétpólusú túlfeszültségvédelmi készülék mely alapmodulból és dugaszolható védelmi modulból áll.

5 Termékek

Cikkszám 953201 DR M 2P 30

GTIN 4013364109674, Vámtarifa szám (EU): 85363030, Bruttó súly: 90.60 g, PU: 1.00 db.

Kifutott termék:

Képek

További információ

DEHNrail M 2P 30 túlfeszültségkorlátozó
Kétpólusú moduláris és dugaszolható
túlfeszültségkorlátozó ipari elektronikai berendezések
végkészülékeinek védelmére
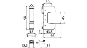
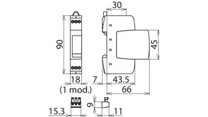
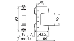
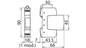
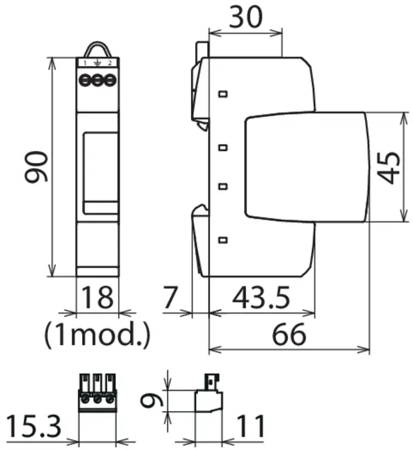
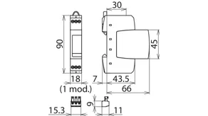
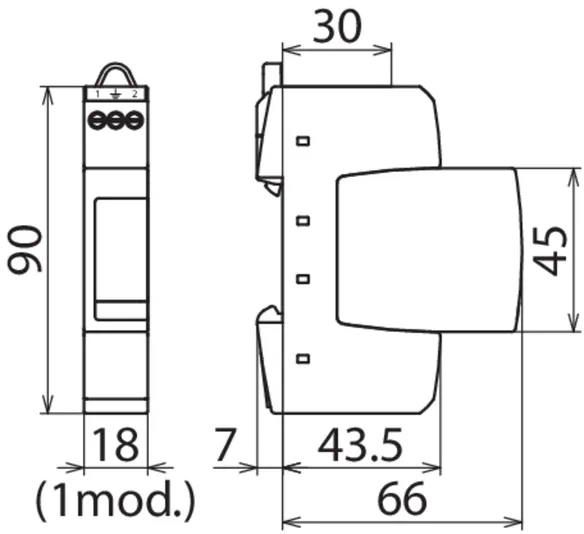
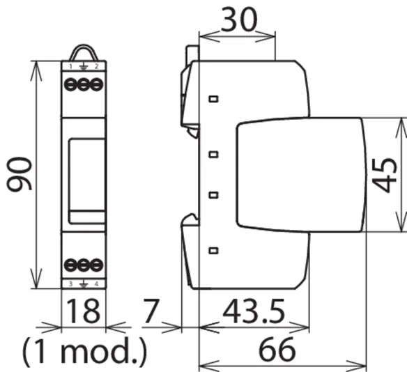
Szélesség: 1 modul, Hibajelzés
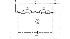
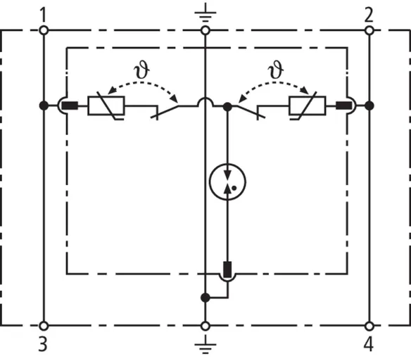
3.típusú SPD az MSZ EN 61643-11 szerint
Legnagyobb folyamatos üzemi feszültség: 30 V AC/DC
Teljes levezetési áram: 2 kA
Védelmi feszültségszint (L/N): < 0.18 kV
Előtét biztosító: 25 A gG vagy B 25 A
Energetikailag koordinált az MSZ EN 62305-4 szabvány szerint
a Red/Line termékcsalád levezetőivel

Gyártó: DEHN
Típus: DR M 2P 30
Cikksz.: 953201
vagy egyenértékű.

Tanúsítványok

 

Műszaki adatok

SPD típus/osztály az MSZ EN 61643-11 / ... IEC 61643-11 alapján 3. típus / III. osztály
Legnagyobb folyamatos üzemi feszültség AC (UC ) 30 V (50 / 60 Hz)
Legnagyobb folyamatos üzemi feszültség DC (UC ) 30 V
Névleges levezetési áram (8/20 µs) (In ) 1 kA
Teljes levezetési áram (8/20 µs) [L+N-PE] (Itotal ) 2 kA
Védelmi feszültségszint [L-N] / [L/N-PE] (UP ) ≤ 180 / ≤ 630 V
Legnagyobb hálózatoldali túláramvédelem 25 A gG vagy B 25 A
Tanúsítványok KEMA, VDE, UL, CSA, ATEX, IECEx

A 953201 termék hozzá lett adva a jegyzettömbhöz.

A 953201 terméket hozzáadtuk a kosárhoz.

Webshop indítása

Cikkszám 953202 DR M 2P 60

GTIN 4013364109681, Vámtarifa szám (EU): 85363030, Bruttó súly: 91.80 g, PU: 1.00 db.

Kifutott termék:

Képek

További információ

Túlfeszültség-korlátozó DEHNrail M 2P 60
2 pólusú, moduláris, dugaszolható túlfeszültség-korlátozó
ipari elektronikai végberendezések védelmére
Szélesség 1 modul, Hibajelzés
3. típusú levezető az MSZ EN 61643-11 szerint
Legmagasabb tartós feszültség: 60 V AC/DC
Teljes levezetési áram: 2 kA
Védelmi feszültségszint L/N: < 0,35 kV
Előbiztosító: 25 A gG vagy B 25 A
Energetikai koordináció az DIN EN 62305-4 szerint
Red/Line-család levezetője

Gyártó: DEHN
Típus: DR M 2P 60
Cikksz.: 953202
vagy egyenértékű.

Tanúsítványok

 

Műszaki adatok

SPD típus/osztály az MSZ EN 61643-11 / ... IEC 61643-11 alapján 3. típus / III. osztály
Legnagyobb folyamatos üzemi feszültség AC (UC ) 60 V (50 / 60 Hz)
Legnagyobb folyamatos üzemi feszültség DC (UC ) 60 V
Névleges levezetési áram (8/20 µs) (In ) 1 kA
Teljes levezetési áram (8/20 µs) [L+N-PE] (Itotal ) 2 kA
Védelmi feszültségszint [L-N] / [L/N-PE] (UP ) ≤ 350 / ≤ 730 V
Legnagyobb hálózatoldali túláramvédelem 25 A gG vagy B 25 A
Tanúsítványok KEMA, VDE, UL, CSA, ATEX, IECEx

A 953202 termék hozzá lett adva a jegyzettömbhöz.

A 953202 terméket hozzáadtuk a kosárhoz.

Webshop indítása

Cikkszám 953203 DR M 2P 75

GTIN 4013364109698, Vámtarifa szám (EU): 85363030, Bruttó súly: 89.80 g, PU: 1.00 db.

Kifutott termék:

Képek

További információ

Túlfeszültség-korlátozó DEHNrail M 2P 75
2 pólusú, moduláris, dugaszolható túlfeszültség-korlátozó
ipari elektronikai végberendezések védelmére
Szélesség 1 modul, Hibajelzés
3. típusú levezető az MSZ EN 61643-11 szerint
Legmagasabb tartós feszültség: 75 V AC/DC
Teljes levezetési áramimpulzus: 4 kA
Védelmi feszültségszint L/N: < 0,4 kV
Előbiztosító: 25 A gG vagy B 25 A
Energetikai koordináció az DIN EN 62305-4 szerint
Red/Line-család levezetője

Gyártó: DEHN
Típus: DR M 2P 75
Cikksz.: 953203
vagy egyenértékű.

Tanúsítványok

 

Műszaki adatok

SPD típus/osztály az MSZ EN 61643-11 / ... IEC 61643-11 alapján 3. típus / III. osztály
Legnagyobb folyamatos üzemi feszültség AC (UC ) 75 V (50 / 60 Hz)
Legnagyobb folyamatos üzemi feszültség DC (UC ) 75 V
Névleges levezetési áram (8/20 µs) (In ) 2 kA
Teljes levezetési áram (8/20 µs) [L+N-PE] (Itotal ) 4 kA
Védelmi feszültségszint [L-N] / [L/N-PE] (UP ) ≤ 400 / ≤ 730 V
Legnagyobb hálózatoldali túláramvédelem 25 A gG vagy B 25 A
Tanúsítványok KEMA, VDE, UL, CSA, ATEX, IECEx

A 953203 termék hozzá lett adva a jegyzettömbhöz.

A 953203 terméket hozzáadtuk a kosárhoz.

Webshop indítása

Cikkszám 953204 DR M 2P 150

GTIN 4013364109704, Vámtarifa szám (EU): 85363030, Bruttó súly: 90.00 g, PU: 1.00 db.

Kifutott termék:

Képek

További információ

Túlfeszültség-korlátozó DEHNrail M 2P 150
2 pólusú, moduláris, dugaszolható túlfeszültség-korlátozó
ipari elektronikai végberendezések védelmére
Szélesség 1 modul, Hibajelzés
3. típusú levezető az MSZ EN 61643-11 szerint
Legmagasabb tartós feszültség: 150 V AC/DC
Teljes levezetési áramimpulzus: 4 kA
Védelmi feszültségszint L/N: < 0,64 kV
Előbiztosító: 25 A gG vagy B 25 A
Energetikai koordináció az DIN EN 62305-4 szerint
Red/Line-család levezetője

Gyártó: DEHN
Típus: DR M 2P 150
Cikksz.: 953204
vagy egyenértékű.

Tanúsítványok

 

Műszaki adatok

SPD típus/osztály az MSZ EN 61643-11 / ... IEC 61643-11 alapján 3. típus / III. osztály
Legnagyobb folyamatos üzemi feszültség AC (UC ) 150 V (50 / 60 Hz)
Legnagyobb folyamatos üzemi feszültség DC (UC ) 150 V
Névleges levezetési áram (8/20 µs) (In ) 2 kA
Teljes levezetési áram (8/20 µs) [L+N-PE] (Itotal ) 4 kA
Védelmi feszültségszint [L-N] / [L/N-PE] (UP ) ≤ 640 / ≤ 800 V
Legnagyobb hálózatoldali túláramvédelem 25 A gG vagy B 25 A
Tanúsítványok KEMA, VDE, UL, CSA, ATEX, IECEx

A 953204 termék hozzá lett adva a jegyzettömbhöz.

A 953204 terméket hozzáadtuk a kosárhoz.

Webshop indítása

Cikkszám 953200 DR M 2P 255

GTIN 4013364108301, Vámtarifa szám (EU): 85363030, Bruttó súly: 91.70 g, PU: 1.00 db.

Kifutott termék:

Képek

További információ

Túlfeszültség-korlátozó DEHNrail M 2P 255
2 pólusú, moduláris, dugaszolható túlfeszültség-korlátozó
ipari elektronikai végberendezések védelmére
Szélesség 1 modul, Hibajelzés
3. típusú levezető az MSZ EN 61643-11 szerint
Legmagasabb tartós feszültség: 255 V AC/DC
Teljes levezetési áramimpulzus: 5 kA
Védelmi feszültségszint L/N: < 1,25 kV
Előbiztosító: 25 A gG vagy B 25 A
Energetikai koordináció az DIN EN 62305-4 szerint
Red/Line-család levezetője

Gyártó: DEHN
Típus: DR M 2P 255
Cikksz.: 953200
vagy egyenértékű.

Tanúsítványok

 

Műszaki adatok

SPD típus/osztály az MSZ EN 61643-11 / ... IEC 61643-11 alapján 3. típus / III. osztály
Legnagyobb folyamatos üzemi feszültség AC (UC ) 255 V (50 / 60 Hz)
Legnagyobb folyamatos üzemi feszültség DC (UC ) 255 V
Névleges levezetési áram (8/20 µs) (In ) 3 kA
Teljes levezetési áram (8/20 µs) [L+N-PE] (Itotal ) 5 kA
Védelmi feszültségszint [L-N] / [L/N-PE] (UP ) ≤ 1250 / ≤ 1500 V
Legnagyobb hálózatoldali túláramvédelem 25 A gG vagy B 25 A
Tanúsítványok KEMA, VDE, UL, CSA, ATEX, IECEx

A 953200 termék hozzá lett adva a jegyzettömbhöz.

A 953200 terméket hozzáadtuk a kosárhoz.

Webshop indítása

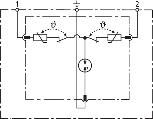
DEHNrail M 2P ... FM

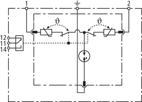
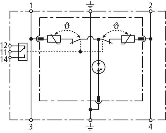
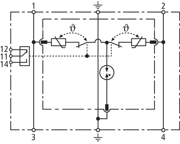
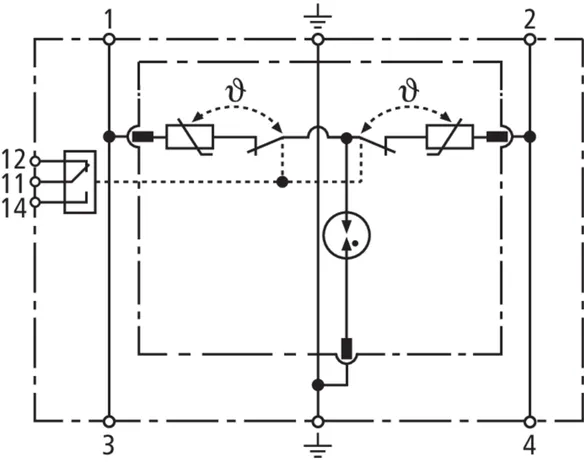
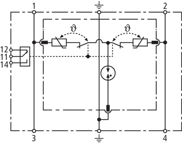
Kétpólusú túlfeszültség-korlátozó, mely alapmodulból és dugaszolható védőmodulból áll; potenciálfüggetlen távjelző érintkezővel.

5 Termékek

Cikkszám 953206 DR M 2P 30 FM

GTIN 4013364109711, Vámtarifa szám (EU): 85363030, Bruttó súly: 94.50 g, PU: 1.00 db.

Kifutott termék:

Képek

További információ

Túlfeszültség-korlátozó DEHNrail M 2P 30 FM
2 pólusú, moduláris, dugaszolható túlfeszültség-korlátozó
ipari elektronikai végberendezések védelmére
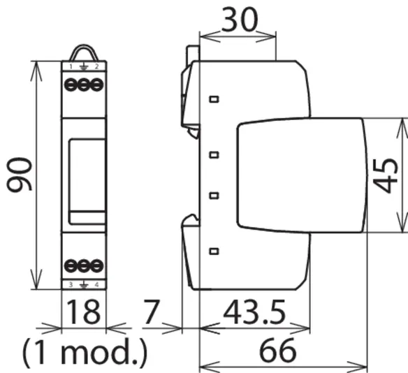
Szélesség 1 modul, Hibajelzés
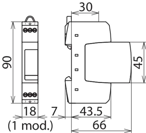
távjelző érintkezővel
3. típusú levezető az MSZ EN 61643-11 szerint
Legmagasabb tartós feszültség: 30 V AC/DC
Teljes levezetési áram: 2 kA
Védelmi feszültségszint L/N: < 0,18 kV
Előbiztosító: 25 A gG vagy B 25 A
Energetikai koordináció az DIN EN 62305-4 szerint
Red/Line-család levezetője

Gyártó: DEHN
Típus: DR M 2P 30 FM
Cikksz.: 953206
vagy egyenértékű.

Tanúsítványok

 

Műszaki adatok

SPD típus/osztály az MSZ EN 61643-11 / ... IEC 61643-11 alapján 3. típus / III. osztály
Legnagyobb folyamatos üzemi feszültség AC (UC ) 30 V (50 / 60 Hz)
Legnagyobb folyamatos üzemi feszültség DC (UC ) 30 V
Névleges levezetési áram (8/20 µs) (In ) 1 kA
Teljes levezetési áram (8/20 µs) [L+N-PE] (Itotal ) 2 kA
Védelmi feszültségszint [L-N] / [L/N-PE] (UP ) ≤ 180 / ≤ 630 V
Legnagyobb hálózatoldali túláramvédelem 25 A gG vagy B 25 A
Tanúsítványok KEMA, VDE, UL, CSA, ATEX, IECEx
Jelzőérintkező / Érintkezőtípus váltó

A 953206 termék hozzá lett adva a jegyzettömbhöz.

A 953206 terméket hozzáadtuk a kosárhoz.

Webshop indítása

Cikkszám 953207 DR M 2P 60 FM

GTIN 4013364109728, Vámtarifa szám (EU): 85363030, Bruttó súly: 95.40 g, PU: 1.00 db.

Kifutott termék:

Képek

További információ

Túlfeszültség-korlátozó DEHNrail M 2P 60 FM
2 pólusú, moduláris, dugaszolható túlfeszültség-korlátozó
ipari elektronikai végberendezések védelmére
Szélesség 1 modul, Hibajelzés
távjelző érintkezővel
3. típusú levezető az MSZ EN 61643-11 szerint
Legmagasabb tartós feszültség: 60 V AC/DC
Teljes levezetési áram: 2 kA
Védelmi feszültségszint L/N: < 0,35 kV
Előbiztosító: 25 A gG vagy B 25 A
Energetikai koordináció az DIN EN 62305-4 szerint
Red/Line-család levezetője

Gyártó: DEHN
Típus: DR M 2P 60 FM
Cikksz.: 953207
vagy egyenértékű.

Tanúsítványok

 

Műszaki adatok

SPD típus/osztály az MSZ EN 61643-11 / ... IEC 61643-11 alapján 3. típus / III. osztály
Legnagyobb folyamatos üzemi feszültség AC (UC ) 60 V (50 / 60 Hz)
Legnagyobb folyamatos üzemi feszültség DC (UC ) 60 V
Névleges levezetési áram (8/20 µs) (In ) 1 kA
Teljes levezetési áram (8/20 µs) [L+N-PE] (Itotal ) 2 kA
Védelmi feszültségszint [L-N] / [L/N-PE] (UP ) ≤ 350 / ≤ 730 V
Legnagyobb hálózatoldali túláramvédelem 25 A gG vagy B 25 A
Tanúsítványok KEMA, VDE, UL, CSA, ATEX, IECEx
Jelzőérintkező / Érintkezőtípus váltó

A 953207 termék hozzá lett adva a jegyzettömbhöz.

A 953207 terméket hozzáadtuk a kosárhoz.

Webshop indítása

Cikkszám 953208 DR M 2P 75 FM

GTIN 4013364109735, Vámtarifa szám (EU): 85363030, Bruttó súly: 93.70 g, PU: 1.00 db.

Kifutott termék:

Képek

További információ

Túlfeszültség-korlátozó DEHNrail M 2P 75 FM
2 pólusú, moduláris, dugaszolható túlfeszültség-korlátozó
ipari elektronikai végberendezések védelmére
Szélesség 1 modul, Hibajelzés
távjelző érintkezővel
3. típusú levezető az MSZ EN 61643-11 szerint
Legmagasabb tartós feszültség: 75 V AC/DC
Teljes levezetési áramimpulzus: 4 kA
Védelmi feszültségszint L/N: < 0,4 kV
Előbiztosító: 25 A gG vagy B 25 A
Energetikai koordináció az DIN EN 62305-4 szerint
Red/Line-család levezetője

Gyártó: DEHN
Típus: DR M 2P 75 FM
Cikksz.: 953208
vagy egyenértékű.

Tanúsítványok

 

Műszaki adatok

SPD típus/osztály az MSZ EN 61643-11 / ... IEC 61643-11 alapján 3. típus / III. osztály
Legnagyobb folyamatos üzemi feszültség AC (UC ) 75 V (50 / 60 Hz)
Legnagyobb folyamatos üzemi feszültség DC (UC ) 75 V
Névleges levezetési áram (8/20 µs) (In ) 2 kA
Teljes levezetési áram (8/20 µs) [L+N-PE] (Itotal ) 4 kA
Védelmi feszültségszint [L-N] / [L/N-PE] (UP ) ≤ 400 / ≤ 730 V
Legnagyobb hálózatoldali túláramvédelem 25 A gG vagy B 25 A
Tanúsítványok KEMA, VDE, UL, CSA, ATEX, IECEx
Jelzőérintkező / Érintkezőtípus váltó

A 953208 termék hozzá lett adva a jegyzettömbhöz.

A 953208 terméket hozzáadtuk a kosárhoz.

Webshop indítása

Cikkszám 953209 DR M 2P 150 FM

GTIN 4013364109742, Vámtarifa szám (EU): 85363030, Bruttó súly: 93.00 g, PU: 1.00 db.

Kifutott termék:

Képek

További információ

Túlfeszültség-korlátozó DEHNrail M 2P 150 FM
2 pólusú, moduláris, dugaszolható túlfeszültség-korlátozó
ipari elektronikai végberendezések védelmére
Szélesség 1 modul, Hibajelzés
távjelző érintkezővel
3. típusú levezető az MSZ EN 61643-11 szerint
Legmagasabb tartós feszültség: 150 V AC/DC
Teljes levezetési áramimpulzus: 4 kA
Védelmi feszültségszint L/N: < 0,64 kV
Előbiztosító: 25 A gG vagy B 25 A
Energetikai koordináció az DIN EN 62305-4 szerint
Red/Line-család levezetője

Gyártó: DEHN
Típus: DR M 2P 150 FM
Cikksz.: 953209
vagy egyenértékű.

Tanúsítványok

 

Műszaki adatok

SPD típus/osztály az MSZ EN 61643-11 / ... IEC 61643-11 alapján 3. típus / III. osztály
Legnagyobb folyamatos üzemi feszültség AC (UC ) 150 V (50 / 60 Hz)
Legnagyobb folyamatos üzemi feszültség DC (UC ) 150 V
Névleges levezetési áram (8/20 µs) (In ) 2 kA
Teljes levezetési áram (8/20 µs) [L+N-PE] (Itotal ) 4 kA
Védelmi feszültségszint [L-N] / [L/N-PE] (UP ) ≤ 640 / ≤ 800 V
Legnagyobb hálózatoldali túláramvédelem 25 A gG vagy B 25 A
Tanúsítványok KEMA, VDE, UL, CSA, ATEX, IECEx
Jelzőérintkező / Érintkezőtípus váltó

A 953209 termék hozzá lett adva a jegyzettömbhöz.

A 953209 terméket hozzáadtuk a kosárhoz.

Webshop indítása

Cikkszám 953205 DR M 2P 255 FM

GTIN 4013364108318, Vámtarifa szám (EU): 85363030, Bruttó súly: 98.88 g, PU: 1.00 db.

Kifutott termék:

Képek

További információ

Túlfeszültség-korlátozó DEHNrail M 2P 255 FM
2 pólusú, moduláris, dugaszolható túlfeszültség-korlátozó
ipari elektronikai végberendezések védelmére
Szélesség 1 modul, Hibajelzés
távjelző érintkezővel
3. típusú levezető az MSZ EN 61643-11 szerint
Legmagasabb tartós feszültség: 255 V AC/DC
Teljes levezetési áramimpulzus: 5 kA
Védelmi feszültségszint L/N: < 1,25 kV
Előbiztosító: 25 A gG vagy B 25 A
Energetikai koordináció az DIN EN 62305-4 szerint
Red/Line-család levezetője

Gyártó: DEHN
Típus: DR M 2P 255 FM
Cikksz.: 953205
vagy egyenértékű.

Tanúsítványok

 

Műszaki adatok

SPD típus/osztály az MSZ EN 61643-11 / ... IEC 61643-11 alapján 3. típus / III. osztály
Legnagyobb folyamatos üzemi feszültség AC (UC ) 255 V (50 / 60 Hz)
Legnagyobb folyamatos üzemi feszültség DC (UC ) 255 V
Névleges levezetési áram (8/20 µs) (In ) 3 kA
Teljes levezetési áram (8/20 µs) [L+N-PE] (Itotal ) 5 kA
Védelmi feszültségszint [L-N] / [L/N-PE] (UP ) ≤ 1250 / ≤ 1500 V
Legnagyobb hálózatoldali túláramvédelem 25 A gG vagy B 25 A
Tanúsítványok KEMA, VDE, UL, CSA, ATEX, IECEx
Jelzőérintkező / Érintkezőtípus váltó

A 953205 termék hozzá lett adva a jegyzettömbhöz.

A 953205 terméket hozzáadtuk a kosárhoz.

Webshop indítása

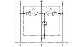
DEHNrail M 2P SN1802

Kétpólusú túlfeszültség-korlátozó, mely alapmodulból és dugaszolható védőmodulból áll. Alkalmazás berendezésekben 32 A terhelőáramig lehetséges.

1 Termék

Cikkszám 953228 DR M 2P 255 SN1802

GTIN 4013364158986, Vámtarifa szám (EU): 85363030, Bruttó súly: 89.70 g, PU: 1.00 db.


Képek

További információ

Túlfeszültség-korlátozó DEHNrail M 2P 255 SN1802
2 pólusú, moduláris, dugaszolható túlfeszültség-korlátozó
ipari elektronikai végberendezések védelmére
Szélesség 1 modul, Hibajelzés
3. típusú levezető az MSZ EN 61643-11 szerint
Legmagasabb tartós feszültség: 255 V AC/DC
Teljes levezetési áramimpulzus: 5 kA
Védelmi feszültségszint L/N: < 1,25 kV
Előbiztosító: 32 A gG vagy B 32 A
Energetikai koordináció az DIN EN 62305-4 szerint
Red/Line-család levezetője

Gyártó: DEHN
Típus: DR M 2P 255 SN1802
Cikksz.: 953228
vagy egyenértékű.

 

Műszaki adatok

SPD típus/osztály az MSZ EN 61643-11 / ... IEC 61643-11 alapján 3. típus / III. osztály
Legnagyobb folyamatos üzemi feszültség AC (UC ) 255 V (50 / 60 Hz)
Legnagyobb folyamatos üzemi feszültség DC (UC ) 255 V
Névleges levezetési áram (8/20 µs) (In ) 3 kA
Teljes levezetési áram (8/20 µs) [L+N-PE] (Itotal ) 5 kA
Védelmi feszültségszint [L-N] / [L/N-PE] (UP ) ≤ 1250 / ≤ 1500 V
Legnagyobb hálózatoldali túláramvédelem 32 A gG vagy B 32 A
Védőmodul igény szerint

A 953228 termék hozzá lett adva a jegyzettömbhöz.

A 953228 terméket hozzáadtuk a kosárhoz.

Webshop indítása

DEHNrail M 2P SN1803FM

Kétpólusú túlfeszültségvédelmi készülék, amely egy alapmodulból és egy dugaszolható védelmi modulból áll; potenciálfüggetlen távjelző érintkezővel. Legfeljebb 32 A fogyasztói áramú rendszerekhez használható.

1 Termék

Cikkszám 953229 DR M 2P 255 SN1803FM

GTIN 4013364158993, Vámtarifa szám (EU): 85363030, Bruttó súly: 93.40 g, PU: 1.00 db.


Képek

További információ

Túlfeszültség-korlátozó DEHNrail M 2P 255 SN1803FM
2 pólusú, moduláris, dugaszolható túlfeszültség-korlátozó
ipari elektronikai végberendezések védelmére,
szélesség 1 modul, Hibajelzés
távjelző érintkezővel
3. típusú levezető az MSZ EN 61643-11 szerint
Legmagasabb tartós feszültség: 255 V AC/DC
Teljes levezetési áramimpulzus: 5 kA
Védelmi feszültségszint L/N: < 1,25 kV
Előbiztosító: 32 A gG vagy B 32 A
Energetikai koordináció az DIN EN 62305-4 szerint
Red/Line-család levezetője

Gyártó: DEHN
Típus: DR M 2P 255 SN1803FM
Cikksz.: 953229
vagy egyenértékű.

Tanúsítványok

 

Műszaki adatok

SPD típus/osztály az MSZ EN 61643-11 / ... IEC 61643-11 alapján 3.típus / III. osztály
Legnagyobb folyamatos üzemi feszültség AC (UC ) 255 V (50 / 60 Hz)
Legnagyobb folyamatos üzemi feszültség DC (UC ) 255 V
Névleges levezetési áram (8/20 µs) (In ) 3 kA
Teljes levezetési áram (8/20 µs) [L+N-PE] (Itotal ) 5 kA
Védelmi feszültségszint [L-N] / [L/N-PE] (UP ) ≤ 1250 / ≤ 1500 V
Legnagyobb hálózatoldali túláramvédelem 32 A gG vagy B 32 A
Jelzőérintkező / Érintkezőtípus váltóérintkező
Védelmi modul igény szerint

A 953229 termék hozzá lett adva a jegyzettömbhöz.

A 953229 terméket hozzáadtuk a kosárhoz.

Webshop indítása

back to top