VC 280 2

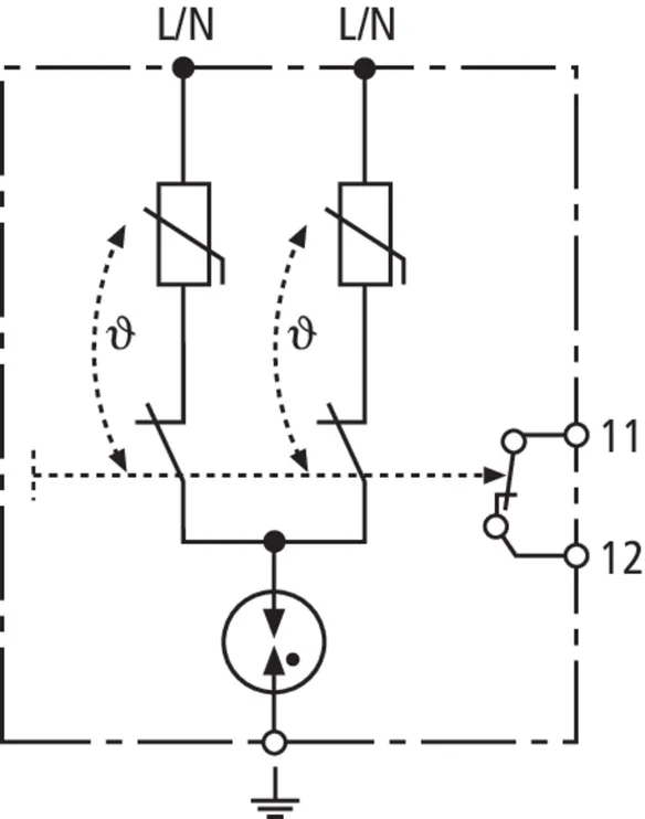
  • Kétpólusú túlfeszültségvédelem felügyeleti eszközzel és leválasztó eszközzel
  • Komplett túlfeszültség-védőkapcsolás váltakozó feszültségű eszközök számára
  • Megnövelt biztonság hibatűrő Y védelmi áramkör által
  • Potenciálfüggetlen távjelző érintkező (nyitó) hiba jelzésére tesztlehetőséggel
  • Nyomtatott áramköri lapon való alkalmazáshoz

VC 280 2

Túlfeszültségvédelmi hálózati modul a védendő végberendezésbe szereléshez potenciálfüggetlen nyitóval.

1 Termék

Cikkszám 900471 VC 280 2

GTIN 4013364067547, Vámtarifa szám (EU): 85363010, Bruttó súly: 27.50 g, PU: 1.00 db.


Képek

További információ

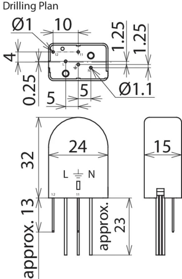
Túlfeszültségvédelmi hálózati modul VC 280 2
2 pólusú túlfeszültségvédelmi hálózati modul
a védendő végberendezésbe szereléshez
3. típusú levezető az MSZ EN 61643-11 szerint
nyomtatott áramköri lapra való forrasztáshoz
potenciálfüggetlen távjelző érintkező
Legmagasabb tartós feszültség: 280 V AC
Védelmi feszültségszint: <= 1,5 kV
Teljes levezetési áramimpulzus: 5 kA
Max. hálózatoldali túláramvédelem: 16 A gG vagy B 16 A
Energetikai koordináció az DIN EN 62305-4 szerint
Red/Line-család levezetője

Gyártó: DEHN
Típus: VC 280 2
Cikksz.: 900471
vagy egyenértékű.

Tanúsítványok

 

Műszaki adatok

SPD típus az MSZ EN 61643-11 / ... IEC 61643-11 3. típus / III. osztály
Legnagyobb tartós üzemi feszültség AC (UC ) 280 V (50 / 60 Hz)
Névleges levezetési lökőáram (8/20 µs) (In ) 3 kA
Teljes levezetési áram (8/20 µs) [L+N-PE] (Itotal ) 5 kA
Védelmi feszültségszint [L-N] / [L/N-PE] (UP ) ≤ 1250 / ≤ 1500 V
Max. hálózatoldali túláramvédelem B 16 A
Hibajelzés Távjelző érintkező (FM) (nyitó)

A 900471 termék hozzá lett adva a jegyzettömbhöz.

A 900471 terméket hozzáadtuk a kosárhoz.

Webshop indítása

back to top