BLITZDUCTOR VT
:quality(98)/www.dehn.hu/store/f/60028641/HDVORSCHAU/918408a1_16-9.jpg)
:quality(98)/www.dehn.hu/store/f/60028641/HDVORSCHAU/918408a1_16-9.jpg)
- Többeres jelutak gazdaságos védelme
- Interfész-specifikus változatok, pl. RS485 vagy távközlési alkalmazások
- Változatok DC-feszültségellátások és katódos korrózióvédelmi rendszerek számára
Details
:quality(98)/www.dehn.hu/store/f/60028644/HDVORSCHAU/918410a3_Kat.jpg)
BVT TC1 távközlési interfészek védelmére.
:quality(98)/www.dehn.hu/store/f/60028644/HDVORSCHAU/918410a3_Kat.jpg)
:quality(98)/www.dehn.hu/store/f/60028643/HDVORSCHAU/918401_Kat_alt.jpg)
BVT RS485 az RS485 / RS422 interfészek védelmére
:quality(98)/www.dehn.hu/store/f/60028643/HDVORSCHAU/918401_Kat_alt.jpg)
:quality(98)/www.dehn.hu/store/f/60028642/HDVORSCHAU/918408_422_Kat.jpg)
BVT AVD/ALD: 2 védett ér DC-feszültségellátás számára
:quality(98)/www.dehn.hu/store/f/60028642/HDVORSCHAU/918408_422_Kat.jpg)
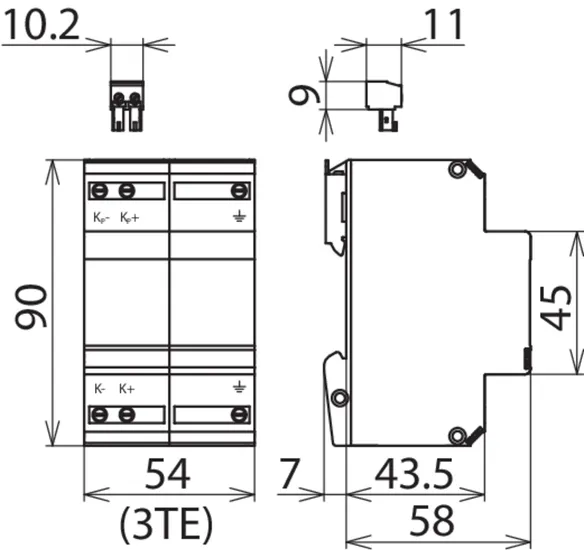
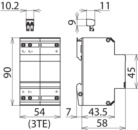
:quality(98)/www.dehn.hu/store/f/60028645/HDVORSCHAU/918420_918421.jpg)
:quality(98)/www.dehn.hu/store/f/60028645/HDVORSCHAU/918420_918421.jpg)
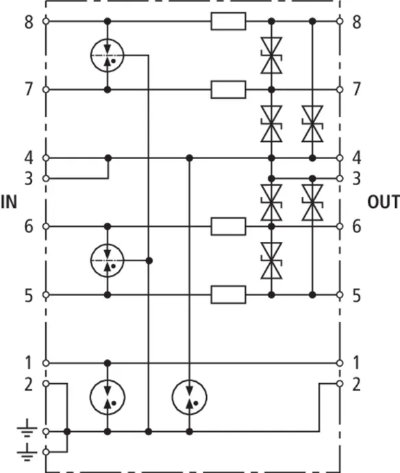
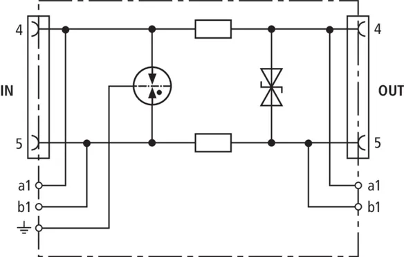
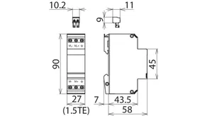
Cikkszám 918401 BVT RS485 5
GTIN 4013364074224, Vámtarifa szám (EU): 85363010, Bruttó súly: 199.00 g, PU: 1.00 db.
Műszaki adatok
SPD osztály | Q |
Legnagyobb tartós üzemi feszültség DC (UC ) | 6 V |
Névleges áram (IL ) | 0,5 A |
D1 villámáram impulzus (10/350 µs) erenként (Iimp ) | 0,8 kA |
C2 névleges levezetési áram (8/20 µs) összesen (In ) | 10 kA |
Soros ellenállás erenként | 1,8 Ohm |
Határfrekvencia ér-ér (fG ) | 1,7 MHz |
Tanúsítványok | CSA |
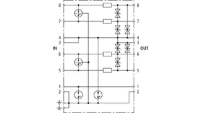
Cikkszám 918422 BVT AVD 24
GTIN 4013364149267, Vámtarifa szám (EU): 85363010, Bruttó súly: 109.10 g, PU: 1.00 db.
Kifutott termék:Műszaki adatok
SPD osztály | W |
Legnagyobb tartós üzemi feszültség DC (UC ) | 35 V |
Névleges áram 80 °C-on (IL ) | 10 A |
C2 névleges levezetési áram (8/20 µs) összesen (In ) | 2 kA |
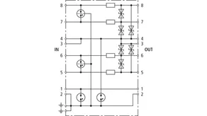
Cikkszám 918408 BVT ALD 36
GTIN 4013364125292, Vámtarifa szám (EU): 85363010, Bruttó súly: 122.00 g, PU: 1.00 db.
Műszaki adatok
SPD osztály | M |
Legnagyobb tartós üzemi feszültség DC (UC ) | 45 V |
Névleges áram 80 °C-on (IL ) | 4 A |
Névleges áram 45 °C-on (IL ) | 7 A |
D1 villámáram impulzus (10/350 µs) erenként (Iimp ) | 2,5 kA |
D1 Villámáram impulzus (10/350 µs) összesen (Iimp ) | 5 kA |
C2 névleges levezetési áram (8/20 µs) összesen (In ) | 20 kA |
Soros ellenállás erenként | 22 µH |
Tanúsítványok | UL |
Cikkszám 918409 BVT ALD 60
GTIN 4013364146709, Vámtarifa szám (EU): 85363010, Bruttó súly: 122.00 g, PU: 1.00 db.
Műszaki adatok
SPD osztály | M |
Legnagyobb tartós üzemi feszültség DC (UC ) | 65 V |
Névleges áram 80 °C-on (IL ) | 4 A |
Névleges áram 45 °C-on (IL ) | 7 A |
Előtét-biztosító | UN ≥ 45 V és IL ≥ 1 A |
D1 villámáram impulzus (10/350 µs) erenként (Iimp ) | 2,5 kA |
D1 Villámáram impulzus (10/350 µs) összesen (Iimp ) | 5 kA |
C2 névleges levezetési áram (8/20 µs) összesen (In ) | 20 kA |
Soros ellenállás erenként | 22 µH |
Tanúsítványok | UL |
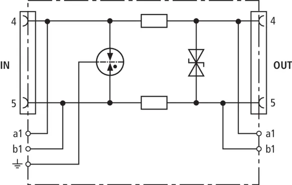
BVT TC
Energetikailag koordinált szivárgóárammentes túlfeszültség-levezető a/b-ér, ISDN U számárak0 vagy ADSL RJ45-csatlakozókkal és járulékos csavarkapocs-csatlakozókkal. Az RJ45-aljzatok kiosztása RJ11/12-kompatibilis. A párhuzamos csavarkapcsok robusztusabbak mint az RJ45-aljzatok és növelik a névleges levezetési lökőáramot összesen 10 kA-re.
1 Termék
Cikkszám 918411 BVT TC 1
GTIN 4013364093133, Vámtarifa szám (EU): 85363010, Bruttó súly: 110.90 g, PU: 1.00 db.
Műszaki adatok
SPD osztály | R |
Legnagyobb tartós üzemi feszültség DC (UC ) | 170 V |
Névleges áram (IL ) | 0,2 A |
D1 villámáram impulzus (10/350 µs) erenként (Iimp ) | 1 kA |
C2 névleges levezetési áram (8/20 µs) összesen (In ) | 5 kA |
Soros ellenállás erenként | 4,7 Ohm |
Határfrekvencia ér-ér (fG ) | 17 MHz |
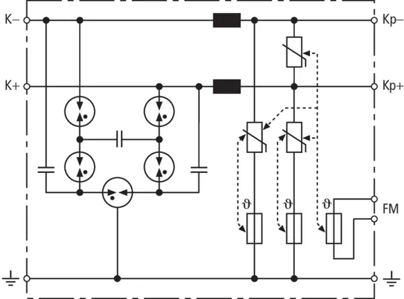
BVT KKS ALD
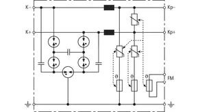
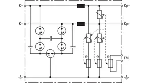
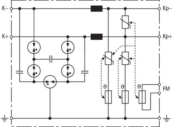
Energetikailag koordinált kombinált levezető az egyenirányító védelmére a védőáramkörben (piros színű). Dugaszolható távjelző érintkező (nyitó) túlterhelés-kijelzés számára (varisztorok hőfelügyelete). Beszerelés acéllemezházba ajánlott. A kapacitív vezérlés következtében alacsony impulzus-megszólalási feszültség érhető el.
1 Termék
Cikkszám 918420 BVT KKS ALD 75
GTIN 4013364094895, Vámtarifa szám (EU): 85363010, Bruttó súly: 229.00 g, PU: 1.00 db.
Kifutott termék:Műszaki adatok
SPD osztály | M |
Legnagyobb tartós üzemi feszültség DC (UC ) | 75 V |
Névleges áram (IL ) | 12 A |
D1 villámáram impulzus (10/350 µs) erenként (Iimp ) | 3,5 kA |
D1 Villámáram impulzus (10/350 µs) összesen (Iimp ) | 7 kA |
C2 névleges levezetési áram (8/20 µs) összesen (In ) | 40 kA |
Soros ellenállás erenként | 5 µH |
Határfrekvencia ér-ér (fG ) | 1 MHz |
Távjelző érintkező (FM) / Érintkezőtípus | Nyitó |
BVT KKS APD
Energetikailag koordinált kombinált levezető a feszültségmérő kör védelmére (sárga színű). Dugaszolható távjelző érintkező (nyitó) túlterhelés-kijelzés számára (levezetőutak hőfelügyelete). Beszerelés acéllemezházba ajánlott. A kapacitív vezérlés következtében alacsony impulzus-megszólalási feszültség érhető el.
1 Termék
Cikkszám 918421 BVT KKS APD 36
GTIN 4013364094901, Vámtarifa szám (EU): 85363010, Bruttó súly: 130.30 g, PU: 1.00 db.
Kifutott termék:Műszaki adatok
SPD osztály | M |
Legnagyobb tartós üzemi feszültség DC (UC ) | 36,8 V |
Névleges áram (IL ) | 0,05 A |
D1 villámáram impulzus (10/350 µs) erenként (Iimp ) | 3,5 kA |
D1 Villámáram impulzus (10/350 µs) összesen (Iimp ) | 7 kA |
C2 névleges levezetési áram (8/20 µs) összesen (In ) | 40 kA |
Soros ellenállás erenként | 55 Ohm |
Távjelző érintkező (FM) / Érintkezőtípus | Nyitó |