DEHNrapid LSA – Villámáram-levezető / Túlfeszültség-korlátozó

  • 1 – 10 DA változó védelem 2/10 gyártási sorozatú LSA-rendszerek számára
  • Az integrált LSA leválasztósáv funkció a villámáram-levezetőben emellett védelmet nyújt a vizsgálat, leválasztás és patch során
  • Moduláris rendszer villámáram- és túlfeszültség-korlátozóból, kombinálhatóan kombinált levezetővé

Details

Villámáram-levezetőképes dugasztár gázkisüléses túlfeszültség-korlátozókal, opcionálisan vizuális hibajelzéssel és fail-safe funkcióval.
lorem ipsum
Dugaszolható túlfeszültség-korlátozók védőtárként, amelyek csatlakozó- vagy leválasztósávba dugaszolhatók.
lorem ipsum
Modul rendszerű felépítés dugasztárból gázkisüléses túlfeszültség-korlátozókkal, földelőkeretekkel és alkalmazásspecifikus levezető modulokkal.
lorem ipsum
Alkalmazásspecifikus túlfeszültség-korlátozó-modulok a végberendezés-védelem számára.
lorem ipsum
Kombinált villám- és túlfeszültségvédelem LSA-csatlakozósávok számára.
lorem ipsum


DRL 10 B

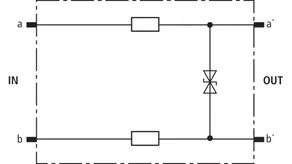
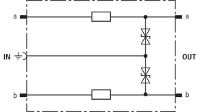
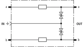
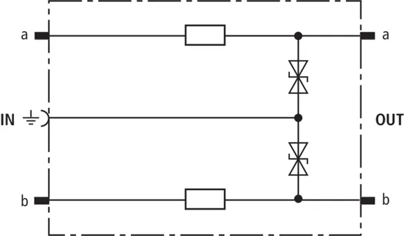
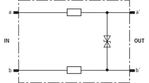
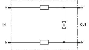
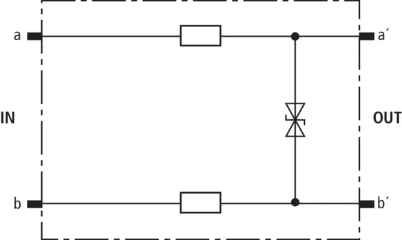
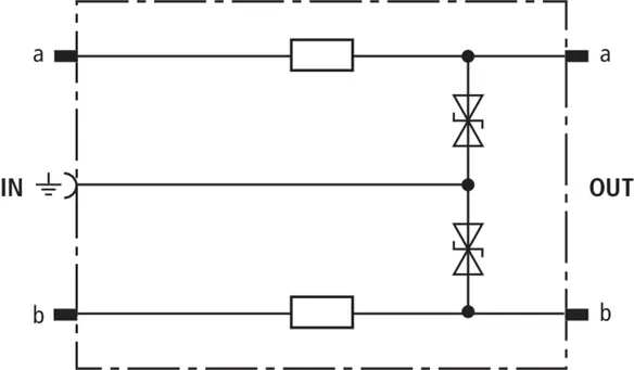
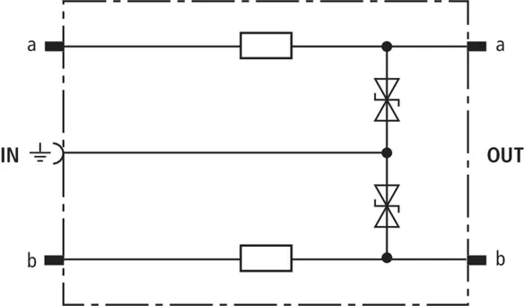
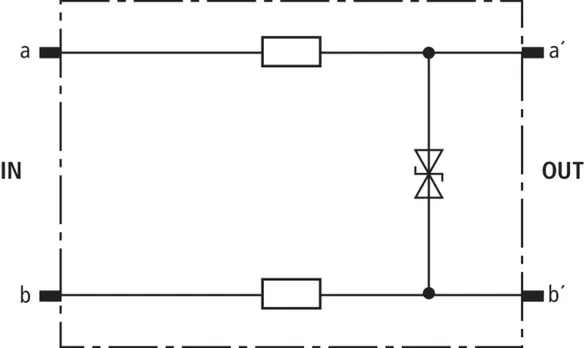
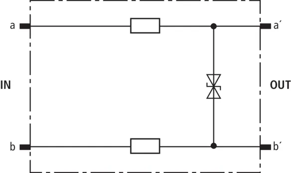
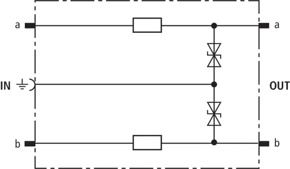
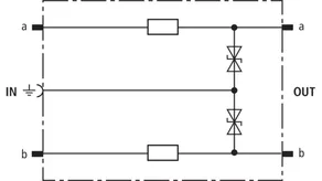
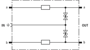
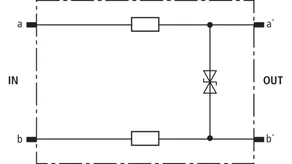
Villámáram-levezetőképes DRL-dugasztár 10 DA hárompólusú gázkisüléses túlfeszültség-korlátozóval közel az összes alkalmazás számára és kombinált levezetővé bővíthető DRL-védődugasszal. Az integrált leválasztósáv-érintkezők dugaszolt védelemnél megengedik a vizsgálat, megszakítás vagy patch elvégzését.

1 Termék

Cikkszám 907400 DRL 10 B 180

GTIN 4013364107557, Vámtarifa szám (EU): 85363010, Bruttó súly: 69.90 g, PU: 1.00 db.

Kifutott termék:

Képek

További információ

Villámáram-levezetőképes DRL-dugasztár DRL 10 B 180
Villámáram-levezető dugasztár
Levezetőosztály 1. típus DEHNrapid LSA
10 DA LSA leválasztósáv számára, komplett
beültetve: 10 GDT 230 B3, ellenőrzött
az EN 61643-21 szerint, bővíthető mit
DRL-védődugasszal kombi-
levezetővé, integrált leválasztósáv-
érintkezőkkel vizsgálat, mérés és patch elvégzéséhez
egyidejű védelemmel.
Legnagyobb tartós üzemi feszültség DC: 180 V
Névleges áram: 0,4 A

Gyártó: DEHN
Típus: DRL 10 B 180
Cikksz.: 907400
vagy egyenértékű.

Tanúsítványok

 

Műszaki adatok

SPD osztály G
Legnagyobb tartós üzemi feszültség DC (UC ) 180 V
Névleges áram (IL ) 0,4 A
D1 Villámáram impulzus (10/350 µs) összesen (Iimp ) 5 kA
C2 névleges levezetési áram (8/20 µs) összesen (In ) 10 kA
Soros ellenállás erenként ≤ 0,005 Ohm
Dugaszolható LSA leválasztósáv 2/10

A 907400 termék hozzá lett adva a jegyzettömbhöz.

A 907400 terméket hozzáadtuk a kosárhoz.

Webshop indítása

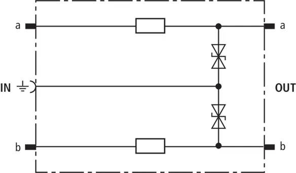
DRL 10 B FSD

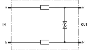
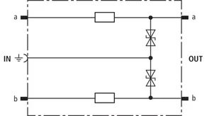
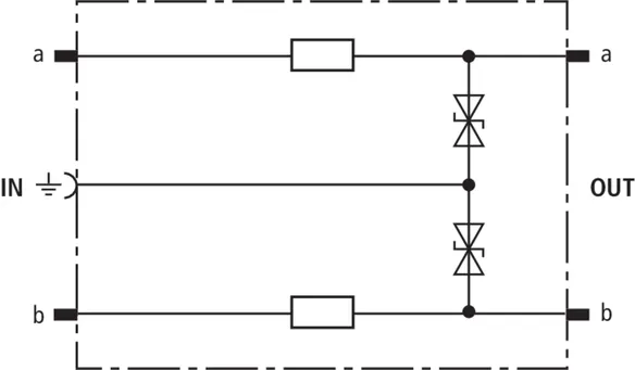
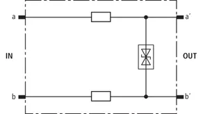
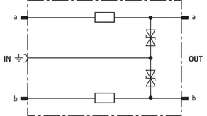
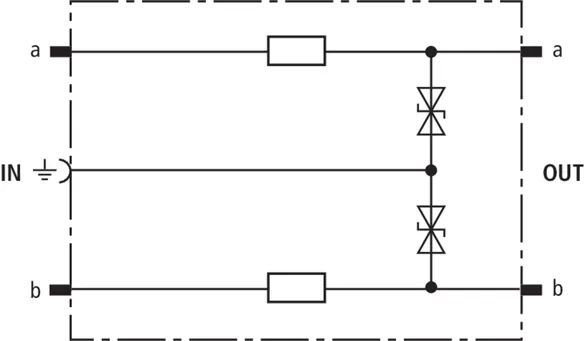
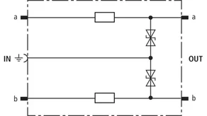
Villámáram-levezetőképes DRL-dugasztár 10 DA közel az összes alkalmazás számára és kombinált levezetővé bővíthető DRL-védődugasszal. Az integrált leválasztósáv-érintkezők dugaszolt védelemnél megengedik a vizsgálat, megszakítás vagy patch elvégzését. A hárompólusú gázkisüléses túlfeszültség-korlátozó fail-safe funkcióval és vizuális kijelzéssel rendelkezik meghibásodás esetén.

1 Termék

Cikkszám 907401 DRL 10 B 180 FSD

GTIN 4013364107564, Vámtarifa szám (EU): 85363010, Bruttó súly: 74.30 g, PU: 1.00 db.


Képek

További információ

Villámáram-levezetőképes DRL-dugasztár DRL 10 B 180 FSD
Villámáram-levezető dugasztár
Levezetőosztály 1. típus DEHNrapid LSA
10 DA LSA leválasztósáv számára, komplett
beültetve: 10 GDT 230 B3 FSD,
ellenőrizve az EN61643-21 szerint, bővíthető
DRL-védődugasszal kombi-
levezetővé, integrált leválasztósáv-
érintkezőkkel vizsgálat, mérés és patch elvégzéséhez
egyidejű védelemmel. Levezető
fail-safe funkcióval és vizuális
hibajelzéssel.
Legnagyobb tartós üzemi feszültség DC: 180 V
Névleges áram: 0,4 A

Gyártó: DEHN
Típus: DRL 10 B 180 FSD
Cikksz.: 907401
vagy egyenértékű.

Tanúsítványok

 

Műszaki adatok

SPD osztály G
Hibajelzés vizuális színváltozás következtében
Legnagyobb tartós üzemi feszültség DC (UC ) 180 V
Névleges áram (IL ) 0,4 A
D1 Villámáram impulzus (10/350 µs) összesen (Iimp ) 5 kA
C2 névleges levezetési áram (8/20 µs) összesen (In ) 10 kA
Soros ellenállás erenként ≤ 0,005 Ohm
Dugaszolható LSA leválasztósáv 2/10

A 907401 termék hozzá lett adva a jegyzettömbhöz.

A 907401 terméket hozzáadtuk a kosárhoz.

Webshop indítása

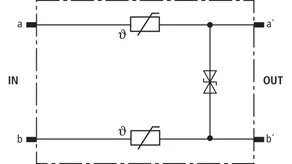
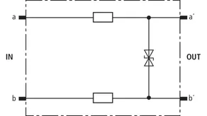
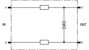
DRL RE

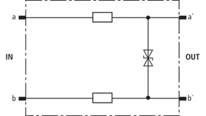
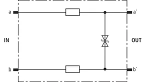
Védődugasz 1 DA energetikailag koordinálva DRL-dugasztárrá egyfokozatú végberendezés-védelemként csatolásmentesítéssel. Különösen alkalmas jelzőkörökhöz közös referenciapotenciállal. Földelés EF 10 DRL-en át. Csak leválasztósávok vagy DRL-dugasztárak számára.

5 Termékek

Cikkszám 907421 DRL RE 12

GTIN 4013364107618, Vámtarifa szám (EU): 85363010, Bruttó súly: 5.40 g, PU: 10.00 db.

Kifutott termék:

Képek

További információ

Túlfeszültség-védődugasz 1 DA DRL RE 12
Túlfeszültség-védődugasz,
3 típus / P1 levezetőosztály
DEHNrapid LSA, ellenőrizve az
EN 61643-21 szerint és energetikailag
koordinálva az IEC 61643-22 szerint
a DRL-dugasztár típus 1-hez,
2 egyedi ér védelmére.
Földelőkerettel együtt
Dugaszolható LSA leválasztósávba
2/10 gyártási sorozatnál, vagy közvetlenül
a DRL-dugasztárba
bővítésként kombinált levezetővé.
Legnagyobb tartós üzemi feszültség DC: 14 V
Névleges áram: 0,4 A

Gyártó: DEHN
Típus: DRL RE 12
Cikksz.: 907421
vagy egyenértékű.

Tanúsítványok

 

Műszaki adatok

SPD osztály O
Legnagyobb tartós üzemi feszültség DC (UC ) 14 V
Névleges áram (IL ) 0,4 A
D1 Villámáram impulzus (10/350 µs) összesen DRL 10 B... kombinációban (Iimp ) 5 kA
C2 névleges levezetési áram (8/20 µs) összesen DRL 10 B... kombinációban (In ) 10 kA
Soros ellenállás erenként 4,7 Ohm
Határfrekvencia ér-védőföld (fG ) 2,7 MHz
Dugaszolható LSA leválasztósáv 2/10 vagy DRL 10 B ... Dugasztár

A 907421 termék hozzá lett adva a jegyzettömbhöz.

A 907421 terméket hozzáadtuk a kosárhoz.

Webshop indítása

Cikkszám 907422 DRL RE 24

GTIN 4013364107625, Vámtarifa szám (EU): 85363010, Bruttó súly: 5.40 g, PU: 10.00 db.

Kifutott termék:

Képek

További információ

Túlfeszültség-védődugasz 1 DA DRL RE 24
Túlfeszültség-védődugasz,
3 típus / P1 levezetőosztály
DEHNrapid LSA, ellenőrizve az
EN 61643-21 szerint és energetikailag
koordinálva az IEC 61643-22 szerint
a DRL-dugasztár típus 1-hez,
2 egyedi ér védelmére.
Földelőkerettel együtt
Dugaszolható LSA leválasztósávba
2/10 gyártási sorozatnál, vagy közvetlenül
a DRL-dugasztárba
bővítésként kombinált levezetővé.
Legnagyobb tartós üzemi feszültség DC: 28 V
Névleges áram: 0,4 A

Gyártó: DEHN
Típus: DRL RE 24
Cikksz.: 907422
vagy egyenértékű.

Tanúsítványok

 

Műszaki adatok

SPD osztály O
Legnagyobb tartós üzemi feszültség DC (UC ) 28 V
Névleges áram (IL ) 0,4 A
D1 Villámáram impulzus (10/350 µs) összesen DRL 10 B... kombinációban (Iimp ) 5 kA
C2 névleges levezetési áram (8/20 µs) összesen DRL 10 B... kombinációban (In ) 10 kA
Soros ellenállás erenként 4,7 Ohm
Határfrekvencia ér-védőföld (fG ) 4,5 MHz
Dugaszolható LSA leválasztósáv 2/10 vagy DRL 10 B ... Dugasztár

A 907422 termék hozzá lett adva a jegyzettömbhöz.

A 907422 terméket hozzáadtuk a kosárhoz.

Webshop indítása

Cikkszám 907423 DRL RE 48

GTIN 4013364107632, Vámtarifa szám (EU): 85363010, Bruttó súly: 5.40 g, PU: 10.00 db.

Kifutott termék:

Képek

További információ

Túlfeszültség-védődugasz 1 DA DRL RE 48
Túlfeszültség-védődugasz,
3 típus / P1 levezetőosztály
DEHNrapid LSA, ellenőrizve az
EN 61643-21 szerint és energetikailag
koordinálva az IEC 61643-22 szerint
a DRL-dugasztár típus 1-hez,
2 egyedi ér védelmére.
Földelőkerettel együtt
Dugaszolható LSA leválasztósávba
2/10 gyártási sorozatnál, vagy közvetlenül
a DRL-dugasztárba
bővítésként kombinált levezetővé.
Legnagyobb tartós üzemi feszültség DC: 54 V
Névleges áram: 0,4 A

Gyártó: DEHN
Típus: DRL RE 48
Cikksz.: 907423
vagy egyenértékű.

Tanúsítványok

 

Műszaki adatok

SPD osztály O
Legnagyobb tartós üzemi feszültség DC (UC ) 54 V
Névleges áram (IL ) 0,4 A
D1 Villámáram impulzus (10/350 µs) összesen DRL 10 B... kombinációban (Iimp ) 5 kA
C2 névleges levezetési áram (8/20 µs) összesen DRL 10 B... kombinációban (In ) 10 kA
Soros ellenállás erenként 6,8 Ohm
Határfrekvencia ér-védőföld (fG ) 7,35 MHz
Dugaszolható LSA leválasztósáv 2/10 vagy DRL 10 B ... Dugasztár

A 907423 termék hozzá lett adva a jegyzettömbhöz.

A 907423 terméket hozzáadtuk a kosárhoz.

Webshop indítása

Cikkszám 907424 DRL RE 60

GTIN 4013364107649, Vámtarifa szám (EU): 85363010, Bruttó súly: 5.40 g, PU: 10.00 db.

Kifutott termék:

Képek

További információ

Túlfeszültség-védődugasz 1 DA DRL RE 60
Túlfeszültség-védődugasz,
3 típus / P1 levezetőosztály
DEHNrapid LSA, ellenőrizve az
EN 61643-21 szerint és energetikailag
koordinálva az IEC 61643-22 szerint
a DRL-dugasztár típus 1-hez,
2 egyedi ér védelmére.
Földelőkerettel együtt
Dugaszolható LSA leválasztósávba
2/10 gyártási sorozatnál, vagy közvetlenül
a DRL-dugasztárba
bővítésként kombinált levezetővé.
Legnagyobb tartós üzemi feszültség DC: 70 V
Névleges áram: 0,4 A

Gyártó: DEHN
Típus: DRL RE 60
Cikksz.: 907424
vagy egyenértékű.

Tanúsítványok

 

Műszaki adatok

SPD osztály O
Legnagyobb tartós üzemi feszültség DC (UC ) 70 V
Névleges áram (IL ) 0,4 A
D1 Villámáram impulzus (10/350 µs) összesen DRL 10 B... kombinációban (Iimp ) 5 kA
C2 névleges levezetési áram (8/20 µs) összesen DRL 10 B... kombinációban (In ) 10 kA
Soros ellenállás erenként 6,8 Ohm
Határfrekvencia ér-védőföld (fG ) 10,5 MHz
Dugaszolható LSA leválasztósáv 2/10 vagy DRL 10 B ... Dugasztár

A 907424 termék hozzá lett adva a jegyzettömbhöz.

A 907424 terméket hozzáadtuk a kosárhoz.

Webshop indítása

Cikkszám 907425 DRL RE 180

GTIN 4013364107656, Vámtarifa szám (EU): 85363010, Bruttó súly: 5.40 g, PU: 10.00 db.

Kifutott termék:

Képek

További információ

Túlfeszültség-védődugasz 1 DA DRL RE 180
Túlfeszültség-védődugasz,
3 típus / P1 levezetőosztály
DEHNrapid LSA, ellenőrizve az
EN 61643-21 szerint és energetikailag
koordinálva az IEC 61643-22 szerint
a DRL-dugasztár típus 1-hez,
2 egyedi ér védelmére.
Földelőkerettel együtt
Dugaszolható LSA leválasztósávba
2/10 gyártási sorozatnál, vagy közvetlenül
a DRL-dugasztárba
bővítésként kombinált levezetővé.
Legnagyobb tartós üzemi feszültség DC: 180 V
Névleges áram: 0,1 A

Gyártó: DEHN
Típus: DRL RE 180
Cikksz.: 907425
vagy egyenértékű.

Tanúsítványok

 

Műszaki adatok

SPD osztály O
Legnagyobb tartós üzemi feszültség DC (UC ) 180 V
Névleges áram (IL ) 0,1 A
D1 Villámáram impulzus (10/350 µs) összesen DRL 10 B... kombinációban (Iimp ) 5 kA
C2 névleges levezetési áram (8/20 µs) összesen DRL 10 B... kombinációban (In ) 10 kA
Soros ellenállás erenként 4,7 Ohm
Határfrekvencia ér-védőföld (fG ) 42 MHz
Dugaszolható LSA leválasztósáv 2/10 vagy DRL 10 B ... Dugasztár

A 907425 termék hozzá lett adva a jegyzettömbhöz.

A 907425 terméket hozzáadtuk a kosárhoz.

Webshop indítása

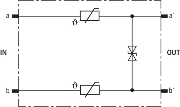
DRL RD

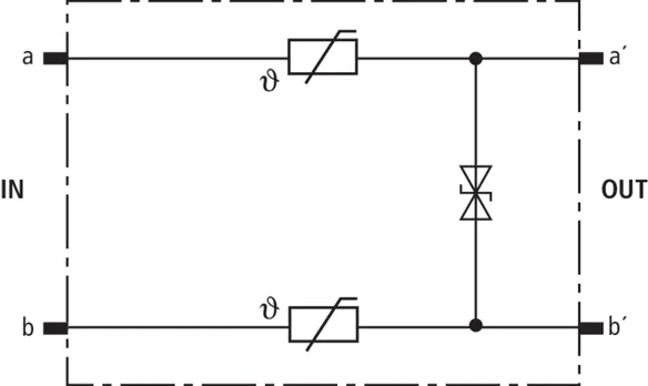
Védődugasz 1 DA energetikailag koordinálva DRL-dugasztárrá egyfokozatú végberendezés-védelemként. Alacsony védelmi szint ér-ér földeletlen interfészek számára. Szerelés EF 10 DRL-lel. Telepítés csak DRL dugasztárral együtt ajánlott.

5 Termékek

Cikkszám 907441 DRL RD 12

GTIN 4013364107694, Vámtarifa szám (EU): 85363010, Bruttó súly: 5.40 g, PU: 10.00 db.

Kifutott termék:

Képek

További információ

Túlfeszültség-védődugasz 1 DA DRL RD 12
Túlfeszültség-védődugasz,
3 típus / P1 levezetőosztály
DEHNrapid LSA, ellenőrizve az
EN 61643-21 szerint és energetikailag
koordinálva az IEC 61643-22 szerint
a DRL-dugasztár típus 1-hez,
egy érpár védelmére.
Földelőkerettel együtt
dugaszolható LSA leválasztósávba
2/10 gyártási sorozatnál, vagy közvetlenül
a DRL-dugasztárba
bővítésként kombinált levezetővé.
Legnagyobb tartós üzemi feszültség DC: 14 V
Névleges áram: 0,4 A

Gyártó: DEHN
Típus: DRL RD 12
Cikksz.: 907441
vagy egyenértékű.

Tanúsítványok

 

Műszaki adatok

SPD osztály O
Legnagyobb tartós üzemi feszültség DC (UC ) 14 V
Névleges áram (IL ) 0,4 A
D1 Villámáram impulzus (10/350 µs) összesen DRL 10 B... kombinációban (Iimp ) 5 kA
C2 névleges levezetési áram (8/20 µs) összesen DRL 10 B... kombinációban (In ) 10 kA
Soros ellenállás erenként 2,2 Ohm
Határfrekvencia ér-ér (fG ) 2,7 MHz
Dugaszolható LSA leválasztósáv 2/10 vagy DRL 10 B ... Dugasztár

A 907441 termék hozzá lett adva a jegyzettömbhöz.

A 907441 terméket hozzáadtuk a kosárhoz.

Webshop indítása

Cikkszám 907442 DRL RD 24

GTIN 4013364107700, Vámtarifa szám (EU): 85363010, Bruttó súly: 5.40 g, PU: 10.00 db.


Képek

További információ

Túlfeszültség-védődugasz 1 DA DRL RD 24
Túlfeszültség-védődugasz,
3 típus / P1 levezetőosztály
DEHNrapid LSA, ellenőrizve az
EN 61643-21 szerint és energetikailag
koordinálva az IEC 61643-22 szerint
a DRL-dugasztár típus 1-hez,
egy érpár védelmére.
Földelőkerettel együtt
dugaszolható LSA leválasztósávba
2/10 gyártási sorozatnál, vagy közvetlenül
a DRL-dugasztárba
bővítésként kombinált levezetővé.
Legnagyobb tartós üzemi feszültség DC: 28 V
Névleges áram: 0,4 A

Gyártó: DEHN
Típus: DRL RD 24
Cikksz.: 907442
vagy egyenértékű.

Tanúsítványok

 

Műszaki adatok

SPD osztály O
Legnagyobb tartós üzemi feszültség DC (UC ) 28 V
Névleges áram (IL ) 0,4 A
D1 Villámáram impulzus (10/350 µs) összesen DRL 10 B... kombinációban (Iimp ) 5 kA
C2 névleges levezetési áram (8/20 µs) összesen DRL 10 B... kombinációban (In ) 10 kA
Soros ellenállás erenként 2,2 Ohm
Határfrekvencia ér-ér (fG ) 5,4 MHz
Dugaszolható LSA leválasztósáv 2/10 vagy DRL 10 B ... Dugasztár

A 907442 termék hozzá lett adva a jegyzettömbhöz.

A 907442 terméket hozzáadtuk a kosárhoz.

Webshop indítása

Cikkszám 907443 DRL RD 48

GTIN 4013364107717, Vámtarifa szám (EU): 85363010, Bruttó súly: 5.40 g, PU: 10.00 db.


Képek

További információ

Túlfeszültség-védődugasz 1 DA DRL RD 48
Túlfeszültség-védődugasz,
3 típus / P1 levezetőosztály
DEHNrapid LSA, ellenőrizve az
EN 61643-21 szerint és energetikailag
koordinálva az IEC 61643-22 szerint
a DRL-dugasztár típus 1-hez,
egy érpár védelmére.
Földelőkerettel együtt
dugaszolható LSA leválasztósávba
2/10 gyártási sorozatnál, vagy közvetlenül
a DRL-dugasztárba
bővítésként kombinált levezetővé.
Legnagyobb tartós üzemi feszültség DC: 54 V
Névleges áram: 0,4 A

Gyártó: DEHN
Típus: DRL RD 48
Cikksz.: 907443
vagy egyenértékű.

Tanúsítványok

 

Műszaki adatok

SPD osztály O
Legnagyobb tartós üzemi feszültség DC (UC ) 54 V
Névleges áram (IL ) 0,4 A
D1 Villámáram impulzus (10/350 µs) összesen DRL 10 B... kombinációban (Iimp ) 5 kA
C2 névleges levezetési áram (8/20 µs) összesen DRL 10 B... kombinációban (In ) 10 kA
Soros ellenállás erenként 4,7 Ohm
Határfrekvencia ér-ér (fG ) 7,8 MHz
Dugaszolható LSA leválasztósáv 2/10 vagy DRL 10 B ... Dugasztár

A 907443 termék hozzá lett adva a jegyzettömbhöz.

A 907443 terméket hozzáadtuk a kosárhoz.

Webshop indítása

Cikkszám 907444 DRL RD 60

GTIN 4013364107724, Vámtarifa szám (EU): 85363010, Bruttó súly: 5.40 g, PU: 10.00 db.


Képek

További információ

Túlfeszültség-védődugasz 1 DA DRL RD 60
Túlfeszültség-védődugasz,
3 típus / P1 levezetőosztály
DEHNrapid LSA, ellenőrizve az
EN 61643-21 szerint és energetikailag
koordinálva az IEC 61643-22 szerint
a DRL-dugasztár típus 1-hez,
egy érpár védelmére.
Földelőkerettel együtt
dugaszolható LSA leválasztósávba
2/10 gyártási sorozatnál, vagy közvetlenül
a DRL-dugasztárba
bővítésként kombinált levezetővé.
Legnagyobb tartós üzemi feszültség DC: 70 V
Névleges áram: 0,4 A

Gyártó: DEHN
Típus: DRL RD 60
Cikksz.: 907444
vagy egyenértékű.

Tanúsítványok

 

Műszaki adatok

SPD osztály O
Legnagyobb tartós üzemi feszültség DC (UC ) 70 V
Névleges áram (IL ) 0,4 A
D1 Villámáram impulzus (10/350 µs) összesen DRL 10 B... kombinációban (Iimp ) 5 kA
C2 névleges levezetési áram (8/20 µs) összesen DRL 10 B... kombinációban (In ) 10 kA
Soros ellenállás erenként 4,7 Ohm
Határfrekvencia ér-ér (fG ) 11 MHz
Dugaszolható LSA leválasztósáv 2/10 vagy DRL 10 B ... Dugasztár

A 907444 termék hozzá lett adva a jegyzettömbhöz.

A 907444 terméket hozzáadtuk a kosárhoz.

Webshop indítása

Cikkszám 907445 DRL RD 110

GTIN 4013364118461, Vámtarifa szám (EU): 85363010, Bruttó súly: 3.30 g, PU: 10.00 db.


Képek

További információ

Túlfeszültség-védődugasz 1 DA DRL RD 110
Túlfeszültség-védődugasz,
3 típus / P1 levezetőosztály
DEHNrapid LSA, ellenőrizve az
EN 61643-21 szerint és energetikailag
koordinálva az IEC 61643-22 szerint
a DRL-dugasztár típus 1-hez,
egy érpár védelmére.
Földelőkerettel együtt
dugaszolható LSA leválasztósávba
2/10 gyártási sorozatnál, vagy közvetlenül
a DRL-dugasztárba
bővítésként kombinált levezetővé.
Legnagyobb tartós üzemi feszültség DC: 180 V
Névleges áram: 0,4 A

Gyártó: DEHN
Típus: DRL RD 110
Cikksz.: 907445
vagy egyenértékű.

Tanúsítványok

 

Műszaki adatok

SPD osztály O
Legnagyobb tartós üzemi feszültség DC (UC ) 180 V
Névleges áram (IL ) 0,4 A
D1 Villámáram impulzus (10/350 µs) összesen DRL 10 B... kombinációban (Iimp ) 5 kA
C2 névleges levezetési áram (8/20 µs) összesen DRL 10 B... kombinációban (In ) 10 kA
Soros ellenállás erenként 4,7 Ohm
Határfrekvencia ér-ér (fG ) 20 MHz
Dugaszolható LSA leválasztósáv 2/10 vagy DRL 10 B ... Dugasztár

A 907445 termék hozzá lett adva a jegyzettömbhöz.

A 907445 terméket hozzáadtuk a kosárhoz.

Webshop indítása

DRL PD

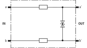
Védődugasz 1 DA energetikailag koordinálva DRL-dugasztárrá egyfokozatú végberendezés-védelemként. Alacsony védelmi szint ér-ér és integrált túláramvédelem ADSL, ISDN Uk0 vagy a/b-erek számára. Szerelés EF 10 DRL-lel. Telepítés csak DRL dugasztárral együtt ajánlott.

1 Termék

Cikkszám 907430 DRL PD 180

GTIN 4013364107670, Vámtarifa szám (EU): 85363010, Bruttó súly: 3.90 g, PU: 10.00 db.

Kifutott termék:

Képek

További információ

Túlfeszültség-védődugasz 1 DA DRL PD 180
Túlfeszültség-védődugasz,
3 típus / P1 levezetőosztály
DEHNrapid LSA, kombinálva
túláramvédelemmel
Powercrossing-gal szemben, bevizsgálva
az EN 61643-21 szerint és energetikailag
koordinálva az IEC 61643-22 szerint
a DRL-dugasztár típus 1-hez,
egy érpár védelmére.
Földelőkerettel együtt
dugaszolható LSA leválasztósávba
2/10 gyártási sorozatnál, vagy közvetlenül
a DRL-dugasztárba
bővítésként kombinált levezetővé.
Legnagyobb tartós üzemi feszültség DC: 180 V
Névleges áram: 0,1 A

Gyártó: DEHN
Típus: DRL PD 180
Cikksz.: 907430
vagy egyenértékű.

Tanúsítványok

 

Műszaki adatok

SPD osztály O
Legnagyobb tartós üzemi feszültség DC (UC ) 180 V
Névleges áram (IL ) 0,1 A
D1 Villámáram impulzus (10/350 µs) összesen DRL 10 B... kombinációban (Iimp ) 5 kA
C2 névleges levezetési áram (8/20 µs) összesen DRL 10 B... kombinációban (In ) 10 kA
Soros ellenállás erenként 10 Ohm +/- 15%
Határfrekvencia ér-ér (fG ) 61 MHz
Dugaszolható LSA leválasztósáv 2/10 vagy DRL 10 B ... Dugasztár

A 907430 termék hozzá lett adva a jegyzettömbhöz.

A 907430 terméket hozzáadtuk a kosárhoz.

Webshop indítása

DRL HD

Védődugasz 1 DA energetikailag koordinálva DRL-dugasztárrá egyfokozatú végberendezés-védelemként nagyfrekvenciás átvitel, mint a G.703 vagy ISDN U számára2 m , S2 m és S0. Szerelés EF 10 DRL-lel. Telepítés csak DRL dugasztárral együtt ajánlott.

1 Termék

Cikkszám 907470 DRL HD 24

GTIN 4013364107663, Vámtarifa szám (EU): 85363010, Bruttó súly: 5.40 g, PU: 10.00 db.

Kifutott termék:

Képek

További információ

Túlfeszültség-védődugasz 1 DA DRL HD 24
Túlfeszültség-védődugasz,
3 típus / P1 levezetőosztály
DEHNrapid LSA, ellenőrizve az
EN 61643-21 szerint és energetikailag
koordinálva az IEC 61643-22 szerint
a DRL-dugasztár típus 1-hez,
egy érpár védelmére
igen nagy átviteli sebességű
rendszerekben.
Földelőkerettel együtt
dugaszolható LSA leválasztósávba
2/10 gyártási sorozatnál, vagy közvetlenül
a DRL-dugasztárba
bővítésként kombinált levezetővé.
Legnagyobb tartós üzemi feszültség DC: 28 V
Névleges áram: 0,4 A

Gyártó: DEHN
Típus: DRL HD 24
Cikksz.: 907470
vagy egyenértékű.

Tanúsítványok

 

Műszaki adatok

SPD osztály O
Legnagyobb tartós üzemi feszültség DC (UC ) 28 V
Névleges áram (IL ) 0,4 A
D1 Villámáram impulzus (10/350 µs) összesen DRL 10 B... kombinációban (Iimp ) 5 kA
C2 névleges levezetési áram (8/20 µs) összesen DRL 10 B... kombinációban (In ) 10 kA
Soros ellenállás erenként 4,7 Ohm
Dugaszolható LSA leválasztósáv 2/10 vagy DRL 10 B ... Dugasztár

A 907470 termék hozzá lett adva a jegyzettömbhöz.

A 907470 terméket hozzáadtuk a kosárhoz.

Webshop indítása

back to top