DEHNgate – levezetők koaxiális csatlakozáshoz

  • Univerzális túlfeszültség- és kombinált levezető
  • Legmagasabb levezetési képesség koaxiális rendszerek számára
  • Alacsony védelmi szint, végberendezések védelmére is alkalmas
  • Rendkívül hosszú élettartamú érintkezőanyagok

Details

F-csatlakozó 75 ohmos rendszerekhez.
lorem ipsum
Túlfeszültség-korlátozó SAT- és kábelrendszerek számára.
lorem ipsum

DGA BNC VC

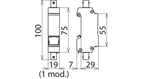
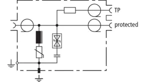
Helytakarékos túlfeszültség-korlátozó BNC-aljzat csatlakozóval tartósín-szerelésre videó- és kamerarendszerek védelmére. Típustól függően közvetlen (VCD) vagy közvetett árnyékolás-bekötéshez (VCID) brumm-hurok elkerülésére.

2 Termékek

Cikkszám 909710 DGA BNC VCD

GTIN 4013364118942, Vámtarifa szám (EU): 85363010, Bruttó súly: 126.00 g, PU: 1.00 db.


Képek

További információ

Túlfeszültség-korlátozó BNC-aljzat csatlakozóval DEHNgate DGA BNC VCD
Túlfeszültség-korlátozó
2 / P1 típusú levezetőosztály
DEHNgate, ellenőrizve az EN61643-21 szerint
videórendszerek védelmére
vagy Arcnet-számítógéprendszerek védelmére
koaxiális BNC-aljzat-csatlakoztatással.
Árnyékolás mindig közvetlenül földelt.
Legnagyobb tartós üzemi feszültség DC: 6,4 V
D1 Villámáram impulzus (10/350 µs): 1 kA
Frekvenciatartomány: 0-300 MHz

Gyártó: DEHN
Típus: DGA BNC VCD
Cikksz.: 909710
vagy egyenértékű.

Tanúsítványok

 

Műszaki adatok

SPD osztály T
Legnagyobb tartós üzemi feszültség DC (UC ) 6,4 V
Névleges áram (IL ) 0,1 A
D1 Villámáram impulzus (10/350 µs) (Iimp ) 1 kA
C2 névleges levezetési áram (8/20 µs) ér-árnyékolás (In ) 5 kA
Frekvenciatartomány 0-300 MHz
Csatlakozás bemenet / kimenet BNC aljzat / BNC aljzat
Tanúsítványok CSA, UL

A 909710 termék hozzá lett adva a jegyzettömbhöz.

A 909710 terméket hozzáadtuk a kosárhoz.

Webshop indítása

Cikkszám 909711 DGA BNC VCID

GTIN 4013364118980, Vámtarifa szám (EU): 85363010, Bruttó súly: 127.50 g, PU: 1.00 db.


Képek

További információ

Túlfeszültség-korlátozó BNC-aljzat csatlakozóval DEHNgate DGA BNC VCID
Túlfeszültség-korlátozó
2 / P1 típusú levezetőosztály
DEHNgate, ellenőrizve az EN61643-21 szerint
videórendszerek védelmére
vagy Arcnet-számítógéprendszerek védelmére
koaxiális BNC-aljzat-csatlakoztatással.
Árnyékolás mindig közvetlenül földelt
brumm-hurok elkerülésére.
Legnagyobb tartós üzemi feszültség DC: 6,4 V
D1 Villámáram impulzus (10/350 µs): 1 kA
Frekvenciatartomány: 0-300 MHz

Gyártó: DEHN
Típus: DGA BNC VCID
Cikksz.: 909711
vagy egyenértékű.

Tanúsítványok

 

Műszaki adatok

SPD osztály T
Legnagyobb tartós üzemi feszültség DC (UC ) 6,4 V
Névleges áram (IL ) 0,1 A
D1 Villámáram impulzus (10/350 µs) (Iimp ) 1 kA
C2 névleges levezetési áram (8/20 µs) ér-árnyékolás (In ) 5 kA
Frekvenciatartomány 0-300 MHz
Csatlakozás bemenet / kimenet BNC aljzat / BNC aljzat
Tanúsítványok CSA, UL

A 909711 termék hozzá lett adva a jegyzettömbhöz.

A 909711 terméket hozzáadtuk a kosárhoz.

Webshop indítása

DGA TV

DGA ... TV távtáplálásra alkalmas levezetők F-csatlakozóval 75 Ohm-os SAT- és kábelrendszerekhez. A levezetők megfelelnek az A osztály megnövelt árnyékolási követelményeinek az EN 50083-2 szerint. A helytakarékos telepítésre alkalmasan az összes szokásos TV- és SAT-alkalmazáshoz elérhetők a levezetők villámáram-levezetőként, valamint túlfeszültség-korlátozóként vagy kombinált levezetőkészletként integrált méréskimenettel a rendszerfelülvizsgálat számára.

3 Termékek

Cikkszám 909703 DGA FF TV

GTIN 4013364085664, Vámtarifa szám (EU): 85363010, Bruttó súly: 233.00 g, PU: 1.00 db.


Képek

További információ

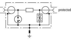
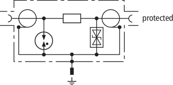
Túlfeszültség-korlátozó DEHNgate DGA FF TV
Túlfeszültség-korlátozó
3 / P1 típusú levezetőosztály
DEHNgate integrált
mérő-/vizsgálókimenettel
koaxiális 75 Ohm TV- és SAT-
rendszerekhez, ellenőrizve az EN 61643-21 szerint.
Energetikailag koordinálva a villámáram-
levezetőhöz DGA GF TV, távtáplálásra alkalmas. Mellékelve
fali szerelés adapter és két
F-csatlakozó. A-osztályú termék.
Legnagyobb tartós üzemi feszültség DC: 24 V
D1 Villámáram impulzus (10/350 µs): 0,2 kA
C2 névleges levezetési áram (8/20 µs): 1,5 kA
Frekvenciatartomány: DC / 5-3000 MHz

Gyártó: DEHN
Típus: DGA FF TV
Cikksz.: 909703
vagy egyenértékű.

Tanúsítványok

 

Műszaki adatok

SPD osztály {
Legnagyobb tartós üzemi feszültség DC (UC ) 24 V
Névleges áram (IL ) 2 A
D1 Villámáram impulzus (10/350 µs) (Iimp ) 0,2 kA
C2 névleges levezetési áram (8/20 µs) (In ) 1,5 kA
Frekvenciatartomány DC / 5-3000 MHz
Csatlakozás bemenet / kimenet F aljzat / F aljzat

A 909703 termék hozzá lett adva a jegyzettömbhöz.

A 909703 terméket hozzáadtuk a kosárhoz.

Webshop indítása

Cikkszám 909704 DGA GF TV

GTIN 4013364105690, Vámtarifa szám (EU): 85363010, Bruttó súly: 85.50 g, PU: 1.00 db.


Képek

További információ

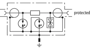
DEHNgate DGA GF TV villámáram-levezető
Villámáram-levezető
1 típusú levezetőosztály
DEHNgate, koaxiális 75 Ohm-os
TT- és TN-S-rendszerek számára,
ellenőrizve az EN 61643-21 szerint.
Energetikailag koordinálva a túlfeszültség-
korlátozó DGA FF TV-hez,
távtáplálásra alkalmas, földelés
földelőblokkon keresztül. Földelőblokkal
és két F-csatlakozóval.
A-osztályú termék.
Legnagyobb tartós üzemi feszültség DC: 60 V
D1 Villámáram impulzus (10/350 µs): 2,5 kA
C2 névleges levezetési áram (8/20 µs): 10 kA
Frekvenciatartomány: 0-2400 MHz

Gyártó: DEHN
Típus: DGA GF TV
Cikksz.: 909704
vagy egyenértékű.

Tanúsítványok

 

Műszaki adatok

SPD osztály H
Legnagyobb tartós üzemi feszültség DC (UC ) 60 V
Névleges áram (IL ) 2 A
D1 Villámáram impulzus (10/350 µs) (Iimp ) 2,5 kA
C2 névleges levezetési áram (8/20 µs) (In ) 10 kA
Frekvenciatartomány 0-2400 MHz
Csatlakozás bemenet / kimenet F aljzat / F dugasz

A 909704 termék hozzá lett adva a jegyzettömbhöz.

A 909704 terméket hozzáadtuk a kosárhoz.

Webshop indítása

Cikkszám 909705 DGA GFF TV

GTIN 4013364105706, Vámtarifa szám (EU): 85363010, Bruttó súly: 282.70 g, PU: 1.00 db.


Képek

További információ

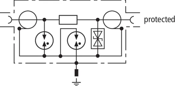
Kombinált levezető DEHNgate DGA GFF TV
Kombinált levezető
1 / P1 típusú levezetőosztály
DEHNgate, integrált
mérő-/vizsgálókimenettel
koaxiális 75 Ohm TV- és SAT-
rendszerekhez, ellenőrizve az EN 61643-21 szerint
és energetikailag koordinálva az
IEC 61643-22 szerint. Távtáplálásra alkalmas.
Fali szerelés adapterrel és két
F-csatlakozó. A osztályú termék.
Legnagyobb tartós üzemi feszültség DC: 24 V
D1 Villámáram impulzus (10/350 µs): 2,5 kA
C2 névleges levezetési áram (8/20 µs): 10 kA
Frekvenciatartomány: DC / 5-2400 MHz

Gyártó: DEHN
Típus: DGA GFF TV
Cikksz.: 909705
vagy egyenértékű.

Tanúsítványok

 

Műszaki adatok

SPD osztály H{
Legnagyobb tartós üzemi feszültség DC (UC ) 24 V
Névleges áram (IL ) 2 A
D1 Villámáram impulzus (10/350 µs) (Iimp ) 2,5 kA
C2 névleges levezetési áram (8/20 µs) (In ) 10 kA
Frekvenciatartomány DC / 5-2400 MHz
Csatlakozás bemenet / kimenet F aljzat / F aljzat

A 909705 termék hozzá lett adva a jegyzettömbhöz.

A 909705 terméket hozzáadtuk a kosárhoz.

Webshop indítása

DGA FF5 TV

Ötszörös túlfeszültség-korlátozó 75 Ohm-os antennarendszerek számára. Speciális kivitel SAT-antennaelosztók és multikapcsolók számára. A levezető megfelel az A osztály árnyékolási követelményeinek az EN 50083-2 szerint.
A szállítási kör részét képezik a rögzítőanyagok és a potenciálkiegyenlítő vezeték.

1 Termék

Cikkszám 909706 DGA FF5 TV

GTIN 4013364362437, Vámtarifa szám (EU): 85363010, Bruttó súly: 284.00 g, PU: 1.00 db.


Képek

További információ

DEHNgate DGA FF5 TV túlfeszültség-korlátozó
Túlfeszültség-korlátozó
2 / P1 típusú levezetőosztály
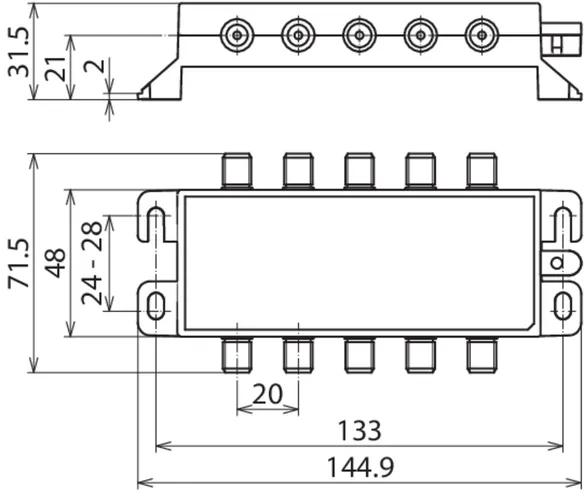
Ötcsatornás DEHNgate
koaxiális 75 Ohm TV- és SAT-
rendszerekhez, ellenőrizve az EN 61643-21 szerint
Szerelési tartozékokkal együtt
Csatlakozás potenciálkiegyenlítés számára kívül a házon
A-osztályú termék
Legnagyobb tartós üzemi feszültség DC: 20 V
D1 Villámáram impulzus (10/350 µs): 0,5 kA
D1 Villámáram impulzus (10/350 µs) összesen: 2,5 kA
C2 névleges levezetési áram (8/20 µs): 2,5 kA
C2 névleges levezetési áram (8/20 µs) összesen: 10 kA
Frekvenciatartomány: 47-2200 MHz

Gyártó: DEHN
Típus: DGA FF5 TV
Cikksz.: 909706
vagy egyenértékű.

Tanúsítványok

 

Műszaki adatok

SPD osztály T
Legnagyobb tartós üzemi feszültség DC (UC ) 20 V
Névleges áram (IL ) 0,4 A
D1 Villámáram impulzus (10/350 µs) (Iimp ) 0,5 kA
D1 Villámáram impulzus (10/350 µs) összesen (Iimp ) 2,5 kA
C2 névleges levezetési áram (8/20 µs) (In ) 2,5 kA
C2 névleges levezetési áram (8/20 µs) összesen (In ) 10 kA
Frekvenciatartomány 47-2200 MHz
Csatlakozás bemenet / kimenet F aljzat / F aljzat

A 909706 termék hozzá lett adva a jegyzettömbhöz.

A 909706 terméket hozzáadtuk a kosárhoz.

Webshop indítása

DGA G

Távtáplálásra alkalmas túlfeszültség-korlátozó mit integrált gázkisüléses túlfeszültség-korlátozóval. Speciális kialakítás wireless-alkalmazások felhasználási területeire eszköz- és antenna-interfészek számára koaxiális csatlakoztatásnál.
Kapható mit SMA-, BNC- vagy N-csatlakoztatás számára átvezetéshez.

3 Termékek

Cikkszám 929039 DGA G SMA

GTIN 4013364135185, Vámtarifa szám (EU): 85363010, Bruttó súly: 24.00 g, PU: 1.00 db.


Képek

További információ

DEHNgate DGA G SMA túlfeszültség-korlátozó
Túlfeszültség-korlátozó
2 típusú levezetőosztály
DEHNgate, koaxiális
50 Ohm antennarendszerek számára,
ellenőrizve az EN 61643-21 szerint.
Távtáplálásra alkalmas, földelés
átvezetőn keresztül, fix integrált
koaxiális gázkisüléses túlfeszültség-korlátozó
Legnagyobb tartós üzemi feszültség DC: 135 V
D1 Villámáram impulzus (10/350 µs): 1 kA
C2 névleges levezetési áram (8/20 µs): 5 kA
Frekvenciatartomány: 0-5,8 GHz

Gyártó: DEHN
Típus: DGA G SMA
Cikksz.: 929039
vagy egyenértékű.

Tanúsítványok

 

Műszaki adatok

SPD osztály B
Legnagyobb tartós üzemi feszültség DC (UC ) 135 V
Névleges áram (IL ) 2 A
Max. átviteli teljesítmény 60 W
D1 Villámáram impulzus (10/350 µs) (Iimp ) 1 kA
C2 névleges levezetési áram (8/20 µs) (In ) 5 kA
Frekvenciatartomány 0-5,8 GHz
Csatlakoztatás SMA aljzat / SMA dugasz

A 929039 termék hozzá lett adva a jegyzettömbhöz.

A 929039 terméket hozzáadtuk a kosárhoz.

Webshop indítása

Cikkszám 929042 DGA G BNC

GTIN 4013364091030, Vámtarifa szám (EU): 85363010, Bruttó súly: 39.20 g, PU: 1.00 db.


Képek

További információ

DEHNgate DGA G BNC túlfeszültség-korlátozó
Túlfeszültség-korlátozó
2 típusú levezetőosztály
DEHNgate, koaxiális
50 Ohm antennarendszerek számára,
ellenőrizve az EN 61643-21 szerint.
Távtáplálásra alkalmas, földelés
átvezetőn keresztül, fix integrált
koaxiális gázkisüléses túlfeszültség-korlátozó
Legnagyobb tartós üzemi feszültség DC: 135 V
D1 Villámáram impulzus (10/350 µs): 1 kA
C2 névleges levezetési áram (8/20 µs): 5 kA
Frekvenciatartomány: 0-4 GHz

Gyártó: DEHN
Típus: DGA G BNC
Cikksz.: 929042
vagy egyenértékű.

Tanúsítványok

 

Műszaki adatok

SPD osztály B
Legnagyobb tartós üzemi feszültség DC (UC ) 135 V
Névleges áram (IL ) 3,5 A
Max. átviteli teljesítmény 25 W
D1 Villámáram impulzus (10/350 µs) (Iimp ) 1 kA
C2 névleges levezetési áram (8/20 µs) (In ) 5 kA
Frekvenciatartomány 0-4 GHz
Csatlakoztatás BNC aljzat / BNC dugasz

A 929042 termék hozzá lett adva a jegyzettömbhöz.

A 929042 terméket hozzáadtuk a kosárhoz.

Webshop indítása

Cikkszám 929044 DGA G N

GTIN 4013364091054, Vámtarifa szám (EU): 85363010, Bruttó súly: 86.30 g, PU: 1.00 db.

Kifutott termék:

Képek

További információ

DEHNgate DGA G N túlfeszültség-korlátozó
Túlfeszültség-korlátozó
2 típusú levezetőosztály
DEHNgate, koaxiális
50 Ohm antennarendszerek számára,
ellenőrizve az EN 61643-21 szerint.
Távtáplálásra alkalmas, földelés
átvezetőn keresztül, fix integrált
koaxiális gázkisüléses túlfeszültség-korlátozó
Legnagyobb tartós üzemi feszültség DC: 135 V
D1 Villámáram impulzus (10/350 µs): 1 kA
C2 névleges levezetési áram (8/20 µs): 5 kA
Frekvenciatartomány: 0-5,8 GHz

Gyártó: DEHN
Típus: DGA G N
Cikksz.: 929044
vagy egyenértékű.

Tanúsítványok

 

Műszaki adatok

SPD osztály B
Legnagyobb tartós üzemi feszültség DC (UC ) 135 V
Névleges áram (IL ) 6 A
Max. átviteli teljesítmény 60 W
D1 Villámáram impulzus (10/350 µs) (Iimp ) 1 kA
C2 névleges levezetési áram (8/20 µs) (In ) 5 kA
Frekvenciatartomány 0-5,8 GHz
Csatlakoztatás N aljzat / N dugasz

A 929044 termék hozzá lett adva a jegyzettömbhöz.

A 929044 terméket hozzáadtuk a kosárhoz.

Webshop indítása

DGA AG

Távtáplálásra alkalmas levezető cserélhető gázkisüléses túlfeszültség-korlátozóval. Kiváló hosszútávú RF viselkedés minimális kontakterózió miatt a gázkisüléses túlfeszültség-korlátozó nagy felületű kontaktálása következtében.

2 Termékek

Cikkszám 929043 DGA AG BNC

GTIN 4013364091047, Vámtarifa szám (EU): 85363010, Bruttó súly: 89.60 g, PU: 1.00 db.


Képek

További információ

DEHNgate DGA AG BNC villámáram-levezető
Villámáram-levezető
1 típusú levezetőosztály
DEHNgate, koaxiális
50 Ohm antennarendszerek számára,
ellenőrizve az EN 61643-21 szerint.
Távtáplálásra alkalmas, földelés
átvezetőn keresztül, vezetőketrec
cserélhető gázkisüléses túlfeszültség-korlátozó számára
Legnagyobb tartós üzemi feszültség DC: 180 V
D1 Villámáram impulzus (10/350 µs): 5 kA
C2 névleges levezetési áram (8/20 µs): 20 kA
Frekvenciatartomány: 0-1 GHz

Gyártó: DEHN
Típus: DGA AG BNC
Cikksz.: 929043
vagy egyenértékű.

Tanúsítványok

 

Műszaki adatok

SPD osztály A
Legnagyobb tartós üzemi feszültség DC (UC ) 180 V
Névleges áram (IL ) 3,5 A
Max. átviteli teljesítmény 150 W
D1 Villámáram impulzus (10/350 µs) (Iimp ) 5 kA
C2 névleges levezetési áram (8/20 µs) (In ) 20 kA
Frekvenciatartomány 0-1 GHz
Csatlakoztatás BNC aljzat / BNC dugasz

A 929043 termék hozzá lett adva a jegyzettömbhöz.

A 929043 terméket hozzáadtuk a kosárhoz.

Webshop indítása

Cikkszám 929045 DGA AG N

GTIN 4013364091061, Vámtarifa szám (EU): 85363010, Bruttó súly: 266.00 g, PU: 1.00 db.


Képek

További információ

DEHNgate DGA AG N villámáram-levezető
Villámáram-levezető
1 típusú levezetőosztály
DEHNgate, koaxiális
50 Ohm antennarendszerek számára,
ellenőrizve az EN 61643-21 szerint.
Távtáplálásra alkalmas, földelés
átvezetőn keresztül vagy földelőcsavarral,
vezetőketrec cserélhető
gázkisüléses túlfeszültség-korlátozó számára
Legnagyobb tartós üzemi feszültség DC: 180 V
D1 Villámáram impulzus (10/350 µs): 5 kA
C2 névleges levezetési áram (8/20 µs): 20 kA
Frekvenciatartomány: 0-2,5 GHz

Gyártó: DEHN
Típus: DGA AG N
Cikksz.: 929045
vagy egyenértékű.

Tanúsítványok

 

Műszaki adatok

SPD osztály A
Legnagyobb tartós üzemi feszültség DC (UC ) 180 V
Névleges áram (IL ) 6 A
Max. átviteli teljesítmény 150 W
D1 Villámáram impulzus (10/350 µs) (Iimp ) 5 kA
C2 névleges levezetési áram (8/20 µs) (In ) 20 kA
Frekvenciatartomány 0-2,5 GHz
Csatlakoztatás N aljzat / N dugasz

A 929045 termék hozzá lett adva a jegyzettömbhöz.

A 929045 terméket hozzáadtuk a kosárhoz.

Webshop indítása

DGA LG

Távtáplálásra alkalmas levezető in kombinált szikraköz-lambda/4-technológiával többfrekvenciás alkalmazások (multicarrier-rendszerek) számára, mivel minimális a passzív intermoduláció. Különösen szélessávú az összes 4+3G- és LTE-szolgáltatás számára.

1 Termék

Cikkszám 929146 DGA LG 7 16 MFA

GTIN 4013364157156, Vámtarifa szám (EU): 85363010, Bruttó súly: 493.00 g, PU: 1.00 db.

Kifutott termék:

Képek

További információ

Villámáram-levezető DEHNgate DGA LG 7 16 MFA
Villámáram-levezető
1 típusú levezetőosztály
DEHNgate, koaxiális
50 Ohm antennarendszerek számára,
ellenőrizve az EN 61643-21 szerint.
Távtáplálásra alkalmas, felépítés
karbantartásmentes lambda/4-technológiával
speciálisan multi-carrier alkalmazások számára,
3+4G- és LTE-szolgáltatásokhoz.
Legnagyobb tartós üzemi feszültség DC: 65 V
D1 Villámáram impulzus (10/350 µs): 5 kA
C2 névleges levezetési áram (8/20 µs): 20 kA
Frekvenciatartomány: 690 MHz - 2,7 GHz

Gyártó: DEHN
Típus: DGA LG 7 16 MFA
Cikksz.: 929146
vagy egyenértékű.

Tanúsítványok

 

Műszaki adatok

SPD osztály A
Legnagyobb tartós üzemi feszültség DC (UC ) 65 V
Névleges áram (IL ) 13 A
Max. átviteli teljesítmény 1500 W
D1 Villámáram impulzus (10/350 µs) (Iimp ) 5 kA
C2 névleges levezetési áram (8/20 µs) (In ) 20 kA
Frekvenciatartomány 690 MHz - 2,7 GHz
Csatlakoztatás 7/16 aljzat / 7/16 dugasz

A 929146 termék hozzá lett adva a jegyzettömbhöz.

A 929146 terméket hozzáadtuk a kosárhoz.

Webshop indítása

DGA L4

Kombinált levezető karbantartásmentes lambda/4-technológiával többfrekvenciás alkalmazások (multicarrier-rendszerek) számára. A levezetők nagy villám-részáramokat is képesek levezetni. Távtáplálás nem lehetséges, mivel a levezető az alacsonyfrekvenciás jelek számára galvanikus rövidzárlatot jelent. Különösen szélessávú az összes 4+3G- és LTE-szolgáltatás számára.

2 Termékek

Cikkszám 929047 DGA L4 7 16 S

GTIN 4013364091085, Vámtarifa szám (EU): 85363010, Bruttó súly: 467.00 g, PU: 1.00 db.


Képek

További információ

Kombinált levezető DEHNgate DGA L4 7 16 S
Kombinált levezető
1 / P1 típusú levezetőosztály
DEHNgate, koaxiális
50 Ohm antennarendszerek számára,
ellenőrizve az EN 61643-21 szerint.
Felépítve karbantartásmentes
lambda/4-technológiával, igen csekély
intermodulációs csillapítással. Tartós
állapot CuBe-aljzatnak és
nikkelmentes 3 fémes bevonatnak köszönhetően.
Földelés földelőcsavaron át.
Legnagyobb tartós üzemi feszültség DC: 0 V
D1 Villámáram impulzus (10/350 µs): 25 kA
C2 névleges levezetési áram (8/20 µs): 50 kA
Frekvenciatartomány: 380-512 MHz

Gyártó: DEHN
Típus: DGA L4 7 16 S
Cikksz.: 929047
vagy egyenértékű.

Tanúsítványok

 

Műszaki adatok

SPD osztály M
Legnagyobb tartós üzemi feszültség DC (UC ) 0 V
Névleges áram (IL ) 0 A
Max. átviteli teljesítmény 3000 W
D1 Villámáram impulzus (10/350 µs) (Iimp ) 25 kA
C2 névleges levezetési áram (8/20 µs) (In ) 50 kA
Frekvenciatartomány 380-512 MHz
Csatlakoztatás 7/16 aljzat / 7/16 dugasz

A 929047 termék hozzá lett adva a jegyzettömbhöz.

A 929047 terméket hozzáadtuk a kosárhoz.

Webshop indítása

Cikkszám 929148 DGA L4 7 16 MFA

GTIN 4013364157163, Vámtarifa szám (EU): 85363010, Bruttó súly: 476.00 g, PU: 1.00 db.

Kifutott termék:

Képek

További információ

Kombinált levezető DEHNgate DGA L4 7 16 MFA
Kombinált levezető
1 / P1 típusú levezetőosztály
DEHNgate, koaxiális
50 Ohm antennarendszerek számára,
ellenőrizve az EN 61643-21 szerint.
Felépítve karbantartásmentes
lambda/4-technológiával, speciálisan
multi-carrier alkalmazások számára,
minimális passzív intermodulációval.
Különösen szélessávú az összes
3+4G- és LTE-szolgáltatás számára
Földelés átvezetésen
vagy földelőcsavaron át.
Legnagyobb tartós üzemi feszültség DC: 0 V
D1 Villámáram impulzus (10/350 µs): 40 kA
C2 névleges levezetési áram (8/20 µs): 80 kA
Frekvenciatartomány: 690 MHz - 2,7 GHz

Gyártó: DEHN
Típus: DGA L4 7 16 MFA
Cikksz.: 929148
vagy egyenértékű.

Tanúsítványok

 

Műszaki adatok

SPD osztály M
Legnagyobb tartós üzemi feszültség DC (UC ) 0 V
Névleges áram (IL ) 0 A
Max. átviteli teljesítmény 1500 W
D1 Villámáram impulzus (10/350 µs) (Iimp ) 40 kA
C2 névleges levezetési áram (8/20 µs) (In ) 80 kA
Frekvenciatartomány 690 MHz - 2,7 GHz
Csatlakoztatás 7/16 aljzat / 7/16 dugasz

A 929148 termék hozzá lett adva a jegyzettömbhöz.

A 929148 terméket hozzáadtuk a kosárhoz.

Webshop indítása

back to top