DEHNgate – levezetők koaxiális csatlakozáshoz
:quality(98)/www.dehn.hu/store/f/63052711/HDVORSCHAU/929148a1_16-9.jpg)
:quality(98)/www.dehn.hu/store/f/63052711/HDVORSCHAU/929148a1_16-9.jpg)
- Univerzális túlfeszültség- és kombinált levezető
- Legmagasabb levezetési képesség koaxiális rendszerek számára
- Alacsony védelmi szint, végberendezések védelmére is alkalmas
- Rendkívül hosszú élettartamú érintkezőanyagok
Details
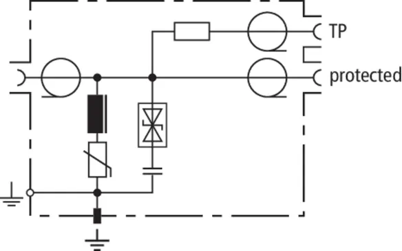
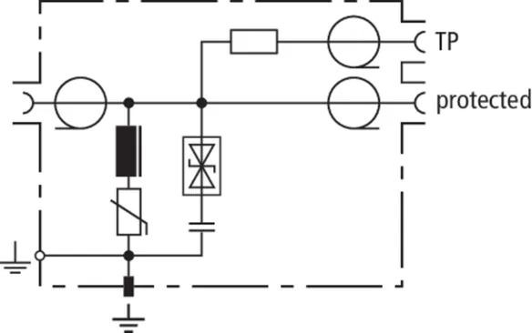
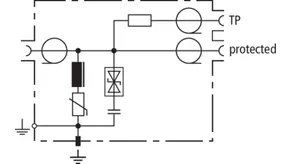
:quality(98)/www.dehn.hu/store/f/63052713/HDVORSCHAU/909703_1_Kat.jpg)
:quality(98)/www.dehn.hu/store/f/63052713/HDVORSCHAU/909703_1_Kat.jpg)
:quality(98)/www.dehn.hu/store/f/63052712/HDVORSCHAU/909703_Kat.jpg)
:quality(98)/www.dehn.hu/store/f/63052712/HDVORSCHAU/909703_Kat.jpg)
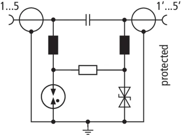
Cikkszám 909710 DGA BNC VCD
GTIN 4013364118942, Vámtarifa szám (EU): 85366910, Bruttó súly: 126.00 g, PU: 1.00 db.
Műszaki adatok
SPD osztály | T |
Legnagyobb tartós üzemi feszültség DC (UC ) | 6,4 V |
Névleges áram (IL ) | 0,1 A |
D1 Villámáram impulzus (10/350 µs) (Iimp ) | 1 kA |
C2 névleges levezetési áram (8/20 µs) ér-árnyékolás (In ) | 5 kA |
Frekvenciatartomány | 0-300 MHz |
Csatlakozás bemenet / kimenet | BNC aljzat / BNC aljzat |
Tanúsítványok | CSA, UL |
Cikkszám 909711 DGA BNC VCID
GTIN 4013364118980, Vámtarifa szám (EU): 85366910, Bruttó súly: 127.50 g, PU: 1.00 db.
Műszaki adatok
SPD osztály | T |
Legnagyobb tartós üzemi feszültség DC (UC ) | 6,4 V |
Névleges áram (IL ) | 0,1 A |
D1 Villámáram impulzus (10/350 µs) (Iimp ) | 1 kA |
C2 névleges levezetési áram (8/20 µs) ér-árnyékolás (In ) | 5 kA |
Frekvenciatartomány | 0-300 MHz |
Csatlakozás bemenet / kimenet | BNC aljzat / BNC aljzat |
Tanúsítványok | CSA, UL |
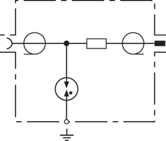
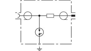
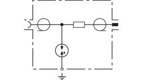
DGA TV
DGA ... TV távtáplálásra alkalmas levezetők F-csatlakozóval 75 Ohm-os SAT- és kábelrendszerekhez. A levezetők megfelelnek az A osztály megnövelt árnyékolási követelményeinek az EN 50083-2 szerint. A helytakarékos telepítésre alkalmasan az összes szokásos TV- és SAT-alkalmazáshoz elérhetők a levezetők villámáram-levezetőként, valamint túlfeszültség-korlátozóként vagy kombinált levezetőkészletként integrált méréskimenettel a rendszerfelülvizsgálat számára.
3 Termékek
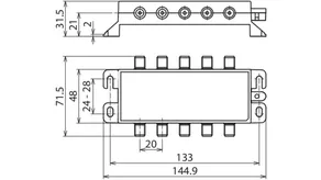
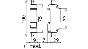
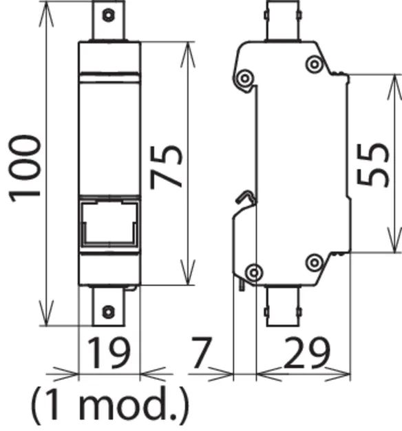
Cikkszám 909703 DGA FF TV
GTIN 4013364085664, Vámtarifa szám (EU): 85363010, Bruttó súly: 233.00 g, PU: 1.00 db.
Műszaki adatok
SPD osztály | { |
Legnagyobb tartós üzemi feszültség DC (UC ) | 24 V |
Névleges áram (IL ) | 2 A |
D1 Villámáram impulzus (10/350 µs) (Iimp ) | 0,2 kA |
C2 névleges levezetési áram (8/20 µs) (In ) | 1,5 kA |
Frekvenciatartomány | DC / 5-3000 MHz |
Csatlakozás bemenet / kimenet | F aljzat / F aljzat |
Cikkszám 909704 DGA GF TV
GTIN 4013364105690, Vámtarifa szám (EU): 85363010, Bruttó súly: 85.50 g, PU: 1.00 db.
Műszaki adatok
SPD osztály | H |
Legnagyobb tartós üzemi feszültség DC (UC ) | 60 V |
Névleges áram (IL ) | 2 A |
D1 Villámáram impulzus (10/350 µs) (Iimp ) | 2,5 kA |
C2 névleges levezetési áram (8/20 µs) (In ) | 10 kA |
Frekvenciatartomány | 0-2400 MHz |
Csatlakozás bemenet / kimenet | F aljzat / F dugasz |
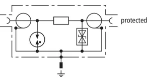
Cikkszám 909705 DGA GFF TV
GTIN 4013364105706, Vámtarifa szám (EU): 85363010, Bruttó súly: 282.70 g, PU: 1.00 db.
Műszaki adatok
SPD osztály | H{ |
Legnagyobb tartós üzemi feszültség DC (UC ) | 24 V |
Névleges áram (IL ) | 2 A |
D1 Villámáram impulzus (10/350 µs) (Iimp ) | 2,5 kA |
C2 névleges levezetési áram (8/20 µs) (In ) | 10 kA |
Frekvenciatartomány | DC / 5-2400 MHz |
Csatlakozás bemenet / kimenet | F aljzat / F aljzat |
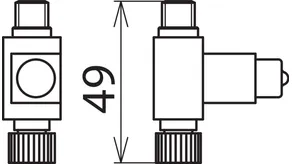
DGA FF5 TV
Ötszörös túlfeszültség-korlátozó 75 Ohm-os antennarendszerek számára. Speciális kivitel SAT-antennaelosztók és multikapcsolók számára. A levezető megfelel az A osztály árnyékolási követelményeinek az EN 50083-2 szerint.
A szállítási kör részét képezik a rögzítőanyagok és a potenciálkiegyenlítő vezeték.
1 Termék
Cikkszám 909706 DGA FF5 TV
GTIN 4013364362437, Vámtarifa szám (EU): 85363010, Bruttó súly: 284.00 g, PU: 1.00 db.
Műszaki adatok
SPD osztály | T |
Legnagyobb tartós üzemi feszültség DC (UC ) | 20 V |
Névleges áram (IL ) | 0,4 A |
D1 Villámáram impulzus (10/350 µs) (Iimp ) | 0,5 kA |
D1 Villámáram impulzus (10/350 µs) összesen (Iimp ) | 2,5 kA |
C2 névleges levezetési áram (8/20 µs) (In ) | 2,5 kA |
C2 névleges levezetési áram (8/20 µs) összesen (In ) | 10 kA |
Frekvenciatartomány | 47-2200 MHz |
Csatlakozás bemenet / kimenet | F aljzat / F aljzat |
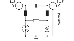
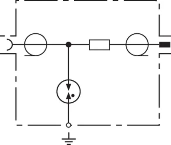
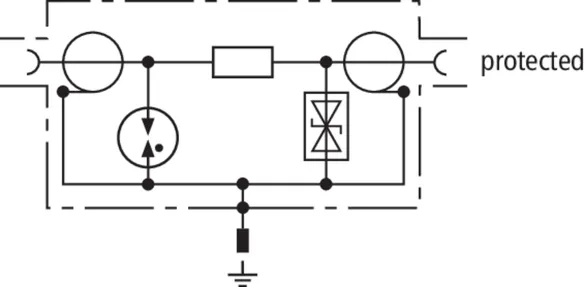
DGA G
Távtáplálásra alkalmas túlfeszültség-korlátozó mit integrált gázkisüléses túlfeszültség-korlátozóval. Speciális kialakítás wireless-alkalmazások felhasználási területeire eszköz- és antenna-interfészek számára koaxiális csatlakoztatásnál.
Kapható mit SMA-, BNC- vagy N-csatlakoztatás számára átvezetéshez.
3 Termékek
Cikkszám 929039 DGA G SMA
GTIN 4013364135185, Vámtarifa szám (EU): 85366910, Bruttó súly: 24.00 g, PU: 1.00 db.
Műszaki adatok
SPD osztály | B |
Legnagyobb tartós üzemi feszültség DC (UC ) | 135 V |
Névleges áram (IL ) | 2 A |
Max. átviteli teljesítmény | 60 W |
D1 Villámáram impulzus (10/350 µs) (Iimp ) | 1 kA |
C2 névleges levezetési áram (8/20 µs) (In ) | 5 kA |
Frekvenciatartomány | 0-5,8 GHz |
Csatlakoztatás | SMA aljzat / SMA dugasz |
Cikkszám 929042 DGA G BNC
GTIN 4013364091030, Vámtarifa szám (EU): 85366910, Bruttó súly: 39.20 g, PU: 1.00 db.
Műszaki adatok
SPD osztály | B |
Legnagyobb tartós üzemi feszültség DC (UC ) | 135 V |
Névleges áram (IL ) | 3,5 A |
Max. átviteli teljesítmény | 25 W |
D1 Villámáram impulzus (10/350 µs) (Iimp ) | 1 kA |
C2 névleges levezetési áram (8/20 µs) (In ) | 5 kA |
Frekvenciatartomány | 0-4 GHz |
Csatlakoztatás | BNC aljzat / BNC dugasz |
Cikkszám 929044 DGA G N
GTIN 4013364091054, Vámtarifa szám (EU): 85366910, Bruttó súly: 86.30 g, PU: 1.00 db.
Kifutott termék:Műszaki adatok
SPD osztály | B |
Legnagyobb tartós üzemi feszültség DC (UC ) | 135 V |
Névleges áram (IL ) | 6 A |
Max. átviteli teljesítmény | 60 W |
D1 Villámáram impulzus (10/350 µs) (Iimp ) | 1 kA |
C2 névleges levezetési áram (8/20 µs) (In ) | 5 kA |
Frekvenciatartomány | 0-5,8 GHz |
Csatlakoztatás | N aljzat / N dugasz |
Cikkszám 929043 DGA AG BNC
GTIN 4013364091047, Vámtarifa szám (EU): 85366910, Bruttó súly: 89.60 g, PU: 1.00 db.
Műszaki adatok
SPD osztály | A |
Legnagyobb tartós üzemi feszültség DC (UC ) | 180 V |
Névleges áram (IL ) | 3,5 A |
Max. átviteli teljesítmény | 150 W |
D1 Villámáram impulzus (10/350 µs) (Iimp ) | 5 kA |
C2 névleges levezetési áram (8/20 µs) (In ) | 20 kA |
Frekvenciatartomány | 0-1 GHz |
Csatlakoztatás | BNC aljzat / BNC dugasz |
Cikkszám 929045 DGA AG N
GTIN 4013364091061, Vámtarifa szám (EU): 85366910, Bruttó súly: 266.00 g, PU: 1.00 db.
Műszaki adatok
SPD osztály | A |
Legnagyobb tartós üzemi feszültség DC (UC ) | 180 V |
Névleges áram (IL ) | 6 A |
Max. átviteli teljesítmény | 150 W |
D1 Villámáram impulzus (10/350 µs) (Iimp ) | 5 kA |
C2 névleges levezetési áram (8/20 µs) (In ) | 20 kA |
Frekvenciatartomány | 0-2,5 GHz |
Csatlakoztatás | N aljzat / N dugasz |
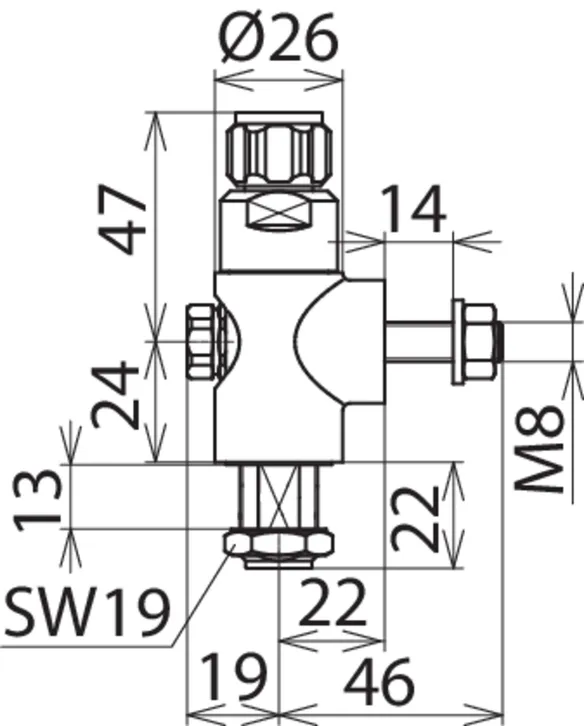
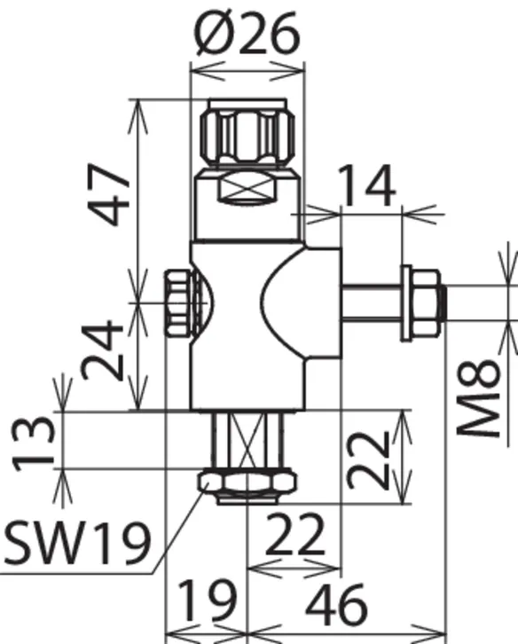
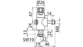
Cikkszám 929146 DGA LG 7 16 MFA
GTIN 4013364157156, Vámtarifa szám (EU): 85366910, Bruttó súly: 493.00 g, PU: 1.00 db.
Kifutott termék:Műszaki adatok
SPD osztály | A |
Legnagyobb tartós üzemi feszültség DC (UC ) | 65 V |
Névleges áram (IL ) | 13 A |
Max. átviteli teljesítmény | 1500 W |
D1 Villámáram impulzus (10/350 µs) (Iimp ) | 5 kA |
C2 névleges levezetési áram (8/20 µs) (In ) | 20 kA |
Frekvenciatartomány | 690 MHz - 2,7 GHz |
Csatlakoztatás | 7/16 aljzat / 7/16 dugasz |
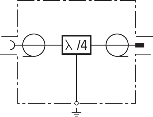
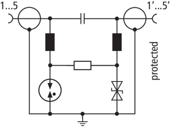
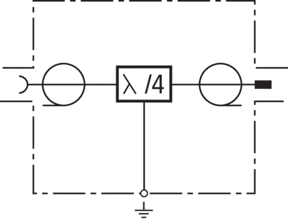
DGA L4
Kombinált levezető karbantartásmentes lambda/4-technológiával többfrekvenciás alkalmazások (multicarrier-rendszerek) számára. A levezetők nagy villám-részáramokat is képesek levezetni. Távtáplálás nem lehetséges, mivel a levezető az alacsonyfrekvenciás jelek számára galvanikus rövidzárlatot jelent. Különösen szélessávú az összes 4+3G- és LTE-szolgáltatás számára.
2 Termékek
Cikkszám 929047 DGA L4 7 16 S
GTIN 4013364091085, Vámtarifa szám (EU): 85366910, Bruttó súly: 467.00 g, PU: 1.00 db.
Műszaki adatok
SPD osztály | M |
Legnagyobb tartós üzemi feszültség DC (UC ) | 0 V |
Névleges áram (IL ) | 0 A |
Max. átviteli teljesítmény | 3000 W |
D1 Villámáram impulzus (10/350 µs) (Iimp ) | 25 kA |
C2 névleges levezetési áram (8/20 µs) (In ) | 50 kA |
Frekvenciatartomány | 380-512 MHz |
Csatlakoztatás | 7/16 aljzat / 7/16 dugasz |
Cikkszám 929148 DGA L4 7 16 MFA
GTIN 4013364157163, Vámtarifa szám (EU): 85366910, Bruttó súly: 476.00 g, PU: 1.00 db.
Kifutott termék:Műszaki adatok
SPD osztály | M |
Legnagyobb tartós üzemi feszültség DC (UC ) | 0 V |
Névleges áram (IL ) | 0 A |
Max. átviteli teljesítmény | 1500 W |
D1 Villámáram impulzus (10/350 µs) (Iimp ) | 40 kA |
C2 névleges levezetési áram (8/20 µs) (In ) | 80 kA |
Frekvenciatartomány | 690 MHz - 2,7 GHz |
Csatlakoztatás | 7/16 aljzat / 7/16 dugasz |