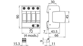
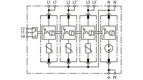
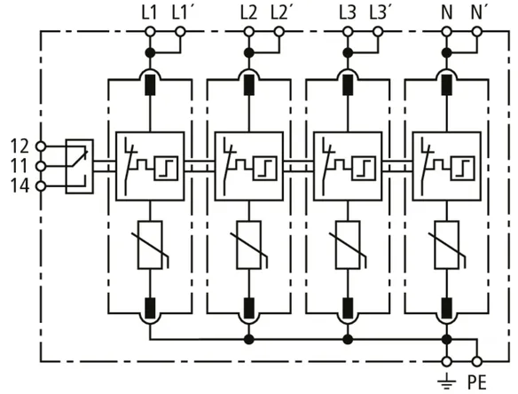
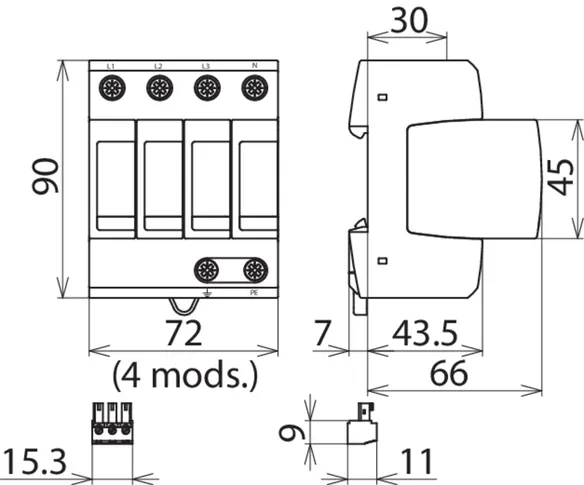
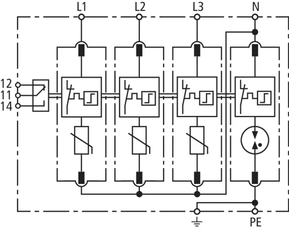
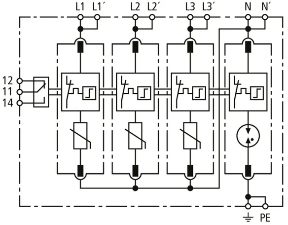
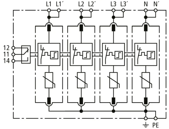
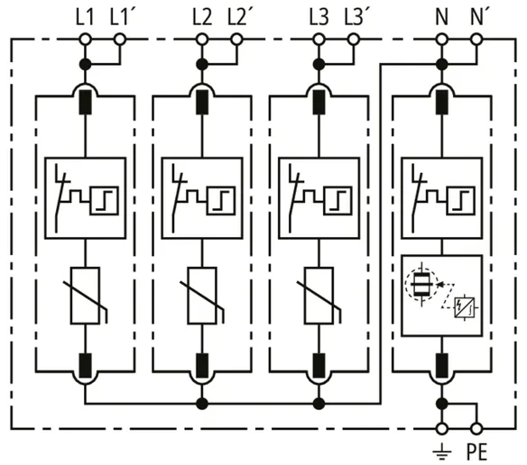
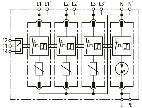
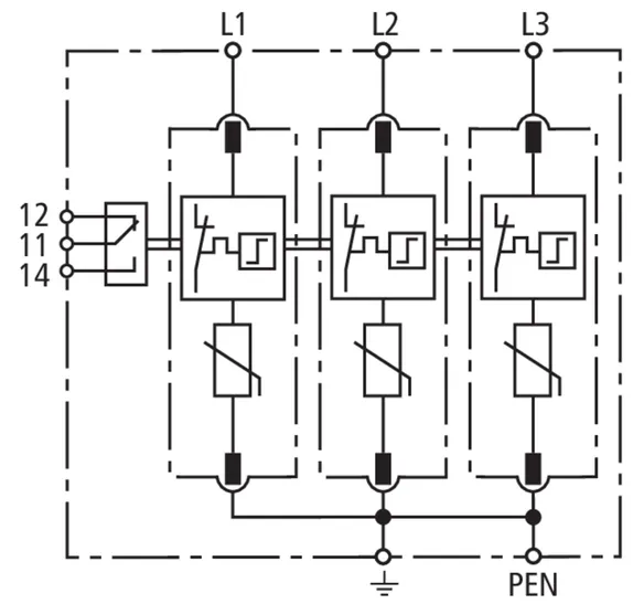
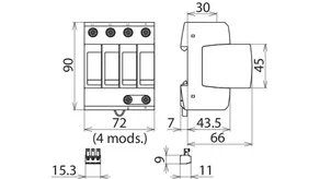
DEHNguard modular

  • Csatlakozáskész komplett egység, mely alapmodulból és dugaszolható védőmodulokból áll
  • Energetikailag koordinált a Red/Line termékcsaládon belül
  • Nagy villámáram levezetési képesség a nagyteljesítményű cink-oxid varisztoroknak / szikraközöknek köszönhetően
  • Nagy készülékbiztonság a „Thermo Dynamic Control” levezető-felügyeletnek köszönhetően
  • Egyszerű, szerszámmentes védőmodulcsere modulreteszelő rendszer következtében modul reteszelésoldó gombbal
  • Rezgés- és ütésállóság az EN 60068-2 szabvány szerint
  • DG MP változatoknál push-in kettős kapcsokkal az egyszerű átmenő huzalozáshoz
  • DG MD változatoknál kettős csavarkapcsokkal az egyszerű átmenő huzalozáshoz

Details

lorem ipsum
lorem ipsum
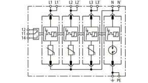
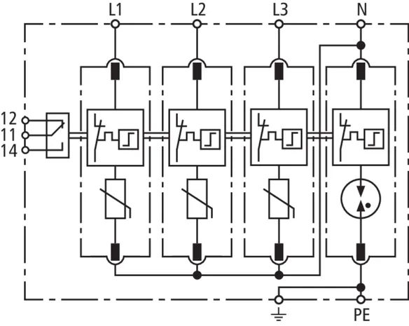
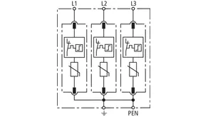
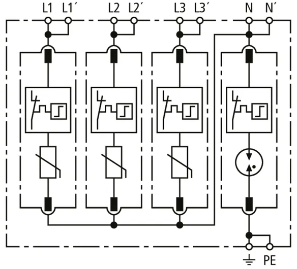
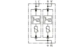
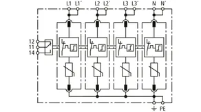
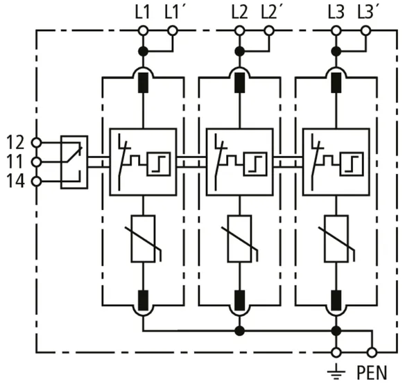
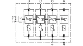
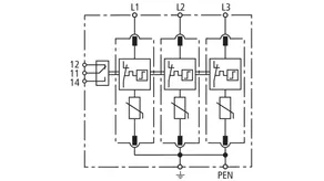
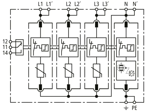
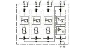
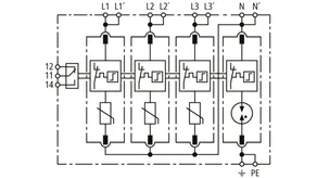
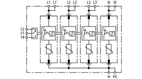
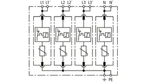
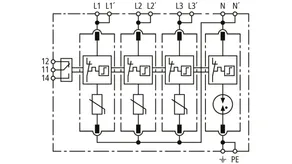
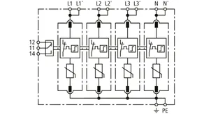
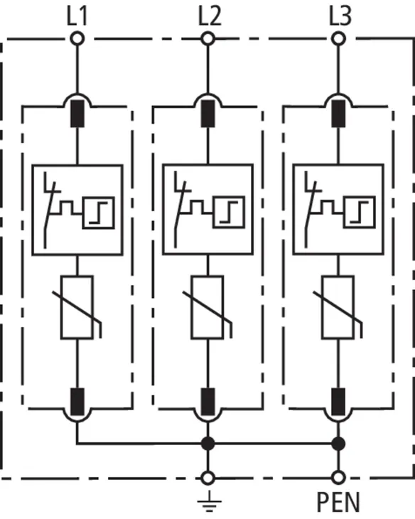
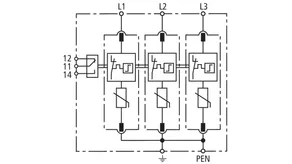
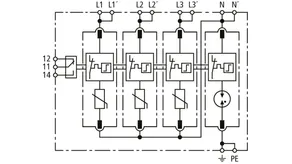
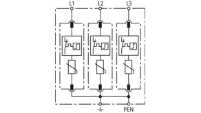
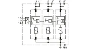
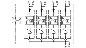
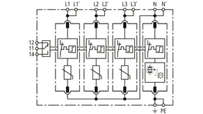
3+1 kapcsolás megemelt villámáram-levezetési képességgel 4 x 20 kA = 80 kA.
lorem ipsum

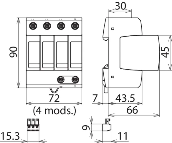
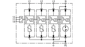
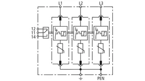
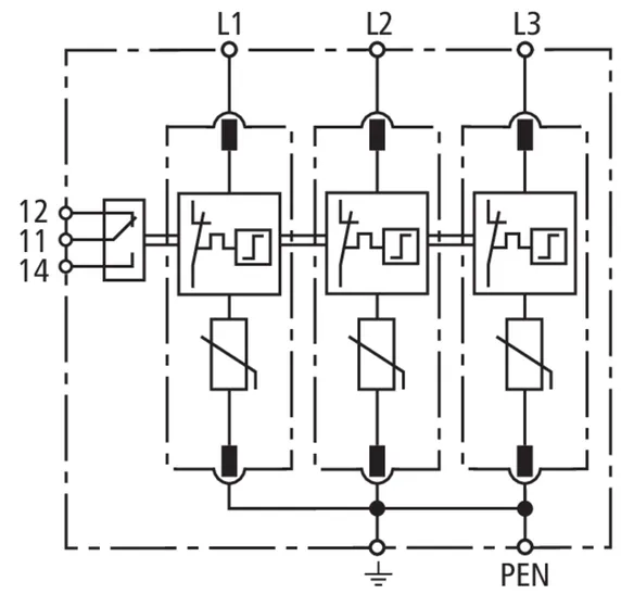
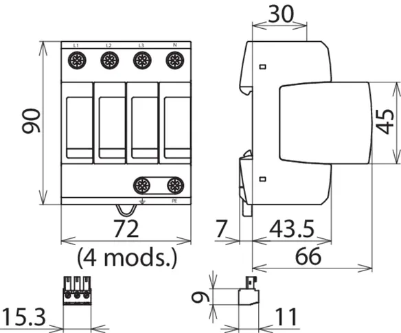
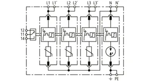
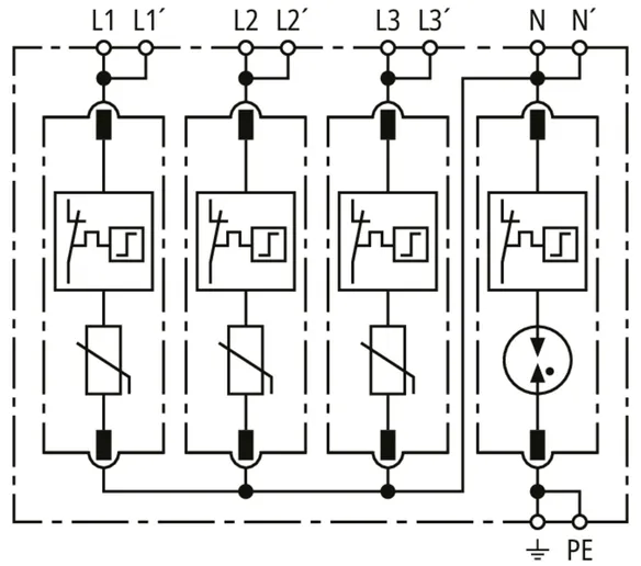
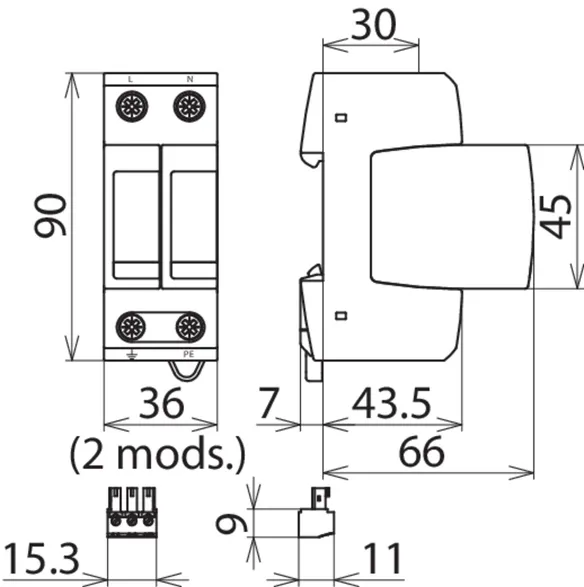
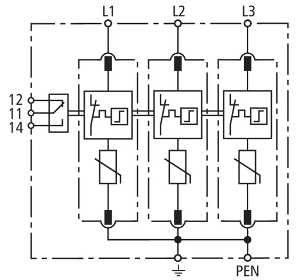
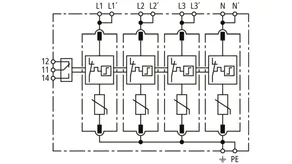
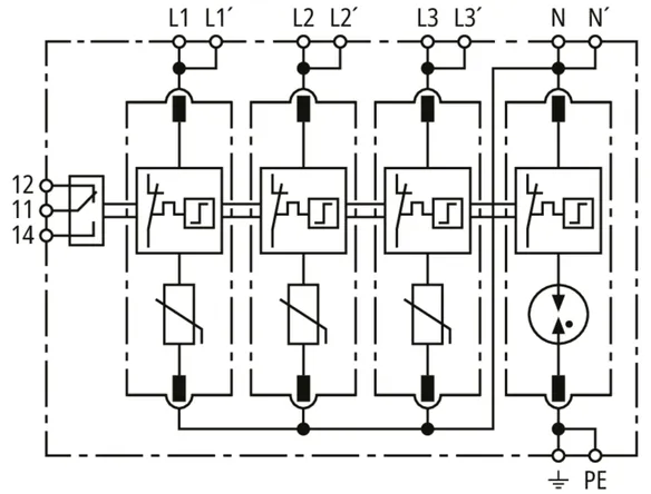
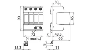
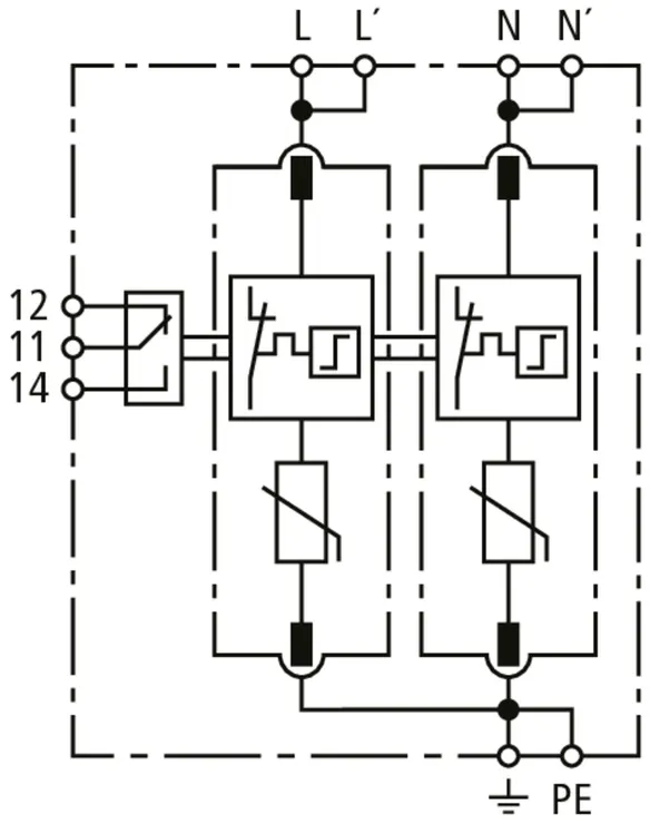
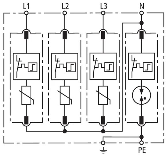
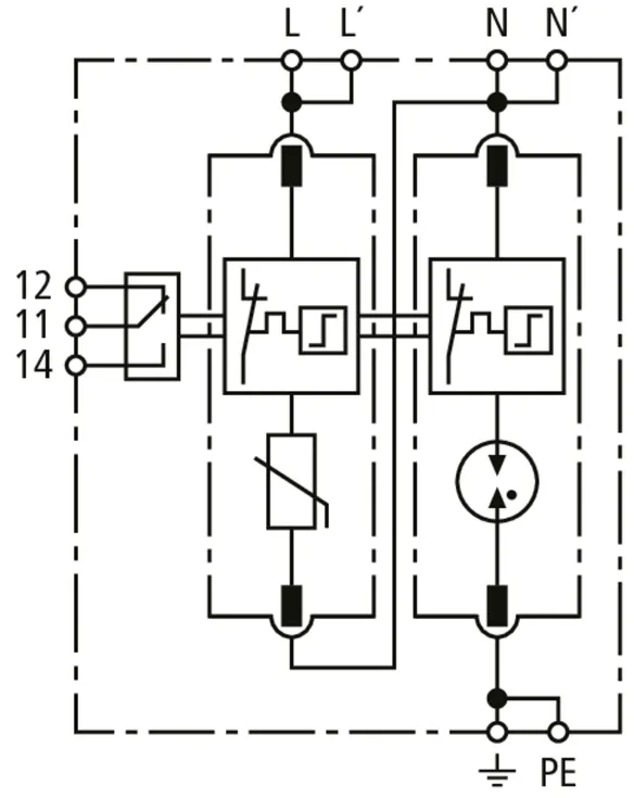
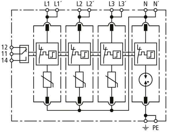
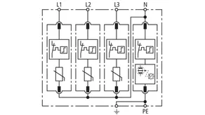
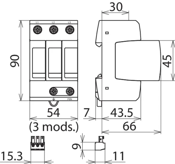
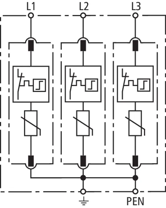
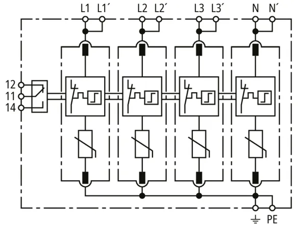
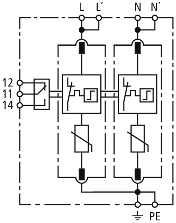
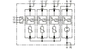
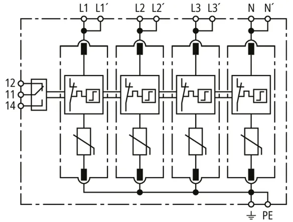
DEHNguard MD TNS ... (FM)

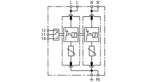
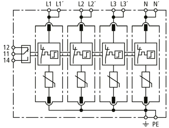
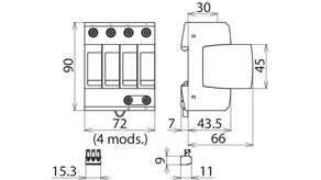
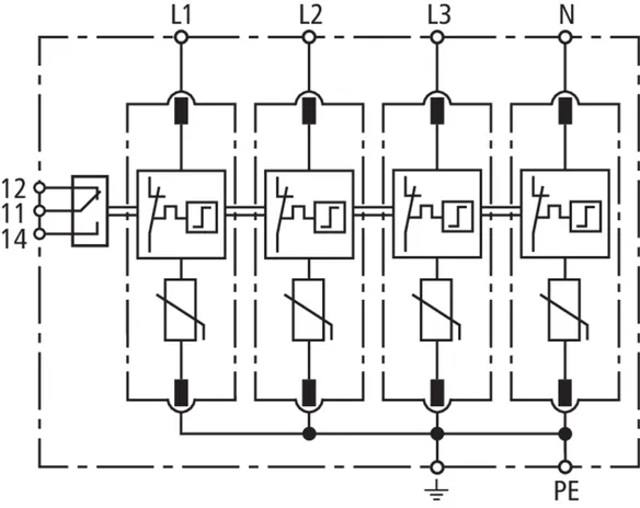
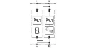
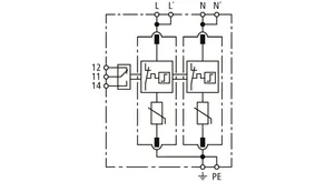
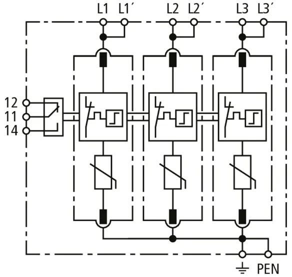
Moduláris túlfeszültség-korlátozó TN-S rendszerekhez (4+0 kapcsolás); potenciálfüggetlen távjelző érintkezővel.

4 Termékek

Cikkszám 943408 DG MD TNS 150 FM

GTIN 4013364522244, Vámtarifa szám (EU): 85363030, Bruttó súly: 496.00 g, PU: 1.00 db.


Képek

További információ

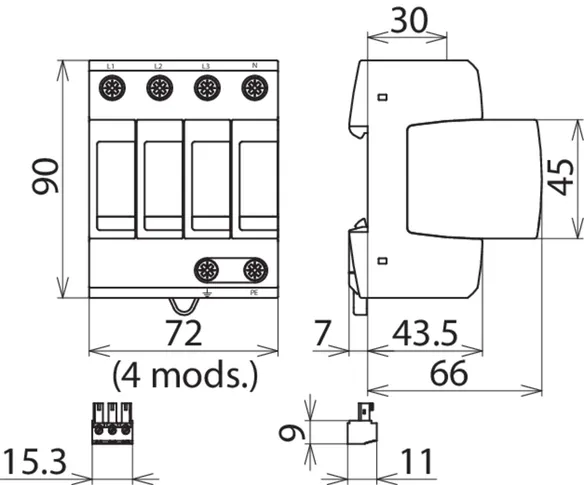
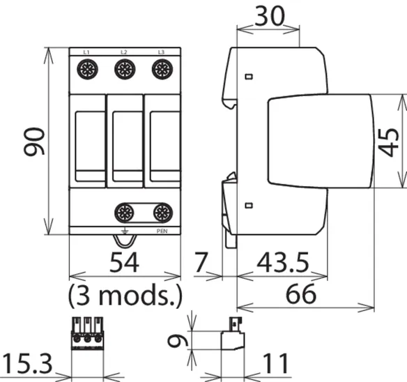
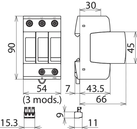
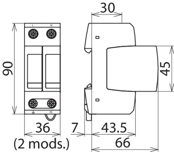
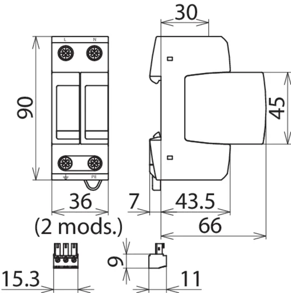
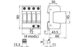
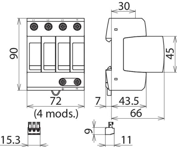
Túlfeszültség-korlátozó DEHNguard MD TNS 150 FM
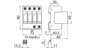
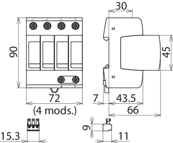
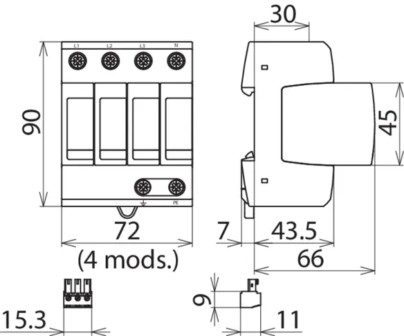
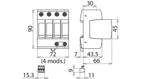
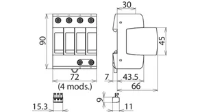
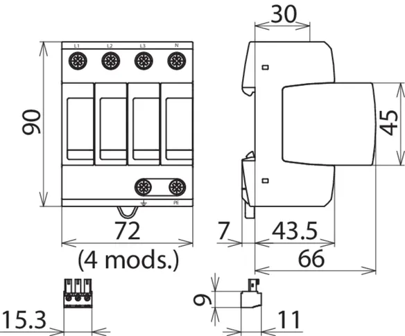
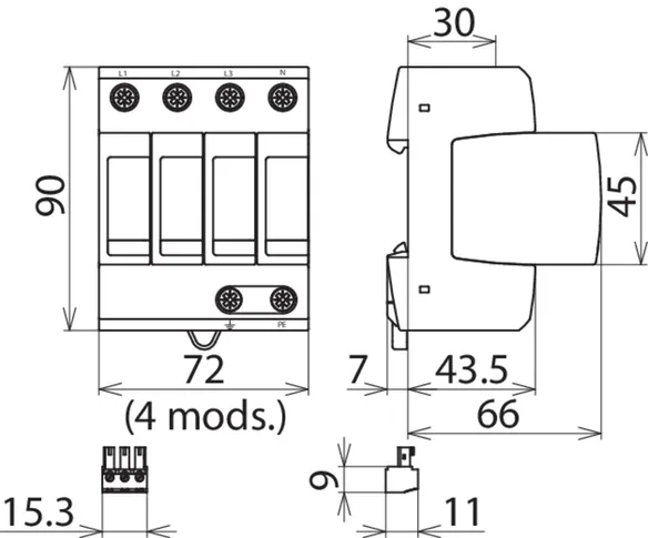
4 pólusú, moduláris, dugaszolható túlfeszültség-korlátozó
120/240 V TN-S rendszerekhez, szélesség 4 modul
távjelző érintkezővel
2. Típusú levezető az EN 61643-11 szerint
Hibajelzés
Legmagasabb tartós feszültség: 150 V AC
Védelmi feszültségszint: <= 0,7 kV
Névleges levezetési áram: 15 kA
Névleges zárlati szilárdság: 50 kAeff
Energetikai koordináció az DIN EN 62305-4 szerint
Red/Line-család levezetője

Gyártó: DEHN
Típus: DG MD TNS 150 FM
Cikksz.: 943408
vagy egyenértékű.

Tanúsítványok

 

Műszaki adatok

SPD típus/osztály az MSZ EN 61643-11 / ... IEC 61643-11 alapján 2. típus + 3. típus / II. osztály + II. osztályI
Legnagyobb folyamatos üzemi feszültség AC (UC ) 150 V (50 / 60 Hz)
Névleges levezetési áram (8/20 µs) (In ) 15 kA
Maximális levezetési áram (8/20 µs) (Imax ) 40 kA
Védelmi feszültségszint [L-PE]/[N-PE] (UP ) ≤ 0,7 / ≤ 0,7 kV
Tanúsítványok DEKRA
Jelzőérintkező / Érintkezőtípus váltóérintkező

A 943408 termék hozzá lett adva a jegyzettömbhöz.

A 943408 terméket hozzáadtuk a kosárhoz.

Webshop indítása

Cikkszám 943400 DG MD TNS 275

GTIN 4013364521919, Vámtarifa szám (EU): 85363030, Bruttó súly: 380.00 g, PU: 1.00 db.


Képek

További információ

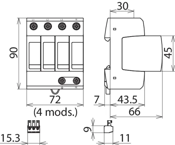
Túlfeszültség-korlátozó DEHNguard MD TNS 275
4 pólusú, moduláris, dugaszolható túlfeszültség-korlátozó
230/400 V TN-S rendszerekhez, szélesség 4 modul
2. Típusú levezető az EN 61643-11 szerint
Hibajelzés
Legmagasabb tartós feszültség: 275 V AC
Védelmi feszültségszint: <= 1,5 kV
Névleges levezetési áram: 20 kA
Névleges zárlati szilárdság: 50 kAeff
Energetikai koordináció az DIN EN 62305-4 szerint
Red/Line-család levezetője

Gyártó: DEHN
Típus: DG MD TNS 275
Cikksz.: 943400
vagy egyenértékű.

Tanúsítványok

 

Műszaki adatok

SPD típus/osztály az MSZ EN 61643-11 / ... IEC 61643-11 alapján 2. típus + 3. típus / II. osztály + II. osztályI
Legnagyobb folyamatos üzemi feszültség AC (UC ) 275 V (50 / 60 Hz)
Névleges levezetési áram (8/20 µs) (In ) 20 kA
Maximális levezetési áram (8/20 µs) (Imax ) 40 kA
Védelmi feszültségszint [L-PE]/[N-PE] (UP ) ≤ 1,5 / ≤ 1,5 kV
Tanúsítványok DEKRA

A 943400 termék hozzá lett adva a jegyzettömbhöz.

A 943400 terméket hozzáadtuk a kosárhoz.

Webshop indítása

Cikkszám 943405 DG MD TNS 275 FM

GTIN 4013364477117, Vámtarifa szám (EU): 85363030, Bruttó súly: 380.00 g, PU: 1.00 db.


Képek

További információ

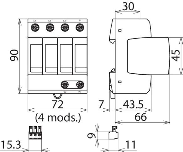
Túlfeszültség-korlátozó DEHNguard MD TNS 275 FM
4 pólusú, moduláris, dugaszolható túlfeszültség-korlátozó
230/400 V TN-S rendszerekhez, szélesség 4 modul
távjelző érintkezővel
2. Típusú levezető az EN 61643-11 szerint
Hibajelzés
Legmagasabb tartós feszültség: 275 V AC
Védelmi feszültségszint: <= 1,5 kV
Névleges levezetési áram: 20 kA
Névleges zárlati szilárdság: 50 kAeff
Energetikai koordináció az DIN EN 62305-4 szerint
Red/Line-család levezetője

Gyártó: DEHN
Típus: DG MD TNS 275 FM
Cikksz.: 943405
vagy egyenértékű.

Tanúsítványok

 

Műszaki adatok

SPD típus/osztály az MSZ EN 61643-11 / ... IEC 61643-11 alapján 2. típus + 3. típus / II. osztály + II. osztályI
Legnagyobb folyamatos üzemi feszültség AC (UC ) 275 V (50 / 60 Hz)
Névleges levezetési áram (8/20 µs) (In ) 20 kA
Maximális levezetési áram (8/20 µs) (Imax ) 40 kA
Védelmi feszültségszint [L-PE]/[N-PE] (UP ) ≤ 1,5 / ≤ 1,5 kV
Tanúsítványok DEKRA
Jelzőérintkező / Érintkezőtípus váltóérintkező

A 943405 termék hozzá lett adva a jegyzettömbhöz.

A 943405 terméket hozzáadtuk a kosárhoz.

Webshop indítása

Cikkszám 943409 DG MD TNS 385 FM

GTIN 4013364522213, Vámtarifa szám (EU): 85363030, Bruttó súly: 380.00 g, PU: 1.00 db.


Képek

További információ

Túlfeszültség-korlátozó DEHNguard MD TNS 385 FM
4 pólusú, moduláris, dugaszolható túlfeszültség-korlátozó
230/400 V TN-S rendszerekhez, szélesség 4 modul
távjelző érintkezővel
2. Típusú levezető az EN 61643-11 szerint
Hibajelzés
Legmagasabb tartós feszültség: 385 V AC
Védelmi feszültségszint: <= 1,75 kV
Névleges levezetési áram: 20 kA
Névleges zárlati szilárdság: 25 kAeff
Energetikai koordináció az DIN EN 62305-4 szerint
Red/Line-család levezetője

Gyártó: DEHN
Típus: DG MD TNS 385 FM
Cikksz.: 943409
vagy egyenértékű.

Tanúsítványok

 

Műszaki adatok

SPD típus/osztály az MSZ EN 61643-11 / ... IEC 61643-11 alapján 2. típus + 3. típus / II. osztály + II. osztályI
Legnagyobb folyamatos üzemi feszültség AC (UC ) 385 V (50 / 60 Hz)
Névleges levezetési áram (8/20 µs) (In ) 20 kA
Maximális levezetési áram (8/20 µs) (Imax ) 40 kA
Védelmi feszültségszint [L-PE]/[N-PE] (UP ) ≤ 1,75 / ≤ 1,75 kV
Tanúsítványok DEKRA
Jelzőérintkező / Érintkezőtípus váltóérintkező

A 943409 termék hozzá lett adva a jegyzettömbhöz.

A 943409 terméket hozzáadtuk a kosárhoz.

Webshop indítása

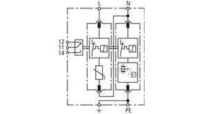
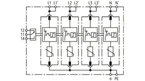
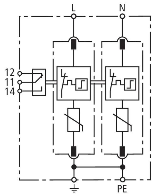
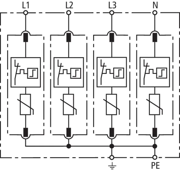
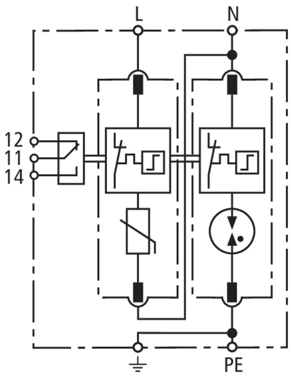
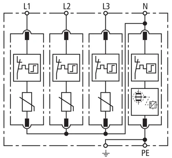
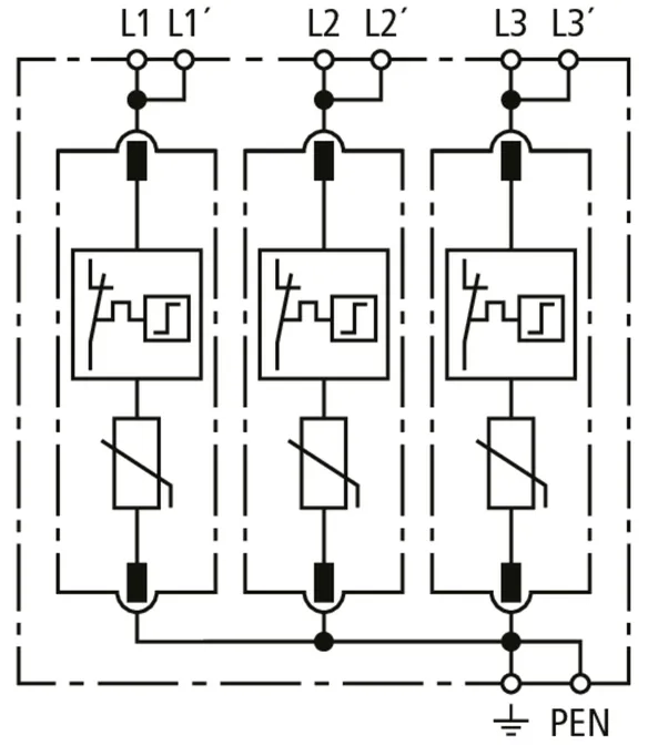
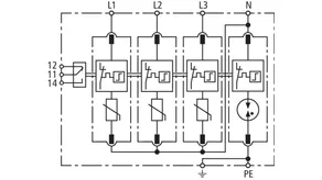
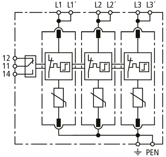
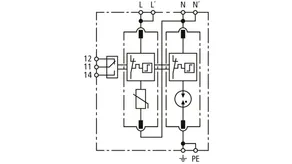
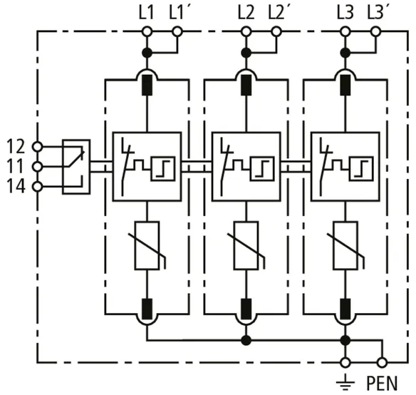
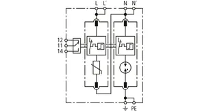
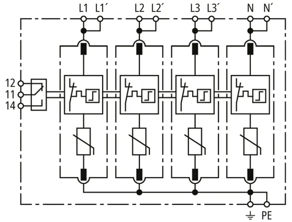
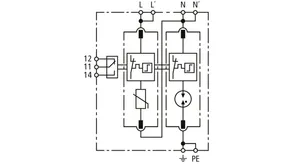
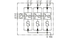
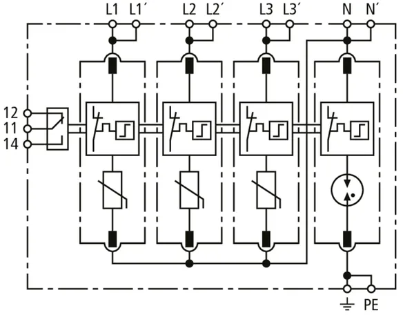
DEHNguard MD TT ... (FM)

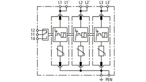
Moduláris túlfeszültség-korlátozó számára TT és TN-S-rendszerek számára (3+1-kapcsolás); potenciálfüggetlen távjelző érintkezővel.

5 Termékek

Cikkszám 943310 DG MD TT 275

GTIN 4013364522046, Vámtarifa szám (EU): 85363030, Bruttó súly: 250.00 g, PU: 1.00 db.


Képek

További információ

Túlfeszültség-korlátozó DEHNguard MD TT 275
4 pólusú, moduláris, dugaszolható túlfeszültség-korlátozó
230/400 V TT és TN-S rendszerek számára, szélesség: 4 modul
2. Típusú levezető az EN 61643-11 szerint
Hibajelzés
Legmagasabb tartós feszültség: 275 V AC
Védelmi feszültségszint: <= 1,5 kV
Névleges levezetési áram: 20 kA
Névleges zárlati szilárdság: 50 kAeff
Energetikai koordináció az DIN EN 62305-4 szerint
Red/Line-család levezetője

Gyártó: DEHN
Típus: DG MD TT 275
Cikksz.: 943310
vagy egyenértékű.

Tanúsítványok

 

Műszaki adatok

SPD típus/osztály az MSZ EN 61643-11 / ... IEC 61643-11 alapján 2. típus + 3. típus / II. osztály + II. osztályI
Legnagyobb folyamatos üzemi feszültség AC [L-N] (UC ) 275 V (50 / 60 Hz)
Névleges levezetési áram (8/20 µs) (In ) 20 kA
Maximális levezetési áram (8/20 µs) (Imax ) 40 kA
Védelmi feszültségszint [L-N]/[N-PE] (UP ) ≤ 1,5 / ≤ 1,5 kV
Tanúsítványok DEKRA

A 943310 termék hozzá lett adva a jegyzettömbhöz.

A 943310 terméket hozzáadtuk a kosárhoz.

Webshop indítása

Cikkszám 943315 DG MD TT 275 FM

GTIN 4013364477155, Vámtarifa szám (EU): 85363030, Bruttó súly: 250.00 g, PU: 1.00 db.


Képek

További információ

Túlfeszültség-korlátozó DEHNguard MD TT 275 FM
4 pólusú, moduláris, dugaszolható túlfeszültség-korlátozó
230/400 V TT és TN-S rendszerek számára, szélesség: 4 modul
távjelző érintkezővel
2. Típusú levezető az EN 61643-11 szerint
Hibajelzés
Legmagasabb tartós feszültség: 275 V AC
Védelmi feszültségszint: <= 1,5 kV
Névleges levezetési áram: 20 kA
Névleges zárlati szilárdság: 50 kAeff
Energetikai koordináció az DIN EN 62305-4 szerint
Red/Line-család levezetője

Gyártó: DEHN
Típus: DG MD TT 275 FM
Cikksz.: 943315
vagy egyenértékű.

Tanúsítványok

 

Műszaki adatok

SPD típus/osztály az MSZ EN 61643-11 / ... IEC 61643-11 alapján 2. típus + 3. típus / II. osztály + II. osztályI
Legnagyobb folyamatos üzemi feszültség AC [L-N] (UC ) 275 V (50 / 60 Hz)
Névleges levezetési áram (8/20 µs) (In ) 20 kA
Maximális levezetési áram (8/20 µs) (Imax ) 40 kA
Védelmi feszültségszint [L-N]/[N-PE] (UP ) ≤ 1,5 / ≤ 1,5 kV
Tanúsítványok DEKRA
Jelzőérintkező / Érintkezőtípus váltóérintkező

A 943315 termék hozzá lett adva a jegyzettömbhöz.

A 943315 terméket hozzáadtuk a kosárhoz.

Webshop indítása

Cikkszám 943325 DG MD TT 320 FM

GTIN 4013364522206, Vámtarifa szám (EU): 85363030, Bruttó súly: 250.00 g, PU: 1.00 db.


Képek

További információ

Túlfeszültség-korlátozó DEHNguard MD TT 320 FM
4 pólusú, moduláris, dugaszolható túlfeszültség-korlátozó
230/400 V TT és TN-S rendszerek számára, szélesség: 4 modul
távjelző érintkezővel
2. Típusú levezető az EN 61643-11 szerint
Hibajelzés
Legmagasabb tartós feszültség: 320 V AC
Védelmi feszültségszint: <= 1,5 kV
Névleges levezetési áram: 20 kA
Névleges zárlati szilárdság: 25 kAeff
Energetikai koordináció az DIN EN 62305-4 szerint
Red/Line-család levezetője

Gyártó: DEHN
Típus: DG MD TT 320 FM
Cikksz.: 943325
vagy egyenértékű.

Tanúsítványok

 

Műszaki adatok

SPD típus/osztály az MSZ EN 61643-11 / ... IEC 61643-11 alapján 2. típus + 3. típus / II. osztály + II. osztályI
Legnagyobb folyamatos üzemi feszültség AC [L-N] (UC ) 320 V (50 / 60 Hz)
Névleges levezetési áram (8/20 µs) (In ) 20 kA
Maximális levezetési áram (8/20 µs) (Imax ) 40 kA
Védelmi feszültségszint [L-N]/[N-PE] (UP ) ≤ 1,5 / ≤ 1,5 kV
Tanúsítványok DEKRA
Jelzőérintkező / Érintkezőtípus váltóérintkező

A 943325 termék hozzá lett adva a jegyzettömbhöz.

A 943325 terméket hozzáadtuk a kosárhoz.

Webshop indítása

Cikkszám 943328 DG MD TT 150 FM

GTIN 4013364522237, Vámtarifa szám (EU): 85363030, Bruttó súly: 498.00 g, PU: 1.00 db.


Képek

További információ

Túlfeszültség-korlátozó DEHNguard MD TT 150 FM
4 pólusú, moduláris, dugaszolható túlfeszültség-korlátozó
120/240 V TT és TN-S rendszerek számára, szélesség: 4 modul
távjelző érintkezővel
2. Típusú levezető az EN 61643-11 szerint
Hibajelzés
Legmagasabb tartós feszültség: 150 V AC
Védelmi feszültségszint: <= 1,5 kV
Névleges levezetési áram: 15 kA
Névleges zárlati szilárdság: 50 kAeff
Energetikai koordináció az DIN EN 62305-4 szerint
Red/Line-család levezetője

Gyártó: DEHN
Típus: DG MD TT 150 FM
Cikksz.: 943328
vagy egyenértékű.

Tanúsítványok

 

Műszaki adatok

SPD típus/osztály az MSZ EN 61643-11 / ... IEC 61643-11 alapján 2. típus + 3. típus / II. osztály + II. osztályI
Legnagyobb folyamatos üzemi feszültség AC [L-N] (UC ) 150 V (50 / 60 Hz)
Névleges levezetési áram (8/20 µs) [L-N] (In ) 15 kA
Névleges levezetési áram (8/20 µs) [N-PE] (In ) 20 kA
Maximális levezetési áram (8/20 µs) (Imax ) 40 kA
Védelmi feszültségszint [L-N]/[N-PE] (UP ) ≤ 0,7 / ≤ 1,5 kV
Tanúsítványok DEKRA
Jelzőérintkező / Érintkezőtípus váltóérintkező

A 943328 termék hozzá lett adva a jegyzettömbhöz.

A 943328 terméket hozzáadtuk a kosárhoz.

Webshop indítása

Cikkszám 943317 DG MD TT 385 FM

GTIN 4013364522220, Vámtarifa szám (EU): 85363030, Bruttó súly: 250.00 g, PU: 1.00 db.


Képek

További információ

Túlfeszültség-korlátozó DEHNguard MD TT 385 FM
4 pólusú, moduláris, dugaszolható túlfeszültség-korlátozó
230/400 V TT és TN-S rendszerek számára, szélesség: 4 modul
távjelző érintkezővel
2. Típusú levezető az EN 61643-11 szerint
Hibajelzés
Legmagasabb tartós feszültség: 385 V AC
Védelmi feszültségszint: <= 1,5 kV
Névleges levezetési áram: 20 kA
Névleges zárlati szilárdság: 25 kAeff
Energetikai koordináció az DIN EN 62305-4 szerint
Red/Line-család levezetője

Gyártó: DEHN
Típus: DG MD TT 385 FM
Cikksz.: 943317
vagy egyenértékű.

Tanúsítványok

 

Műszaki adatok

SPD típus/osztály az MSZ EN 61643-11 / ... IEC 61643-11 alapján 2. típus + 3. típus / II. osztály + II. osztályI
Legnagyobb folyamatos üzemi feszültség AC [L-N] (UC ) 385 V (50 / 60 Hz)
Névleges levezetési áram (8/20 µs) (In ) 20 kA
Maximális levezetési áram (8/20 µs) (Imax ) 40 kA
Védelmi feszültségszint [L-N]/[N-PE] (UP ) ≤ 1,75 / ≤ 1,5 kV
Tanúsítványok DEKRA
Jelzőérintkező / Érintkezőtípus váltóérintkező

A 943317 termék hozzá lett adva a jegyzettömbhöz.

A 943317 terméket hozzáadtuk a kosárhoz.

Webshop indítása

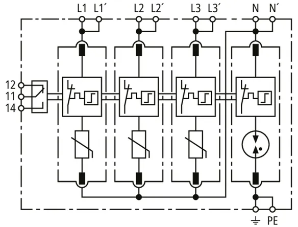
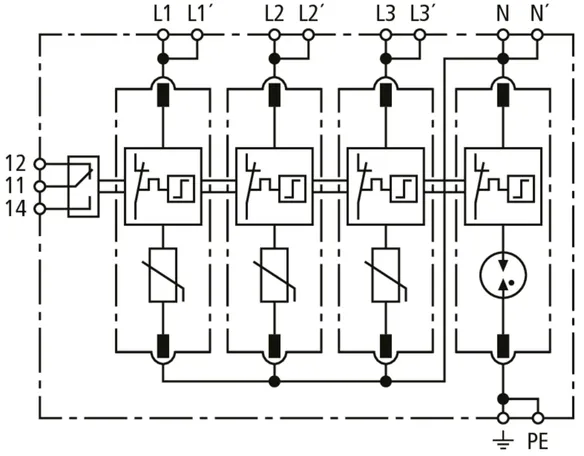
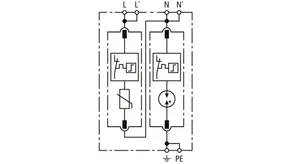
DEHNguard MD H TT ... (FM)

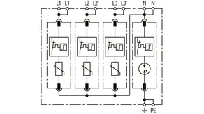
Moduláris túlfeszültség-korlátozó nagy összegzett levezetési képességgel N-PE elérési úton TT és TN-S rendszerekhez (3+1 kapcsolás). Teljesíti a magasabb biztonsági követelményeket a DIN VDE 0100-534 szerint az elektromos berendezés betáplálási pontján való alkalmazásra; potenciálfüggetlen távjelző érintkezővel.

2 Termékek

Cikkszám 943381 DG MD H TT 275

GTIN 4013364522022, Vámtarifa szám (EU): 85363030, Bruttó súly: 250.00 g, PU: 1.00 db.


Képek

További információ

Túlfeszültség-korlátozó DEHNguard MD H TT 275
4 pólusú, moduláris, dugaszolható túlfeszültség-korlátozó
230/400 V TT és TN-S rendszerek számára, szélesség: 4 modul
2. Típusú levezető az EN 61643-11 szerint
Hibajelzés
Legmagasabb tartós feszültség: 275 V AC
Védelmi feszültségszint: <= 1,5 kV
Névleges levezetési áram: 20 kA
Névleges zárlati szilárdság: 50 kAeff
Energetikai koordináció az DIN EN 62305-4 szerint
Red/Line-család levezetője

Gyártó: DEHN
Típus: DG MD H TT 275
Cikksz.: 943381
vagy egyenértékű.

 

Műszaki adatok

SPD típus/osztály az MSZ EN 61643-11 / ... IEC 61643-11 alapján 2. típus + 3. típus / II. osztály + II. osztályI
Legnagyobb folyamatos üzemi feszültség AC [L-N] (UC ) 275 V (50 / 60 Hz)
Névleges levezetési áram (8/20 µs) [L-N] (In ) 20 kA
Névleges levezetési áram (8/20 µs) [N-PE] (In ) 80 kA
Maximális levezetési áram (8/20 µs) [L-N] (Imax ) 40 kA
Maximális levezetési áram (8/20 µs) [N-PE] (Imax ) 120 kA
Védelmi feszültségszint [L-N]/[N-PE] (UP ) ≤ 1,5 / ≤ 1,5 kV
Tanúsítványok DEKRA

A 943381 termék hozzá lett adva a jegyzettömbhöz.

A 943381 terméket hozzáadtuk a kosárhoz.

Webshop indítása

Cikkszám 943385 DG MD H TT 275 FM

GTIN 4013364477193, Vámtarifa szám (EU): 85363030, Bruttó súly: 250.00 g, PU: 1.00 db.


Képek

További információ

Túlfeszültség-korlátozó DEHNguard MD H TT 275 FM
4 pólusú, moduláris, dugaszolható túlfeszültség-korlátozó
230/400 V TT és TN-S rendszerek számára, szélesség: 4 modul
távjelző érintkezővel
2. Típusú levezető az EN 61643-11 szerint
Hibajelzés
Legmagasabb tartós feszültség: 275 V AC
Védelmi feszültségszint: <= 1,5 kV
Névleges levezetési áram: 20 kA
Névleges zárlati szilárdság: 50 kAeff
Energetikai koordináció az DIN EN 62305-4 szerint
Red/Line-család levezetője

Gyártó: DEHN
Típus: DG MD H TT 275 FM
Cikksz.: 943385
vagy egyenértékű.

 

Műszaki adatok

SPD típus/osztály az MSZ EN 61643-11 / ... IEC 61643-11 alapján 2. típus + 3. típus / II. osztály + II. osztályI
Legnagyobb folyamatos üzemi feszültség AC [L-N] (UC ) 275 V (50 / 60 Hz)
Névleges levezetési áram (8/20 µs) [L-N] (In ) 20 kA
Névleges levezetési áram (8/20 µs) [N-PE] (In ) 80 kA
Maximális levezetési áram (8/20 µs) [L-N] (Imax ) 40 kA
Maximális levezetési áram (8/20 µs) [N-PE] (Imax ) 120 kA
Védelmi feszültségszint [L-N]/[N-PE] (UP ) ≤ 1,5 / ≤ 1,5 kV
Tanúsítványok DEKRA
Jelzőérintkező / Érintkezőtípus váltóérintkező

A 943385 termék hozzá lett adva a jegyzettömbhöz.

A 943385 terméket hozzáadtuk a kosárhoz.

Webshop indítása

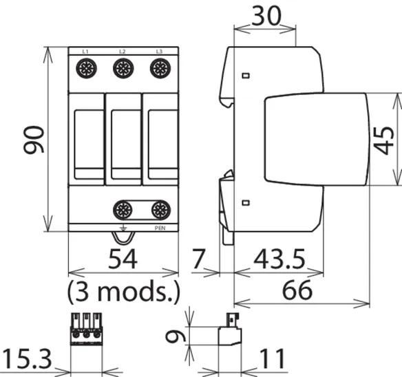
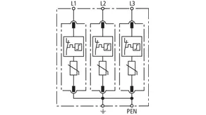
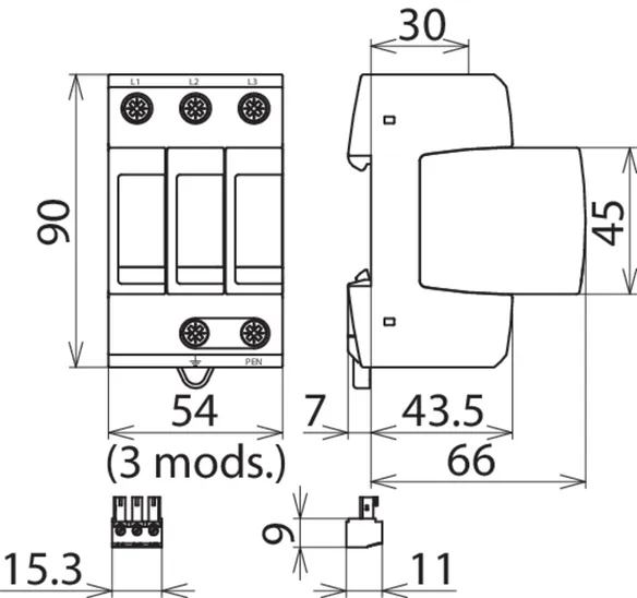
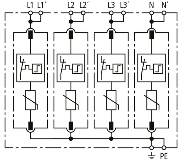
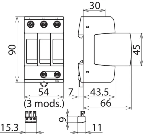
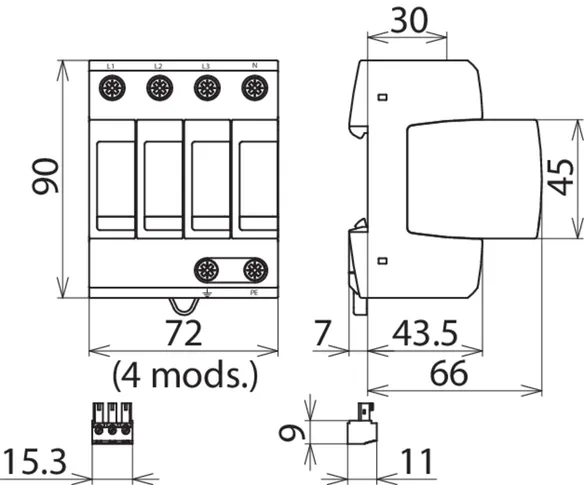
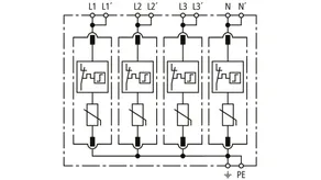
DEHNguard MP TNC ...

1 Termék

Cikkszám 942300 DG MP TNC 275

GTIN 4013364495272, Vámtarifa szám (EU): 85363030, Bruttó súly: 316.66 g, PU: 1.00 db.


Képek

További információ

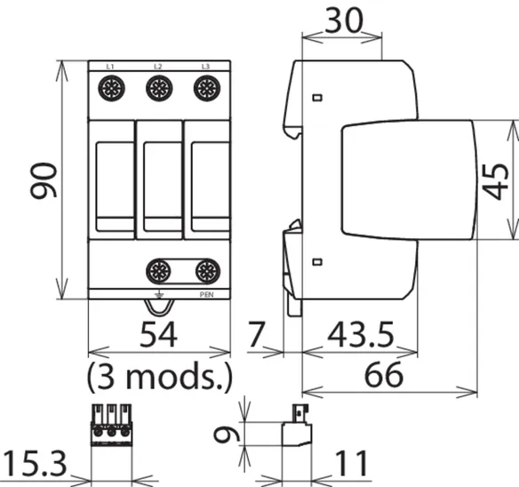
Túlfeszültség-korlátozó DEHNguard MP TNC 275
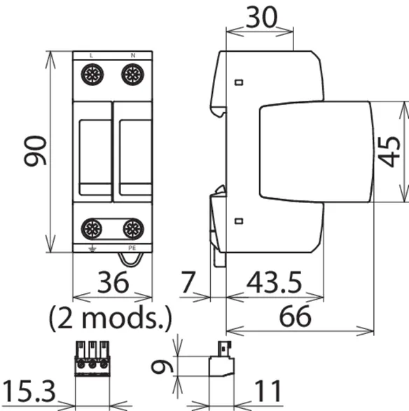
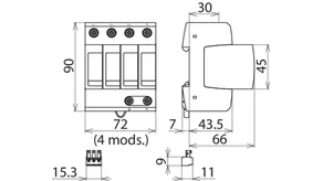
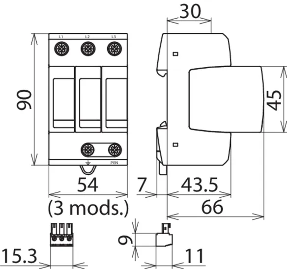
3 pólusú, moduláris, dugaszolható
túlfeszültség-korlátozó
dupla push-in csatlakozókapoccsal
elágazásos és átmenő huzalozáshoz alkalmas
230/400 V- TN-C rendszerek számára, 3 modul széles
távjelző érintkezővel
Levezető 2. típus + 3. típus EN 61643-11 szerint
Hibajelzés
Legmagasabb tartós feszültség: 275 V AC
Védelmi feszültségszint: <= 1,5 kV
Névleges levezetési lökőáram: 20 kA
Névleges zárlati szilárdság: 50 kAeff
Energetikai koordináció az DIN EN 62305-4 szerint
Red/Line-család levezetője

Gyártó: DEHN
Típus: DG MP TNC 275
Cikksz.: 942300
vagy egyenértékű.

Tanúsítványok

 

Műszaki adatok

SPD típus/osztály az MSZ EN 61643-11 / ... IEC 61643-11 alapján 2. típus + 3. típus / II. osztály + III. osztály
Legnagyobb folyamatos üzemi feszültség AC (UC ) 275 V (50 / 60 Hz)
Névleges levezetési áram (8/20 µs) (In ) 20 kA
Maximális levezetési áram (8/20 µs) (Imax ) 40 kA
Védelmi feszültségszint (UP ) ≤ 1,5 kV
Tanúsítványok KEMA, VDE

A 942300 termék hozzá lett adva a jegyzettömbhöz.

A 942300 terméket hozzáadtuk a kosárhoz.

Webshop indítása

DEHNguard MP TNC ... FM

Moduláris túlfeszültség-korlátozó TN-C rendszerekhez; potenciálfüggetlen távjelző érintkezővel.

4 Termékek

Cikkszám 942318 DG MP TNC 150 FM

GTIN 4013364495265, Vámtarifa szám (EU): 85363030, Bruttó súly: 324.71 g, PU: 1.00 db.


Képek

További információ

Túlfeszültség-korlátozó DEHNguard MP TNC 150 FM
3 pólusú, moduláris, dugaszolható
túlfeszültség-korlátozó
dupla push-in csatlakozókapoccsal
elágazásos és átmenő huzalozáshoz alkalmas
alkalmas TN-C rendszerekhez, szélesség 3 modul
távjelző érintkezővel
Levezető 2. típus + 3. típus EN 61643-11 szerint
Hibajelzés
Legmagasabb tartós feszültség: 150 V AC
Védelmi feszültségszint: <= 0,7 kV
Névleges levezetési lökőáram: 15 kA
Névleges zárlati szilárdság: 50 kAeff
Energetikai koordináció az DIN EN 62305-4 szerint
Red/Line-család levezetője

Gyártó: DEHN
Típus: DG MP TNC 150 FM
Cikksz.: 942318
vagy egyenértékű.

Tanúsítványok

 

Műszaki adatok

SPD típus/osztály az MSZ EN 61643-11 / ... IEC 61643-11 alapján 2. típus + 3. típus / II. osztály + III. osztály
Legnagyobb folyamatos üzemi feszültség AC (UC ) 150 V (50 / 60 Hz)
Névleges levezetési áram (8/20 µs) (In ) 15 kA
Maximális levezetési áram (8/20 µs) (Imax ) 40 kA
Védelmi feszültségszint (UP ) ≤ 0,7 kV
Tanúsítványok KEMA, VDE
Jelzőérintkező / Érintkezőtípus váltóérintkező

A 942318 termék hozzá lett adva a jegyzettömbhöz.

A 942318 terméket hozzáadtuk a kosárhoz.

Webshop indítása

Cikkszám 942305 DG MP TNC 275 FM

GTIN 4013364495289, Vámtarifa szám (EU): 85363030, Bruttó súly: 323.13 g, PU: 1.00 db.


Képek

További információ

Túlfeszültség-korlátozó DEHNguard MP TNC 275 FM
3 pólusú, moduláris, dugaszolható
túlfeszültség-korlátozó
dupla push-in csatlakozókapoccsal
elágazásos és átmenő huzalozáshoz alkalmas
230/400 V- TN-C rendszerek számára, 3 modul széles
távjelző érintkezővel
Levezető 2. típus + 3. típus EN 61643-11 szerint
Hibajelzés
Legmagasabb tartós feszültség: 275 V AC
Védelmi feszültségszint: <= 1,5 kV
Névleges levezetési lökőáram: 20 kA
Névleges zárlati szilárdság: 50 kAeff
Energetikai koordináció az DIN EN 62305-4 szerint
Red/Line-család levezetője

Gyártó: DEHN
Típus: DG MP TNC 275 FM
Cikksz.: 942305
vagy egyenértékű.

Tanúsítványok

 

Műszaki adatok

SPD típus/osztály az MSZ EN 61643-11 / ... IEC 61643-11 alapján 2. típus + 3. típus / II. osztály + III. osztály
Legnagyobb folyamatos üzemi feszültség AC (UC ) 275 V (50 / 60 Hz)
Névleges levezetési áram (8/20 µs) (In ) 20 kA
Maximális levezetési áram (8/20 µs) (Imax ) 40 kA
Védelmi feszültségszint (UP ) ≤ 1,5 kV
Tanúsítványok KEMA, VDE
Jelzőérintkező / Érintkezőtípus váltóérintkező

A 942305 termék hozzá lett adva a jegyzettömbhöz.

A 942305 terméket hozzáadtuk a kosárhoz.

Webshop indítása

Cikkszám 942319 DG MP TNC 385 FM

GTIN 4013364495296, Vámtarifa szám (EU): 85363030, Bruttó súly: 324.71 g, PU: 1.00 db.


Képek

További információ

Túlfeszültség-korlátozó DEHNguard MP TNC 385 FM
3 pólusú, moduláris, dugaszolható
túlfeszültség-korlátozó
dupla push-in csatlakozókapoccsal
elágazásos és átmenő huzalozáshoz alkalmas
alkalmas TN-C rendszerekhez, szélesség 3 modul
távjelző érintkezővel
Levezető 2. típus + 3. típus EN 61643-11 szerint
Hibajelzés
Legmagasabb tartós feszültség: 385 V AC
Védelmi feszültségszint: <= 1,75 kV
Névleges levezetési lökőáram: 20 kA
Névleges zárlati szilárdság: 25 kAeff
Energetikai koordináció az DIN EN 62305-4 szerint
Red/Line-család levezetője

Gyártó: DEHN
Típus: DG MP TNC 385 FM
Cikksz.: 942319
vagy egyenértékű.

Tanúsítványok

 

Műszaki adatok

SPD típus/osztály az MSZ EN 61643-11 / ... IEC 61643-11 alapján 2. típus + 3. típus / II. osztály + III. osztály
Legnagyobb folyamatos üzemi feszültség AC (UC ) 385 V (50 / 60 Hz)
Névleges levezetési áram (8/20 µs) (In ) 20 kA
Maximális levezetési áram (8/20 µs) (Imax ) 40 kA
Védelmi feszültségszint (UP ) ≤ 1,75 kV
Tanúsítványok KEMA, VDE
Jelzőérintkező / Érintkezőtípus váltóérintkező

A 942319 termék hozzá lett adva a jegyzettömbhöz.

A 942319 terméket hozzáadtuk a kosárhoz.

Webshop indítása

Cikkszám 942308 DG MP TNC 440 FM

GTIN 4013364495258, Vámtarifa szám (EU): 85363030, Bruttó súly: 355.78 g, PU: 1.00 db.


Képek

További információ

Túlfeszültség-korlátozó DEHNguard MP TNC 440 FM
3 pólusú, moduláris, dugaszolható
túlfeszültség-korlátozó
dupla push-in csatlakozókapoccsal
elágazásos és átmenő huzalozáshoz alkalmas
400/690 V- TN-C rendszerek számára, 3 modul széles
távjelző érintkezővel
2. típusú + 3. típusú levezető az MSZ EN 61643-11 szerint
Hibajelzés
Legmagasabb tartós feszültség: 440 V AC
Védelmi feszültségszint: <= 2 kV
Névleges levezetési lökőáram: 20 kA
Névleges zárlati szilárdság: 25 kAeff
Energetikai koordináció az DIN EN 62305-4 szerint
Red/Line-család levezetője

Gyártó: DEHN
Típus: DG MP TNC 440 FM
Cikksz.: 942308
vagy egyenértékű.

Tanúsítványok

 

Műszaki adatok

SPD típus/osztály az MSZ EN 61643-11 / ... IEC 61643-11 alapján 2. típus + 3. típus / II. osztály + III. osztály
Legnagyobb folyamatos üzemi feszültség AC (UC ) 440 V (50 / 60 Hz)
Névleges levezetési áram (8/20 µs) (In ) 20 kA
Maximális levezetési áram (8/20 µs) (Imax ) 40 kA
Védelmi feszültségszint (UP ) ≤ 2 kV
Tanúsítványok KEMA, VDE
Jelzőérintkező / Érintkezőtípus váltóérintkező

A 942308 termék hozzá lett adva a jegyzettömbhöz.

A 942308 terméket hozzáadtuk a kosárhoz.

Webshop indítása

DEHNguard MP TNS ...

Moduláris túlfeszültség-korlátozó TN-S rendszerekhez

1 Termék

Cikkszám 942400 DG MP TNS 275

GTIN 4013364484115, Vámtarifa szám (EU): 85363030, Bruttó súly: 407.53 g, PU: 1.00 db.


Képek

További információ

Túlfeszültségvédelmi készülék DEHNguard MP TNS 275
4-pólusú, moduláris, dugaszolható
Túlfeszültségvédelmi készülék
dupla Push-In csatakozókapoccsal párhuzamos
és V-bekötéshez alkalmas
TN-S rendszerekhez, szélesség 4TE
2. +3. típus az MSZ EN 61643-11 szerint
állapotjelzéssel
Legnagyobb tartós üzemi feszültség: 275 V ac
Feszültség-védelmi szint: <= 1,5 kV
Névleges levezetési áram: 20 kA
Rövidzárlatállóság: 50 kAeff
Energetikai koordináció az MSZ EN 62305-4 szerint
a Red/Line-család készülékeivel

Gyártó: DEHN
Típus: DG MP TNS 275
Cikksz.: 942400
vagy egyenértékű.

Tanúsítványok

 

Műszaki adatok

SPD típus/osztály az MSZ EN 61643-11 / ... IEC 61643-11 alapján 2.+3. típus / II.+III. osztály
Legnagyobb folyamatos üzemi feszültség AC (UC ) 275 V (50 / 60 Hz)
Névleges levezetési áram (8/20 µs) (In ) 20 kA
Maximális levezetési áram (8/20 µs) (Imax ) 40 kA
Védelmi feszültségszint [L-PE]/[N-PE] (UP ) ≤ 1,5 / ≤ 1,5 kV
Tanúsítványok KEMA, VDE

A 942400 termék hozzá lett adva a jegyzettömbhöz.

A 942400 terméket hozzáadtuk a kosárhoz.

Webshop indítása

DEHNguard MP TNS ... FM

Moduláris túlfeszültség-korlátozó TN-S rendszerekhez potenciálmentes távjelző érintkezővel

3 Termékek

Cikkszám 942408 DG MP TNS 150 FM

GTIN 4013364484863, Vámtarifa szám (EU): 85363030, Bruttó súly: 385.91 g, PU: 1.00 db.


Képek

További információ

Túlfeszültségvédelmi készülék DEHNguard MP TNS 150 FM
4-pólusú, moduláris, dugaszolható
Túlfeszültségvédelmi készülék
dupla Push-In csatakozókapoccsal párhuzamos
és V-bekötéshez alkalmas
TN-S rendszerekhez, szélesség 4TE
2. +3. típus az MSZ EN 61643-11 szerint
állapotjelzéssel
Legnagyobb tartós üzemi feszültség: 150 V ac
Feszültség-védelmi szint: <= 0,7 kV
Névleges levezetési áram: 15 kA
Rövidzárlatállóság: 50 kAeff
Energetikai koordináció az MSZ EN 62305-4 szerint
a Red/Line-család készülékeivel

Gyártó: DEHN
Típus: DG MP TNS 150 FM
Cikksz.: 942408
vagy egyenértékű.

Tanúsítványok

 

Műszaki adatok

SPD típus/osztály az MSZ EN 61643-11 / ... IEC 61643-11 alapján 2.+3. típus / II. + III. osztály
Legnagyobb folyamatos üzemi feszültség AC (UC ) 150 V (50 / 60 Hz)
Névleges levezetési áram (8/20 µs) (In ) 15 kA
Maximális levezetési áram (8/20 µs) (Imax ) 40 kA
Védelmi feszültségszint [L-PE]/[N-PE] (UP ) ≤ 0,7 / ≤ 0,7 kV
Tanúsítványok KEMA, VDE
Jelzőérintkező / Érintkezőtípus váltóérintkező

A 942408 termék hozzá lett adva a jegyzettömbhöz.

A 942408 terméket hozzáadtuk a kosárhoz.

Webshop indítása

Cikkszám 942405 DG MP TNS 275 FM

GTIN 4013364477124, Vámtarifa szám (EU): 85363030, Bruttó súly: 350.91 g, PU: 1.00 db.


Képek

További információ

Túlfeszültségvédelmi készülék DEHNguard MP TNS 275 FM
4-pólusú, moduláris, dugaszolható
Túlfeszültségvédelmi készülék
dupla Push-In csatakozókapoccsal párhuzamos
és V-bekötéshez alkalmas
TN-S rendszerekhez, szélesség 4TE
távjelző érintkezővel
2. +3. típus az MSZ EN 61643-11 szerint
állapotjelzéssel
Legnagyobb tartós üzemi feszültség: 275 V ac
Feszültség-védelmi szint: <= 1,5 kV
Névleges levezetési áram: 20 kA
Rövidzárlatállóság: 50 kAeff
Energetikai koordináció az MSZ EN 62305-4 szerint
a Red/Line-család készülékeivel

Gyártó: DEHN
Típus: DG MP TNS 275 FM
Cikksz.: 942405
vagy egyenértékű.

Tanúsítványok

 

Műszaki adatok

SPD típus/osztály az MSZ EN 61643-11 / ... IEC 61643-11 alapján 2.+3. típus / II.+III. osztály
Legnagyobb folyamatos üzemi feszültség AC (UC ) 275 V (50 / 60 Hz)
Névleges levezetési áram (8/20 µs) (In ) 20 kA
Maximális levezetési áram (8/20 µs) (Imax ) 40 kA
Védelmi feszültségszint [L-PE]/[N-PE] (UP ) ≤ 1,5 / ≤ 1,5 kV
Tanúsítványok KEMA, VDE
Jelzőérintkező / Érintkezőtípus váltóérintkező

A 942405 termék hozzá lett adva a jegyzettömbhöz.

A 942405 terméket hozzáadtuk a kosárhoz.

Webshop indítása

Cikkszám 942409 DG MP TNS 385 FM

GTIN 4013364484832, Vámtarifa szám (EU): 85363030, Bruttó súly: 441.67 g, PU: 1.00 db.


Képek

További információ

Túlfeszültségvédelmi készülék DEHNguard MP TNS 385 FM
4-pólusú, moduláris, dugaszolható
Túlfeszültség-védelmi készülék
dupla Push-In csatakozókapoccsal párhuzamos
és V-bekötéshez alkalmas
TN-S rendszerekhez, szélesség 4TE
távjelző érintkezővel
2. +3. típus az MSZ EN 61643-11 szerint
állapotjelzéssel
Legnagyobb tartós üzemi feszültség: 385 V ac
Feszültség-védelmi szint: <= 1,75 kV
Névleges levezetési áram: 20 kA
Rövidzárlatállóság: 25 kAeff
Energetikai koordináció az MSZ EN 62305-4 szerint
a Red/Line-család készülékeivel

Gyártó: DEHN
Típus: DG MP TNS 385 FM
Cikksz.: 942409
vagy egyenértékű.

Tanúsítványok

 

Műszaki adatok

SPD típus/osztály az MSZ EN 61643-11 / ... IEC 61643-11 alapján 2.+3. típus / II.+III. osztály
Legnagyobb folyamatos üzemi feszültség AC (UC ) 385 V (50 / 60 Hz)
Névleges levezetési áram (8/20 µs) (In ) 20 kA
Maximális levezetési áram (8/20 µs) (Imax ) 40 kA
Védelmi feszültségszint [L-PE]/[N-PE] (UP ) ≤ 1,75 / ≤ 1,75 kV
Tanúsítványok KEMA, VDE
Jelzőérintkező / Érintkezőtípus váltóérintkező

A 942409 termék hozzá lett adva a jegyzettömbhöz.

A 942409 terméket hozzáadtuk a kosárhoz.

Webshop indítása

DEHNguard MP TT ...

Moduláris túlfeszültégvédelmi készülék TT- és TN-S rendszerekhez (3+1 kapcsolás)

1 Termék

Cikkszám 942310 DG MP TT 275

GTIN 4013364484108, Vámtarifa szám (EU): 85363030, Bruttó súly: 343.84 g, PU: 1.00 db.


Képek

További információ

DEHNguard MP TT 275 túlfeszültség-korlátozó
Négypólusú, moduláris, dugaszolható túlfeszültség-korlátozó
dupla Push-in csatlakozókapcsokkal a párhuzamos és
V-bekötéshez
TT- és TN-S rendszerekhez, beépítési méretek: 4 modul
2.+3. típusú SPD az MSZ EN 61643-11 szabvány szerint
állapotjelzéssel
Legnagyobb folyamatos üzemi feszültség: 275 V AC
Védelmi feszültségszint: <= 1,5 kV
Névleges levezetési áram: 20 kA
Névleges zárlati áram: 50 kAeff
Energetikailag koordinált az MSZ EN 62305-4 szabvány szerint
a Red/Line termékcsalád készülékeivel

Gyártó: DEHN
Típus: DG MP TT 275
Cikksz.: 942310
vagy egyenértékű.

Tanúsítványok

 

Műszaki adatok

SPD típus/osztály az MSZ EN 61643-11 / ... IEC 61643-11 alapján 2.+3. típus / II.+III. osztály
Legnagyobb folyamatos üzemi feszültség AC [L-N] (UC ) 275 V (50 / 60 Hz)
Névleges levezetési áram (8/20 µs) (In ) 20 kA
Maximális levezetési áram (8/20 µs) (Imax ) 40 kA
Védelmi feszültségszint [L-N]/[N-PE] (UP ) ≤ 1,5 / ≤ 1,5 kV
Tanúsítványok KEMA, VDE

A 942310 termék hozzá lett adva a jegyzettömbhöz.

A 942310 terméket hozzáadtuk a kosárhoz.

Webshop indítása

DEHNguard MP TT ... FM

Moduláris túlfeszültégvédelmi készülék TT- és TN-S rendszerekhez (3+1 kapcsolás) potenciálmentes távjelző érintkezővel

4 Termékek

Cikkszám 942328 DG MP TT 150 FM

GTIN 4013364484856, Vámtarifa szám (EU): 85363030, Bruttó súly: 388.86 g, PU: 1.00 db.


Képek

További információ

DEHNguard MP TT 150 FM túlfeszültség-korlátozó
Négypólusú, moduláris, dugaszolható túlfeszültség-korlátozó
dupla Push-in csatlakozókapcsokkal a párhuzamos és
V-bekötéshez
TT- és TN-S rendszerekhez, beépítési méretek: 4 modul
távjelző érintkezővel
2.+3. típusú SPD az MSZ EN 61643-11 szabvány szerint
állapotjelzéssel
Legnagyobb folyamatos üzemi feszültség: 150 V AC
Védelmi feszültségszint: <= 0,7 kV
Névleges levezetési áram: 15 kA
Névleges zárlati áram: 50 kAeff
Energetikailag koordinált az MSZ EN 62305-4 szabvány szerint
a Red/Line termékcsalád készülékeivel

Gyártó: DEHN
Típus: DG MP TT 150 FM
Cikksz.: 942328
vagy egyenértékű.

Tanúsítványok

 

Műszaki adatok

SPD típus/osztály az MSZ EN 61643-11 / ... IEC 61643-11 alapján 2.+3. típus / II.+III. osztály
Legnagyobb folyamatos üzemi feszültség AC [L-N] (UC ) 150 V (50 / 60 Hz)
Névleges levezetési áram (8/20 µs) [L-N] (In ) 15 kA
Névleges levezetési áram (8/20 µs) [N-PE] (In ) 20 kA
Maximális levezetési áram (8/20 µs) (Imax ) 40 kA
Védelmi feszültségszint [L-N]/[N-PE] (UP ) ≤ 0,7 / ≤ 1,5 kV
Tanúsítványok KEMA, VDE
Jelzőérintkező / Érintkezőtípus váltóérintkező

A 942328 termék hozzá lett adva a jegyzettömbhöz.

A 942328 terméket hozzáadtuk a kosárhoz.

Webshop indítása

Cikkszám 942315 DG MP TT 275 FM

GTIN 4013364477162, Vámtarifa szám (EU): 85363030, Bruttó súly: 346.63 g, PU: 1.00 db.


Képek

További információ

DEHNguard MP TT 275 FM túlfeszültség-korlátozó
Négypólusú, moduláris, dugaszolható túlfeszültség-korlátozó
dupla Push-in csatlakozókapcsokkal a párhuzamos és
V-bekötéshez
TT- és TN-S rendszerekhez, beépítési méretek: 4 modul
távjelző érintkezővel
2.+3. típusú SPD az MSZ EN 61643-11 szabvány szerint
állapotjelzéssel
Legnagyobb folyamatos üzemi feszültség: 275 V AC
Védelmi feszültségszint: <= 1,5 kV
Névleges levezetési áram: 20 kA
Névleges zárlati áram: 50 kAeff
Energetikailag koordinált az MSZ EN 62305-4 szabvány szerint
a Red/Line termékcsalád készülékeivel

Gyártó: DEHN
Típus: DG MP TT 275 FM
Cikksz.: 942315
vagy egyenértékű.

Tanúsítványok

 

Műszaki adatok

SPD típus/osztály az MSZ EN 61643-11 / ... IEC 61643-11 alapján 2.+3. típus / II.+III. osztály
Legnagyobb folyamatos üzemi feszültség AC [L-N] (UC ) 275 V (50 / 60 Hz)
Névleges levezetési áram (8/20 µs) (In ) 20 kA
Maximális levezetési áram (8/20 µs) (Imax ) 40 kA
Védelmi feszültségszint [L-N]/[N-PE] (UP ) ≤ 1,5 / ≤ 1,5 kV
Tanúsítványok KEMA, VDE
Jelzőérintkező / Érintkezőtípus váltóérintkező

A 942315 termék hozzá lett adva a jegyzettömbhöz.

A 942315 terméket hozzáadtuk a kosárhoz.

Webshop indítása

Cikkszám 942325 DG MP TT 320 FM

GTIN 4013364484849, Vámtarifa szám (EU): 85363030, Bruttó súly: 418.85 g, PU: 1.00 db.


Képek

További információ

DEHNguard MP TT 320 FM túlfeszültség-korlátozó
Négypólusú, moduláris, dugaszolható túlfeszültség-korlátozó
dupla Push-in csatlakozókapcsokkal a párhuzamos és
V-bekötéshez
TT- és TN-S rendszerekhez, beépítési méretek: 4 modul
távjelző érintkezővel
2.+3. típusú SPD az MSZ EN 61643-11 szabvány szerint
állapotjelzéssel
Legnagyobb folyamatos üzemi feszültség: 320 V AC
Védelmi feszültségszint: <= 1,5 kV
Névleges levezetési áram: 20 kA
Névleges zárlati áram: 50 kAeff
Energetikailag koordinált az MSZ EN 62305-4 szabvány szerint
a Red/Line termékcsalád készülékeivel

Gyártó: DEHN
Típus: DG MP TT 320 FM
Cikksz.: 942325
vagy egyenértékű.

Tanúsítványok

 

Műszaki adatok

SPD típus/osztály az MSZ EN 61643-11 / ... IEC 61643-11 alapján 2+3..típus / II.+III. osztály
Legnagyobb folyamatos üzemi feszültség AC [L-N] (UC ) 320 V (50 / 60 Hz)
Névleges levezetési áram (8/20 µs) (In ) 20 kA
Maximális levezetési áram (8/20 µs) (Imax ) 40 kA
Védelmi feszültségszint [L-N]/[N-PE] (UP ) ≤ 1,5 / ≤ 1,5 kV
Tanúsítványok KEMA, VDE
Jelzőérintkező / Érintkezőtípus váltóérintkező

A 942325 termék hozzá lett adva a jegyzettömbhöz.

A 942325 terméket hozzáadtuk a kosárhoz.

Webshop indítása

Cikkszám 942317 DG MP TT 385 FM

GTIN 4013364484825, Vámtarifa szám (EU): 85363030, Bruttó súly: 430.48 g, PU: 1.00 db.


Képek

További információ

DEHNguard MP TT 385 FM túlfeszültség-korlátozó
Négypólusú, moduláris, dugaszolható túlfeszültség-korlátozó
dupla Push-in csatlakozókapcsokkal a párhuzamos és
V-bekötéshez
TT- és TN-S rendszerekhez, beépítési méretek: 4 modul
távjelző érintkezővel
2.+3. típusú SPD az MSZ EN 61643-11 szabvány szerint
állapotjelzéssel
Legnagyobb folyamatos üzemi feszültség: 385 V AC
Védelmi feszültségszint: <= 1,75 kV
Névleges levezetési áram: 20 kA
Névleges zárlati áram: 25 kAeff
Energetikailag koordinált az MSZ EN 62305-4 szabvány szerint
a Red/Line termékcsalád készülékeivel

Gyártó: DEHN
Típus: DG MP TT 385 FM
Cikksz.: 942317
vagy egyenértékű.

Tanúsítványok

 

Műszaki adatok

SPD típus/osztály az MSZ EN 61643-11 / ... IEC 61643-11 alapján 2.+3. típus / II.+III. osztály
Legnagyobb folyamatos üzemi feszültség AC [L-N] (UC ) 385 V (50 / 60 Hz)
Névleges levezetési áram (8/20 µs) (In ) 20 kA
Maximális levezetési áram (8/20 µs) (Imax ) 40 kA
Védelmi feszültségszint [L-N]/[N-PE] (UP ) ≤ 1,75 / ≤ 1,5 kV
Tanúsítványok KEMA, VDE
Jelzőérintkező / Érintkezőtípus váltóérintkező

A 942317 termék hozzá lett adva a jegyzettömbhöz.

A 942317 terméket hozzáadtuk a kosárhoz.

Webshop indítása

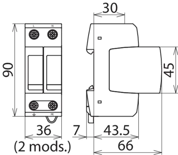
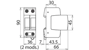
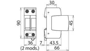
DEHNguard MP TN ...

Moduláris túlfeszültség-korlátozó egyfázisú TN rendszerekhez.

1 Termék

Cikkszám 942200 DG MP TN 275

GTIN 4013364495395, Vámtarifa szám (EU): 85363030, Bruttó súly: 228.88 g, PU: 1.00 db.


Képek

További információ

Túlfeszültség-korlátozó DEHNguard MP TN 275
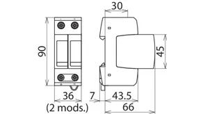
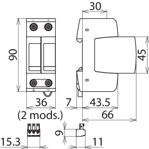
2 pólusú, moduláris, dugaszolható
túlfeszültség-korlátozó
dupla push-in csatlakozókapoccsal
elágazásos és átmenő huzalozáshoz alkalmas
egyfázisú 230 V TN rendszerekhez, szélesség 2 modul
Levezető 2. típus + 3. típus EN 61643-11 szerint
Hibajelzés
Legmagasabb tartós feszültség: 275 V AC
Védelmi feszültségszint: <= 1,5 kV
Névleges levezetési lökőáram: 20 kA
Névleges zárlati szilárdság: 50 kAeff
Energetikai koordináció az DIN EN 62305-4 szerint
Red/Line-család levezetője

Gyártó: DEHN
Típus: DG MP TN 275
Cikksz.: 942200
vagy egyenértékű.

Tanúsítványok

 

Műszaki adatok

SPD típus/osztály az MSZ EN 61643-11 / ... IEC 61643-11 alapján 2. típus + 3. típus / II. osztály + III. osztály
Legnagyobb folyamatos üzemi feszültség AC (UC ) 275 V (50 / 60 Hz)
Névleges levezetési áram (8/20 µs) (In ) 20 kA
Maximális levezetési áram (8/20 µs) (Imax ) 40 kA
Védelmi feszültségszint [L-PE]/[N-PE] (UP ) ≤ 1,5 / ≤ 1,5 kV
Tanúsítványok KEMA, VDE

A 942200 termék hozzá lett adva a jegyzettömbhöz.

A 942200 terméket hozzáadtuk a kosárhoz.

Webshop indítása

DEHNguard MP TN ... FM

Moduláris túlfeszültség-korlátozó egyfázisú TN-rendszerek számára; potenciálfüggetlen távjelző érintkezővel.

2 Termékek

Cikkszám 942207 DG MP TN 150 FM

GTIN 4013364495418, Vámtarifa szám (EU): 85363030, Bruttó súly: 231.67 g, PU: 1.00 db.


Képek

További információ

Túlfeszültség-korlátozó DEHNguard MP TN 150 FM
2 pólusú, moduláris, dugaszolható
túlfeszültség-korlátozó
dupla push-in csatlakozókapoccsal
elágazásos és átmenő huzalozáshoz alkalmas
egyfázisú TN rendszerekhez, szélesség 2 modul
távjelző érintkezővel
Levezető 2. típus + 3. típus EN 61643-11 szerint
Hibajelzés
Legmagasabb tartós feszültség: 150 V AC
Védelmi feszültségszint: <= 0,7 kV
Névleges levezetési lökőáram: 15 kA
Névleges zárlati szilárdság: 50 kAeff
Energetikai koordináció az DIN EN 62305-4 szerint
Red/Line-család levezetője

Gyártó: DEHN
Típus: DG MP TN 150 FM
Cikksz.: 942207
vagy egyenértékű.

Tanúsítványok

 

Műszaki adatok

SPD típus/osztály az MSZ EN 61643-11 / ... IEC 61643-11 alapján 2. típus + 3. típus / II. osztály + III. osztály
Legnagyobb folyamatos üzemi feszültség AC (UC ) 150 V (50 / 60 Hz)
Névleges levezetési áram (8/20 µs) (In ) 15 kA
Maximális levezetési áram (8/20 µs) (Imax ) 40 kA
Védelmi feszültségszint [L-PE]/[N-PE] (UP ) ≤ 0,7 / ≤ 0,7 kV
Tanúsítványok KEMA, VDE
Jelzőérintkező / Érintkezőtípus váltó

A 942207 termék hozzá lett adva a jegyzettömbhöz.

A 942207 terméket hozzáadtuk a kosárhoz.

Webshop indítása

Cikkszám 942205 DG MP TN 275 FM

GTIN 4013364495401, Vámtarifa szám (EU): 85363030, Bruttó súly: 231.32 g, PU: 1.00 db.


Képek

További információ

Túlfeszültség-korlátozó DEHNguard MP TN 275 FM
2 pólusú, moduláris, dugaszolható
túlfeszültség-korlátozó
dupla push-in csatlakozókapoccsal
elágazásos és átmenő huzalozáshoz alkalmas
egyfázisú 230 V TN rendszerekhez, szélesség 2 modul
távjelző érintkezővel
Levezető 2. típus + 3. típus EN 61643-11 szerint
Hibajelzés
Legmagasabb tartós feszültség: 275 V AC
Védelmi feszültségszint: <= 1,5 kV
Névleges levezetési lökőáram: 20 kA
Névleges zárlati szilárdság: 50 kAeff
Energetikai koordináció az DIN EN 62305-4 szerint
Red/Line-család levezetője

Gyártó: DEHN
Típus: DG MP TN 275 FM
Cikksz.: 942205
vagy egyenértékű.

Tanúsítványok

 

Műszaki adatok

SPD típus/osztály az MSZ EN 61643-11 / ... IEC 61643-11 alapján 2. típus + 3. típus / II. osztály + III. osztály
Legnagyobb folyamatos üzemi feszültség AC (UC ) 275 V (50 / 60 Hz)
Névleges levezetési áram (8/20 µs) (In ) 20 kA
Maximális levezetési áram (8/20 µs) (Imax ) 40 kA
Védelmi feszültségszint [L-PE]/[N-PE] (UP ) ≤ 1,5 / ≤ 1,5 kV
Tanúsítványok KEMA, VDE
Jelzőérintkező / Érintkezőtípus váltó

A 942205 termék hozzá lett adva a jegyzettömbhöz.

A 942205 terméket hozzáadtuk a kosárhoz.

Webshop indítása

DEHNguard MP TT 2P ...

Moduláris túlfeszültség-korlátozó egyfázisú TT- és TN-rendszerek (1+1 kapcsolás) számára; potenciálfüggetlen távjelző érintkezővel.

1 Termék

Cikkszám 942110 DG MP TT 2P 275

GTIN 4013364495326, Vámtarifa szám (EU): 85363030, Bruttó súly: 220.36 g, PU: 1.00 db.


Képek

További információ

Túlfeszültség-korlátozó DEHNguard MP TT 2P 275
2 pólusú, moduláris, dugaszolható
túlfeszültség-korlátozó
dupla push-in csatlakozókapoccsal
elágazásos és átmenő huzalozáshoz alkalmas
egyfázisú 230 V TT rendszerekhez, szélesség 2 modul
Levezető 2. típus + 3. típus EN 61643-11 szerint
Hibajelzés
Legmagasabb tartós feszültség: 275 V AC
Védelmi feszültségszint: <= 1,5 kV
Névleges levezetési lökőáram: 20 kA
Névleges zárlati szilárdság: 50 kAeff
Energetikai koordináció az DIN EN 62305-4 szerint
Red/Line-család levezetője

Gyártó: DEHN
Típus: DG MP TT 2P 275
Cikksz.: 942110
vagy egyenértékű.

Tanúsítványok

 

Műszaki adatok

SPD típus/osztály az MSZ EN 61643-11 / ... IEC 61643-11 alapján 2. típus + 3. típus / II. osztály + III. osztály
Legnagyobb folyamatos üzemi feszültség AC [L-N] (UC ) 275 V (50 / 60 Hz)
Névleges levezetési áram (8/20 µs) (In ) 20 kA
Maximális levezetési áram (8/20 µs) (Imax ) 40 kA
Védelmi feszültségszint [L-N]/[N-PE] (UP ) ≤ 1,5 / ≤ 1,5 kV
Tanúsítványok KEMA, VDE

A 942110 termék hozzá lett adva a jegyzettömbhöz.

A 942110 terméket hozzáadtuk a kosárhoz.

Webshop indítása

DEHNguard MP TT 2P ... FM

Moduláris túlfeszültség-korlátozó egyfázisú TT- és TN-rendszerek (1+1 kapcsolás) számára; potenciálfüggetlen távjelző érintkezővel.

3 Termékek

Cikkszám 942115 DG MP TT 2P 275 FM

GTIN 4013364495333, Vámtarifa szám (EU): 85363030, Bruttó súly: 226.75 g, PU: 1.00 db.


Képek

További információ

Túlfeszültség-korlátozó DEHNguard MP TT 2P 275 FM
2 pólusú, moduláris, dugaszolható
túlfeszültség-korlátozó
dupla push-in csatlakozókapoccsal
elágazásos és átmenő huzalozáshoz alkalmas
egyfázisú 230 V TT rendszerekhez, szélesség 2 modul
távjelző érintkezővel
Levezető 2. típus + 3. típus EN 61643-11 szerint
Hibajelzés
Legmagasabb tartós feszültség: 275 V AC
Védelmi feszültségszint: <= 1,5 kV
Névleges levezetési lökőáram: 20 kA
Névleges zárlati szilárdság: 50 kAeff
Energetikai koordináció az DIN EN 62305-4 szerint
Red/Line-család levezetője

Gyártó: DEHN
Típus: DG MP TT 2P 275 FM
Cikksz.: 942115
vagy egyenértékű.

Tanúsítványok

 

Műszaki adatok

SPD típus/osztály az MSZ EN 61643-11 / ... IEC 61643-11 alapján 2. típus + 3. típus / II. osztály + III. osztály
Legnagyobb folyamatos üzemi feszültség AC [L-N] (UC ) 275 V (50 / 60 Hz)
Névleges levezetési áram (8/20 µs) (In ) 20 kA
Maximális levezetési áram (8/20 µs) (Imax ) 40 kA
Védelmi feszültségszint [L-N]/[N-PE] (UP ) ≤ 1,5 / ≤ 1,5 kV
Tanúsítványok KEMA, VDE
Jelzőérintkező / Érintkezőtípus váltóérintkező

A 942115 termék hozzá lett adva a jegyzettömbhöz.

A 942115 terméket hozzáadtuk a kosárhoz.

Webshop indítása

Cikkszám 942135 DG MP TT 2P 320 FM

GTIN 4013364495340, Vámtarifa szám (EU): 85363030, Bruttó súly: 230.96 g, PU: 1.00 db.


Képek

További információ

Túlfeszültség-korlátozó DEHNguard MP TT 2P 320 FM
2 pólusú, moduláris, dugaszolható
túlfeszültség-korlátozó
dupla push-in csatlakozókapoccsal
elágazásos és átmenő huzalozáshoz alkalmas
egyfázisú 230 V TT rendszerekhez, szélesség 2 modul
távjelző érintkezővel
Levezető 2. típus + 3. típus EN 61643-11 szerint
Hibajelzés
Legmagasabb tartós feszültség: 320 V AC
Védelmi feszültségszint: <= 1,5 kV
Névleges levezetési lökőáram: 20 kA
Névleges zárlati szilárdság: 25 kAeff
Energetikai koordináció az DIN EN 62305-4 szerint
Red/Line-család levezetője

Gyártó: DEHN
Típus: DG MP TT 2P 320 FM
Cikksz.: 942135
vagy egyenértékű.

Tanúsítványok

 

Műszaki adatok

SPD típus/osztály az MSZ EN 61643-11 / ... IEC 61643-11 alapján 2. típus + 3. típus / II. osztály + III. osztály
Legnagyobb folyamatos üzemi feszültség AC [L-N] (UC ) 320 V (50 / 60 Hz)
Névleges levezetési áram (8/20 µs) (In ) 20 kA
Maximális levezetési áram (8/20 µs) (Imax ) 40 kA
Védelmi feszültségszint [L-N]/[N-PE] (UP ) ≤ 1,5 / ≤ 1,5 kV
Tanúsítványok KEMA, VDE
Jelzőérintkező / Érintkezőtípus váltóérintkező

A 942135 termék hozzá lett adva a jegyzettömbhöz.

A 942135 terméket hozzáadtuk a kosárhoz.

Webshop indítása

Cikkszám 942117 DG MP TT 2P 385 FM

GTIN 4013364495357, Vámtarifa szám (EU): 85363090, Bruttó súly: 227.23 g, PU: 1.00 db.


Képek

További információ

Túlfeszültség-korlátozó DEHNguard MP TT 2P 385 FM
2 pólusú, moduláris, dugaszolható
túlfeszültség-korlátozó
dupla push-in csatlakozókapoccsal
elágazásos és átmenő huzalozáshoz alkalmas
egyfázisú TT- és TN-rendszerek számára, szélesség 2 modul
távjelző érintkezővel
Levezető 2. típus + 3. típus EN 61643-11 szerint
Hibajelzés
Legmagasabb tartós feszültség: 385 V AC
Védelmi feszültségszint: <= 1,75 kV
Névleges levezetési lökőáram: 20 kA
Névleges zárlati szilárdság: 25 kAeff
Energetikai koordináció az DIN EN 62305-4 szerint
Red/Line-család levezetője

Gyártó: DEHN
Típus: DG MP TT 2P 385 FM
Cikksz.: 942117
vagy egyenértékű.

Tanúsítványok

 

Műszaki adatok

SPD típus/osztály az MSZ EN 61643-11 / ... IEC 61643-11 alapján 2. típus + 3. típus / II. osztály + III. osztály
Legnagyobb folyamatos üzemi feszültség AC [L-N] (UC ) 385 V (50 / 60 Hz)
Névleges levezetési áram (8/20 µs) (In ) 20 kA
Maximális levezetési áram (8/20 µs) (Imax ) 40 kA
Védelmi feszültségszint [L-N]/[N-PE] (UP ) ≤ 1,75 / ≤ 1,5 kV
Tanúsítványok KEMA, VDE
Jelzőérintkező / Érintkezőtípus váltóérintkező

A 942117 termék hozzá lett adva a jegyzettömbhöz.

A 942117 terméket hozzáadtuk a kosárhoz.

Webshop indítása

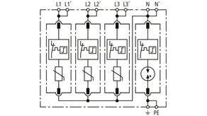
DEHNguard MP WE 600 FM

Hárompólusú moduláris túlfeszültség-korlátozó szélerőművek számára, varisztoros névleges feszültség Umov = 750 V AC; FM kivitelben potenciálfüggetlen távjelző érintkezővel.

1 Termék

Cikkszám 942307 DG MP WE 600 FM

GTIN 4013364495302, Vámtarifa szám (EU): 85363030, Bruttó súly: 384.26 g, PU: 1.00 db.


Képek

További információ

Túlfeszültség-korlátozó DEHNguard MP WE 600 FM
3 pólusú, moduláris, dugaszolható
túlfeszültség-korlátozó
dupla push-in csatlakozókapoccsal
elágazásos és átmenő huzalozáshoz alkalmas
szélerőművek számára, alkalmazás
400/690 V TN-C rendszerekben, 3 modul széles
távjelző érintkezővel
Időszakos feszültségingadozások figyelembe vétele
megnövelt varisztor névleges feszültséggel Umov
Levezető 2. típus + 3. típus EN 61643-11 szerint
Hibajelzés
Legmagasabb tartós feszültség: 600 V AC
Varisztor névleges feszültség: 750 V AC
Védelmi feszültségszint: <= 3 kV
Névleges levezetési lökőáram: 15 kA
Névleges zárlati szilárdság: 25 kAeff
Energetikai koordináció az DIN EN 62305-4 szerint
Red/Line-család levezetője

Gyártó: DEHN
Típus: DG MP WE 600 FM
Cikksz.: 942307
vagy egyenértékű.

Tanúsítványok

 

Műszaki adatok

SPD típus/osztály az MSZ EN 61643-11 / ... IEC 61643-11 alapján 2. típus + 3. típus / II. osztály + III. osztály
Legnagyobb folyamatos üzemi feszültség AC (UC ) 600 V (50 / 60 Hz)
Varisztor névleges feszültség AC (Umov ) 750 V
Névleges levezetési áram (8/20 µs) (In ) 15 kA
Maximális levezetési áram (8/20 µs) (Imax ) 25 kA
Védelmi feszültségszint (UP ) ≤ 3 kV
Tanúsítványok KEMA, VDE
Jelzőérintkező / Érintkezőtípus váltóérintkező

A 942307 termék hozzá lett adva a jegyzettömbhöz.

A 942307 terméket hozzáadtuk a kosárhoz.

Webshop indítása

DEHNguard M TNC ...

Moduláris túlfeszültség-védelmi készülék TN-C rendszerekhez (3+0 kapcsolás).

2 Termékek

Cikkszám 952300 DG M TNC 275

GTIN 4013364108431, Vámtarifa szám (EU): 85363030, Bruttó súly: 355.40 g, PU: 1.00 db.

Kifutott termék:

Képek

További információ

DEHNguard M TNC 275 túlfeszültség-korlátozó
Moduláris és dugaszolható háromfázisú túlfeszültség-korlátozó
TN-C rendszerekhez, beépítési méretek: 3 modul
2.típusú SPD az MSZ EN 61643-11 szabvány szerint
Hibajelzés
Legnagyobb folyamatos üzemi feszültség: 275 V AC
Védelmi feszültségszint: <= 1,5 kV
Névleges levezetési áram: 20 kA
Névleges zárlati áram: 50 kAeff
Energetikailag koordinált az MSZ EN 62305-4 szabvány szerint
a Red/Line termékcsalád levezetőivel

Gyártó: DEHN
Típus: DG M TNC 275
Cikksz.: 952300
vagy egyenértékű.

Tanúsítványok

 

Műszaki adatok

SPD típus/osztály az MSZ EN 61643-11 / ... IEC 61643-11 alapján 2.típus / II.osztály
Legnagyobb folyamatos üzemi feszültség AC (UC ) 275 V (50 / 60 Hz)
Névleges levezetési áram (8/20 µs) (In ) 20 kA
Maximális levezetési áram (8/20 µs) (Imax ) 40 kA
Védelmi feszültségszint (UP ) ≤ 1,5 kV
Max. hálózatoldali túláramvédelem 125 A gG
Tanúsítványok KEMA, VDE, UL

A 952300 termék hozzá lett adva a jegyzettömbhöz.

A 952300 terméket hozzáadtuk a kosárhoz.

Webshop indítása

Cikkszám 952303 DG M TNC 440

GTIN 4013364120709, Vámtarifa szám (EU): 85363030, Bruttó súly: 376.30 g, PU: 1.00 db.


Képek

További információ

DEHNguard M TNC 440 túlfeszültség-korlátozó
Moduláris és dugaszolható háromfázisú túlfeszültség-korlátozó
400/690V TN-C rendszerekhez, beépítési méretek: 3 modul
2.típusú SPD az MSZ EN 61643-11 szabvány szerint
Hibajelzés
Legnagyobb folyamatos üzemi feszültség: 440 V AC
Védelmi feszültségszint: <=2 kV
Névleges levezetési áram: 20 kA
Névleges zárlati áram: 25 kAeff
Energetikailag koordinált az MSZ EN 62305-4 szabvány szerint
a Red/Line termékcsalád levezetőivel

Gyártó: DEHN
Típus: DG M TNC 440
Cikksz.: 952303
vagy egyenértékű.

Tanúsítványok

 

Műszaki adatok

SPD típus/osztály az MSZ EN 61643-11 / ... IEC 61643-11 alapján 2.típus / II.osztály
Legnagyobb folyamatos üzemi feszültség AC (UC ) 440 V (50 / 60 Hz)
Névleges levezetési áram (8/20 µs) (In ) 20 kA
Maximális levezetési áram (8/20 µs) (Imax ) 40 kA
Védelmi feszültségszint (UP ) ≤ 2 kV
Max. hálózatoldali túláramvédelem 125 A gG
Tanúsítványok KEMA, UL

A 952303 termék hozzá lett adva a jegyzettömbhöz.

A 952303 terméket hozzáadtuk a kosárhoz.

Webshop indítása

DEHNguard M TNC ... FM

Moduláris túlfeszültség-védelmi készülék TN-C rendszerekhez (3+0 kapcsolás); potenciálfüggetlen váltóérintkezővel.

2 Termékek

Cikkszám 952305 DG M TNC 275 FM

GTIN 4013364108448, Vámtarifa szám (EU): 85363030, Bruttó súly: 348.80 g, PU: 1.00 db.

Kifutott termék:

Képek

További információ

DEHNguard M TNC 275 FM túlfeszültség-korlátozó
Moduláris és dugaszolható háromfázisú túlfeszültség-korlátozó
TN-C rendszerekhez, beépítési méretek: 3 modul
távjelző érintkezővel
2.típusú SPD az MSZ EN 61643-11 szabvány szerint
Hibajelzés
Legnagyobb folyamatos üzemi feszültség: 275 V AC
Védelmi feszültségszint: <= 1,5 kV
Névleges levezetési áram: 20 kA
Névleges zárlati áram: 50 kAeff
Energetikailag koordinált az MSZ EN 62305-4 szabvány szerint
a Red/Line termékcsalád levezetőivel

Gyártó: DEHN
Típus: DG M TNC 275 FM
Cikksz.: 952305
vagy egyenértékű.

Tanúsítványok

 

Műszaki adatok

SPD típus/osztály az MSZ EN 61643-11 / ... IEC 61643-11 alapján 2.típus / II.osztály
Legnagyobb folyamatos üzemi feszültség AC (UC ) 275 V (50 / 60 Hz)
Névleges levezetési áram (8/20 µs) (In ) 20 kA
Maximális levezetési áram (8/20 µs) (Imax ) 40 kA
Védelmi feszültségszint (UP ) ≤ 1,5 kV
Max. hálózatoldali túláramvédelem 125 A gG
Tanúsítványok KEMA, VDE, UL
Jelzőérintkező / Érintkezőtípus váltóérintkező

A 952305 termék hozzá lett adva a jegyzettömbhöz.

A 952305 terméket hozzáadtuk a kosárhoz.

Webshop indítása

Cikkszám 952308 DG M TNC 440 FM

GTIN 4013364120716, Vámtarifa szám (EU): 85363030, Bruttó súly: 383.20 g, PU: 1.00 db.


Képek

További információ

DEHNguard M TNC 440 FM túlfeszültség-korlátozó
Moduláris és dugaszolható háromfázisú túlfeszültség-korlátozó
400/690V TN-C rendszerekhez, beépítési méretek: 3 modul
távjelző érintkezővel
2.típusú SPD az MSZ EN 61643-11 szabvány szerint
Hibajelzés
Legnagyobb folyamatos üzemi feszültség: 440 V AC
Védelmi feszültségszint: <=2 kV
Névleges levezetési áram: 20 kA
Névleges zárlati áram: 25 kAeff
Energetikailag koordinált az MSZ EN 62305-4 szabvány szerint
a Red/Line termékcsalád levezetőivel

Gyártó: DEHN
Típus: DG M TNC 440 FM
Cikksz.: 952308
vagy egyenértékű.

Tanúsítványok

 

Műszaki adatok

SPD típus/osztály az MSZ EN 61643-11 / ... IEC 61643-11 alapján 2.típus / II.osztály
Legnagyobb folyamatos üzemi feszültség AC (UC ) 440 V (50 / 60 Hz)
Névleges levezetési áram (8/20 µs) (In ) 20 kA
Maximális levezetési áram (8/20 µs) (Imax ) 40 kA
Védelmi feszültségszint (UP ) ≤ 2 kV
Max. hálózatoldali túláramvédelem 125 A gG
Tanúsítványok KEMA, UL
Jelzőérintkező / Érintkezőtípus váltóérintkező

A 952308 termék hozzá lett adva a jegyzettömbhöz.

A 952308 terméket hozzáadtuk a kosárhoz.

Webshop indítása

DEHNguard M TNS ...

Moduláris túlfeszültség-védelmi készülékek TN-S rendszerekhez (4+0 kapcsolás).

1 Termék

Cikkszám 952400 DG M TNS 275

GTIN 4013364108455, Vámtarifa szám (EU): 85363030, Bruttó súly: 444.00 g, PU: 1.00 db.

Kifutott termék:

Képek

További információ

DEHNguard M TNS 275 túlfeszültség-korlátozó
Moduláris és dugaszolható háromfázisú túlfeszültség-korlátozó
230/400V TN-S rendszerekhez, beépítési méretek: 4 modul
2.típusú SPD az MSZ EN 61643-11 szabvány szerint
Hibajelzés
Legnagyobb folyamatos üzemi feszültség: 275 V AC
Védelmi feszültségszint: <= 1,5 kV
Névleges levezetési áram: 20 kA
Névleges zárlati áram: 50 kAeff
Energetikailag koordinált az MSZ EN 62305-4 szabvány szerint
a Red/Line termékcsalád levezetőivel

Gyártó: DEHN
Típus: DG M TNS 275
Cikksz.: 952400
vagy egyenértékű.

Tanúsítványok

 

Műszaki adatok

SPD típus/osztály az MSZ EN 61643-11 / ... IEC 61643-11 alapján 2.típus / II.osztály
Legnagyobb folyamatos üzemi feszültség AC (UC ) 275 V (50 / 60 Hz)
Névleges levezetési áram (8/20 µs) (In ) 20 kA
Maximális levezetési áram (8/20 µs) (Imax ) 40 kA
Védelmi feszültségszint [L-PE]/[N-PE] (UP ) ≤ 1,5 / ≤ 1,5 kV
Max. hálózatoldali túláramvédelem 125 A gG
Tanúsítványok KEMA, VDE, UL

A 952400 termék hozzá lett adva a jegyzettömbhöz.

A 952400 terméket hozzáadtuk a kosárhoz.

Webshop indítása

DEHNguard M TNS ... FM

Moduláris túlfeszültség-védelmi készülékek TN-S rendszerekhez (4+0 kapcsolás); potenciálfüggetlen érintkezővel.

1 Termék

Cikkszám 952405 DG M TNS 275 FM

GTIN 4013364108462, Vámtarifa szám (EU): 85363030, Bruttó súly: 479.00 g, PU: 1.00 db.

Kifutott termék:

Képek

További információ

DEHNguard M TNS 275 FM túlfeszültség-korlátozó
Moduláris és dugaszolható háromfázisú túlfeszültség-korlátozó
230/400V TN-S rendszerekhez, beépítési méretek: 4 modul
távjelző érintkezővel
2.típusú SPD az MSZ EN 61643-11 szabvány szerint
Hibajelzés
Legnagyobb folyamatos üzemi feszültség: 275 V AC
Védelmi feszültségszint: <= 1,5 kV
Névleges levezetési áram: 20 kA
Névleges zárlati áram: 50 kAeff
Energetikailag koordinált az MSZ EN 62305-4 szabvány szerint
a Red/Line termékcsalád levezetőivel

Gyártó: DEHN
Típus: DG M TNS 275 FM
Cikksz.: 952405
vagy egyenértékű.

Tanúsítványok

 

Műszaki adatok

SPD típus/osztály az MSZ EN 61643-11 / ... IEC 61643-11 alapján 2.típus / II.osztály
Legnagyobb folyamatos üzemi feszültség AC (UC ) 275 V (50 / 60 Hz)
Névleges levezetési áram (8/20 µs) (In ) 20 kA
Maximális levezetési áram (8/20 µs) (Imax ) 40 kA
Védelmi feszültségszint [L-PE]/[N-PE] (UP ) ≤ 1,5 / ≤ 1,5 kV
Max. hálózatoldali túláramvédelem 125 A gG
Tanúsítványok KEMA, VDE, UL
Jelzőérintkező / Érintkezőtípus váltóérintkező

A 952405 termék hozzá lett adva a jegyzettömbhöz.

A 952405 terméket hozzáadtuk a kosárhoz.

Webshop indítása

DEHNguard M TT ...

Moduláris túlfeszültség-védelmi készülék TT- és TN-S rendszerekhez (3+1-es kapcsolás).

1 Termék

Cikkszám 952310 DG M TT 275

GTIN 4013364108479, Vámtarifa szám (EU): 85363030, Bruttó súly: 435.03 g, PU: 1.00 db.

Kifutott termék:

Képek

További információ

DEHNguard M TT 275 túlfeszültség-korlátozó
Négypólusú, moduláris, dugaszolható túlfeszültség-korlátozó
230/400V TT- és TN-S rendszerekhez, beépítési méretek: 4 modul
2.típusú SPD az MSZ EN 61643-11 szabvány szerint
Hibajelzés
Legnagyobb folyamatos üzemi feszültség: 275 V AC
Védelmi feszültségszint: <= 1,25 kV
Névleges levezetési áram: 20 kA
Névleges zárlati áram: 50 kAeff
Energetikailag koordinált az MSZ EN 62305-4 szabvány szerint
a Red/Line termékcsalád levezetőivel

Gyártó: DEHN
Típus: DG M TT 275
Cikksz.: 952310
vagy egyenértékű.

Tanúsítványok

 

Műszaki adatok

SPD típus/osztály az MSZ EN 61643-11 / ... IEC 61643-11 alapján 2.típus / II.osztály
Legnagyobb folyamatos üzemi feszültség AC [L-N] (UC ) 275 V (50 / 60 Hz)
Névleges levezetési áram (8/20 µs) (In ) 20 kA
Maximális levezetési áram (8/20 µs) (Imax ) 40 kA
Védelmi feszültségszint [L-N]/[N-PE] (UP ) ≤ 1,5 / ≤ 1,5 kV
Max. hálózatoldali túláramvédelem 125 A gG
Tanúsítványok KEMA, VDE, UL

A 952310 termék hozzá lett adva a jegyzettömbhöz.

A 952310 terméket hozzáadtuk a kosárhoz.

Webshop indítása

DEHNguard M TT ... FM

Moduláris túlfeszültség-védelmi készülék TT- és TN-S rendszerekhez (3+1-es kapcsolás); potenciálfüggetlen távjelző érintkezővel.

2 Termékek

Cikkszám 952315 DG M TT 275 FM

GTIN 4013364108486, Vámtarifa szám (EU): 85363030, Bruttó súly: 441.30 g, PU: 1.00 db.

Kifutott termék:

Képek

További információ

DEHNguard M TT 275 FM túlfeszültség-korlátozó
Négypólusú, moduláris, dugaszolható túlfeszültség-korlátozó
230/400V TT- és TN-S rendszerekhez, beépítési méretek: 4 modul
távjelző érintkezővel
2.típusú SPD az MSZ EN 61643-11 szabvány szerint
Hibajelzés
Legnagyobb folyamatos üzemi feszültség: 275 V AC
Védelmi feszültségszint: <= 1,25 kV
Névleges levezetési áram: 20 kA
Névleges zárlati áram: 50 kAeff
Energetikailag koordinált az MSZ EN 62305-4 szabvány szerint
a Red/Line termékcsalád levezetőivel

Gyártó: DEHN
Típus: DG M TT 275 FM
Cikksz.: 952315
vagy egyenértékű.

Tanúsítványok

 

Műszaki adatok

SPD típus/osztály az MSZ EN 61643-11 / ... IEC 61643-11 alapján 2.típus / II.osztály
Legnagyobb folyamatos üzemi feszültség AC [L-N] (UC ) 275 V (50 / 60 Hz)
Névleges levezetési áram (8/20 µs) (In ) 20 kA
Maximális levezetési áram (8/20 µs) (Imax ) 40 kA
Védelmi feszültségszint [L-N]/[N-PE] (UP ) ≤ 1,5 / ≤ 1,5 kV
Max. hálózatoldali túláramvédelem 125 A gG
Tanúsítványok KEMA, VDE, UL
Jelzőérintkező / Érintkezőtípus váltóérintkező

A 952315 termék hozzá lett adva a jegyzettömbhöz.

A 952315 terméket hozzáadtuk a kosárhoz.

Webshop indítása

Cikkszám 952332 DG M TT 385/305 FM

GTIN 4013364469945, Vámtarifa szám (EU): 85363030, Bruttó súly: 464.30 g, PU: 1.00 db.


Képek

További információ

Túlfeszültség-korlátozó DEHNguard M TT 385/305 FM
4 pólusú, moduláris, dugaszolható túlfeszültség-korlátozó
TT- és TN-S rendszerekhez, szélesség: 4 modul
távjelző érintkezővel
2. típusú levezető az MSZ EN 61643-11 szerint
Hibajelzés
Legmagasabb tartós feszültség: 385 V AC
Védelmi feszültségszint: <= 1,75 kV
Névleges levezetési lökőáram: 20 kA
Névleges zárlati szilárdság: 25 kAeff
Energetikai koordináció az DIN EN 62305-4 szerint
Red/Line-család levezetője

Gyártó: DEHN
Típus: DG M TT 385/305 FM
Cikksz.: 952332
vagy egyenértékű.

Tanúsítványok

 

Műszaki adatok

SPD típus/osztály az MSZ EN 61643-11 / ... IEC 61643-11 alapján 2.típus / II.osztály
Legnagyobb folyamatos üzemi feszültség AC [L-N] (UC ) 385 V (50 / 60 Hz)
Névleges levezetési áram (8/20 µs) (In ) 20 kA
Maximális levezetési áram (8/20 µs) (Imax ) 40 kA
Védelmi feszültségszint [L-N]/[N-PE] (UP ) ≤ 1,75 / ≤ 1,5 kV
Max. hálózatoldali túláramvédelem 125 A gG
Tanúsítványok UL
Jelzőérintkező / Érintkezőtípus váltóérintkező

A 952332 termék hozzá lett adva a jegyzettömbhöz.

A 952332 terméket hozzáadtuk a kosárhoz.

Webshop indítása

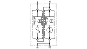
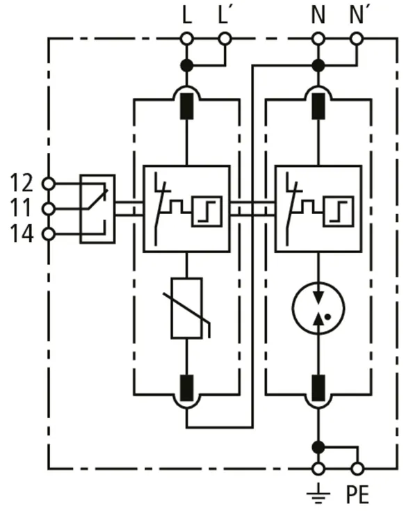
DEHNguard M H TT ... (FM)

Moduláris túlfeszültség-védelmi készülék nagy N-PE áramút levezetési képességgel TT és TN-S rendszerekhez (3+1 kapcsolás); teljesíti az új VDE 0100-534 szabvány emelkedett követelményeit a kisfeszültségű rendszerek betáplálására vonatkozóan; potenciálfüggetlen váltóérintkező.

2 Termékek

Cikkszám 952381 DG M H TT 275

GTIN 4013364318144, Vámtarifa szám (EU): 85363030, Bruttó súly: 435.03 g, PU: 1.00 db.


Képek

További információ

DEHNguard M H TT 275 túlfeszültség-korlátozó
Moduláris és dugaszolható négypólusú túlfeszültség-korlátozó
megnövelt levezetési képességgel
230/400V TT- és TN-S rendszerekhez, beépítési méretek: 4 modul
2.típusú SPD az MSZ EN 61643-11 szabvány szerint
Hibajelzés
Legnagyobb folyamatos üzemi feszültség: 275 V AC
Védelmi feszültségszint: <= 1,5 kV
Névleges levezetési áram [L-N]: 20 kA
Névleges levezetési áram [N-PE]: 80 kA
Névleges zárlati áram: 50 kAeff
Energetikailag koordinált az MSZ EN 62305-4 szabvány szerint
a Red/Line termékcsalád levezetőivel

Gyártó: DEHN
Típus: DG M H TT 275
Cikksz.: 952381
vagy egyenértékű.

Tanúsítványok

 

Műszaki adatok

SPD típus/osztály az MSZ EN 61643-11 / ... IEC 61643-11 alapján 2.típus / II.osztály
Legnagyobb folyamatos üzemi feszültség AC [L-N] (UC ) 275 V (50 / 60 Hz)
Névleges levezetési áram (8/20 µs) [L-N] (In ) 20 kA
Névleges levezetési áram (8/20 µs) [N-PE] (In ) 80 kA
Maximális levezetési áram (8/20 µs) [L-N] (Imax ) 40 kA
Maximális levezetési áram (8/20 µs) [N-PE] (Imax ) 120 kA
Védelmi feszültségszint [L-N]/[N-PE] (UP ) ≤ 1,5 / ≤ 1,5 kV
Max. hálózatoldali túláramvédelem 125 A gG
Tanúsítványok KEMA

A 952381 termék hozzá lett adva a jegyzettömbhöz.

A 952381 terméket hozzáadtuk a kosárhoz.

Webshop indítása

Cikkszám 952385 DG M H TT 275 FM

GTIN 4013364318137, Vámtarifa szám (EU): 85363030, Bruttó súly: 441.30 g, PU: 1.00 db.


Képek

További információ

DEHNguard M H TT 275 FM túlfeszültség-korlátozó
Moduláris és dugaszolható négypólusú túlfeszültség-korlátozó
megnövelt levezetési képességgel
230/400V TT- és TN-S rendszerekhez, beépítési méretek: 4 modul
távjelző érintkezővel
2.típusú SPD az MSZ EN 61643-11 szabvány szerint
Hibajelzés
Legnagyobb folyamatos üzemi feszültség: 275 V AC
Védelmi feszültségszint: <= 1,5 kV
Névleges levezetési áram [L-N]: 20 kA
Névleges levezetési áram [N-PE]: 80 kA
Névleges zárlati áram: 50 kAeff
Energetikailag koordinált az MSZ EN 62305-4 szabvány szerint
a Red/Line termékcsalád levezetőivel

Gyártó: DEHN
Típus: DG M H TT 275 FM
Cikksz.: 952385
vagy egyenértékű.

Tanúsítványok

 

Műszaki adatok

SPD típus/osztály az MSZ EN 61643-11 / ... IEC 61643-11 alapján 2.típus / II.osztály
Legnagyobb folyamatos üzemi feszültség AC [L-N] (UC ) 275 V (50 / 60 Hz)
Névleges levezetési áram (8/20 µs) [L-N] (In ) 20 kA
Névleges levezetési áram (8/20 µs) [N-PE] (In ) 80 kA
Maximális levezetési áram (8/20 µs) [L-N] (Imax ) 40 kA
Maximális levezetési áram (8/20 µs) [N-PE] (Imax ) 120 kA
Védelmi feszültségszint [L-N]/[N-PE] (UP ) ≤ 1,5 / ≤ 1,5 kV
Max. hálózatoldali túláramvédelem 125 A gG
Tanúsítványok KEMA
Jelzőérintkező / Érintkezőtípus váltóérintkező

A 952385 termék hozzá lett adva a jegyzettömbhöz.

A 952385 terméket hozzáadtuk a kosárhoz.

Webshop indítása

DEHNguard M TN ...

Moduláris túlfeszültség-védelmi készülék egyfázisú TN rendszerekhez (2+0 kapcsolás).

1 Termék

Cikkszám 952200 DG M TN 275

GTIN 4013364108394, Vámtarifa szám (EU): 85363030, Bruttó súly: 244.60 g, PU: 1.00 db.

Kifutott termék:

Képek

További információ

DEHNguard M TN 275 túlfeszültség-korlátozó
Kétpólusú, moduláris, dugaszolható túlfeszültség-korlátozó
egyfázisú TN rendszerekhez, beépítési méretek: 2 modul
2.típusú SPD az MSZ EN 61643-11 szabvány szerint
Hibajelzés
Legnagyobb folyamatos üzemi feszültség: 275 V AC
Védelmi feszültségszint: <= 1,5 kV
Névleges levezetési áram: 20 kA
Névleges zárlati áram: 50 kAeff
Energetikailag koordinált az MSZ EN 62305-4 szabvány szerint
a Red/Line termékcsalád levezetőivel

Gyártó: DEHN
Típus: DG M TN 275
Cikksz.: 952200
vagy egyenértékű.

Tanúsítványok

 

Műszaki adatok

SPD típus/osztály az MSZ EN 61643-11 / ... IEC 61643-11 alapján 2.típus / II.osztály
Legnagyobb folyamatos üzemi feszültség AC (UC ) 275 V (50 / 60 Hz)
Névleges levezetési áram (8/20 µs) (In ) 20 kA
Maximális levezetési áram (8/20 µs) (Imax ) 40 kA
Védelmi feszültségszint [L-PE]/[N-PE] (UP ) ≤ 1,5 / ≤ 1,5 kV
Max. hálózatoldali túláramvédelem 125 A gG
Tanúsítványok KEMA, VDE, UL, ATEX, IECEx

A 952200 termék hozzá lett adva a jegyzettömbhöz.

A 952200 terméket hozzáadtuk a kosárhoz.

Webshop indítása

DEHNguard M TN ... FM

Moduláris túlfeszültség-védelmi készülék egyfázisú TN rendszerekhez (2+0 kapcsolás); potenciálfüggetlen távjelző érintkezővel.

1 Termék

Cikkszám 952205 DG M TN 275 FM

GTIN 4013364108400, Vámtarifa szám (EU): 85363030, Bruttó súly: 247.70 g, PU: 1.00 db.

Kifutott termék:

Képek

További információ

DEHNguard M TN 275 FM túlfeszültség-korlátozó
Kétpólusú, moduláris, dugaszolható túlfeszültség-korlátozó
egyfázisú TN rendszerekhez, beépítési méretek: 2 modul
távjelző érintkezővel
2.típusú SPD az MSZ EN 61643-11 szabvány szerint
Hibajelzés
Legnagyobb folyamatos üzemi feszültség: 275 V AC
Védelmi feszültségszint: <= 1,5 kV
Névleges levezetési áram: 20 kA
Névleges zárlati áram: 50 kAeff
Energetikailag koordinált az MSZ EN 62305-4 szabvány szerint
a Red/Line termékcsalád levezetőivel

Gyártó: DEHN
Típus: DG M TN 275 FM
Cikksz.: 952205
vagy egyenértékű.

Tanúsítványok

 

Műszaki adatok

SPD típus/osztály az MSZ EN 61643-11 / ... IEC 61643-11 alapján 2.típus / II.osztály
Legnagyobb folyamatos üzemi feszültség AC (UC ) 275 V (50 / 60 Hz)
Névleges levezetési áram (8/20 µs) (In ) 20 kA
Maximális levezetési áram (8/20 µs) (Imax ) 40 kA
Védelmi feszültségszint [L-PE]/[N-PE] (UP ) ≤ 1,5 / ≤ 1,5 kV
Max. hálózatoldali túláramvédelem 125 A gG
Tanúsítványok KEMA, VDE, UL, ATEX, IECEx
Jelzőérintkező / Érintkezőtípus váltóérintkező

A 952205 termék hozzá lett adva a jegyzettömbhöz.

A 952205 terméket hozzáadtuk a kosárhoz.

Webshop indítása

DEHNguard M H TT 2P ... (FM)

Moduláris túlfeszültség-védelmi készülék nagy N-PE áramút levezetési képességgel TT és TN rendszerekhez (1+1 kapcsolás); teljesíti az új VDE 0100-534 szabvány emelkedett követelményeit a kisfeszültségű rendszerek betáplálására vonatkozóan; potenciálfüggetlen váltóérintkezővel.

2 Termékek

Cikkszám 952181 DG M H TT 2P 275

GTIN 4013364318175, Vámtarifa szám (EU): 85363030, Bruttó súly: 244.10 g, PU: 1.00 db.


Képek

További információ

Túlfeszültség-korlátozó DEHNguard M H TT 2P 275
2 pólusú, moduláris, dugaszolható túlfeszültség-korlátozó
nagy levezető-képességgel
egyfázisú 230 V TT rendszerekhez, szélesség 2 modul
2. típusú levezető az MSZ EN 61643-11 szerint
Hibajelzés
Legmagasabb tartós feszültség: 275 V AC
Védelmi feszültségszint: <= 1,5 kV
Névleges levezetési lökőáram [L-N]: 20 kA
Névleges levezetési lökőáram [N-PE]: 80 kA
Névleges zárlati szilárdság: 25 kAeff
Energetikai koordináció az DIN EN 62305-4 szerint
Red/Line-család levezetője

Gyártó: DEHN
Típus: DG M H TT 2P 275
Cikksz.: 952181
vagy egyenértékű.

Tanúsítványok

 

Műszaki adatok

SPD típus/osztály az MSZ EN 61643-11 / ... IEC 61643-11 alapján 2.típus / II.osztály
Legnagyobb folyamatos üzemi feszültség AC [L-N] (UC ) 275 V (50 / 60 Hz)
Névleges levezetési áram (8/20 µs) [L-N] (In ) 20 kA
Névleges levezetési áram (8/20 µs) [N-PE] (In ) 80 kA
Maximális levezetési áram (8/20 µs) [L-N] (Imax ) 40 kA
Maximális levezetési áram (8/20 µs) [N-PE] (Imax ) 120 kA
Védelmi feszültségszint [L-N]/[N-PE] (UP ) ≤ 1,5 / ≤ 1,5 kV
Max. hálózatoldali túláramvédelem 125 A gG
Tanúsítványok KEMA

A 952181 termék hozzá lett adva a jegyzettömbhöz.

A 952181 terméket hozzáadtuk a kosárhoz.

Webshop indítása

Cikkszám 952185 DG M H TT 2P 275 FM

GTIN 4013364318151, Vámtarifa szám (EU): 85363030, Bruttó súly: 244.10 g, PU: 1.00 db.


Képek

További információ

DEHNguard M H TT 2P 275 FM túlfeszültség-korlátozó
Kétpólusú, moduláris, dugaszolható túlfeszültség-korlátozó
megnövelt levezetési képességgel
egyfázisú 230V TT- és TN rendszerekhez, beépítési méretek: 2 modul
távjelző érintkezővel
2.típusú SPD az MSZ EN 61643-11 szabvány szerint
Hibajelzés
Legnagyobb folyamatos üzemi feszültség: 275 V AC
Védelmi feszültségszint: <= 1,5 kV
Névleges levezetési áram [L-N]: 20 kA
Névleges levezetési áram [N-PE]: 80 kA
Névleges zárlati áram: 25 kAeff
Energetikailag koordinált az MSZ EN 62305-4 szabvány szerint
a Red/Line termékcsalád levezetőivel

Gyártó: DEHN
Típus: DG M H TT 2P 275 FM
Cikksz.: 952185
vagy egyenértékű.

Tanúsítványok

 

Műszaki adatok

SPD típus/osztály az MSZ EN 61643-11 / ... IEC 61643-11 alapján 2.típus / II.osztály
Legnagyobb folyamatos üzemi feszültség AC [L-N] (UC ) 275 V (50 / 60 Hz)
Névleges levezetési áram (8/20 µs) [L-N] (In ) 20 kA
Névleges levezetési áram (8/20 µs) [N-PE] (In ) 80 kA
Maximális levezetési áram (8/20 µs) [L-N] (Imax ) 40 kA
Maximális levezetési áram (8/20 µs) [N-PE] (Imax ) 120 kA
Védelmi feszültségszint [L-N]/[N-PE] (UP ) ≤ 1,5 / ≤ 1,5 kV
Max. hálózatoldali túláramvédelem 125 A gG
Tanúsítványok KEMA
Jelzőérintkező / Érintkezőtípus váltóérintkező

A 952185 termék hozzá lett adva a jegyzettömbhöz.

A 952185 terméket hozzáadtuk a kosárhoz.

Webshop indítása

DEHNguard M TT 2P ...

Moduláris túlfeszültség-védelmi készülék TT és TN rendszerekhez (1+1 kapcsolás).

1 Termék

Cikkszám 952110 DG M TT 2P 275

GTIN 4013364108417, Vámtarifa szám (EU): 85363030, Bruttó súly: 258.00 g, PU: 1.00 db.

Kifutott termék:

Képek

További információ

DEHNguard M TT 2P 275 túlfeszültség-korlátozó
Kétpólusú, moduláris, dugaszolható túlfeszültség-korlátozó
egyfázisú 230V TT- és TN rendszerekhez, beépítési méretek: 2 modul
2.típusú SPD az MSZ EN 61643-11 szabvány szerint
Hibajelzés
Legnagyobb folyamatos üzemi feszültség: 275 V AC
Védelmi feszültségszint: <= 1,5 kV
Névleges levezetési áram: 20 kA
Névleges zárlati áram: 50 kAeff
Energetikailag koordinált az MSZ EN 62305-4 szabvány szerint
a Red/Line termékcsalád levezetőivel

Gyártó: DEHN
Típus: DG M TT 2P 275
Cikksz.: 952110
vagy egyenértékű.

Tanúsítványok

 

Műszaki adatok

SPD típus/osztály az MSZ EN 61643-11 / ... IEC 61643-11 alapján 2.típus / II.osztály
Legnagyobb folyamatos üzemi feszültség AC [L-N] (UC ) 275 V (50 / 60 Hz)
Névleges levezetési áram (8/20 µs) (In ) 20 kA
Maximális levezetési áram (8/20 µs) (Imax ) 40 kA
Védelmi feszültségszint [L-N]/[N-PE] (UP ) ≤ 1,5 / ≤ 1,5 kV
Max. hálózatoldali túláramvédelem 125 A gG
Tanúsítványok KEMA, VDE, UL, ATEX, IECEx

A 952110 termék hozzá lett adva a jegyzettömbhöz.

A 952110 terméket hozzáadtuk a kosárhoz.

Webshop indítása

DEHNguard M TT 2P ... FM

Moduláris túlfeszültség-védelmi készülék TT és TN rendszerekhez (1+1 kapcsolás); potenciálfüggetlen távjelző érintkezővel.

1 Termék

Cikkszám 952115 DG M TT 2P 275 FM

GTIN 4013364108424, Vámtarifa szám (EU): 85363030, Bruttó súly: 244.10 g, PU: 1.00 db.

Kifutott termék:

Képek

További információ

DEHNguard M TT 2P 275 FM túlfeszültség-korlátozó
Kétpólusú, moduláris, dugaszolható túlfeszültség-korlátozó
egyfázisú 230V TT- és TN rendszerekhez, beépítési méretek: 2 modul
távjelző érintkezővel
2.típusú SPD az MSZ EN 61643-11 szabvány szerint
Hibajelzés
Legnagyobb folyamatos üzemi feszültség: 275 V AC
Védelmi feszültségszint: <= 1,5 kV
Névleges levezetési áram: 20 kA
Névleges zárlati áram: 50 kAeff
Energetikailag koordinált az MSZ EN 62305-4 szabvány szerint
a Red/Line termékcsalád levezetőivel

Gyártó: DEHN
Típus: DG M TT 2P 275 FM
Cikksz.: 952115
vagy egyenértékű.

Tanúsítványok

 

Műszaki adatok

SPD típus/osztály az MSZ EN 61643-11 / ... IEC 61643-11 alapján 2.típus / II.osztály
Legnagyobb folyamatos üzemi feszültség AC [L-N] (UC ) 275 V (50 / 60 Hz)
Névleges levezetési áram (8/20 µs) (In ) 20 kA
Maximális levezetési áram (8/20 µs) (Imax ) 40 kA
Védelmi feszültségszint [L-N]/[N-PE] (UP ) ≤ 1,5 / ≤ 1,5 kV
Max. hálózatoldali túláramvédelem 125 A gG
Tanúsítványok KEMA, VDE, UL, ATEX, IECEx
Jelzőérintkező / Érintkezőtípus váltóérintkező

A 952115 termék hozzá lett adva a jegyzettömbhöz.

A 952115 terméket hozzáadtuk a kosárhoz.

Webshop indítása

DEHNguard M WE ... (FM)

Moduláris túlfeszültség-védelmi készülék (3+0 kapcsolás) Umov = 750 V AC névleges varisztor feszültséggel.; FM változat potenciálfüggetlen távjelző érintkezővel.

2 Termékek

Cikkszám 952302 DG M WE 600

GTIN 4013364113305, Vámtarifa szám (EU): 85363030, Bruttó súly: 406.60 g, PU: 1.00 db.

Kifutott termék:

Képek

További információ

DEHNguard M WE 600 túlfeszültség-korlátozó
Moduláris és dugaszolható hárompólusú túlfeszültségkorlátozó
szélerőművekhez
400/690 V TN-C rendszerehez, Beépítési méretek: 3 modul
Rövidtávú feszültségingadozások figyelembevétele a magasabb feszültségszintű
varisztor használatával (Umov)
2.típusú SPD az MSZ EN 61643-11 szabvány szerint
Hibajelzés
Legnagyobb folyamatos üzemi feszültség: 600 V AC
Névleges varisztor feszültség: 750 V AC
Védelmi feszültségszint: <= 3 kV
Védelmi feszültségszint 5 kA-on: <= 2.5 kV
Névleges levezetési áram: 15 kA
Névleges zárlati áram: 25 kAeff
Energetikailag koordinált az MSZ EN 62305-4 szabvány szerint
a Red/Line termékcsalád levezetőivel

Gyártó: DEHN
Típus: DG M WE 600
Cikksz.: 952302
vagy egyenértékű.

Tanúsítványok

 

Műszaki adatok

SPD típus/osztály az MSZ EN 61643-11 / ... IEC 61643-11 alapján 2.típus / II.osztály
Legnagyobb folyamatos üzemi feszültség AC (UC ) 600 V (50 / 60 Hz)
Varisztor névleges feszültség AC (Umov ) 750 V
Névleges levezetési áram (8/20 µs) (In ) 15 kA
Maximális levezetési áram (8/20 µs) (Imax ) 25 kA
Védelmi feszültségszint (UP ) ≤ 3 kV
Max. hálózatoldali túláramvédelem 100 A gG
Tanúsítványok KEMA, UL

A 952302 termék hozzá lett adva a jegyzettömbhöz.

A 952302 terméket hozzáadtuk a kosárhoz.

Webshop indítása

Cikkszám 952307 DG M WE 600 FM

GTIN 4013364113312, Vámtarifa szám (EU): 85363030, Bruttó súly: 409.50 g, PU: 1.00 db.

Kifutott termék:

Képek

További információ

Túlfeszültség-korlátozó DEHNguard M WE 600 FM
3 pólusú, moduláris, dugaszolható túlfeszültség-korlátozó
szélerőművek számára, alkalmazás
400/690 V TN-C rendszerekben, 3 modul széles
távjelző érintkezővel
Időszakos feszültségingadozások figyelembe vétele
megnövelt varisztor névleges feszültséggel Umov
2. típusú levezető az MSZ EN 61643-11 szerint
Hibajelzés
Legmagasabb tartós feszültség: 600 V AC
Varisztor névleges feszültség: 750 V AC
Védelmi feszültségszint: <= 3 kV
Névleges levezetési lökőáram: 15 kA
Névleges zárlati szilárdság: 25 kAeff
Energetikai koordináció az DIN EN 62305-4 szerint
Red/Line-család levezetője

Gyártó: DEHN
Típus: DG M WE 600 FM
Cikksz.: 952307
vagy egyenértékű.

Tanúsítványok

 

Műszaki adatok

SPD típus/osztály az MSZ EN 61643-11 / ... IEC 61643-11 alapján 2.típus / II.osztály
Legnagyobb folyamatos üzemi feszültség AC (UC ) 600 V (50 / 60 Hz)
Varisztor névleges feszültség AC (Umov ) 750 V
Névleges levezetési áram (8/20 µs) (In ) 15 kA
Maximális levezetési áram (8/20 µs) (Imax ) 25 kA
Védelmi feszültségszint (UP ) ≤ 3 kV
Max. hálózatoldali túláramvédelem 100 A gG
Tanúsítványok KEMA, UL
Jelzőérintkező / Érintkezőtípus váltóérintkező

A 952307 termék hozzá lett adva a jegyzettömbhöz.

A 952307 terméket hozzáadtuk a kosárhoz.

Webshop indítása

back to top