DEHNguard S ... VA

  • Univerzális túlfeszültség-korlátozó, mely alapmodulból és dugaszolható védőmodulból áll
  • Szivárgóárammentes soros varisztor-szikraköz kapcsolás a dugaszolható védőmodulban
  • Nagy készülékbiztonság a „Thermo Dynamic Control” levezető-felügyeletnek köszönhetően
  • Energetikailag koordinált a Red/Line termékcsaládon belül
  • Egyszerű, szerszámmentes védőmodulcsere modulreteszelő rendszer következtében modul reteszelésoldó gombbal
  • Keskeny (moduláris) kivitel a DIN 43880 szabvány szerint
  • Többfunkciós bekötési lehetőség kábellel és fésűsínnel
  • Rezgés- és ütésállóság az MSZ EN 60068-2 szabvány szerint

DEHNguard S VA

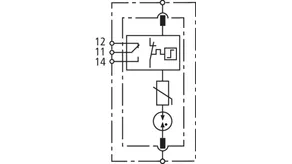
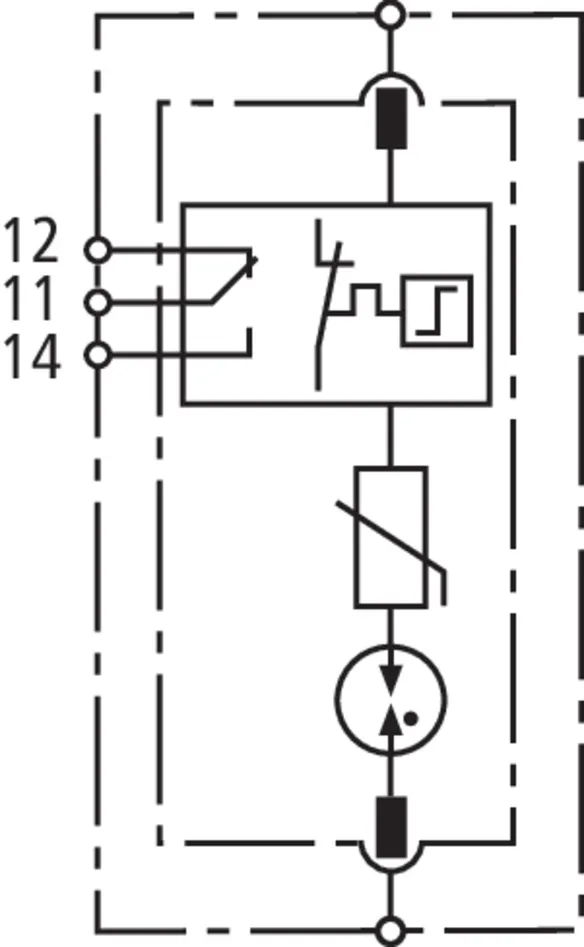
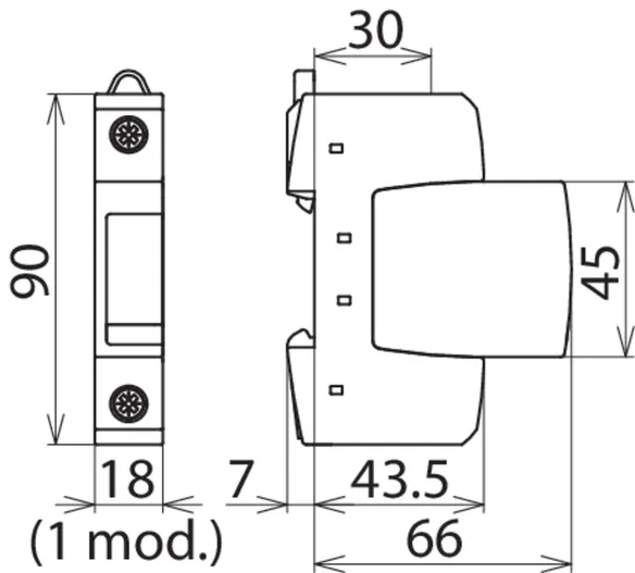
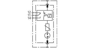
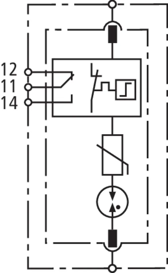
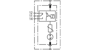
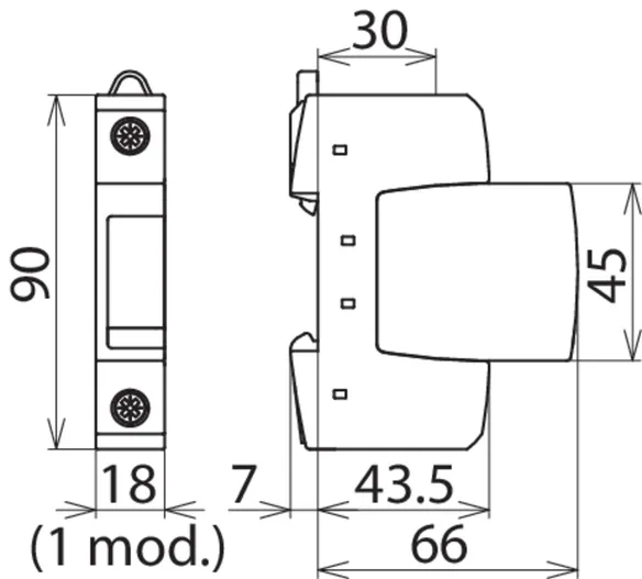
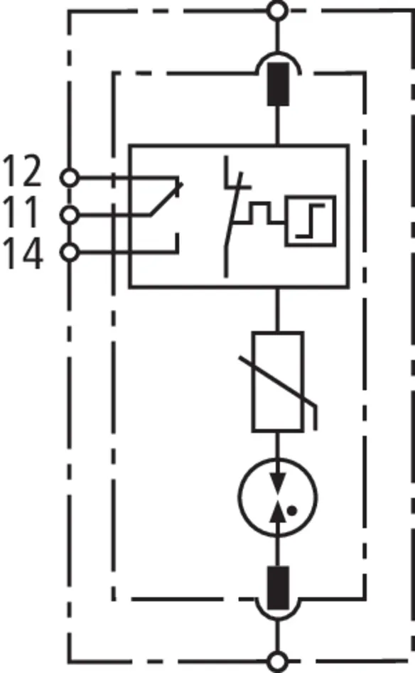
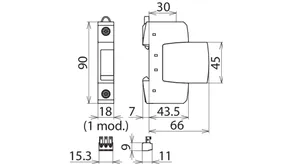
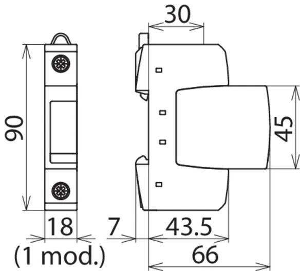
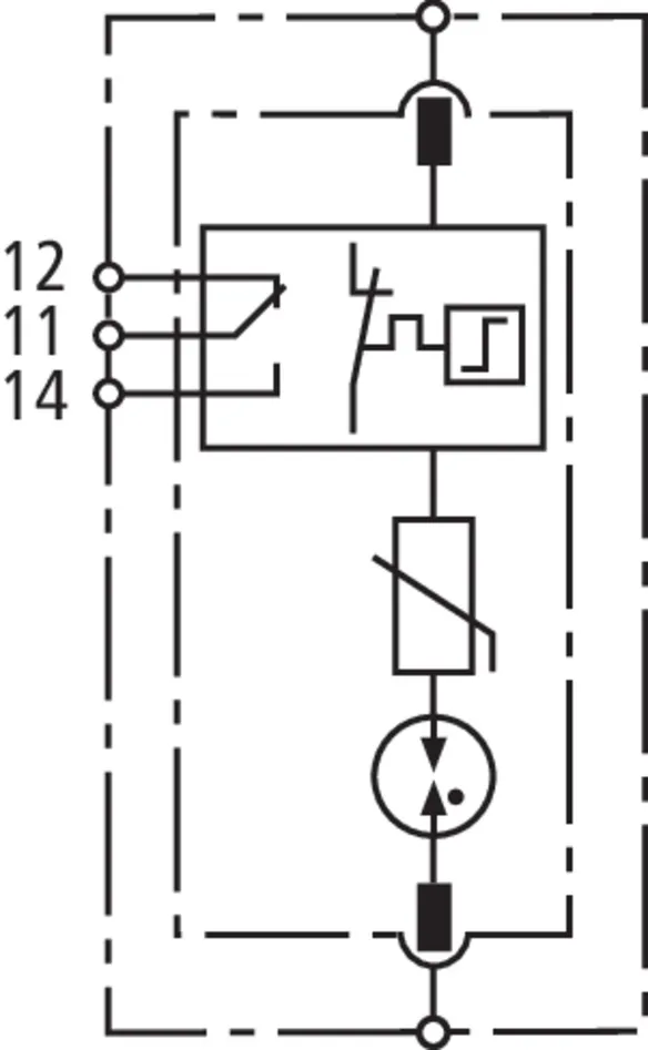
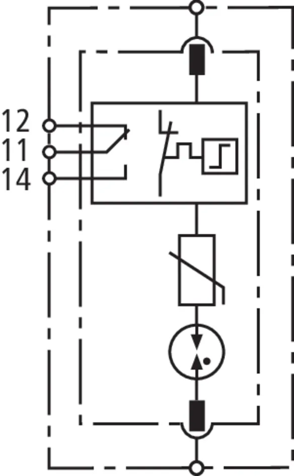
Moduláris egypólusú túlfeszültség-védelmi készülék soros varisztor-szikraköz megoldással a dugaszolható védelmi modulban.

3 Termékek

Cikkszám 952080 DG S 75 VA

GTIN 4013364127296, Vámtarifa szám (EU): 85363030, Bruttó súly: 118.00 g, PU: 1.00 db.

Kifutott termék:

Képek

További információ

DEHNguard S 75 VA túlfeszültség-korlátozó
Moduláris és dugaszolható egypólusú túlfeszültség-korlátozó
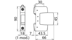
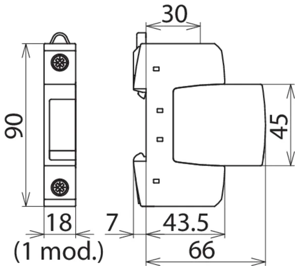
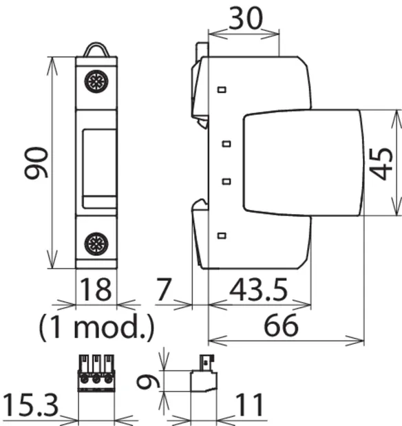
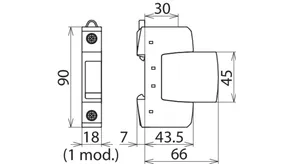
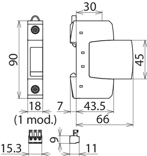
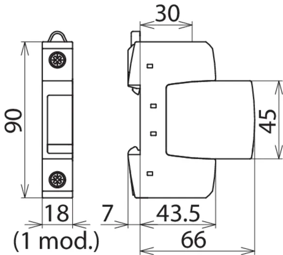
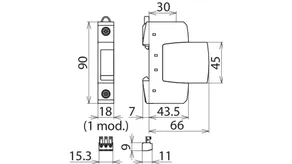
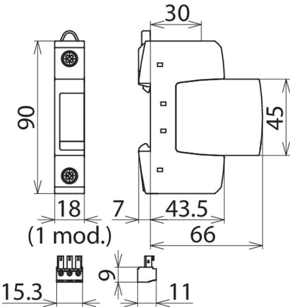
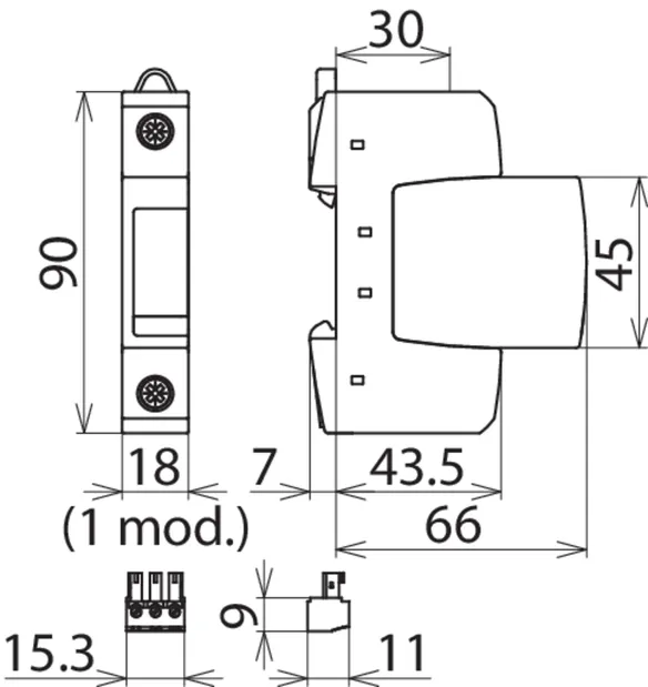
Beépítési méretek: 1 modul, hibajelzés
Szivárgóárammentes varisztor-szikraköz soros kapcsolás
Legnagyobb folyamatos üzemi feszültség: 75 V AC /100 V DC
Védelmi feszültségszint: <= 1,1 kV
Névleges levezetési áram: 10 kA
Névleges zárlati áram: 25 kArms
Energetikailag koordinált MSZ EN 62305-4
szabvány szerint a Red/Line termékcsalád levezetőivel

Gyártó: DEHN
Típus: DG S 75 VA
Cikksz.: 952080
vagy egyenértékű.

Tanúsítványok

 

Műszaki adatok

SPD típus/osztály az MSZ EN 61643-11 / ... IEC 61643-11 alapján 2.típus / II.osztály
Legnagyobb folyamatos üzemi feszültség AC (UC ) 75 V (50 / 60 Hz)
Névleges levezetési áram (8/20 µs) (In ) 10 kA
Maximális levezetési áram (8/20 µs) (Imax ) 20 kA
Védelmi feszültségszint (UP ) ≤ 1,1 kV
Max. hálózatoldali túláramvédelem 100 A gG

A 952080 termék hozzá lett adva a jegyzettömbhöz.

A 952080 terméket hozzáadtuk a kosárhoz.

Webshop indítása

Cikkszám 952082 DG S 275 VA

GTIN 4013364127319, Vámtarifa szám (EU): 85363030, Bruttó súly: 123.40 g, PU: 1.00 db.

Kifutott termék:

Képek

További információ

DEHNguard S 275 VA túlfeszültség-korlátozó
Moduláris és dugaszolható egypólusú túlfeszültség-korlátozó
Beépítési méretek: 1 modul, hibajelzés
Szivárgóárammentes varisztor-szikraköz soros kapcsolás
Legnagyobb folyamatos üzemi feszültség: 275 V AC /350 V DC
Védelmi feszültségszint: <= 1,5 kV
Névleges levezetési áram: 10 kA
Névleges zárlati áram: 25 kAeff
Energetikailag koordinált MSZ EN 62305-4
szabvány szerint a Red/Line termékcsalád levezetőivel

Gyártó: DEHN
Típus: DG S 275 VA
Cikksz.: 952082
vagy egyenértékű.

Tanúsítványok

 

Műszaki adatok

SPD típus/osztály az MSZ EN 61643-11 / ... IEC 61643-11 alapján 2.típus / II.osztály
Legnagyobb folyamatos üzemi feszültség AC (UC ) 275 V (50 / 60 Hz)
Névleges levezetési áram (8/20 µs) (In ) 10 kA
Maximális levezetési áram (8/20 µs) (Imax ) 20 kA
Védelmi feszültségszint (UP ) ≤ 1,5 kV
Max. hálózatoldali túláramvédelem 100 A gG

A 952082 termék hozzá lett adva a jegyzettömbhöz.

A 952082 terméket hozzáadtuk a kosárhoz.

Webshop indítása

Cikkszám 952084 DG S 385 VA

GTIN 4013364127333, Vámtarifa szám (EU): 85363030, Bruttó súly: 127.70 g, PU: 1.00 db.


Képek

További információ

DEHNguard S 385 VA túlfeszültség-korlátozó
Moduláris és dugaszolható egypólusú túlfeszültség-korlátozó
Beépítési méretek: 1 modul, hibajelzés
Szivárgóárammentes varisztor-szikraköz soros kapcsolás
Legnagyobb folyamatos üzemi feszültség: 385 V AC /500 V DC
Védelmi feszültségszint: <= 1,75 kV
Névleges levezetési áram: 10 kA
Névleges zárlati áram: 25 kArms
Energetikailag koordinált MSZ EN 62305-4
szabvány szerint a Red/Line termékcsalád levezetőivel

Gyártó: DEHN
Típus: DG S 385 VA
Cikksz.: 952084
vagy egyenértékű.

Tanúsítványok

 

Műszaki adatok

SPD típus/osztály az MSZ EN 61643-11 / ... IEC 61643-11 alapján 2.típus / II.osztály
Legnagyobb folyamatos üzemi feszültség AC (UC ) 385 V (50 / 60 Hz)
Névleges levezetési áram (8/20 µs) (In ) 10 kA
Maximális levezetési áram (8/20 µs) (Imax ) 20 kA
Védelmi feszültségszint (UP ) ≤ 1,75 kV
Max. hálózatoldali túláramvédelem 100 A gG

A 952084 termék hozzá lett adva a jegyzettömbhöz.

A 952084 terméket hozzáadtuk a kosárhoz.

Webshop indítása

DEHNguard S VA FM

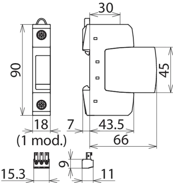
Moduláris egypólusú túlfeszültség-védelmi készülék soros varisztor-szikraköz megoldással a dugaszolható védelmi modulban; potenciálfüggetlen távjelző érintkezővel.

3 Termékek

Cikkszám 952085 DG S 75 VA FM

GTIN 4013364127302, Vámtarifa szám (EU): 85363030, Bruttó súly: 122.10 g, PU: 1.00 db.

Kifutott termék:

Képek

További információ

DEHNguard S 75 VA FM túlfeszültség-korlátozó
Moduláris és dugaszolható egypólusú túlfeszültség-korlátozó
Beépítési méretek: 1 modul, hibajelzés
távjelző érintkezővel
Szivárgóárammentes varisztor-szikraköz soros kapcsolás
Legnagyobb folyamatos üzemi feszültség: 75 V AC /100 V DC
Védelmi feszültségszint: <= 1,1 kV
Névleges levezetési áram: 10 kA
Névleges zárlati áram: 25 kArms
Energetikailag koordinált MSZ EN 62305-4
szabvány szerint a Red/Line termékcsalád levezetőivel

Gyártó: DEHN
Típus: DG S 75 VA FM
Cikksz.: 952085
vagy egyenértékű.

Tanúsítványok

 

Műszaki adatok

SPD típus/osztály az MSZ EN 61643-11 / ... IEC 61643-11 alapján 2.típus / II.osztály
Legnagyobb folyamatos üzemi feszültség AC (UC ) 75 V (50 / 60 Hz)
Névleges levezetési áram (8/20 µs) (In ) 10 kA
Maximális levezetési áram (8/20 µs) (Imax ) 20 kA
Védelmi feszültségszint (UP ) ≤ 1,1 kV
Max. hálózatoldali túláramvédelem 100 A gG

A 952085 termék hozzá lett adva a jegyzettömbhöz.

A 952085 terméket hozzáadtuk a kosárhoz.

Webshop indítása

Cikkszám 952087 DG S 275 VA FM

GTIN 4013364127326, Vámtarifa szám (EU): 85363030, Bruttó súly: 126.70 g, PU: 1.00 db.

Kifutott termék:

Képek

További információ

DEHNguard S 275 VA FM túlfeszültség-korlátozó
Moduláris és dugaszolható egypólusú túlfeszültség-korlátozó
Beépítési méretek: 1 modul, hibajelzés
távjelző érintkezővel
Szivárgóárammentes varisztor-szikraköz soros kapcsolás
Legnagyobb folyamatos üzemi feszültség: 275 V AC /350 V DC
Védelmi feszültségszint: <= 1,5 kV
Névleges levezetési áram: 10 kA
Névleges zárlati áram: 25 kAeff
Energetikailag koordinált MSZ EN 62305-4
szabvány szerint a Red/Line termékcsalád levezetőivel

Gyártó: DEHN
Típus: DG S 275 VA FM
Cikksz.: 952087
vagy egyenértékű.

Tanúsítványok

 

Műszaki adatok

SPD típus/osztály az MSZ EN 61643-11 / ... IEC 61643-11 alapján 2.típus / II.osztály
Legnagyobb folyamatos üzemi feszültség AC (UC ) 275 V (50 / 60 Hz)
Névleges levezetési áram (8/20 µs) (In ) 10 kA
Maximális levezetési áram (8/20 µs) (Imax ) 20 kA
Védelmi feszültségszint (UP ) ≤ 1,5 kV
Max. hálózatoldali túláramvédelem 100 A gG

A 952087 termék hozzá lett adva a jegyzettömbhöz.

A 952087 terméket hozzáadtuk a kosárhoz.

Webshop indítása

Cikkszám 952089 DG S 385 VA FM

GTIN 4013364127340, Vámtarifa szám (EU): 85363030, Bruttó súly: 131.70 g, PU: 1.00 db.


Képek

További információ

DEHNguard S 385 VA FM túlfeszültség-korlátozó
Moduláris és dugaszolható egypólusú túlfeszültség-korlátozó
Beépítési méretek: 1 modul, hibajelzés
távjelző érintkezővel
Szivárgóárammentes varisztor-szikraköz soros kapcsolás
Legnagyobb folyamatos üzemi feszültség: 385 V AC /500 V DC
Védelmi feszültségszint: <= 1,75 kV
Névleges levezetési áram: 10 kA
Névleges zárlati áram: 25 kArms
Energetikailag koordinált MSZ EN 62305-4
szabvány szerint a Red/Line termékcsalád levezetőivel

Gyártó: DEHN
Típus: DG S 385 VA FM
Cikksz.: 952089
vagy egyenértékű.

Tanúsítványok

 

Műszaki adatok

SPD típus/osztály az MSZ EN 61643-11 / ... IEC 61643-11 alapján 2.típus / II.osztály
Legnagyobb folyamatos üzemi feszültség AC (UC ) 385 V (50 / 60 Hz)
Névleges levezetési áram (8/20 µs) (In ) 10 kA
Maximális levezetési áram (8/20 µs) (Imax ) 20 kA
Védelmi feszültségszint (UP ) ≤ 1,75 kV
Max. hálózatoldali túláramvédelem 100 A gG

A 952089 termék hozzá lett adva a jegyzettömbhöz.

A 952089 terméket hozzáadtuk a kosárhoz.

Webshop indítása

back to top