DEHNcord
:quality(98)/www.dehn.hu/store/f/62363469/HDVORSCHAU/900445a1_16-9.jpg)
:quality(98)/www.dehn.hu/store/f/62363469/HDVORSCHAU/900445a1_16-9.jpg)
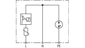
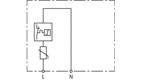
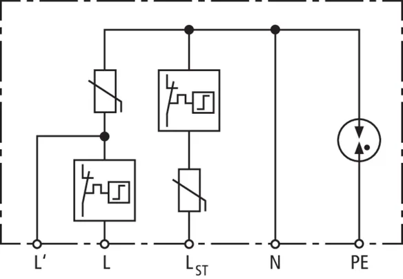
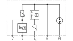
- Egypólusú, kétpólusú vagy hárompólusú túlfeszültség-védelmi készülék felügyeleti eszközzel és leválasztó eszközzel
- Vizuális hibajelzés
- Változatok beépített fogyasztói áramkör megszakítással vezérlőfázis meghibásodása esetén
- Kompakt kivitel kültéri használatra is
- Kábelcsatlakozó dobozokban, padlóburkolatokban, kábelcsatornákban egyéb eszközszerelési dobozokban való használatra
Details
:quality(98)/www.dehn.hu/store/f/62363470/HDVORSCHAU/900447a2.jpg)
:quality(98)/www.dehn.hu/store/f/62363470/HDVORSCHAU/900447a2.jpg)
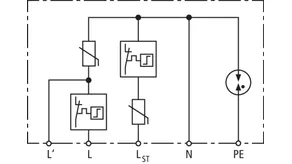
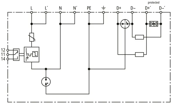
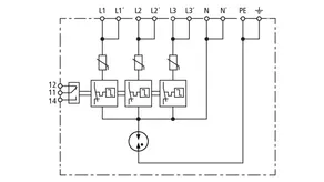
Cikkszám 900439 DCOR 3P TT 275 FM
GTIN 4013364436053, Vámtarifa szám (EU): 85363030, Bruttó súly: 129.38 g, PU: 1.00 db.
Műszaki adatok
SPD típus/osztály az MSZ EN 61643-11 / ... IEC 61643-11 alapján | 2.típus +3.típus / II. osztály + III.osztály |
Legnagyobb folyamatos üzemi feszültség AC [L-N] (UC ) | 275 V (50 / 60 Hz) |
Legnagyobb folyamatos üzemi feszültség DC (UC ) | 350 V |
Névleges levezetési áram (8/20 µs) [L-N] (In ) | 10 kA |
Maximális levezetési áram (8/20 µs) [L-N] (Imax ) | 20 kA |
Névleges levezetési áram (8/20 µs) [N-PE] (In ) | 10 kA |
Maximális levezetési áram (8/20 µs) [N-PE] (Imax ) | 40 kA |
Védelmi feszültségszint [L-N] (UP ) | ≤ 1,5 kV |
Védelmi feszültségszint [N-PE] (UP ) | ≤ 1,5 kV |
Tanúsítványok | KEMA |
Cikkszám 900438 DCOR 1P 275 D FM
GTIN 4013364526891, Vámtarifa szám (EU): 85363030, Bruttó súly: 86.27 g, PU: 1.00 db.
Műszaki adatok
Műszaki adatok | |
SPD típus/osztály az MSZ EN 61643-11 / ... IEC 61643-11 alapján | 2.típus +3.típus / II. osztály + III.osztály |
Legnagyobb folyamatos üzemi feszültség AC [L-N] (UC ) | 275 V (50 / 60 Hz) |
Legnagyobb folyamatos üzemi feszültség DC (UC ) | 350 V |
Névleges levezetési áram (8/20 µs) [L-N] (In ) | 10 kA |
Maximális levezetési áram (8/20 µs) [L-N] (Imax ) | 20 kA |
Névleges levezetési áram (8/20 µs) [N-PE] (In ) | 10 kA |
Maximális levezetési áram (8/20 µs) [N-PE] (Imax ) | 40 kA |
Védelmi feszültségszint [L-N] (UP ) | ≤ 1,5 kV |
Védelmi feszültségszint [N-PE] (UP ) | ≤ 1,5 kV |
Tanúsítványok | KEMA |
Műszaki adatok jelző oldal | |
SPD osztály | U |
Névleges feszültség DC (UN ) | 24 V |
Legnagyobb tartós üzemi feszültség DC (UC ) | 28 V |
C2 névleges levezetési áram (8/20 µs) összesen (In ) | 10 kA |
Soros ellenállás erenként | 1,8 Ohm |
Határfrekvencia ér-ér (100 ohm) (fG ) | 10 MHz |
Cikkszám 900430 DCOR L 2P 275
GTIN 4013364157286, Vámtarifa szám (EU): 85363030, Bruttó súly: 73.00 g, PU: 1.00 db.
Műszaki adatok
SPD típus/osztály az MSZ EN 61643-11 / ... IEC 61643-11 alapján | 2.típus / II.osztály |
Legnagyobb folyamatos üzemi feszültség AC [L-N] (UC ) | 275 V (50 / 60 Hz) |
Névleges levezetési áram (8/20 µs) (In ) | 5 kA |
Legnagyobb levezetési áram (8/20 µs) (Imax ) | 10 kA |
Védelmi feszültségszint [L-N] (UP ) | ≤ 1,5 kV |
Védelmi feszültségszint [N-PE] (UP ) | ≤ 1,5 kV |
Legnagyobb hálózatoldali túláramvédelem | 25 A gG |
Tanúsítványok | KEMA |
Cikkszám 900432 DCOR L 2P 320
GTIN 4013364157309, Vámtarifa szám (EU): 85363030, Bruttó súly: 74.00 g, PU: 1.00 db.
Műszaki adatok
SPD típus/osztály az MSZ EN 61643-11 / ... IEC 61643-11 alapján | 2.típus / II.osztály |
Legnagyobb folyamatos üzemi feszültség AC [L-N] (UC ) | 320 V (50 / 60 Hz) |
Névleges levezetési áram (8/20 µs) (In ) | 5 kA |
Legnagyobb levezetési áram (8/20 µs) (Imax ) | 10 kA |
Védelmi feszültségszint [L-N] (UP ) | ≤ 1,75 kV |
Védelmi feszültségszint [N-PE] (UP ) | ≤ 1,5 kV |
Legnagyobb hálózatoldali túláramvédelem | 25 A gG |
Tanúsítványok | KEMA |
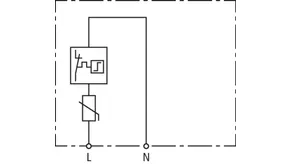
Cikkszám 900431 DCOR L 1P 275
GTIN 4013364310827, Vámtarifa szám (EU): 85363030, Bruttó súly: 60.00 g, PU: 1.00 db.
Műszaki adatok
SPD típus/osztály az MSZ EN 61643-11 / ... IEC 61643-11 alapján | 2.típus / II.osztály |
Legnagyobb folyamatos üzemi feszültség AC [L-N] (UC ) | 275 V (50 / 60 Hz) |
Névleges levezetési áram (8/20 µs) (In ) | 5 kA |
Legnagyobb levezetési áram (8/20 µs) (Imax ) | 10 kA |
Védelmi feszültségszint [L-N] (UP ) | ≤ 1,5 kV |
Legnagyobb hálózatoldali túláramvédelem | 25 A gG |
Tanúsítványok | KEMA |
Cikkszám 900433 DCOR L 1P 320
GTIN 4013364157316, Vámtarifa szám (EU): 85363030, Bruttó súly: 61.00 g, PU: 1.00 db.
Műszaki adatok
SPD típus/osztály az MSZ EN 61643-11 / ... IEC 61643-11 alapján | 2.típus / II.osztály |
Legnagyobb folyamatos üzemi feszültség AC [L-N] (UC ) | 320 V (50 / 60 Hz) |
Névleges levezetési áram (8/20 µs) (In ) | 5 kA |
Legnagyobb levezetési áram (8/20 µs) (Imax ) | 10 kA |
Védelmi feszültségszint [L-N] (UP ) | ≤ 1,75 kV |
Legnagyobb hálózatoldali túláramvédelem | 25 A gG |
Tanúsítványok | KEMA |
Cikkszám 999906 DCOR L 2P SN1864
GTIN 4013364310926, Vámtarifa szám (EU): 85363030, Bruttó súly: 70.50 g, PU: 1.00 db.
Műszaki adatok
SPD típus/osztály az MSZ EN 61643-11 / ... IEC 61643-11 alapján | 2.típus / II.osztály |
Legnagyobb folyamatos üzemi feszültség AC [L-N] (UC ) | 275 V (50 / 60 Hz) |
Névleges levezetési áram (8/20 µs) (In ) | 5 kA |
Legnagyobb levezetési áram (8/20 µs) (Imax ) | 10 kA |
Védelmi feszültségszint [L-N] (UP ) | ≤ 1,5 kV |
Legnagyobb hálózatoldali túláramvédelem | B 16 A |
Cikkszám 999937 DCOR L 2P SN1860
GTIN 4013364303195, Vámtarifa szám (EU): 85363030, Bruttó súly: 86.00 g, PU: 1.00 db.
Műszaki adatok
SPD típus/osztály az MSZ EN 61643-11 / ... IEC 61643-11 alapján | 2.típus / II.osztály |
Legnagyobb folyamatos üzemi feszültség AC [L-N] (UC ) | 275 V (50 / 60 Hz) |
Névleges levezetési áram (8/20 µs) (In ) | 5 kA |
Legnagyobb levezetési áram (8/20 µs) (Imax ) | 10 kA |
Védelmi feszültségszint [L-N] (UP ) | ≤ 1,5 kV |
Védelmi feszültségszint [N-PE] (UP ) | ≤ 1,5 kV |
Legnagyobb hálózatoldali túláramvédelem | B 16 A |
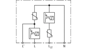
Cikkszám 900446 DCOR L 2P 275 SO LTG
GTIN 4013364292970, Vámtarifa szám (EU): 85363030, Bruttó súly: 62.50 g, PU: 1.00 db.
Műszaki adatok
SPD típus/osztály az MSZ EN 61643-11 / ... IEC 61643-11 alapján | 2.típus / II.osztály |
Legnagyobb folyamatos üzemi feszültség AC [L-N] (UC ) | 275 V (50 / 60 Hz) |
Névleges levezetési áram (8/20 µs) (In ) | 5 kA |
Legnagyobb levezetési áram (8/20 µs) (Imax ) | 10 kA |
Védelmi feszültségszint [L-N] (UP ) | ≤ 1,5 kV |
Védelmi feszültségszint [N-PE] (UP ) | ≤ 1,5 kV |
Legnagyobb hálózatoldali túláramvédelem | B 16 A |
Tanúsítványok | KEMA |
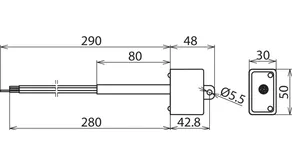
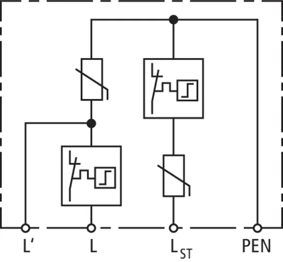
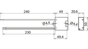
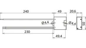
Cikkszám 900445 DCOR L 3P 275 SO LTG
GTIN 4013364280380, Vámtarifa szám (EU): 85363030, Bruttó súly: 71.50 g, PU: 1.00 db.
Műszaki adatok
SPD típus/osztály az MSZ EN 61643-11 / ... IEC 61643-11 alapján | 2.típus / II.osztály |
Legnagyobb folyamatos üzemi feszültség AC [L-N] (UC ) | 275 V (50 / 60 Hz) |
Névleges levezetési áram (8/20 µs) (In ) | 5 kA |
Legnagyobb levezetési áram (8/20 µs) (Imax ) | 10 kA |
Védelmi feszültségszint [L-N] (UP ) | ≤ 1,5 kV |
Védelmi feszültségszint [N-PE] (UP ) | ≤ 1,5 kV |
Legnagyobb hálózatoldali túláramvédelem | B 16 A |
Tanúsítványok | KEMA |
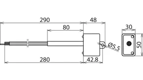
SK EK480 G2S-2d LM DCOR
Az EK480 biztosító doboz, egy kiváló minőségű termék a Langmatz-tól, melyet a kitűnő kidolgozás és a kipróbált, letesztelt funkcionalitás jellemzi. Az EK480 sorozat teljesíti az összes mechanikai illetve villamossági követleményeket és szabványokat. Ez biztosítja a magas minőségű elektronikával ellátott világítási armatúrák hatékony védelmét a kapcsolási műveletek- valamint a közeli villámcsapások átal okozott túlfeszültségek ellen.
1 Termék
Cikkszám 900443 SK EK480 G2S-2d LM DCOR
GTIN 4013364394322, Vámtarifa szám (EU): 85362010, Bruttó súly: 788.00 g, PU: 20.00 db.
Műszaki adatok
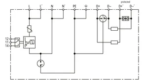
Biztosítódoboz adatai | |
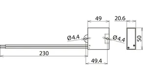
Méretek | 276 x 81 x 70 mm |
Oszlopokhoz melyek nagyobb belső átmérővel rendelkeznek mint | 89 mm |
SPD technológia | bejövő: csúszósaru technológia / kimenő: rugóssarú technológia |
Legnagyobb csatlakoztatható kábelkeresztmetszet | 1 - 3 kábel (4 or 5 x 16 mm2) |
Kimeneti csatlakozók | max. 2,5 mm2 |
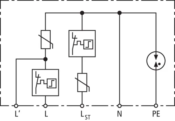
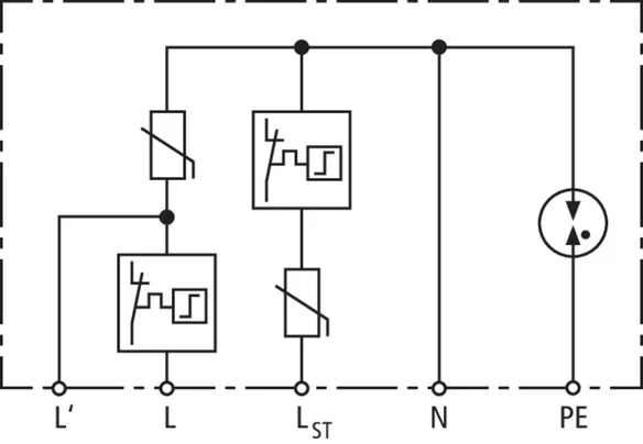
DEHNcord L 3P 275 SO LTG túlfeszültség-védelmi készülék adatai | |
SPD típus/osztály az MSZ EN 61643-11 / ... IEC 61643-11 alapján | 2.típus / II.osztály |
Legnagyobb folyamatos üzemi feszültség AC [L-N] (UC ) | 275 V (50 / 60 Hz) |
Névleges levezetési áram (8/20 µs) (In ) | 5 kA |
Legnagyobb levezetési áram (8/20 µs) (Imax ) | 10 kA |
Védelmi feszültségszint [L-N] (UP ) | ≤ 1,5 kV |
Védelmi feszültségszint [N-PE] (UP ) | ≤ 1,5 kV |
Legnagyobb hálózatoldali túláramvédelem | B 16 A |
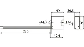
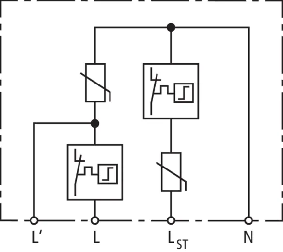
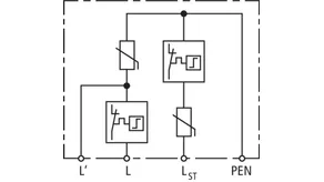
Cikkszám 900435 DCOR L 2P 275 SO LT
GTIN 4013364292963, Vámtarifa szám (EU): 85363030, Bruttó súly: 70.00 g, PU: 1.00 db.
Műszaki adatok
SPD típus/osztály az MSZ EN 61643-11 / ... IEC 61643-11 alapján | 2.típus / II.osztály |
Legnagyobb folyamatos üzemi feszültség AC [L-PEN] (UC ) | 275 V (50 / 60 Hz) |
Névleges levezetési áram (8/20 µs) (In ) | 5 kA |
Legnagyobb levezetési áram (8/20 µs) (Imax ) | 10 kA |
Védelmi feszültségszint [L-PEN] (UP ) | ≤ 1,5 kV |
Legnagyobb hálózatoldali túláramvédelem | B 16 A |
Tanúsítványok | KEMA |
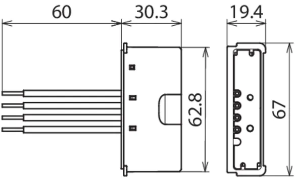
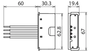
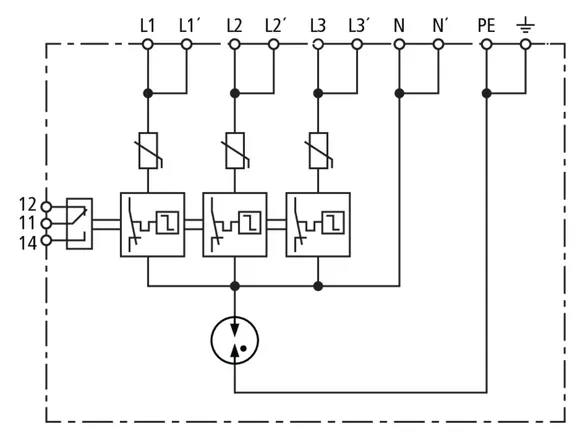
Cikkszám 900447 DCOR L 3P 275 SO IP
GTIN 4013364282216, Vámtarifa szám (EU): 85363030, Bruttó súly: 146.60 g, PU: 1.00 db.
Műszaki adatok
SPD típus/osztály az MSZ EN 61643-11 / ... IEC 61643-11 alapján | 2.típus / II.osztály |
Legnagyobb folyamatos üzemi feszültség AC [L-N] (UC ) | 275 V (50 / 60 Hz) |
Névleges levezetési áram (8/20 µs) (In ) | 5 kA |
Legnagyobb levezetési áram (8/20 µs) (Imax ) | 10 kA |
Védelmi feszültségszint [L-N] (UP ) | ≤ 1,5 kV |
Védelmi feszültségszint [N-PE] (UP ) | ≤ 1,5 kV |
Legnagyobb hálózatoldali túláramvédelem | B 16 A |
Cikkszám 900448 DCOR L 2P 275 SO IP
GTIN 4013364293007, Vámtarifa szám (EU): 85363030, Bruttó súly: 139.90 g, PU: 1.00 db.
Műszaki adatok
SPD típus/osztály az MSZ EN 61643-11 / ... IEC 61643-11 alapján | 2.típus / II.osztály |
Legnagyobb folyamatos üzemi feszültség AC [L-N] (UC ) | 275 V (50 / 60 Hz) |
Névleges levezetési áram (8/20 µs) (In ) | 5 kA |
Legnagyobb levezetési áram (8/20 µs) (Imax ) | 10 kA |
Védelmi feszültségszint [L-N] (UP ) | ≤ 1,5 kV |
Védelmi feszültségszint [N-PE] (UP ) | ≤ 1,5 kV |
Legnagyobb hálózatoldali túláramvédelem | B 16 A |
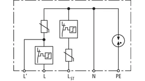
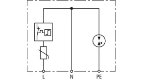
Cikkszám 900449 DCOR R 3P 275
GTIN 4013364320031, Vámtarifa szám (EU): 85363030, Bruttó súly: 151.00 g, PU: 1.00 db.
Műszaki adatok
SPD típus/osztály az MSZ EN 61643-11 / ... IEC 61643-11 alapján | 2.típus / II.osztály |
Legnagyobb folyamatos üzemi feszültség AC [L-N] (UC ) | 275 V (50 / 60 Hz) |
Névleges levezetési áram (8/20 µs) (In ) | 2,5 kA |
Legnagyobb levezetési áram (8/20 µs) (Imax ) | 5 kA |
Védelmi feszültségszint [L-N] (UP ) | ≤ 1,5 kV |
Csatlakozó | Hirschmann STAK 3 / STAS 3 |