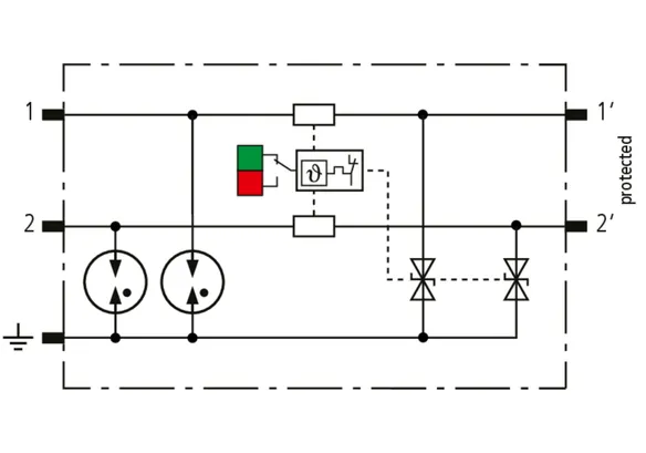
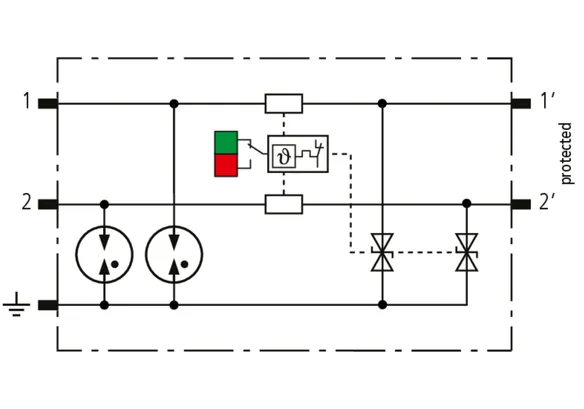
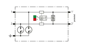
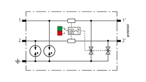
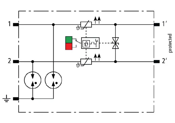
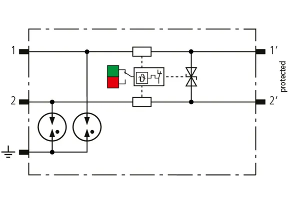
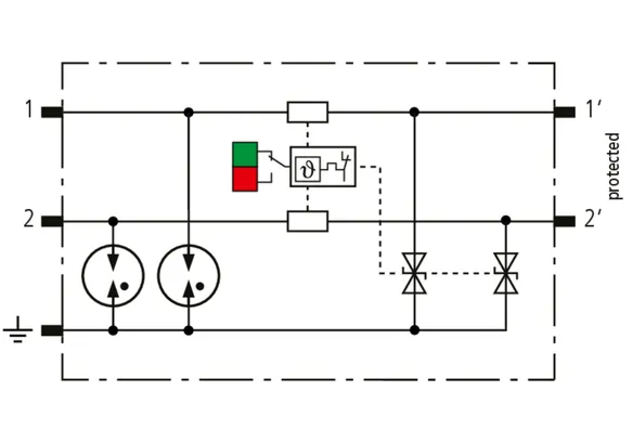
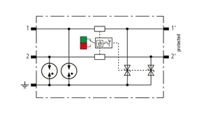
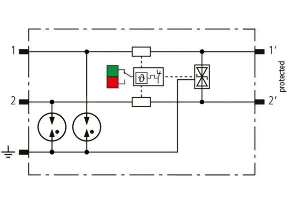
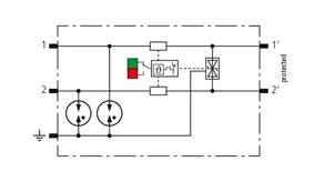
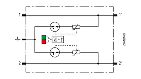
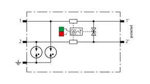
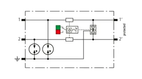
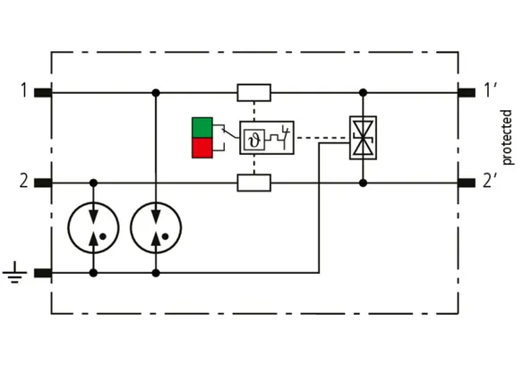
BLITZDUCTORconnect – Modular

Univerzális villámáram-levezető és túlfeszültség-védelmi készülék
  • Mérő, vezérlő, szabályozó körök, valamint busz- és telekommunikációs rendszerek védelmére
  • Nagy levezetési képesség 3 kA (10/350 µs), 10 kA (8/20 µs)
  • Legnagyobb levezetési áram, (8/20µs) Imax 20 kA-ig
  • Kis feszültségvédelmi szint, ami végkészülékvédelemre is alkalmas
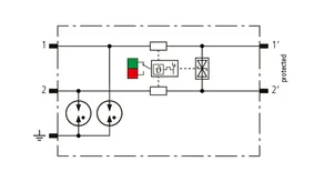
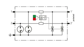
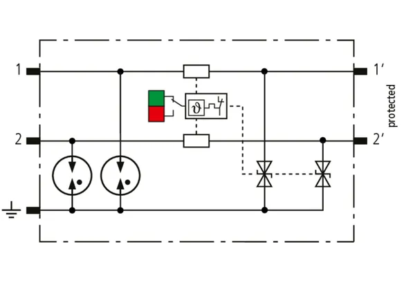
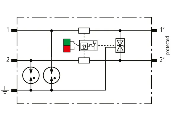
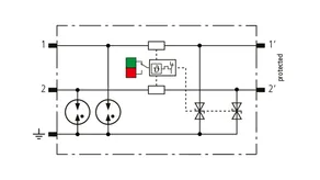
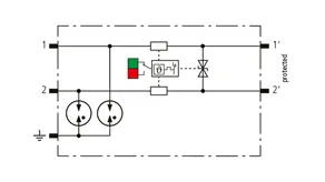
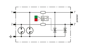
Készülék, mely alapmodulból és dugaszolható védelmi modulból áll
  • Gyors és egyszerű vezetékcsatlakozás a rugós csatlakozóknak köszönhetően
  • Minden védelmi komponens a dugaszolható modulban van
  • secR kioldógomb mindkét oldalon a biztonságos modulcseréhez
  • A berendezés nagy rendelkezésre állása a FailSafe (biztonságos meghibásodás) elvnek köszönhetően
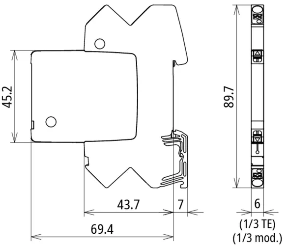
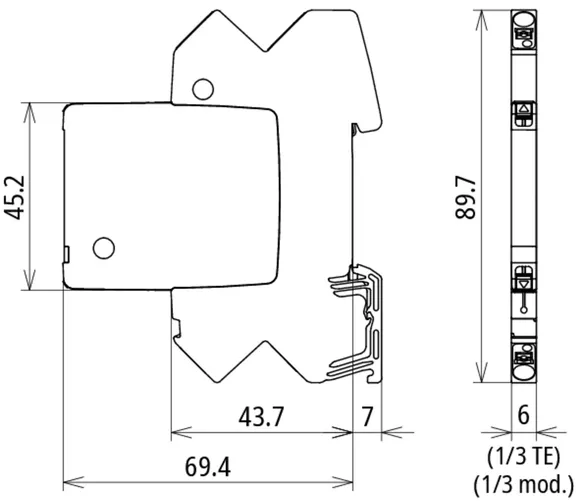
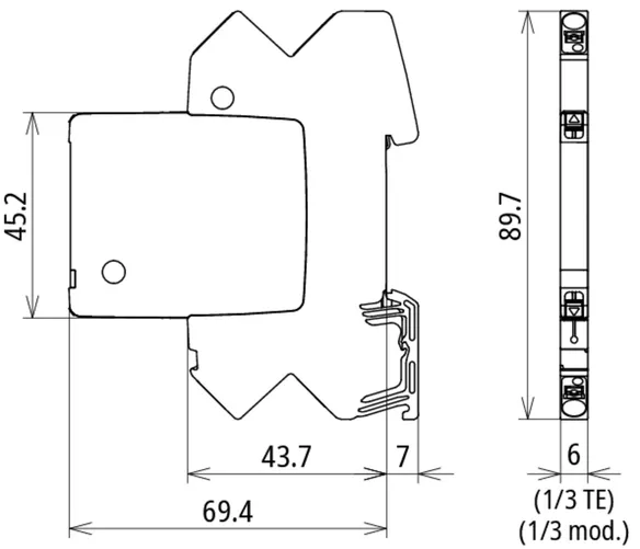
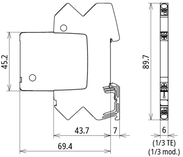
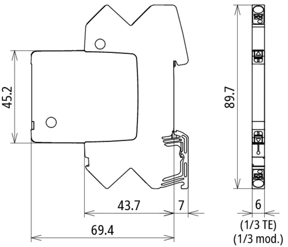
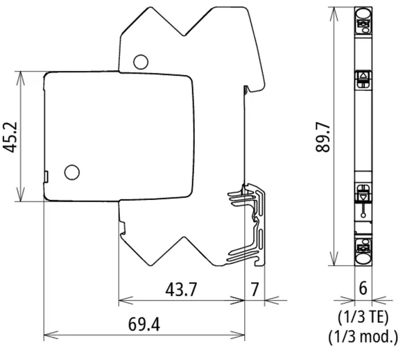
Funkcionálisan optimalizált kivitel 6 mm-es szélességben
  • LifeCheck és vizuális állapotjelzés a modulba integrálva
  • Egyszerű állapot-távjelzés az opcionális távjelző egységgel
  • Szerszámmentes jelleválasztás karbantartási célokra
  • Rezgésre és ütésállóságra tesztelt a biztonságos üzemeltetésért

Details

Maximális rendelkezésre állás
Tanúsítványok gyújtószikramentes áramkörökben történő felhasználásra
lorem ipsum
Gyors állapotellenőrzés - szempillantás alatt
Beépített állapotjelzés a könnyű és gyors karbantartásért
lorem ipsum
Biztonságos reteszelés – precíz eltávolítás
secR kioldó gombok mindkét oldalon a biztonságos kezelésért
lorem ipsum
Csatlakozás = Védelem
Egyszerű állapotjelzés felügyeleti egységgel védőkészülék csoportok számára
lorem ipsum


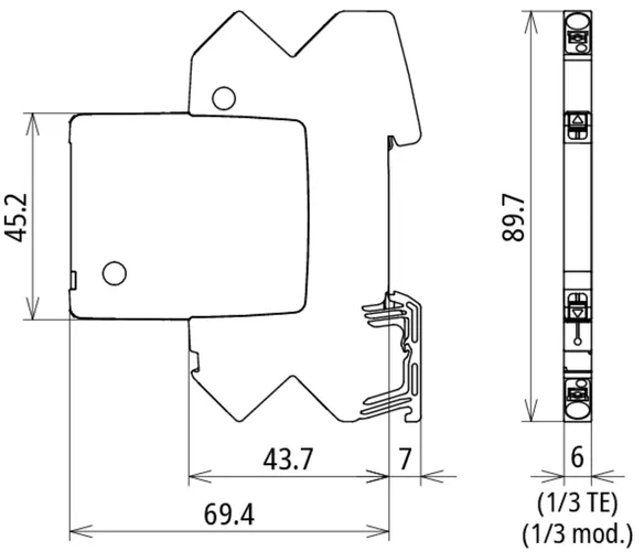
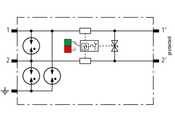
BCO ML2 B 180

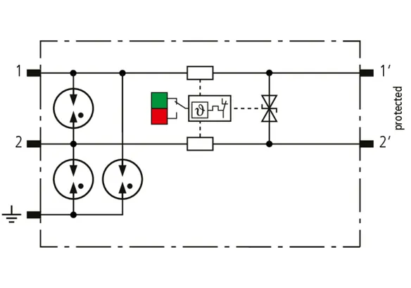
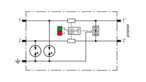
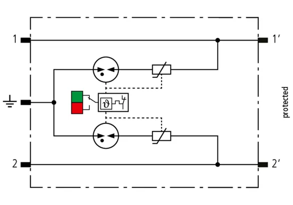
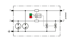
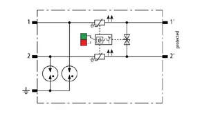
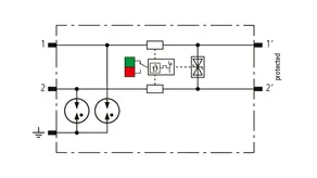
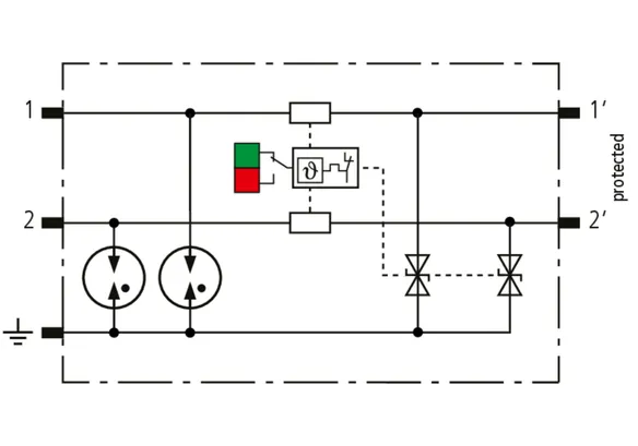
Helytakarékos, moduláris, 6 mm szélességű villámáram-levezető rugós csatlakozástechnikával, állapotjelzéssel, két egyedi ér védelmére villámvédelmi potenciálkiegyenlítéshez, valamint árnyékolt kábelek árnyékolásának közvetett földelésére. Jelmegszakítással karbantartási célokra.

1 Termék

Cikkszám 927210 BCO ML2 B 180

GTIN 4013364405585, Vámtarifa szám (EU): 85363010, Bruttó súly: 57.75 g, PU: 1.00 db.


Képek

További információ

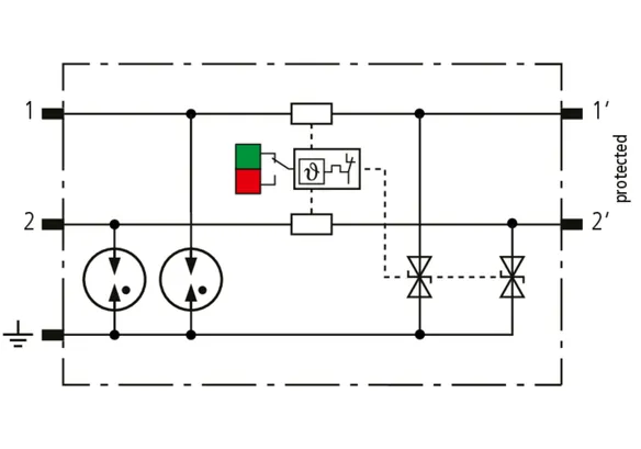
Villámáram-levezető BLITZDUCTORconnect ML2 B 180
moduláris, dugaszolható villámáram-levezető
2 egyedi ér védelmére a
villámvédelem-potenciálkiegyenlítés, valamint
árnyékolt vezetékek közvetett földelése számára
bevizsgálva az EN/IEC 61643-21 szerint és energetikailag
koordinálva az IEC 61643-22 szerint
Levezetőosztály 1. típus
Impulzuskategória: C2, C3, B2, D1
Üzemállapot-kijelzés, szélesség 6 mm
Legmagasabb tartós feszültség: 180,0 V DC / 127,0 V AC
Névleges áram 80 °C-on: 1,2 A
C2 névleges levezetési impulzus erenként (8/20): 5 kA
C2 Névleges levezetési impulzus összesen (8/20): 10 kA
D1 Villámáram impulzus (10/350 µs) erenként: 1,5 kA
D1 Villámáram impulzus (10/350 µs) összesen: 3 kA
jelleválasztással karbantartási célra
Vezetékcsatlakozás: Push-in

Gyártó: DEHN
Típus: BCO ML2 B 180
Cikksz.: 927210
vagy egyenértékű.

Tanúsítványok

 

Műszaki adatok

SPD osztály A
Névleges feszültség (UN ) 180 V
Legnagyobb folyamatos üzemi feszültség DC (UC ) 180 V
D1 villámáram impulzus (10/350 µs) per ér (Iimp ) 1.5 kA
C2 Névleges levezetési áram (8/20 µs) összesen (In ) 10 kA
Soros ellenállás per ér 0 ohm
Tanúsítványok UL 497B, CSA, ATEX, IECEx, CCC, SIL
*) Részleteket lásd: www.dehn.de

A 927210 termék hozzá lett adva a jegyzettömbhöz.

A 927210 terméket hozzáadtuk a kosárhoz.

Webshop indítása

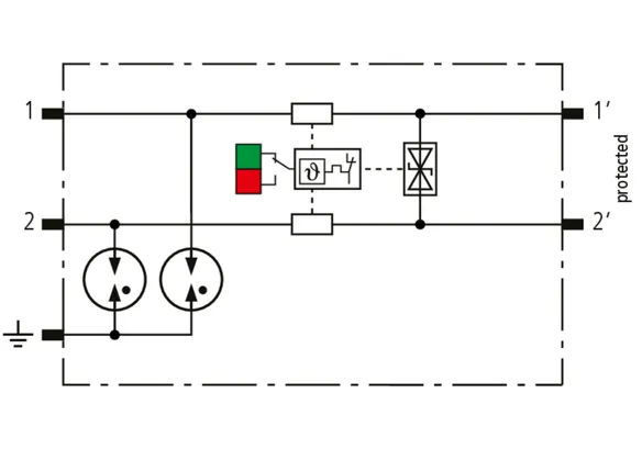
BCO ML2 BE

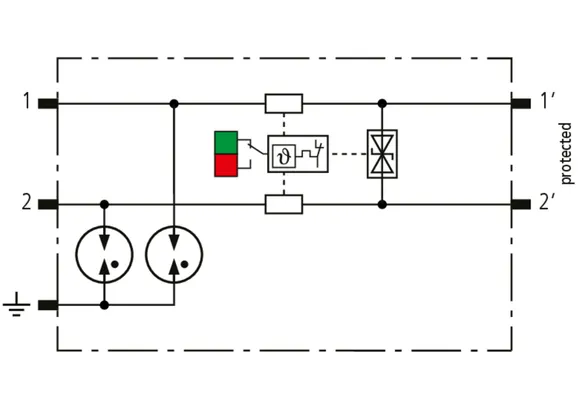
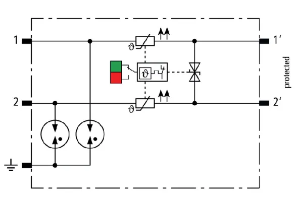
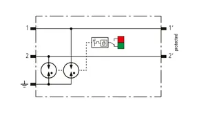
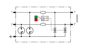
Helytakarékos, moduláris kombinált védelmi készülék 6 mm-es szélességgel, rugós csatlakozástechnikával, állapotjelzéssel, két közös referenciapotenciálú egyedi ér, illetve aszimmetikus interfészek védelmére. Jelmegszakítással karbantartási célokra.

4 Termékek

Cikkszám 927222 BCO ML2 BE 12

GTIN 4013364405592, Vámtarifa szám (EU): 85363010, Bruttó súly: 59.19 g, PU: 1.00 db.

Kifutott termék:

Képek

További információ

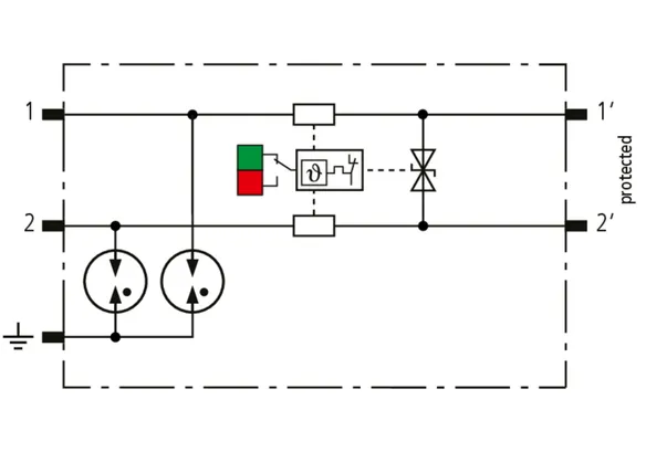
Kombinált levezető BLITZDUCTORconnect ML2 BE 12
moduláris, dugaszolható kombinált levezető
2 egyedi ér védelmére
közös referenciapotenciállal, valamint aszimmetrikus interfészekkel
bevizsgálva az EN/IEC 61643-21 szerint és energetikailag
koordinálva az IEC 61643-22 szerint
Levezetőosztály 1. típus / P1
Impulzuskategória: C1, C2, C3, B2, D1
Üzemállapot-kijelzés, szélesség 6 mm
Legmagasabb tartós feszültség: 15,0 V DC / 10,6 V AC
Névleges áram 70 °C-on: 0,75 A
C2 névleges levezetési impulzus erenként (8/20): 5 kA
C2 Névleges levezetési impulzus összesen (8/20): 10 kA
D1 Villámáram impulzus (10/350 µs) erenként: 1,5 kA
D1 Villámáram impulzus (10/350 µs) összesen: 3 kA
jelleválasztással karbantartási célra
Vezetékcsatlakozás: Push-in

Gyártó: DEHN
Típus: BCO ML2 BE 12
Cikksz.: 927222
vagy egyenértékű.

Tanúsítványok

 

Műszaki adatok

SPD osztály M
Névleges feszültség (UN ) 12 V
Legnagyobb folyamatos üzemi feszültség DC (UC ) 15 V
Névleges áram 70 °C-on (IL ) 0.75 A
D1 villámáram impulzus (10/350 µs) per ér (Iimp ) 1.5 kA
C2 Névleges levezetési áram (8/20 µs) összesen (In ) 10 kA
Soros ellenállás per ér 1 ohm
Határfrekvencia ér-ér (fG ) 1.4 MHz
Tanúsítványok UL 479B, CSA, ATEX, IECEx, CCC, SIL
*) Részleteket lásd: www.dehn.de

A 927222 termék hozzá lett adva a jegyzettömbhöz.

A 927222 terméket hozzáadtuk a kosárhoz.

Webshop indítása

Cikkszám 927224 BCO ML2 BE 24

GTIN 4013364405608, Vámtarifa szám (EU): 85363010, Bruttó súly: 59.68 g, PU: 1.00 db.

Kifutott termék:

Képek

További információ

Kombinált levezető BLITZDUCTORconnect ML2 BE 24
moduláris, dugaszolható kombinált levezető
2 egyedi ér védelmére
közös referenciapotenciállal, valamint aszimmetrikus interfészekkel
bevizsgálva az EN/IEC 61643-21 szerint és energetikailag
koordinálva az IEC 61643-22 szerint
Levezetőosztály 1. típus / P1
Impulzuskategória: C1, C2, C3, B2, D1
Üzemállapot-kijelzés, szélesség 6 mm
Legmagasabb tartós feszültség: 33,0 V DC / 23,3 V AC
Névleges áram 70 °C-on: 0,75 A
C2 névleges levezetési impulzus erenként (8/20): 5 kA
C2 Névleges levezetési impulzus összesen (8/20): 10 kA
D1 Villámáram impulzus (10/350 µs) erenként: 1,5 kA
D1 Villámáram impulzus (10/350 µs) összesen: 3 kA
jelleválasztással karbantartási célra
Vezetékcsatlakozás: Push-in

Gyártó: DEHN
Típus: BCO ML2 BE 24
Cikksz.: 927224
vagy egyenértékű.

Tanúsítványok

 

Műszaki adatok

SPD osztály M
Névleges feszültség (UN ) 24 V
Legnagyobb folyamatos üzemi feszültség DC (UC ) 33 V
Névleges áram 70 °C-on (IL ) 0.75 A
D1 villámáram impulzus (10/350 µs) per ér (Iimp ) 1.5 kA
C2 Névleges levezetési áram (8/20 µs) összesen (In ) 10 kA
Soros ellenállás per ér 1 ohm
Határfrekvencia ér-ér (fG ) 3.4 MHz
Tanúsítványok UL 497B, CSA, ATEX, IECEx, CCC, SIL
*) Részleteket lásd: www.dehn.de

A 927224 termék hozzá lett adva a jegyzettömbhöz.

A 927224 terméket hozzáadtuk a kosárhoz.

Webshop indítása

Cikkszám 927225 BCO ML2 BE 48

GTIN 4013364405615, Vámtarifa szám (EU): 85363010, Bruttó súly: 58.22 g, PU: 1.00 db.

Kifutott termék:

Képek

További információ

Kombinált levezető BLITZDUCTORconnect ML2 BE 48
moduláris, dugaszolható kombinált levezető
2 egyedi ér védelmére
közös referenciapotenciállal, valamint aszimmetrikus interfészekkel
bevizsgálva az EN/IEC 61643-21 szerint és energetikailag
koordinálva az IEC 61643-22 szerint
Levezetőosztály 1. típus / P1
Impulzuskategória: C1, C2, C3, B2, D1
Üzemállapot-kijelzés, szélesség 6 mm
Legmagasabb tartós feszültség: 54,0 V DC / 38,1 V AC
Névleges áram 70 °C-on: 0,75 A
C2 névleges levezetési impulzus erenként (8/20): 5 kA
C2 Névleges levezetési impulzus összesen (8/20): 10 kA
D1 Villámáram impulzus (10/350 µs) erenként: 1,5 kA
D1 Villámáram impulzus (10/350 µs) összesen: 3 kA
jelleválasztással karbantartási célra
Vezetékcsatlakozás: Push-in

Gyártó: DEHN
Típus: BCO ML2 BE 48
Cikksz.: 927225
vagy egyenértékű.

Tanúsítványok

 

Műszaki adatok

SPD osztály M
Névleges feszültség (UN ) 48 V
Legnagyobb folyamatos üzemi feszültség DC (UC ) 54 V
Névleges áram 70 °C-on (IL ) 0.75 A
D1 villámáram impulzus (10/350 µs) per ér (Iimp ) 1.5 kA
C2 Névleges levezetési áram (8/20 µs) összesen (In ) 10 kA
Soros ellenállás per ér 1 ohm
Határfrekvencia ér-ér (fG ) 5 MHz
Tanúsítványok UL 497B, CSA, ATEX, IECEx, CCC, SIL
*) Részleteket lásd: www.dehn.de

A 927225 termék hozzá lett adva a jegyzettömbhöz.

A 927225 terméket hozzáadtuk a kosárhoz.

Webshop indítása

Cikkszám 927227 BCO ML2 BE 180

GTIN 4013364468658, Vámtarifa szám (EU): 85363010, Bruttó súly: 58.85 g, PU: 1.00 db.

Kifutott termék:

Képek

További információ

Kombinált levezető BLITZDUCTORconnect ML2 BE 180
moduláris, dugaszolható kombinált levezető
2 egyedi ér védelmére
közös referenciapotenciállal, valamint aszimmetrikus interfészekkel
bevizsgálva az EN/IEC 61643-21 szerint és energetikailag
koordinálva az IEC 61643-22 szerint
Levezetőosztály 1. típus / P1
Impulzuskategória: C1, C2, C3, B2, D1
Üzemállapot-kijelzés, szélesség 6 mm
Legmagasabb tartós feszültség: 180 V DC / 127 V AC
Névleges áram 70 °C-on: 0,5 A
C2 névleges levezetési impulzus erenként (8/20): 5 kA
C2 Névleges levezetési impulzus összesen (8/20): 10 kA
D1 Villámáram impulzus (10/350 µs) erenként: 1,5 kA
D1 Villámáram impulzus (10/350 µs) összesen: 3 kA
jelleválasztással karbantartási célra
Vezetékcsatlakozás: Push-in

Gyártó: DEHN
Típus: BCO ML2 BE 180
Cikksz.: 927227
vagy egyenértékű.

Tanúsítványok

 

Műszaki adatok

SPD osztály M
Névleges feszültség (UN ) 180 V
Legnagyobb folyamatos üzemi feszültség DC (UC ) 180 V
Névleges áram 70 °C-on (IL ) 0,5 A
D1 villámáram impulzus (10/350 µs) per ér (Iimp ) 1.5 kA
C2 Névleges levezetési áram (8/20 µs) összesen (In ) 10 kA
Soros ellenállás per ér 1,8 ohm
Határfrekvencia ér-ér (fG ) 10 MHz
Tanúsítványok UL 497B, SIL
*) Részleteket lásd: www.dehn.de

A 927227 termék hozzá lett adva a jegyzettömbhöz.

A 927227 terméket hozzáadtuk a kosárhoz.

Webshop indítása

BCO ML2 BD

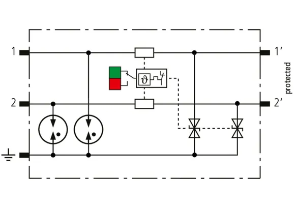
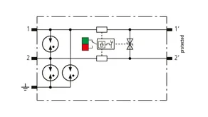
Helytakarékos, moduláris kombinált védelmi készülék 6 mm-es szélességgel, rugós csatlakozástechnikával, állapotjelzéssel, egy érpár, földpotenciálfüggetlen szimmetrikus interfész védelmére. Jelmegszakítással karbantartási célokra.

4 Termékek

Cikkszám 927242 BCO ML2 BD 12

GTIN 4013364405622, Vámtarifa szám (EU): 85363010, Bruttó súly: 58.35 g, PU: 1.00 db.

Kifutott termék:

Képek

További információ

Kombinált levezető BLITZDUCTORconnect ML2 BD 12
moduláris, dugaszolható kombinált levezető
földeletlen szimmetrikus interfészek
egy érpár védelmére
bevizsgálva az EN/IEC 61643-21 szerint és
energetikailag koordinálva az IEC 61643-22 szerint
Levezetőosztály 1. típus P2
Impulzuskategória: C1, C2, C3, B2, D1
Üzemállapot-kijelzés, szélesség 6 mm
Legmagasabb tartós feszültség: 15,0 V DC / 10,6 V AC
Névleges áram 70 °C-on: 0,75 A
C2 névleges levezetési impulzus erenként (8/20): 5 kA
C2 Névleges levezetési impulzus összesen (8/20): 10 kA
D1 Villámáram impulzus (10/350 µs) erenként: 1,5 kA
D1 Villámáram impulzus (10/350 µs) összesen: 3 kA
jelleválasztással karbantartási célra
Vezetékcsatlakozás: Push-in

Gyártó: DEHN
Típus: BCO ML2 BD 12
Cikksz.: 927242
vagy egyenértékű.

Tanúsítványok

 

Műszaki adatok

SPD osztály L
Névleges feszültség (UN ) 12 V
Legnagyobb folyamatos üzemi feszültség DC (UC ) 15 V
Névleges áram 70 °C-on (IL ) 0.75 A
D1 villámáram impulzus (10/350 µs) per ér (Iimp ) 1.5 kA
C2 Névleges levezetési áram (8/20 µs) összesen (In ) 10 kA
Soros ellenállás per ér 1 ohm
Határfrekvencia ér-ér (fG ) 2.6 MHz
Tanúsítványok UL 497B, CSA, ATEX, IECEx, CCC, SIL
*) Részleteket lásd: www.dehn.de

A 927242 termék hozzá lett adva a jegyzettömbhöz.

A 927242 terméket hozzáadtuk a kosárhoz.

Webshop indítása

Cikkszám 927244 BCO ML2 BD 24

GTIN 4013364405639, Vámtarifa szám (EU): 85363010, Bruttó súly: 58.64 g, PU: 1.00 db.

Kifutott termék:

Képek

További információ

Kombinált levezető BLITZDUCTORconnect ML2 BD 24
moduláris, dugaszolható kombinált levezető
földeletlen szimmetrikus interfészek
egy érpár védelmére
bevizsgálva az EN/IEC 61643-21 szerint és
energetikailag koordinálva az IEC 61643-22 szerint
Levezetőosztály 1. típus P2
Impulzuskategória: C1, C2, C3, B2, D1
Üzemállapot-kijelzés, szélesség 6 mm
Legmagasabb tartós feszültség: 36,0 V DC / 25,4 V AC
Névleges áram 70 °C-on: 0,75 A
C2 névleges levezetési impulzus erenként (8/20): 5 kA
C2 Névleges levezetési impulzus összesen (8/20): 10 kA
D1 Villámáram impulzus (10/350 µs) erenként: 1,5 kA
D1 Villámáram impulzus (10/350 µs) összesen: 3 kA
jelleválasztással karbantartási célra
Vezetékcsatlakozás: Push-in

Gyártó: DEHN
Típus: BCO ML2 BD 24
Cikksz.: 927244
vagy egyenértékű.

Tanúsítványok

 

Műszaki adatok

SPD osztály L
Névleges feszültség (UN ) 24 V
Legnagyobb folyamatos üzemi feszültség DC (UC ) 36 V
Névleges áram 70 °C-on (IL ) 0.75 A
D1 villámáram impulzus (10/350 µs) per ér (Iimp ) 1.5 kA
C2 Névleges levezetési áram (8/20 µs) összesen (In ) 10 kA
Soros ellenállás per ér 1 ohm
Határfrekvencia ér-ér (fG ) 5.8 MHz
Tanúsítványok UL 497B, CSA, ATEX, IECEx, CCC, SIL
*) Részleteket lásd: www.dehn.de

A 927244 termék hozzá lett adva a jegyzettömbhöz.

A 927244 terméket hozzáadtuk a kosárhoz.

Webshop indítása

Cikkszám 927245 BCO ML2 BD 48

GTIN 4013364405646, Vámtarifa szám (EU): 85363010, Bruttó súly: 58.49 g, PU: 1.00 db.

Kifutott termék:

Képek

További információ

Kombinált levezető BLITZDUCTORconnect ML2 BD 48
moduláris, dugaszolható kombinált levezető
földeletlen szimmetrikus interfészek
egy érpár védelmére
bevizsgálva az EN/IEC 61643-21 szerint és
energetikailag koordinálva az IEC 61643-22 szerint
Levezetőosztály 1. típus P2
Impulzuskategória: C1, C2, C3, B2, D1
Üzemállapot-kijelzés, szélesség 6 mm
Legmagasabb tartós feszültség: 56,0 V DC / 39,6 V AC
Névleges áram 70 °C-on: 0,75 A
C2 névleges levezetési impulzus erenként (8/20): 5 kA
C2 Névleges levezetési impulzus összesen (8/20): 10 kA
D1 Villámáram impulzus (10/350 µs) erenként: 1,5 kA
D1 Villámáram impulzus (10/350 µs) összesen: 3 kA
jelleválasztással karbantartási célra
Vezetékcsatlakozás: Push-in

Gyártó: DEHN
Típus: BCO ML2 BD 48
Cikksz.: 927245
vagy egyenértékű.

Tanúsítványok

 

Műszaki adatok

SPD osztály L
Névleges feszültség (UN ) 48 V
Legnagyobb folyamatos üzemi feszültség DC (UC ) 56 V
Névleges áram 70 °C-on (IL ) 0.75 A
D1 villámáram impulzus (10/350 µs) per ér (Iimp ) 1.5 kA
C2 Névleges levezetési áram (8/20 µs) összesen (In ) 10 kA
Soros ellenállás per ér 1 ohm
Határfrekvencia ér-ér (fG ) 7,2 MHz
Tanúsítványok UL 497B, CSA, ATEX, IECEx, CCC, SIL
*) Részleteket lásd: www.dehn.de

A 927245 termék hozzá lett adva a jegyzettömbhöz.

A 927245 terméket hozzáadtuk a kosárhoz.

Webshop indítása

Cikkszám 927247 BCO ML2 BD 180

GTIN 4013364468665, Vámtarifa szám (EU): 85363010, Bruttó súly: 58.92 g, PU: 1.00 db.

Kifutott termék:

Képek

További információ

Kombinált levezető BLITZDUCTORconnect ML2 BD 180
moduláris, dugaszolható kombinált levezető
földeletlen szimmetrikus interfészek
egy érpár védelmére
bevizsgálva az EN/IEC 61643-21 szerint és
energetikailag koordinálva az IEC 61643-22 szerint
Levezetőosztály 1. típus P2
Impulzuskategória: C1, C2, C3, B2, D1
Üzemállapot-kijelzés, szélesség 6 mm
Legmagasabb tartós feszültség: 180 V DC / 127 V AC
Névleges áram 70 °C-on: 0,5 A
C2 névleges levezetési impulzus erenként (8/20): 5 kA
C2 Névleges levezetési impulzus összesen (8/20): 10 kA
D1 Villámáram impulzus (10/350 µs) erenként: 1,5 kA
D1 Villámáram impulzus (10/350 µs) összesen: 3 kA
jelleválasztással karbantartási célra
Vezetékcsatlakozás: Push-in

Gyártó: DEHN
Típus: BCO ML2 BD 180
Cikksz.: 927247
vagy egyenértékű.

Tanúsítványok

 

Műszaki adatok

SPD osztály L
Névleges feszültség (UN ) 180 V
Legnagyobb folyamatos üzemi feszültség DC (UC ) 180 V
Névleges áram 70 °C-on (IL ) 0,5 A
D1 villámáram impulzus (10/350 µs) per ér (Iimp ) 1.5 kA
C2 Névleges levezetési áram (8/20 µs) összesen (In ) 10 kA
Soros ellenállás per ér 1,8 ohm
Határfrekvencia ér-ér (fG ) 10 MHz
Tanúsítványok UL 497B, SIL
*) Részleteket lásd: www.dehn.de

A 927247 termék hozzá lett adva a jegyzettömbhöz.

A 927247 terméket hozzáadtuk a kosárhoz.

Webshop indítása

BCO ML2 BE HF

Helytakarékos, moduláris kombinált védelmi készülék 6 mm-es szélességgel, rugós csatlakozástechnikával, állapotjelzéssel, két közös referenciapotenciálú egyedi ér, illetve aszimmetrikus interfésszel rendelkező, nagyfrekvenciás átviteli vonalak védelmére. Jelmegszakítással karbantartási célokra.

2 Termékek

Cikkszám 927270 BCO ML2 BE HF 5

GTIN 4013364405653, Vámtarifa szám (EU): 85363010, Bruttó súly: 58.57 g, PU: 1.00 db.

Kifutott termék:

Képek

További információ

Kombinált levezető BLITZDUCTORconnect ML2 BE HF 5
moduláris, dugaszolható kombinált levezető
2 egyedi ér védelmére nagyfrekvenciás
átviteleknél közös referenciapotenciállal,
valamint aszimmetrikus interfészekkel
bevizsgálva az EN/IEC 61643-21 szerint és energetikailag
koordinálva az IEC 61643-22 szerint
Levezetőosztály 1. típus / P1
Impulzuskategória: C1, C2, C3, B2, D1
Üzemállapot-kijelzés, szélesség 6 mm
Legmagasabb tartós feszültség: 8,5 V DC / 6,0 V AC
Névleges áram 70 °C-on: 0,75 A
Határfrekvencia 100 MHz
C2 névleges levezetési impulzus erenként (8/20): 5 kA
C2 Névleges levezetési impulzus összesen (8/20): 10 kA
D1 Villámáram impulzus (10/350 µs) erenként: 1,5 kA
D1 Villámáram impulzus (10/350 µs) összesen: 3 kA
jelleválasztással karbantartási célra
Vezetékcsatlakozás: Push-in

Gyártó: DEHN
Típus: BCO ML2 BE HF 5
Cikksz.: 927270
vagy egyenértékű.

Tanúsítványok

 

Műszaki adatok

SPD osztály M
Névleges feszültség (UN ) 5 V
Legnagyobb folyamatos üzemi feszültség DC (UC ) 8.5 V
Névleges áram 70 °C-on (IL ) 0.75 A
D1 villámáram impulzus (10/350 µs) per ér (Iimp ) 1.5 kA
C2 Névleges levezetési áram (8/20 µs) összesen (In ) 10 kA
Soros ellenállás per ér 1 ohm
Tanúsítványok UL 497B, CSA, ATEX, IECEx, CCC, SIL
*) Részleteket lásd: www.dehn.de

A 927270 termék hozzá lett adva a jegyzettömbhöz.

A 927270 terméket hozzáadtuk a kosárhoz.

Webshop indítása

Cikkszám 927274 BCO ML2 BE HF 24

GTIN 4013364468559, Vámtarifa szám (EU): 85363010, Bruttó súly: 58.30 g, PU: 1.00 db.


Képek

További információ

Kombinált levezető BLITZDUCTORconnect ML2 BE HF 24
moduláris, dugaszolható kombinált levezető
2 egyedi ér védelmére nagyfrekvenciás
átviteleknél közös referenciapotenciállal,
valamint aszimmetrikus interfészekkel
bevizsgálva az EN/IEC 61643-21 szerint és energetikailag
koordinálva az IEC 61643-22 szerint
Levezetőosztály 1. típus / P1
Impulzuskategória: C1, C2, C3, B2, D1
Üzemállapot-kijelzés, szélesség 6 mm
Legmagasabb tartós feszültség: 36 V DC / 25,4 V AC
Névleges áram 70 °C-on: 0,75 A
Határfrekvencia 100 MHz
C2 névleges levezetési impulzus erenként (8/20): 5 kA
C2 Névleges levezetési impulzus összesen (8/20): 10 kA
D1 Villámáram impulzus (10/350 µs) erenként: 1,5 kA
D1 Villámáram impulzus (10/350 µs) összesen: 3 kA
jelleválasztással karbantartási célra
Vezetékcsatlakozás: Push-in

Gyártó: DEHN
Típus: BCO ML2 BE HF 24
Cikksz.: 927274
vagy egyenértékű.

Tanúsítványok

 

Műszaki adatok

SPD osztály M
Névleges feszültség (UN ) 24 V
Legnagyobb folyamatos üzemi feszültség DC (UC ) 36 V
Névleges áram 70 °C-on (IL ) 0.75 A
D1 villámáram impulzus (10/350 µs) per ér (Iimp ) 1.5 kA
C2 Névleges levezetési áram (8/20 µs) összesen (In ) 10 kA
Soros ellenállás per ér 1 ohm
Tanúsítványok UL 497B, SIL
*) Részleteket lásd: www.dehn.de

A 927274 termék hozzá lett adva a jegyzettömbhöz.

A 927274 terméket hozzáadtuk a kosárhoz.

Webshop indítása

BCO ML2 BD HF

Helytakarékos, moduláris kombinált levezető 6 mm-es szélességgel, push-in csatlakozástechnikával, állapotjelzéssel földpotenciálmentes, nagyfrekvenciás buszrendszerek, valamint szimmetrikus interfészek 1 érpárja védelmére. Jelleválasztással karbantartási célra.

2 Termékek

Cikkszám 927271 BCO ML2 BD HF 5

GTIN 4013364405660, Vámtarifa szám (EU): 85363010, Bruttó súly: 58.42 g, PU: 1.00 db.

Kifutott termék:

Képek

További információ

Kombinált levezető BLITZDUCTORconnect ML2 BD HF 5
moduláris, dugaszolható kombinált levezető
földeletlen nagyfrekvenciás
buszrendszerek, valamint szimmetrikus interfészek 1 érpárja védelmére
bevizsgálva az EN/IEC 61643-21 szerint és energetikailag
koordinálva az IEC 61643-22 szerint
Levezetőosztály 1. típus P2
Impulzuskategória: C1, C2, C3, B2, D1
Üzemállapot-kijelzés, szélesség 6 mm
Legmagasabb tartós feszültség: 8,5 V DC / 6,0 V AC
Névleges áram 70 °C-on: 0,75 A
Határfrekvencia 100 MHz
C2 névleges levezetési impulzus erenként (8/20): 5 kA
C2 Névleges levezetési impulzus összesen (8/20): 10 kA
D1 Villámáram impulzus (10/350 µs) erenként: 1,5 kA
D1 Villámáram impulzus (10/350 µs) összesen: 3 kA
jelleválasztással karbantartási célra
Vezetékcsatlakozás: Push-in

Gyártó: DEHN
Típus: BCO ML2 BD HF 5
Cikksz.: 927271
vagy egyenértékű.

Tanúsítványok

 

Műszaki adatok

SPD osztály L
Névleges feszültség (UN ) 5 V
Legnagyobb folyamatos üzemi feszültség DC (UC ) 8.5 V
Névleges áram 70 °C-on (IL ) 0.75 A
D1 villámáram impulzus (10/350 µs) per ér (Iimp ) 1.5 kA
C2 Névleges levezetési áram (8/20 µs) összesen (In ) 10 kA
Soros ellenállás per ér 1 ohm
Határfrekvencia ér-ér (fG ) 100 MHz
Tanúsítványok UL 497B, CSA, ATEX, IECEx, CCC, SIL
*) Részleteket lásd: www.dehn.de

A 927271 termék hozzá lett adva a jegyzettömbhöz.

A 927271 terméket hozzáadtuk a kosárhoz.

Webshop indítása

Cikkszám 927275 BCO ML2 BD HF 24

GTIN 4013364468566, Vámtarifa szám (EU): 85363010, Bruttó súly: 58.60 g, PU: 1.00 db.

Kifutott termék:

Képek

További információ

Kombinált levezető BLITZDUCTORconnect ML2 BD HF 24
moduláris, dugaszolható kombinált levezető
földeletlen nagyfrekvenciás
buszrendszerek, valamint szimmetrikus interfészek 1 érpárja védelmére
bevizsgálva az EN/IEC 61643-21 szerint és energetikailag
koordinálva az IEC 61643-22 szerint
Levezetőosztály 1. típus P2
Impulzuskategória: C1, C2, C3, B2, D1
Üzemállapot-kijelzés, szélesség 6 mm
Legmagasabb tartós feszültség: 36 V DC / 25,4 V AC
Névleges áram 70 °C-on: 0,75 A
Határfrekvencia 100 MHz
C2 névleges levezetési impulzus erenként (8/20): 5 kA
C2 Névleges levezetési impulzus összesen (8/20): 10 kA
D1 Villámáram impulzus (10/350 µs) erenként: 1,5 kA
D1 Villámáram impulzus (10/350 µs) összesen: 3 kA
jelleválasztással karbantartási célra
Vezetékcsatlakozás: Push-in

Gyártó: DEHN
Típus: BCO ML2 BD HF 24
Cikksz.: 927275
vagy egyenértékű.

Tanúsítványok

 

Műszaki adatok

SPD osztály L
Névleges feszültség (UN ) 24 V
Legnagyobb folyamatos üzemi feszültség DC (UC ) 36 V
Névleges áram 70 °C-on (IL ) 0.75 A
D1 villámáram impulzus (10/350 µs) per ér (Iimp ) 1.5 kA
C2 Névleges levezetési áram (8/20 µs) összesen (In ) 10 kA
Soros ellenállás per ér 1 ohm
Határfrekvencia ér-ér (fG ) 100 MHz
Tanúsítványok UL 497B, SIL
*) Részleteket lásd: www.dehn.de

A 927275 termék hozzá lett adva a jegyzettömbhöz.

A 927275 terméket hozzáadtuk a kosárhoz.

Webshop indítása

BCO ML2 BD HC5A 24

1 Termék

Cikkszám 927254 BCO ML2 BD HC5A 24

GTIN 4013364513419, Vámtarifa szám (EU): 85363010, Bruttó súly: 60.63 g, PU: 1.00 db.


Képek

További információ

Kombinált levezető BLITZDUCTORconnect ML2 BD HC5A 24
moduláris, dugaszolható kombinált védőmodul
földpotenciálmentes, nagy névleges áramú jelzőkörök 1 érpárja védelmére
információtechnológiai rendszerekben
és mérő, vezérlő, szabályozó körökben való alkalmazásra
bevizsgálva az EN/IEC 61643-21 szerint és energetikailag
koordinálva az IEC 61643-22 szerint
Levezetőosztály 1. típus / P2
Impulzuskategória: C1, C2, C3, B2, D1
Üzemállapot-kijelzés, szélesség 6 mm
Legmagasabb tartós feszültség: 36 V DC / 25,4 V AC
Névleges áram 80 °C-on: 5 A
C2 névleges levezetési impulzus erenként (8/20): 5 kA
C2 Névleges levezetési impulzus összesen (8/20): 10 kA
D1 Villámáram impulzus (10/350 µs) erenként: 1,5 kA
D1 Villámáram impulzus (10/350 µs) összesen: 3 kA
jelleválasztással karbantartási célra
Vezetékcsatlakozás: Push-in

Gyártó: DEHN
Típus: BCO ML2 BD HC5A 24
Cikksz.: 927254
vagy egyenértékű.

Tanúsítványok

 

Műszaki adatok

SPD osztály L
Névleges feszültség (UN ) 24 V
Legnagyobb folyamatos üzemi feszültség DC (UC ) 36 V
Névleges áram 80 °C-on (IL ) 5 A
D1 villámáram impulzus (10/350 µs) per ér (Iimp ) 1.5 kA
C2 Névleges levezetési áram (8/20 µs) összesen (In ) 10 kA
Soros ellenállás per ér 0 ohm
Tanúsítványok UL 497B, SIL
*) Részleteket lásd: www.dehn.de

A 927254 termék hozzá lett adva a jegyzettömbhöz.

A 927254 terméket hozzáadtuk a kosárhoz.

Webshop indítása

BCO ML2 BPD 24

Helytakarékos, moduláris kombinált levezető 6 mm-es szélességgel, rugós csatlakozástechnikával, állapotjelzéssel 1 érpár védelmére 24 V DC rendszerekben. Alkalmazás földelt mínuszpólus esetén is, integrált PTC-ellenállások teszik lehetővé a levezető biztonságos visszaállítását zavarbefolyásolás után a berendezéskörben 40 A-ig terjedő rövidzárlati áramok esetén. Jelleválasztással karbantartási célra.

1 Termék

Cikkszám 927214 BCO ML2 BPD 24

GTIN 4013364473003, Vámtarifa szám (EU): 85363010, Bruttó súly: 58.00 g, PU: 1.00 db.


Képek

További információ

Kombinált levezető BLITZDUCTORconnect ML2 BPD 24
moduláris, dugaszolható kombinált levezető
egy érpár védelmére 24 V DC rendszerekben,
földelt mínuszpólus esetén is alkalmazható,
integrált PTC-ellenállásokkal
túláramvédelemre 40 A-ig
bevizsgálva az EN/IEC 61643-21 szerint és energetikailag
koordinálva az IEC 61643-22 szerint
Levezetőosztály 1. típus P2
Impulzuskategória: C1, C2, C3, B2, D1
Üzemállapot-kijelzés, szélesség 6 mm
Legmagasabb tartós feszültség: 33,0 V DC / 23,3 V AC
Névleges áram 70 °C-on: 0,1 A
C2 névleges levezetési impulzus erenként (8/20): 5 kA
C2 Névleges levezetési impulzus összesen (8/20): 10 kA
D1 Villámáram impulzus (10/350 µs) erenként: 1,5 kA
D1 Villámáram impulzus (10/350 µs) összesen: 3 kA
jelleválasztással karbantartási célra
Vezetékcsatlakozás: Push-in

Gyártó: DEHN
Típus: BCO ML2 BPD 24
Cikksz.: 927214
vagy egyenértékű.

Tanúsítványok

 

Műszaki adatok

SPD osztály L
Névleges feszültség (UN ) 24 V
Legnagyobb folyamatos üzemi feszültség DC (UC ) 33 V
Névleges áram 70 °C-on (IL ) 0,1 A
D1 villámáram impulzus (10/350 µs) per ér (Iimp ) 1.5 kA
C2 Névleges levezetési áram (8/20 µs) összesen (In ) 10 kA
Soros ellenállás per ér 10 ohm
Határfrekvencia ér-ér (fG ) 4,5 MHz
Tanúsítványok UL 497B, SIL
*) Részleteket lásd: www.dehn.de

A 927214 termék hozzá lett adva a jegyzettömbhöz.

A 927214 terméket hozzáadtuk a kosárhoz.

Webshop indítása

BCO ML2 MVG 230

Helytakarékos, moduláris túlfeszültség-korlátozó 6 mm-es szélességgel és push-in csatlakozástechnikával, állapotjelzéssel többeres, földpotenciálmentes, 230 V névleges feszültségű jelinterfészek 2 érpárja védelmére. Jelleválasztással karbantartási célra.
Teljesíti többek között a jelzéstechnikai berendezésekre vonatkozó követelményeket a vasútiparban (DB RIL 819.0808 szerint).

1 Termék

Cikkszám 927290 BCO ML2 MVG 230

GTIN 4013364466524, Vámtarifa szám (EU): 85363010, Bruttó súly: 60.12 g, PU: 1.00 db.


Képek

További információ

Túlfeszültség-korlátozó BLITZDUCTORconnect ML2 MVG 230
moduláris, dugaszolható túlfeszültség-korlátozó
230 V AC névleges feszültségű többeres
jelinterfészek 2 erének védelmére.
bevizsgálva az EN/IEC 61643-21 szerint és energetikailag
koordinálva az IEC 61643-22 szerint
Levezetőosztály 2. típus / P3
Impulzuskategória: C1, C2, C3
Üzemállapot-kijelzés, szélesség 6 mm
Legmagasabb tartós feszültség: 320 V DC / 250 V AC
Névleges áram 80 °C-on: 3 A
C2 névleges levezetési impulzus erenként (8/20): 3 kA
C2 Névleges levezetési impulzus összesen (8/20): 6 kA
jelleválasztással karbantartási célra
Vezetékcsatlakozás: Push-in
DB RIL 819.0808 szerint

Gyártó: DEHN
Típus: BCO ML2 MVG 230
Cikksz.: 927290
vagy egyenértékű.

Tanúsítványok

 

Műszaki adatok

SPD osztály V
Névleges feszültség (UN ) 230 V
Névleges áram 80 °C-on (IL ) 3 A
C2 Névleges levezetési áram (8/20 µs) összesen (In ) 6 kA
Soros ellenállás per ér 0 ohm
Tanúsítványok SIL
*) Részleteket lásd: www.dehn.de

A 927290 termék hozzá lett adva a jegyzettömbhöz.

A 927290 terméket hozzáadtuk a kosárhoz.

Webshop indítása

BCO ML2 BD EX 24

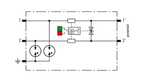
Helytakarékos, moduláris kombinált védelmi készülék 6 mm-es szélességgel, rugós csatlakozástechnikával, állapotjelzéssel, egy érpár gyújtószikramentes mérőáramkör és buszrendszer védelmére. Megfelel a FISCO követelményeinek. Szigetelési szilárdság> 500 V ér-föld között. Jelmegszakítással karbantartási célokra.

1 Termék

Cikkszám 927284 BCO ML2 BD EX 24

GTIN 4013364405677, Vámtarifa szám (EU): 85363010, Bruttó súly: 65.18 g, PU: 1.00 db.

Kifutott termék:

Képek

További információ

Kombinált levezető BLITZDUCTORconnect ML2 BD EX 24
moduláris, dugaszolható kombinált levezető
gyújtószikramentes, potenciálfüggetlen szimmetrikus
interfészek egy érpárjának védelmére
bevizsgálva az EN/IEC 61643-21 szerint és
energetikailag koordinálva az IEC 61643-22 szerint
Levezetőosztály 1. típus P2
Impulzuskategória: C1, C2, C3, B2, D1
Üzemállapot-kijelzés, szélesség 6 mm
Legmagasabb tartós feszültség: 36,0 V DC / 25,4 V AC
Névleges áram 70 °C-on: 0,75 A
Max. bemeneti feszültség EN 60079-11 szerint: 30 V
Max. bemeneti áram EN 60079-11 szerint: 0,5 A
C2 névleges levezetési impulzus erenként (8/20): 5 kA
C2 Névleges levezetési impulzus összesen (8/20): 10 kA
D1 Villámáram impulzus (10/350 µs) erenként: 1,5 kA
D1 Villámáram impulzus (10/350 µs) összesen: 3 kA
jelleválasztással karbantartási célra
Vezetékcsatlakozás: Push-in

Gyártó: DEHN
Típus: BCO ML2 BD EX 24
Cikksz.: 927284
vagy egyenértékű.

Tanúsítványok

 

Műszaki adatok

SPD osztály L
Névleges feszültség (UN ) 24 V
Legnagyobb folyamatos üzemi feszültség DC (UC ) 36 V
Névleges áram 80 °C-on (IL ) 0.5 A
D1 villámáram impulzus (10/350 µs) per ér (Iimp ) 1.5 kA
C2 Névleges levezetési áram (8/20 µs) összesen (In ) 10 kA
Soros ellenállás per ér 1 ohm
Határfrekvencia ér-ér (fG ) 3.5 MHz
Tanúsítványok ATEX, IECEx, CCC, SIL
*) Részleteket lásd: www.dehn.de

A 927284 termék hozzá lett adva a jegyzettömbhöz.

A 927284 terméket hozzáadtuk a kosárhoz.

Webshop indítása

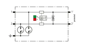
BCO MOD ML2 B

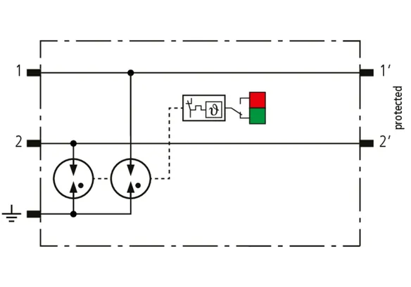
6 mm szélességű villámáram-levezető védőmodul a BLITZDUCTORconnect termékcsaládhoz, állapotjelzéssel, két egyedi ér védelmére villámvédelmi potenciálkiegyenlítéshez, valamint árnyékolt kábelek árnyékolásának közvetett földelésére.

1 Termék

Cikkszám 927010 BCO MOD ML2 B 180

GTIN 4013364410114, Vámtarifa szám (EU): 85363010, Bruttó súly: 39.00 g, PU: 1.00 db.


Képek

További információ

Villámáram-levezető védőmodul
BLITZDUCTORconnect MOD ML2 B 180
dugaszolható villámáram-védőmodul
2 egyedi ér védelmére
villámvédelem-potenciálkiegyenlítés számára
valamint árnyékolt vezetékek közvetett
földelésének kivitelezése számára.
bevizsgálva az EN/IEC 61643-21 szerint és energetikailag
koordinálva az IEC 61643-22 szerint
Levezetőosztály 1. típus
Impulzuskategória: C2, C3, B2, D1
Üzemállapot-kijelzés, szélesség 6 mm
Legmagasabb tartós feszültség: 180,0 V DC / 127,0 V AC
Névleges áram 80 °C-on: 1,2 A
C2 névleges levezetési impulzus erenként (8/20): 5 kA
C2 Névleges levezetési impulzus összesen (8/20): 10 kA
D1 Villámáram impulzus (10/350 µs) erenként: 1,5 kA
D1 Villámáram impulzus (10/350 µs) összesen: 3 kA
Cseremodul

Gyártó: DEHN
Típus: BCO MOD ML2 B 180
Cikksz.: 927010
vagy egyenértékű.

Tanúsítványok

 

Műszaki adatok

SPD osztály A
Névleges feszültség (UN ) 180 V
Legnagyobb folyamatos üzemi feszültség DC (UC ) 180 V
D1 villámáram impulzus (10/350 µs) per ér (Iimp ) 1.5 kA
C2 Névleges levezetési áram (8/20 µs) összesen (In ) 10 kA
Soros ellenállás per ér 0 ohm
Tanúsítványok UL 497B, CSA, ATEX, IECEx, CCC, SIL
*) Részleteket lásd: www.dehn.de

A 927010 termék hozzá lett adva a jegyzettömbhöz.

A 927010 terméket hozzáadtuk a kosárhoz.

Webshop indítása

BCO MOD ML2 BE

6 mm szélességű kombinált védőkészülék modul a BLITZDUCTORconnect termékcsaládhoz, állapotjelzéssel, két közös referenciapotenciállal rendelkező egyedi ér, valamint aszimmetrikus interfészek védelmére.

4 Termékek

Cikkszám 927022 BCO MOD ML2 BE 12

GTIN 4013364410121, Vámtarifa szám (EU): 85363010, Bruttó súly: 39.00 g, PU: 1.00 db.


Képek

További információ

Kombinált levezető védőmodul
BLITZDUCTORconnect MOD ML2 BE 12
dugaszolható kombinált levezető
2 egyedi ér védelmére
közös referenciapotenciállal
valamint aszimmetrikus interfészekkel
bevizsgálva az EN/IEC 61643-21 szerint és energetikailag
koordinálva az IEC 61643-22 szerint
Levezetőosztály 1. típus / P1
Impulzuskategória: C1, C2, C3, B2, D1
Üzemállapot-kijelzés, szélesség 6 mm
Legmagasabb tartós feszültség: 15,0 V DC / 10,6 V AC
Névleges áram 70 °C-on: 0,75 A
C2 névleges levezetési impulzus erenként (8/20): 5 kA
C2 Névleges levezetési impulzus összesen (8/20): 10 kA
D1 Villámáram impulzus (10/350 µs) erenként: 1,5 kA
D1 Villámáram impulzus (10/350 µs) összesen: 3 kA
Cseremodul

Gyártó: DEHN
Típus: BCO MOD ML2 BE 12
Cikksz.: 927022
vagy egyenértékű.

Tanúsítványok

 

Műszaki adatok

SPD osztály M
Névleges feszültség (UN ) 12 V
Legnagyobb folyamatos üzemi feszültség DC (UC ) 15 V
Névleges áram 70 °C-on (IL ) 0.75 A
D1 villámáram impulzus (10/350 µs) per ér (Iimp ) 1.5 kA
C2 Névleges levezetési áram (8/20 µs) összesen (In ) 10 kA
Soros ellenállás per ér 1 ohm
Határfrekvencia ér-ér (fG ) 1.4 MHz
Tanúsítványok UL 497B, CSA, ATEX, IECEx, CCC, SIL
*) Részleteket lásd: www.dehn.de

A 927022 termék hozzá lett adva a jegyzettömbhöz.

A 927022 terméket hozzáadtuk a kosárhoz.

Webshop indítása

Cikkszám 927024 BCO MOD ML2 BE 24

GTIN 4013364410138, Vámtarifa szám (EU): 85363010, Bruttó súly: 39.27 g, PU: 1.00 db.


Képek

További információ

Kombinált levezető védőmodul
BLITZDUCTORconnect MOD ML2 BE 24
dugaszolható kombinált védőmodul
2 egyedi ér védelmére
közös referenciapotenciállal
valamint aszimmetrikus interfészekkel
bevizsgálva az EN/IEC 61643-21 szerint és energetikailag
koordinálva az IEC 61643-22 szerint
Levezetőosztály 1. típus / P1
Impulzuskategória: C1, C2, C3, B2, D1
Üzemállapot-kijelzés, szélesség 6 mm
Legmagasabb tartós feszültség: 33,0 V DC / 23,3 V AC
Névleges áram 70 °C-on: 0,75 A
C2 névleges levezetési impulzus erenként (8/20): 5 kA
C2 Névleges levezetési impulzus összesen (8/20): 10 kA
D1 Villámáram impulzus (10/350 µs) erenként: 1,5 kA
D1 Villámáram impulzus (10/350 µs) összesen: 3 kA
Cseremodul

Gyártó: DEHN
Típus: BCO MOD ML2 BE 24
Cikksz.: 927024
vagy egyenértékű.

Tanúsítványok

 

Műszaki adatok

SPD osztály M
Névleges feszültség (UN ) 24 V
Legnagyobb folyamatos üzemi feszültség DC (UC ) 33 V
Névleges áram 70 °C-on (IL ) 0.75 A
D1 villámáram impulzus (10/350 µs) per ér (Iimp ) 1.5 kA
C2 Névleges levezetési áram (8/20 µs) összesen (In ) 10 kA
Soros ellenállás per ér 1 ohm
Határfrekvencia ér-ér (fG ) 3.4 MHz
Tanúsítványok UL 497B, CSA, ATEX, IECEx, CCC, SIL
*) Részleteket lásd: www.dehn.de

A 927024 termék hozzá lett adva a jegyzettömbhöz.

A 927024 terméket hozzáadtuk a kosárhoz.

Webshop indítása

Cikkszám 927025 BCO MOD ML2 BE 48

GTIN 4013364410145, Vámtarifa szám (EU): 85363010, Bruttó súly: 39.00 g, PU: 1.00 db.


Képek

További információ

Kombinált levezető védőmodul
BLITZDUCTORconnect MOD ML2 BE 48
dugaszolható kombinált védőmodul
2 egyedi ér védelmére
közös referenciapotenciállal
valamint aszimmetrikus interfészekkel
bevizsgálva az EN/IEC 61643-21 szerint és
energetikailag koordinálva az IEC 61643-22 szerint
Levezetőosztály 1. típus / P1
Impulzuskategória: C1, C2, C3, B2, D1
Üzemállapot-kijelzés, szélesség 6 mm
Legmagasabb tartós feszültség: 54,0 V DC / 38,1 V AC
Névleges áram 70 °C-on: 0,75 A
C2 névleges levezetési impulzus erenként (8/20): 5 kA
C2 Névleges levezetési impulzus összesen (8/20): 10 kA
D1 Villámáram impulzus (10/350 µs) erenként: 1,5 kA
D1 Villámáram impulzus (10/350 µs) összesen: 3 kA
Cseremodul

Gyártó: DEHN
Típus: BCO MOD ML2 BE 48
Cikksz.: 927025
vagy egyenértékű.

Tanúsítványok

 

Műszaki adatok

SPD osztály M
Névleges feszültség (UN ) 48 V
Legnagyobb folyamatos üzemi feszültség DC (UC ) 54 V
Névleges áram 70 °C-on (IL ) 0.75 A
D1 villámáram impulzus (10/350 µs) per ér (Iimp ) 1.5 kA
C2 Névleges levezetési áram (8/20 µs) összesen (In ) 10 kA
Soros ellenállás per ér 1 ohm
Határfrekvencia ér-ér (fG ) 5 MHz
Tanúsítványok UL 497B, CSA, ATEX, IECEx, CCC, SIL
*) Részleteket lásd: www.dehn.de

A 927025 termék hozzá lett adva a jegyzettömbhöz.

A 927025 terméket hozzáadtuk a kosárhoz.

Webshop indítása

Cikkszám 927027 BCO MOD ML2 BE 180

GTIN 4013364468689, Vámtarifa szám (EU): 85363010, Bruttó súly: 39.00 g, PU: 1.00 db.


Képek

További információ

Kombinált levezető védőmodul
BLITZDUCTORconnect MOD ML2 BE 180
dugaszolható kombinált védőmodul
2 egyedi ér védelmére
közös referenciapotenciállal
valamint aszimmetrikus interfészekkel
bevizsgálva az EN/IEC 61643-21 szerint és
energetikailag koordinálva az IEC 61643-22 szerint
Levezetőosztály 1. típus / P1
Impulzuskategória: C1, C2, C3, B2, D1
Üzemállapot-kijelzés, szélesség 6 mm
Legmagasabb tartós feszültség: 180 V DC / 127 V AC
Névleges áram 70 °C-on: 0,5 A
C2 névleges levezetési impulzus erenként (8/20): 5 kA
C2 Névleges levezetési impulzus összesen (8/20): 10 kA
D1 Villámáram impulzus (10/350 µs) erenként: 1,5 kA
D1 Villámáram impulzus (10/350 µs) összesen: 3 kA
Cseremodul

Gyártó: DEHN
Típus: BCO MOD ML2 BE 180
Cikksz.: 927027
vagy egyenértékű.

Tanúsítványok

 

Műszaki adatok

SPD osztály M
Névleges feszültség (UN ) 180 V
Legnagyobb folyamatos üzemi feszültség DC (UC ) 180 V
Névleges áram 70 °C-on (IL ) 0,5 A
D1 villámáram impulzus (10/350 µs) per ér (Iimp ) 1.5 kA
C2 Névleges levezetési áram (8/20 µs) összesen (In ) 10 kA
Soros ellenállás per ér 1,8 ohm
Határfrekvencia ér-ér (fG ) 10 MHz
Tanúsítványok UL 497B, SIL
*) Részleteket lásd: www.dehn.de

A 927027 termék hozzá lett adva a jegyzettömbhöz.

A 927027 terméket hozzáadtuk a kosárhoz.

Webshop indítása

BCO MOD ML2 BD

6 mm szélességű kombinált védőkészülék modul a BLITZDUCTORconnect termékcsaládhoz, állapotjelzéssel, egy érpár, földpotenciálfüggetlen szimmetrikus interfész védelmére.

4 Termékek

Cikkszám 927042 BCO MOD ML2 BD 12

GTIN 4013364410152, Vámtarifa szám (EU): 85363010, Bruttó súly: 39.00 g, PU: 1.00 db.


Képek

További információ

Kombinált levezető védőmodul
BLITZDUCTORconnect MOD ML2 BD 12
dugaszolható kombinált védőmodul
egy érpár védelmére
földeletlen szimmetrikus interfészeknél
bevizsgálva az EN/IEC 61643-21 szerint és energetikailag
koordinálva az IEC 61643-22 szerint
Levezetőosztály 1. típus / P2
Impulzuskategória: C1, C2, C3, B2, D1
Üzemállapot-kijelzés, szélesség 6 mm
Legmagasabb tartós feszültség: 15,0 V DC / 10,6 V AC
Névleges áram 70 °C-on: 0,75 A
C2 névleges levezetési impulzus erenként (8/20): 5 kA
C2 Névleges levezetési impulzus összesen (8/20): 10 kA
D1 Villámáram impulzus (10/350 µs) erenként: 1,5 kA
D1 Villámáram impulzus (10/350 µs) összesen: 3 kA
Cseremodul

Gyártó: DEHN
Típus: BCO MOD ML2 BD 12
Cikksz.: 927042
vagy egyenértékű.

Tanúsítványok

 

Műszaki adatok

SPD osztály L
Névleges feszültség (UN ) 12 V
Legnagyobb folyamatos üzemi feszültség DC (UC ) 15 V
Névleges áram 70 °C-on (IL ) 0.75 A
D1 villámáram impulzus (10/350 µs) per ér (Iimp ) 1.5 kA
C2 Névleges levezetési áram (8/20 µs) összesen (In ) 10 kA
Soros ellenállás per ér 1 ohm
Határfrekvencia ér-ér (fG ) 2.6 MHz
Tanúsítványok UL 497B, CSA, ATEX, IECEx, CCC, SIL
*) Részleteket lásd: www.dehn.de

A 927042 termék hozzá lett adva a jegyzettömbhöz.

A 927042 terméket hozzáadtuk a kosárhoz.

Webshop indítása

Cikkszám 927044 BCO MOD ML2 BD 24

GTIN 4013364410169, Vámtarifa szám (EU): 85363010, Bruttó súly: 39.00 g, PU: 1.00 db.


Képek

További információ

Kombinált levezető védőmodul
BLITZDUCTORconnect MOD ML2 BD 24
dugaszolható kombinált védőmodul
egy érpár védelmére
földeletlen szimmetrikus interfészeknél
bevizsgálva az EN/IEC 61643-21 szerint és energetikailag
koordinálva az IEC 61643-22 szerint
Levezetőosztály 1. típus / P2
Impulzuskategória: C1, C2, C3, B2, D1
Üzemállapot-kijelzés, szélesség 6 mm
Legmagasabb tartós feszültség: 36,0 V DC / 25,4 V AC
Névleges áram 70 °C-on: 0,75 A
C2 névleges levezetési impulzus erenként (8/20): 5 kA
C2 Névleges levezetési impulzus összesen (8/20): 10 kA
D1 Villámáram impulzus (10/350 µs) erenként: 1,5 kA
D1 Villámáram impulzus (10/350 µs) összesen: 3 kA
Cseremodul

Gyártó: DEHN
Típus: BCO MOD ML2 BD 24
Cikksz.: 927044
vagy egyenértékű.

Tanúsítványok

 

Műszaki adatok

SPD osztály L
Névleges feszültség (UN ) 24 V
Legnagyobb folyamatos üzemi feszültség DC (UC ) 36 V
Névleges áram 70 °C-on (IL ) 0.75 A
D1 villámáram impulzus (10/350 µs) per ér (Iimp ) 1.5 kA
C2 Névleges levezetési áram (8/20 µs) összesen (In ) 10 kA
Soros ellenállás per ér 1 ohm
Határfrekvencia ér-ér (fG ) 5.8 MHz
Tanúsítványok UL 497B, CSA, ATEX, IECEx, CCC, SIL
*) Részleteket lásd: www.dehn.de

A 927044 termék hozzá lett adva a jegyzettömbhöz.

A 927044 terméket hozzáadtuk a kosárhoz.

Webshop indítása

Cikkszám 927045 BCO MOD ML2 BD 48

GTIN 4013364410176, Vámtarifa szám (EU): 85363010, Bruttó súly: 39.00 g, PU: 1.00 db.


Képek

További információ

Kombinált levezető védőmodul
BLITZDUCTORconnect MOD ML2 BD 48
dugaszolható kombinált védőmodul
egy érpár védelmére
földeletlen szimmetrikus interfészeknél
bevizsgálva az EN/IEC 61643-21 szerint és
energetikailag koordinálva az IEC 61643-22 szerint
Levezetőosztály 1. típus / P2
Impulzuskategória: C1, C2, C3, B2, D1
Üzemállapot-kijelzés, szélesség 6 mm
Legmagasabb tartós feszültség: 54,0 V DC / 38,1 V AC
Névleges áram 70 °C-on: 0,75 A
C2 névleges levezetési impulzus erenként (8/20): 5 kA
C2 Névleges levezetési impulzus összesen (8/20): 10 kA
D1 Villámáram impulzus (10/350 µs) erenként: 1,5 kA
D1 Villámáram impulzus (10/350 µs) összesen: 3 kA
Cseremodul

Gyártó: DEHN
Típus: BCO MOD ML2 BD 48
Cikksz.: 927045
vagy egyenértékű.

Tanúsítványok

 

Műszaki adatok

SPD osztály L
Névleges feszültség (UN ) 48 V
Legnagyobb folyamatos üzemi feszültség DC (UC ) 56 V
Névleges áram 70 °C-on (IL ) 0.75 A
D1 villámáram impulzus (10/350 µs) per ér (Iimp ) 1.5 kA
C2 Névleges levezetési áram (8/20 µs) összesen (In ) 10 kA
Soros ellenállás per ér 1 ohm
Határfrekvencia ér-ér (fG ) 7,2 MHz
Tanúsítványok UL 497B, CSA, ATEX, IECEx, CCC, SIL
*) Részleteket lásd: www.dehn.de

A 927045 termék hozzá lett adva a jegyzettömbhöz.

A 927045 terméket hozzáadtuk a kosárhoz.

Webshop indítása

Cikkszám 927047 BCO MOD ML2 BD 180

GTIN 4013364468672, Vámtarifa szám (EU): 85363010, Bruttó súly: 39.00 g, PU: 1.00 db.


Képek

További információ

Kombinált levezető védőmodul
BLITZDUCTORconnect MOD ML2 BD 180
dugaszolható kombinált védőmodul
földeletlen szimmetrikus interfészek
egy érpárjának védelmére
bevizsgálva az EN/IEC 61643-21 szerint és
energetikailag koordinálva az IEC 61643-22 szerint
Levezetőosztály 1. típus P2
Impulzuskategória: C1, C2, C3, B2, D1
Üzemállapot-kijelzés, szélesség 6 mm
Legmagasabb tartós feszültség: 180 V DC / 127 V AC
Névleges áram 70 °C-on: 0,5 A
C2 névleges levezetési impulzus erenként (8/20): 5 kA
C2 Névleges levezetési impulzus összesen (8/20): 10 kA
D1 Villámáram impulzus (10/350 µs) erenként: 1,5 kA
D1 Villámáram impulzus (10/350 µs) összesen: 3 kA
Cseremodul

Gyártó: DEHN
Típus: BCO MOD ML2 BD 180
Cikksz.: 927047
vagy egyenértékű.

Tanúsítványok

 

Műszaki adatok

SPD osztály L
Névleges feszültség (UN ) 180 V
Legnagyobb folyamatos üzemi feszültség DC (UC ) 180 V
Névleges áram 70 °C-on (IL ) 0,5 A
D1 villámáram impulzus (10/350 µs) per ér (Iimp ) 1.5 kA
C2 Névleges levezetési áram (8/20 µs) összesen (In ) 10 kA
Soros ellenállás per ér 1,8 ohm
Határfrekvencia ér-ér (fG ) 10 MHz
Tanúsítványok UL 497B, SIL
*) Részleteket lásd: www.dehn.de

A 927047 termék hozzá lett adva a jegyzettömbhöz.

A 927047 terméket hozzáadtuk a kosárhoz.

Webshop indítása

BCO MOD ML2 BE HF

6 mm szélességű kombinált védőkészülék modul a BLITZDUCTORconnect termékcsaládhoz, állapotjelzéssel, két közös referenciapotenciállal rendelkező egyedi ér, illetve aszimmetrikus interfésszel rendelkező, nagyfrekvenciás átviteli vonalak védelmére.

2 Termékek

Cikkszám 927070 BCO MOD ML2 BE HF 5

GTIN 4013364410183, Vámtarifa szám (EU): 85363010, Bruttó súly: 39.00 g, PU: 1.00 db.


Képek

További információ

Kombinált levezető védőmodul
BLITZDUCTORconnect MOD ML2 BE HF 5
dugaszolható kombinált védőmodul
nagyfrekvenciás-, közös referenciapotenciállal
rendelkező átviteli vonal-, és aszimmetrikus interfészek 2
egyedi erének védelmére.
bevizsgálva az EN/IEC 61643-21 szerint és energetikailag
koordinálva az IEC 61643-22 szerint
Levezetőosztály 1. típus / P1
Impulzuskategória: C1, C2, C3, B2, D1
Üzemállapot-kijelzés, szélesség 6 mm
Legmagasabb tartós feszültség: 8,5 V DC / 6,0 V AC
Névleges áram 70 °C-on: 0,75 A
Határfrekvencia 100 MHz
C2 névleges levezetési impulzus erenként (8/20): 5 kA
C2 Névleges levezetési impulzus összesen (8/20): 10 kA
D1 Villámáram impulzus (10/350 µs) erenként: 1,5 kA
D1 Villámáram impulzus (10/350 µs) összesen: 3 kA
Cseremodul

Gyártó: DEHN
Típus: BCO MOD ML2 BE HF 5
Cikksz.: 927070
vagy egyenértékű.

Tanúsítványok

 

Műszaki adatok

SPD osztály M
Névleges feszültség (UN ) 5 V
Legnagyobb folyamatos üzemi feszültség DC (UC ) 8.5 V
Névleges áram 70 °C-on (IL ) 0.75 A
D1 villámáram impulzus (10/350 µs) per ér (Iimp ) 1.5 kA
C2 Névleges levezetési áram (8/20 µs) összesen (In ) 10 kA
Soros ellenállás per ér 1 ohm
Tanúsítványok UL 497B, CSA, ATEX, IECEx, CCC, SIL
*) Részleteket lásd: www.dehn.de

A 927070 termék hozzá lett adva a jegyzettömbhöz.

A 927070 terméket hozzáadtuk a kosárhoz.

Webshop indítása

Cikkszám 927074 BCO MOD ML2 BE HF 24

GTIN 4013364468573, Vámtarifa szám (EU): 85363010, Bruttó súly: 39.00 g, PU: 1.00 db.


Képek

További információ

Kombinált levezető védőmodul
BLITZDUCTORconnect MOD ML2 BE HF 24
dugaszolható kombinált védőmodul
2 egyedi ér védelmére nagyfrekvenciás
átviteleknél közös referenciapotenciállal,
valamint aszimmetrikus interfészekkel
bevizsgálva az EN/IEC 61643-21 szerint és energetikailag
koordinálva az IEC 61643-22 szerint
Levezetőosztály 1. típus / P1
Impulzuskategória: C1, C2, C3, B2, D1
Üzemállapot-kijelzés, szélesség 6 mm
Legmagasabb tartós feszültség: 36 V DC / 25,4 V AC
Névleges áram 70 °C-on: 0,75 A
Határfrekvencia 100 MHz
C2 névleges levezetési impulzus erenként (8/20): 5 kA
C2 Névleges levezetési impulzus összesen (8/20): 10 kA
D1 Villámáram impulzus (10/350 µs) erenként: 1,5 kA
D1 Villámáram impulzus (10/350 µs) összesen: 3 kA
Cseremodul

Gyártó: DEHN
Típus: BCO MOD ML2 BE HF 24
Cikksz.: 927074
vagy egyenértékű.

Tanúsítványok

 

Műszaki adatok

SPD osztály M
Névleges feszültség (UN ) 24 V
Legnagyobb folyamatos üzemi feszültség DC (UC ) 36 V
Névleges áram 70 °C-on (IL ) 0.75 A
D1 villámáram impulzus (10/350 µs) per ér (Iimp ) 1.5 kA
C2 Névleges levezetési áram (8/20 µs) összesen (In ) 10 kA
Soros ellenállás per ér 1 ohm
Tanúsítványok UL 497B, SIL
*) Részleteket lásd: www.dehn.de

A 927074 termék hozzá lett adva a jegyzettömbhöz.

A 927074 terméket hozzáadtuk a kosárhoz.

Webshop indítása

BCO MOD ML2 BD HF

6 mm szélességű kombinált védőkészülék modul a BLITZDUCTORconnect termékcsaládhoz, állapotjelzéssel, egy érpár, földpotenciálfüggetlen, nagyfrekvenciás buszrendszer, valamint szimmetrikus interfészek védelmére.

2 Termékek

Cikkszám 927071 BCO MOD ML2 BD HF 5

GTIN 4013364410190, Vámtarifa szám (EU): 85363010, Bruttó súly: 39.00 g, PU: 1.00 db.


Képek

További információ

Kombinált levezető védőmodul
BLITZDUCTORconnect MOD ML2 BD HF 5
dugaszolható kombinált védőmodul
földpotenciálmentes, nagy névleges áramú jelzőkörök 1 érpárja
nagyfrekvenciás buszrendszerek védelmére
valamint szimmetrikus interfészeknél
bevizsgálva az EN/IEC 61643-21 szerint és energetikailag
koordinálva az IEC 61643-22 szerint
Levezetőosztály 1. típus / P2
Impulzuskategória: C1, C2, C3, B2, D1
Üzemállapot-kijelzés, szélesség 6 mm
Legmagasabb tartós feszültség: 8,5 V DC / 6,0 V AC
Névleges áram 70 °C-on: 0,75 A
Határfrekvencia 100 MHz
C2 névleges levezetési impulzus erenként (8/20): 5 kA
C2 Névleges levezetési impulzus összesen (8/20): 10 kA
D1 Villámáram impulzus (10/350 µs) erenként: 1,5 kA
D1 Villámáram impulzus (10/350 µs) összesen: 3 kA
Cseremodul

Gyártó: DEHN
Típus: BCO MOD ML2 BD HF 5
Cikksz.: 927071
vagy egyenértékű.

Tanúsítványok

 

Műszaki adatok

SPD osztály L
Névleges feszültség (UN ) 5 V
Legnagyobb folyamatos üzemi feszültség DC (UC ) 8.5 V
Névleges áram 70 °C-on (IL ) 0.75 A
D1 villámáram impulzus (10/350 µs) per ér (Iimp ) 1.5 kA
C2 Névleges levezetési áram (8/20 µs) összesen (In ) 10 kA
Soros ellenállás per ér 1 ohm
Határfrekvencia ér-ér (fG ) 100 MHz
Tanúsítványok UL 497B, CSA, ATEX, IECEx, CCC, SIL
*) Részleteket lásd: www.dehn.de

A 927071 termék hozzá lett adva a jegyzettömbhöz.

A 927071 terméket hozzáadtuk a kosárhoz.

Webshop indítása

Cikkszám 927075 BCO MOD ML2 BD HF 24

GTIN 4013364468580, Vámtarifa szám (EU): 85363010, Bruttó súly: 39.00 g, PU: 1.00 db.


Képek

További információ

Kombinált levezető védőmodul
BLITZDUCTORconnect MOD ML2 BD HF 24
dugaszolható kombinált védőmodul
földpotenciálfüggetlen nagyfrekvenciás buszrendszerek,
valamint a szimmetrikus interfészek egy
érpárjának védelmére
bevizsgálva az EN/IEC 61643-21 szerint és energetikailag
koordinálva az IEC 61643-22 szerint
Levezetőosztály 1. típus P2
Impulzuskategória: C1, C2, C3, B2, D1
Üzemállapot-kijelzés, szélesség 6 mm
Legmagasabb tartós feszültség: 36 V DC / 25,4 V AC
Névleges áram 70 °C-on: 0,75 A
Határfrekvencia 100 MHz
C2 névleges levezetési impulzus erenként (8/20): 5 kA
C2 Névleges levezetési impulzus összesen (8/20): 10 kA
D1 Villámáram impulzus (10/350 µs) erenként: 1,5 kA
D1 Villámáram impulzus (10/350 µs) összesen: 3 kA
Cseremodul

Gyártó: DEHN
Típus: BCO MOD ML2 BD HF 24
Cikksz.: 927075
vagy egyenértékű.

Tanúsítványok

 

Műszaki adatok

SPD osztály L
Névleges feszültség (UN ) 24 V
Legnagyobb folyamatos üzemi feszültség DC (UC ) 36 V
Névleges áram 70 °C-on (IL ) 0.75 A
D1 villámáram impulzus (10/350 µs) per ér (Iimp ) 1.5 kA
C2 Névleges levezetési áram (8/20 µs) összesen (In ) 10 kA
Soros ellenállás per ér 1 ohm
Határfrekvencia ér-ér (fG ) 100 MHz
Tanúsítványok UL 497B, SIL
*) Részleteket lásd: www.dehn.de

A 927075 termék hozzá lett adva a jegyzettömbhöz.

A 927075 terméket hozzáadtuk a kosárhoz.

Webshop indítása

BCO MOD ML2 BD HC5A 24

1 Termék

Cikkszám 927054 BCO MOD ML2 BD HC5A 24

GTIN 4013364513426, Vámtarifa szám (EU): 85363010, Bruttó súly: 41.00 g, PU: 1.00 db.


Képek

További információ

Kombinált levezető védőmodul
BLITZDUCTORconnect MOD ML2 BD HC5A 24
dugaszolható kombinált védőmodul
földpotenciálmentes, nagy névleges áramú jelzőkörök 1 érpárja
védelmére nagy névleges árammal
információtechnológiai rendszerekben és mérő, vezérlő, szabályozó körökben
bevizsgálva az EN/IEC 61643-21 szerint és energetikailag
koordinálva az IEC 61643-22 szerint
Levezetőosztály 1. típus / P2
Impulzuskategória: C1, C2, C3, B2, D1
Üzemállapot-kijelzés, szélesség 6 mm
Legmagasabb tartós feszültség: 36 V DC / 25,4 V AC
Névleges áram 80 °C-on: 5 A
C2 névleges levezetési impulzus erenként (8/20): 5 kA
C2 Névleges levezetési impulzus összesen (8/20): 10 kA
D1 Villámáram impulzus (10/350 µs) erenként: 1,5 kA
D1 Villámáram impulzus (10/350 µs) összesen: 3 kA
Cseremodul

Gyártó: DEHN
Típus: BCO MOD ML2 BD HC5A 24
Cikksz.: 927054
vagy egyenértékű.

Tanúsítványok

 

Műszaki adatok

SPD osztály L
Névleges feszültség (UN ) 24 V
Legnagyobb folyamatos üzemi feszültség DC (UC ) 36 V
Névleges áram 80 °C-on (IL ) 5 A
D1 villámáram impulzus (10/350 µs) per ér (Iimp ) 1.5 kA
C2 Névleges levezetési áram (8/20 µs) összesen (In ) 10 kA
Soros ellenállás per ér 0 ohm
Tanúsítványok UL 497B, SIL
*) Részleteket lásd: www.dehn.de

A 927054 termék hozzá lett adva a jegyzettömbhöz.

A 927054 terméket hozzáadtuk a kosárhoz.

Webshop indítása

BCO MOD ML2 BPD

Kombinált levezető védőmodul 6 mm-es szélességgel BLITZDUCTORconnect számára állapotjelzéssel 1 érpár védelmére 24 V DC rendszerekben. Földelt mínuszpólus esetén is alkalmazható. Integrált PTC-ellenállások teszik lehetővé a levezető biztonságos visszaállítását zavarbefolyásolás után a berendezéskörben 40 A-ig terjedő rövidzárlati áramok esetén.

1 Termék

Cikkszám 927014 BCO MOD ML2 BPD 24

GTIN 4013364473010, Vámtarifa szám (EU): 85363010, Bruttó súly: 39.00 g, PU: 1.00 db.


Képek

További információ

Kombinált levezető védőmodul BLITZDUCTORconnect MOD ML2 BPD 24
dugaszolható kombinált védőmodul
egy érpár védelmére 24 V DC rendszerekben, alkalmazás
lehetséges földelt mínuszpólusnál is,
integrált PTC ellenállásokkal
túláramvédelemre 40 A-ig
bevizsgálva az EN/IEC 61643-21 szerint és energetikailag
koordinálva az IEC 61643-22 szerint
Levezetőosztály 1. típus P2
Impulzuskategória: C1, C2, C3, B2, D1
Üzemállapot-kijelzés, szélesség 6 mm
Legmagasabb tartós feszültség: 33,0 V DC / 23,3 V AC
Névleges áram 70 °C-on: 0,1 A
C2 névleges levezetési impulzus erenként (8/20): 5 kA
C2 Névleges levezetési impulzus összesen (8/20): 10 kA
D1 Villámáram impulzus (10/350 µs) erenként: 1,5 kA
D1 Villámáram impulzus (10/350 µs) összesen: 3 kA
Cseremodul

Gyártó: DEHN
Típus: BCO MOD ML2 BPD 24
Cikksz.: 927014
vagy egyenértékű.

Tanúsítványok

 

Műszaki adatok

SPD osztály L
Névleges feszültség (UN ) 24 V
Legnagyobb folyamatos üzemi feszültség DC (UC ) 33 V
Névleges áram 70 °C-on (IL ) 0,1 A
D1 villámáram impulzus (10/350 µs) per ér (Iimp ) 1.5 kA
C2 Névleges levezetési áram (8/20 µs) összesen (In ) 10 kA
Soros ellenállás per ér 10 ohm
Határfrekvencia ér-ér (fG ) 4,5 MHz
Tanúsítványok UL 497B, SIL
*) Részleteket lásd: www.dehn.de

A 927014 termék hozzá lett adva a jegyzettömbhöz.

A 927014 terméket hozzáadtuk a kosárhoz.

Webshop indítása

BCO MOD ML2 MVG 230

Túlfeszültség-korlátozó védőmodul 6 mm-es szélességgel BLITZDUCTORconnect számára, állapotjelzéssel többeres, földpotenciálmentes, 230 V névleges feszültségű jelinterfészek 2 érpárja védelmére.
Teljesíti többek között a jelzéstechnikai berendezésekre vonatkozó követelményeket a vasútiparban (DB RIL 819.0808 szerint).

1 Termék

Cikkszám 927090 BCO MOD ML2 MVG 230

GTIN 4013364466531, Vámtarifa szám (EU): 85363010, Bruttó súly: 39.00 g, PU: 1.00 db.


Képek

További információ

Túlfeszültség-korlátozó védőmodul
BLITZDUCTORconnect MOD ML2 MVG 230
dugaszolható túlfeszültség-védőmodul
230 V AC névleges feszültségű többeres
jelinterfészek 2 erének védelmére.
bevizsgálva az EN/IEC 61643-21 szerint és energetikailag
koordinálva az IEC 61643-22 szerint
Levezetőosztály 2. típus / P3
Impulzuskategória: C1, C2, C3
Üzemállapot-kijelzés, szélesség 6 mm
Legmagasabb tartós feszültség: 320 V DC / 250 V AC
Névleges áram 80 °C-on: 3 A
C2 névleges levezetési impulzus erenként (8/20): 3 kA
C2 Névleges levezetési impulzus összesen (8/20): 6 kA
Cseremodul
DB RIL 819.0808 szerint

Gyártó: DEHN
Típus: BCO MOD ML2 MVG 230
Cikksz.: 927090
vagy egyenértékű.

Tanúsítványok

 

Műszaki adatok

SPD osztály V
Névleges feszültség (UN ) 230 V
Névleges áram 80 °C-on (IL ) 3 A
C2 Névleges levezetési áram (8/20 µs) összesen (In ) 6 kA
Soros ellenállás per ér 0 ohm
Tanúsítványok SIL
*) Részleteket lásd: www.dehn.de

A 927090 termék hozzá lett adva a jegyzettömbhöz.

A 927090 terméket hozzáadtuk a kosárhoz.

Webshop indítása

BCO MOD ML2 BD EX 24

6 mm szélességű kombinált védőkészülék modul a BLITZDUCTORconnect termékcsaládhoz, állapotjelzéssel egy érpár gyújtószikramentes mérőáramkör és buszrendszer védelmére. Megfelel a FISCO követelményeinek. Szigetelési szilárdság> 500 V vezeték - föld között.

1 Termék

Cikkszám 927084 BCO MOD ML2 BD EX 24

GTIN 4013364410206, Vámtarifa szám (EU): 85363010, Bruttó súly: 39.00 g, PU: 1.00 db.


Képek

További információ

Kombinált levezető védőmodul
BLITZDUCTORconnect MOD ML2 BD EX 24
dugaszolható kombinált védőmodul
gyújtószikramentes, potenciálfüggetlen szimmetrikus
interfészek egy érpárjának védelmére
bevizsgálva az EN/IEC 61643-21 szerint és energetikailag
koordinálva az IEC 61643-22 szerint
Levezetőosztály 1. típus / P2
Impulzuskategória: C1, C2, C3, B2, D1
Üzemállapot-kijelzés, szélesség 6 mm
Legmagasabb tartós feszültség: 36,0 V DC / 25,4 V AC
Névleges áram 70 °C-on: 0,75 A
Max. bemeneti feszültség EN 60079-11 szerint: 30 V
Max. bemeneti áram EN 60079-11 szerint: 0,5 A
C2 névleges levezetési impulzus erenként (8/20): 5 kA
C2 Névleges levezetési impulzus összesen (8/20): 10 kA
D1 Villámáram impulzus (10/350 µs) erenként: 1,5 kA
D1 Villámáram impulzus (10/350 µs) összesen: 3 kA
Cseremodul

Gyártó: DEHN
Típus: BCO MOD ML2 BD EX 24
Cikksz.: 927084
vagy egyenértékű.

Tanúsítványok

 

Műszaki adatok

SPD osztály L
Névleges feszültség (UN ) 24 V
Legnagyobb folyamatos üzemi feszültség DC (UC ) 36 V
Névleges áram 80 °C-on (IL ) 0.5 A
D1 villámáram impulzus (10/350 µs) per ér (Iimp ) 1.5 kA
C2 Névleges levezetési áram (8/20 µs) összesen (In ) 10 kA
Soros ellenállás per ér 1 ohm
Határfrekvencia ér-ér (fG ) 3.5 MHz
Tanúsítványok ATEX, IECEx, CCC, SIL
*) Részleteket lásd: www.dehn.de

A 927084 termék hozzá lett adva a jegyzettömbhöz.

A 927084 terméket hozzáadtuk a kosárhoz.

Webshop indítása

back to top