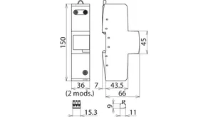
Cikkszám 961200 DVCI 1 255
GTIN 4013364145108, Vámtarifa szám (EU): 85363090, Bruttó súly: 477.30 g, PU: 1.00 db.
Műszaki adatok
| SPD típus/osztály az MSZ EN 61643-11 / ... IEC 61643-11 alapján | 1.típus + 2.típus/ I.osztály + II.osztály |
| Legnagyobb folyamatos üzemi feszültség AC (UC ) | 255 V (50 / 60 Hz) |
| Levezetési áramimpulzus (10/350 µs) (Iimp ) | 25 kA |
| Védelmi feszültségszint (UP ) | ≤ 1,5 kV |
| Max. hálózatoldali túláramvédelem | integrált előbiztosító |
| Tanúsítványok | KEMA |
| Kiegészítő műszaki adatok: | Alkalmazás kapcsolószekrényekben, ahol a független zárlati áram nagyobb mint 50 kAeff (VDE által bevizsgálva) |
| – Max. független zárlati áram | 100 kAeff (220 kAcsúcs) |
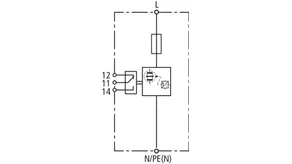
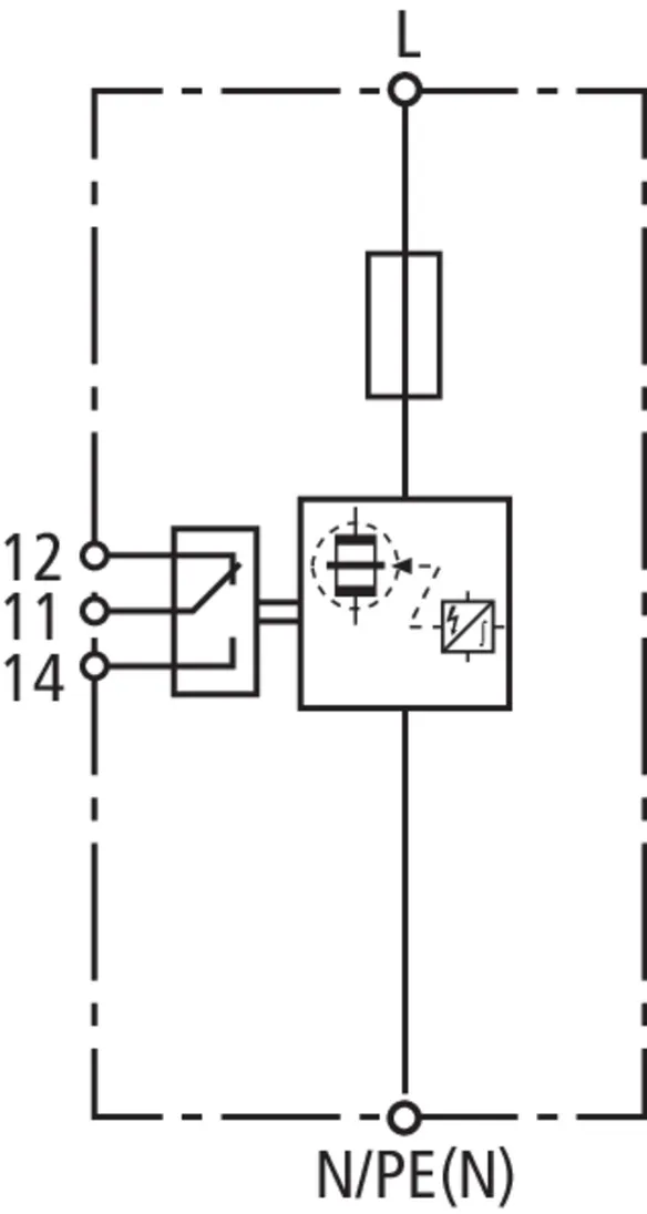
Cikkszám 961205 DVCI 1 255 FM
GTIN 4013364145115, Vámtarifa szám (EU): 85363090, Bruttó súly: 480.80 g, PU: 1.00 db.
Műszaki adatok
| SPD típus/osztály az MSZ EN 61643-11 / ... IEC 61643-11 alapján | 1.típus + 2.típus/ I.osztály + II.osztály |
| Legnagyobb folyamatos üzemi feszültség AC (UC ) | 255 V (50 / 60 Hz) |
| Levezetési áramimpulzus (10/350 µs) (Iimp ) | 25 kA |
| Védelmi feszültségszint (UP ) | ≤ 1,5 kV |
| Max. hálózatoldali túláramvédelem | integrált előbiztosító |
| Tanúsítványok | KEMA |
| Jelzőérintkező / Érintkezőtípus | váltóérintkező |
| Kiegészítő műszaki adatok: | Alkalmazás kapcsolószekrényekben, ahol a független zárlati áram nagyobb mint 50 kAeff (VDE által bevizsgálva) |
| – Max. független zárlati áram | 100 kAeff (220 kAcsúcs) |

