Vasúti földelő rendszer

A DEHN vasúti földelési rendszere már bizonyított a közlekedési infrastruktúra terén, mivel speciálisan közép-/nagyfeszültségű rendszerek közvetlen közelében lévő betonvasalás földelésére lett kifejlesztve. A vasúti földelési elemek egyrészt a vasalt betonszerkezetek potenciálkiegyenlítési célú összekötésére szolgálnak, másrészt arra lettek méretezve, hogy a vasúti felsővezeték szakadásakor kialakuló nagy zárlati áramokat is képesek legyenek vezetni.
Ennek kialakításához a DEHN különböző földelő áthidaló, földelőösszekötő elemeket gyárt, amelyek a változatos végdarabok és földelőösszekötő elemek révén sok kombinációs lehetőséggel rendelkező építőelem-rendszert alkotnak. A DEHN vasúti földelési rendszere rendelkezik a DB Netz AG (DB – Deutsche Bahn, Németország állami vasúttársasága) jóváhagyásával.

Nemesacél földelő áthidalók

A földelő áthidalók vasútvonalak használati területén földelésre, visszáramvezetésre, valamint potenciálkiegyenlítésre szolgálnak. A nemesacélból készült földelő áthidaló ezt egy definiált hegesztési varraton keresztül biztosítja a földelővezetékhez. A földelő áthidaló rendelkezik emellett a DB Netz AG műszaki jóváhagyásával és ezért ott tervezési biztonsággal felhasználható.

3 Termékek

Cikkszám 419000 D BEB 0 - 63 / EBS 15-03-19

GTIN 4013364439412, Vámtarifa szám (EU): 85369010, Bruttó súly: 840.00 g, PU: 1.00 db.


Képek

További információ

Nemesacél földelő áthidaló D BEB 0 - 63 / EBS 15-03-19
betonelemek vasalásának földeléséhez
a DB Netz AG engedélyével
Csatlakozóelem anyaga: NIRO
Anyagszám: 1.4301
Rövidzárlati áram: > 25 kA
Vizsgálati áram: 40 kA / 100 ms
Szabványhivatkozás: Ril 997.0205A01
Rövidzárlati áram (AC 50 Hz / DC): 12,6 kA
Menet: M16
Csatlakozólemez átmérő: 50 mm
Teljes magasság: 63 mm
Beépítési magasság: 55 mm
DB rajzszám: 3 Ebs 15.03.19 - 37

Gyártó: DEHN
Típus: D BEB 0 - 63 / EBS 15-03-19
Cikksz.: 419000
vagy egyenértékű.

 

Műszaki adatok

Csatlakozóelem anyaga NIRO
Anyagszám 1.4301
Rövidzárlati áram > 25 kA
Vizsgálati áram 40 kA / 100 ms
Szabványhivatkozás Ril 997.0205A01
Rövidzárlati áram (AC 50 Hz / DC) (1 s; ≤ 300 °C) 12,6 kA
Menet M16
Csatlakozólemez átmérő 50 mm
Teljes magasság 63 mm
Beépítési magasság 55 mm
DB rajzszám 3 Ebs 15.03.19 - 37

A 419000 termék hozzá lett adva a jegyzettömbhöz.

A 419000 terméket hozzáadtuk a kosárhoz.

Webshop indítása

Cikkszám 419001 D BEB 0 - 70 / EBS 15-03-19

GTIN 4013364439429, Vámtarifa szám (EU): 85369010, Bruttó súly: 950.00 g, PU: 1.00 db.


Képek

További információ

Nemesacél földelő áthidaló D BEB 0 - 70 / EBS 15-03-19
betonelemek vasalásának földeléséhez
a DB Netz AG engedélyével
Csatlakozóelem anyaga: NIRO
Anyagszám: 1.4301
Rövidzárlati áram: > 25 kA
Vizsgálati áram: 40 kA / 100 ms
Szabványhivatkozás: Ril 997.0205A01
Rövidzárlati áram (AC 50 Hz / DC): 12,6 kA
Menet: M16
Csatlakozólemez átmérő: 50 mm
Teljes magasság: 70 mm
Beépítési magasság: 62 mm
DB rajzszám: 3 Ebs 15.03.19 - 37

Gyártó: DEHN
Típus: D BEB 0 - 70 / EBS 15-03-19
Cikksz.: 419001
vagy egyenértékű.

 

Műszaki adatok

Csatlakozóelem anyaga NIRO
Anyagszám 1.4301
Rövidzárlati áram > 25 kA
Vizsgálati áram 40 kA / 100 ms
Szabványhivatkozás Ril 997.0205A01
Rövidzárlati áram (AC 50 Hz / DC) (1 s; ≤ 300 °C) 12,6 kA
Menet M16
Csatlakozólemez átmérő 50 mm
Teljes magasság 70 mm
Beépítési magasság 62 mm
DB rajzszám 3 Ebs 15.03.19 - 37

A 419001 termék hozzá lett adva a jegyzettömbhöz.

A 419001 terméket hozzáadtuk a kosárhoz.

Webshop indítása

Cikkszám 419002 D BEB 0 - 77 / EBS 15-03-19

GTIN 4013364439436, Vámtarifa szám (EU): 85369010, Bruttó súly: 1.05 kg, PU: 1.00 db.


Képek

További információ

Nemesacél földelő áthidaló D BEB 0 - 77 / EBS 15-03-19
betonelemek vasalásának földeléséhez
a DB Netz AG engedélyével
Csatlakozóelem anyaga: NIRO
Anyagszám: 1.4301
Rövidzárlati áram: > 25 kA
Vizsgálati áram: 40 kA / 100 ms
Szabványhivatkozás: Ril 997.0205A01
Rövidzárlati áram (AC 50 Hz / DC): 12,6 kA
Menet: M16
Csatlakozólemez átmérő: 50 mm
Teljes magasság: 77 mm
Beépítési magasság: 69 mm
DB rajzszám: 3 Ebs 15.03.19 - 37

Gyártó: DEHN
Típus: D BEB 0 - 77 / EBS 15-03-19
Cikksz.: 419002
vagy egyenértékű.

 

Műszaki adatok

Csatlakozóelem anyaga NIRO
Anyagszám 1.4301
Rövidzárlati áram > 25 kA
Vizsgálati áram 40 kA / 100 ms
Szabványhivatkozás Ril 997.0205A01
Rövidzárlati áram (AC 50 Hz / DC) (1 s; ≤ 300 °C) 12,6 kA
Menet M16
Csatlakozólemez átmérő 50 mm
Teljes magasság 77 mm
Beépítési magasság 69 mm
DB rajzszám 3 Ebs 15.03.19 - 37

A 419002 termék hozzá lett adva a jegyzettömbhöz.

A 419002 terméket hozzáadtuk a kosárhoz.

Webshop indítása

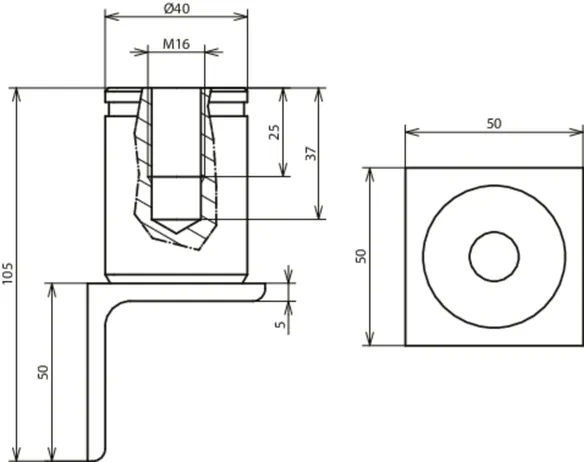
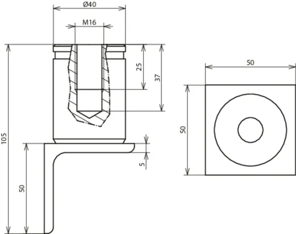
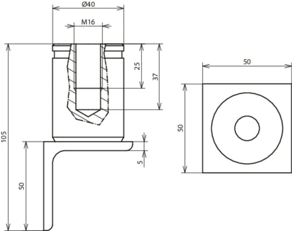
Nemesacél földelő áthidalók D BEB 16

A földelő áthidalók vasútvonalak használati területén földelésre, visszáramvezetésre, valamint potenciálkiegyenlítésre szolgálnak. A nemesacélból készült földelő áthidaló ezt egy definiált hegesztési varraton keresztül biztosítja a földelővezetékhez. A földelő áthidaló rendelkezik emellett a DB Netz AG műszaki jóváhagyásával és ezért ott tervezési biztonsággal felhasználható.

1 Termék

Cikkszám 419160 D BEB 16 - 105 / 3 EBS 15-03-19-38

GTIN 4013364510203, Vámtarifa szám (EU): 85369010, Bruttó súly: 697.72 g, PU: 8.00 db.


Képek

További információ

Nemesacél-földelő áthidaló D BEB 16 - 105 / 3 EBS 15-03-19-38
Nemesacél-földelő áthidaló
D BEB 16 - 105 / 3 EBS 15-03-19-38
betonelemek
vasalásának
földeléséhez a DB
Netz AG
engedélyével
Csatlakozóelem anyaga: NIRO
Anyagszám: 1.4301
Könyök anyaga: St
Rövidzárlati áram: > 25 kA
Vizsgálati áram: 40 kA / 100 ms
Szabványhivatkozás: Ril 997.0205A01
Rövidzárlati áram (AC 50 Hz / DC): 12,6 kA
Menet: M16
Csatlakozólemez átmérő: 40 mm
Könyök mérete: 50 x 50 x 5 mm
Teljes magasság: 105 mm
DB rajzszám: 3 Ebs 15.03.19 - 38

Gyártó: DEHN
Típus: D BEB 16 - 105 / 3 EBS 15-03-19-38
Cikksz.: 419160
vagy egyenértékű.

 

Műszaki adatok

Csatlakozóelem anyaga NIRO
Anyagszám 1.4301
Könyök anyaga St
Rövidzárlati áram > 25 kA
Vizsgálati áram 40 kA / 100 ms
Szabványhivatkozás Ril 997.0205A01
Rövidzárlati áram (AC 50 Hz / DC) (1 s; ≤ 300 °C) 12,6 kA
Menet M16
Csatlakozólemez átmérő 40 mm
Könyök mérete (h x sz x mé) 50 x 50 x 5 mm
Teljes magasság 105 mm
DB rajzszám 3 Ebs 15.03.19 - 38

A 419160 termék hozzá lett adva a jegyzettömbhöz.

A 419160 terméket hozzáadtuk a kosárhoz.

Webshop indítása

Laposacél földelő áthidalók D BEB 1

A földelő áthidalók vasútvonalak használati területén földelésre, visszáramvezetésre, valamint potenciálkiegyenlítésre szolgálnak. Ez a változat biztosítja ezt úgy, hogy az a felülettel síkba lesz beépítve és a laposacéllal a földelő vasalásra ráhegesztve – egy definiált hegesztési varraton át. A földelő áthidaló rendelkezik emellett a DB Netz AG műszaki jóváhagyásával és ezért ott tervezési biztonsággal felhasználható.

1 Termék

Cikkszám 419500 D BEB 1 - L100 / EBS 15-03-19

GTIN 4013364458383, Vámtarifa szám (EU): 85369010, Bruttó súly: 205.00 g, PU: 1.00 db.


Képek

További információ

Laposacél földelő áthidaló D BEB 1 / EBS 15-03-19
betonelemek vasalásának földeléséhez
a DB Netz AG engedélyével
Lemez anyaga: NIRO
Anyagszám: 1.4301
Hüvely anyaga: St / Cu
Laposacél anyaga: S235
Rövidzárlati áram: > 25 kA
Vizsgálati áram: 40 kA / 100 ms
Szabványhivatkozás: Ril 997.0205A01
Rövidzárlati áram (AC 50 Hz / DC): 12,6 kA
Menet: M16
Csatlakozólemez átmérő: 50 mm
Laposacél mérete: 100 x 40 x 5 mm
Teljes magasság: 58 mm
DB rajzszám: 3 Ebs 15.03.19 - 30

Gyártó: DEHN
Típus: D BEB 1 - L100 / EBS 15-03-19
Cikksz.: 419500
vagy egyenértékű.

 

Műszaki adatok

Lemez anyaga NIRO
Anyagszám 1.4301
Hüvely anyaga St / Cu
Laposacél anyaga S235
Rövidzárlati áram > 25 kA
Vizsgálati áram 40 kA / 100 ms
Szabványhivatkozás Ril 997.0205A01
Rövidzárlati áram (AC 50 Hz / DC) (1 s; ≤ 300 °C) 12,6 kA
Menet M16
Csatlakozólemez átmérő 50 mm
Laposacél mérete 100 x 40 x 5 mm
Teljes magasság 58 mm
DB rajzszám 3 Ebs 15.03.19 - 30

A 419500 termék hozzá lett adva a jegyzettömbhöz.

A 419500 terméket hozzáadtuk a kosárhoz.

Webshop indítása

Laposacél földelő áthidalók D BEB 1-L

A földelő áthidalók vasútvonalak használati területén földelésre, visszáramvezetésre, valamint potenciálkiegyenlítésre szolgálnak. Ez a változat biztosítja ezt úgy, hogy az a felülettel síkba lesz beépítve és a laposacéllal a földelő vasalásra ráhegesztve – egy definiált hegesztési varraton át. A földelő áthidaló rendelkezik emellett a DB Netz AG műszaki jóváhagyásával és ezért ott tervezési biztonsággal felhasználható.

1 Termék

Cikkszám 419011 D BEB 1-L / EBS 15-03-19

GTIN 4013364439450, Vámtarifa szám (EU): 85369010, Bruttó súly: 740.00 g, PU: 1.00 db.


Képek

További információ

Laposacél földelő áthidalók D BEB 1-L / EBS 15-03-19
betonelemek vasalásának földeléséhez
a DB Netz AG engedélyével
Lemez anyaga: NIRO
Anyagszám: 1.4301
Hüvely anyaga: St / Cu
Laposacél anyaga: S235
Rövidzárlati áram: > 25 kA
Vizsgálati áram: 40 kA / 100 ms
Szabványhivatkozás: Ril 997.0205A01
Rövidzárlati áram (AC 50 Hz / DC): 12,6 kA
Menet: M16
Csatlakozólemez átmérő: 50 mm
Laposacél mérete: 402 x 40 x 5 mm
Teljes magasság: 58 mm
Beépítési magasság: 410 mm
DB rajzszám: 3 Ebs 15.03.19 - 30

Gyártó: DEHN
Típus: D BEB 1-L / EBS 15-03-19
Cikksz.: 419011
vagy egyenértékű.

 

Műszaki adatok

Lemez anyaga NIRO
Anyagszám 1.4301
Hüvely anyaga St / Cu
Laposacél anyaga S235
Rövidzárlati áram > 25 kA
Vizsgálati áram 40 kA / 100 ms
Szabványhivatkozás Ril 997.0205A01
Rövidzárlati áram (AC 50 Hz / DC) (1 s; ≤ 300 °C) 12,6 kA
Menet M16
Csatlakozólemez átmérő 50 mm
Laposacél mérete 402 x 40 x 5 mm
Teljes magasság 58 mm
Beépítési magasság 410 mm
DB rajzszám 3 Ebs 15.03.19 - 30

A 419011 termék hozzá lett adva a jegyzettömbhöz.

A 419011 terméket hozzáadtuk a kosárhoz.

Webshop indítása

Laposacél földelő áthidalók D BEB 1-NR

A földelő áthidalók vasútvonalak használati területén földelésre, visszáramvezetésre, valamint potenciálkiegyenlítésre szolgálnak. Ez a változat biztosítja ezt úgy, hogy az a felülettel síkba lesz beépítve és a laposacéllal a földelő vasalásra ráhegesztve – egy definiált hegesztési varraton át. A földelő áthidaló rendelkezik emellett a DB Netz AG műszaki jóváhagyásával és ezért ott tervezési biztonsággal felhasználható.

1 Termék

Cikkszám 419012 D BEB 1-NR / EBS 15-03-19

GTIN 4013364439467, Vámtarifa szám (EU): 85369010, Bruttó súly: 1.46 kg, PU: 1.00 db.


Képek

További információ

Laposacél földelő áthidaló D BEB 1-NR / EBS 15-03-19
betonelemek vasalásának földeléséhez
a DB Netz AG engedélyével
Csatlakozóelem anyaga: NIRO
Anyagszám: 1.4301
Laposacél anyaga: S235
Rövidzárlati áram: > 25 kA
Vizsgálati áram: 40 kA / 100 ms
Szabványhivatkozás: Ril 997.0205A01
Rövidzárlati áram (AC 50 Hz / DC): 12,6 kA
Menet: M16
Csatlakozólemez átmérő: 50 mm
Laposacél mérete: 400 x 50 x 5 mm
Teljes magasság: 63 mm
DB rajzszám: 3 Ebs 15.03.19 - 36

Gyártó: DEHN
Típus: D BEB 1-NR / EBS 15-03-19
Cikksz.: 419012
vagy egyenértékű.

 

Műszaki adatok

Csatlakozóelem anyaga NIRO
Anyagszám 1.4301
Laposacél anyaga S235
Rövidzárlati áram > 25 kA
Vizsgálati áram 40 kA / 100 ms
Szabványhivatkozás Ril 997.0205A01
Rövidzárlati áram (AC 50 Hz / DC) (1 s; ≤ 300 °C) 12,6 kA
Menet M16
Csatlakozólemez átmérő 50 mm
Laposacél mérete 400 x 50 x 5 mm
Teljes magasság 63 mm
DB rajzszám 3 Ebs 15.03.19 - 36

A 419012 termék hozzá lett adva a jegyzettömbhöz.

A 419012 terméket hozzáadtuk a kosárhoz.

Webshop indítása

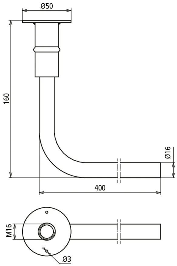
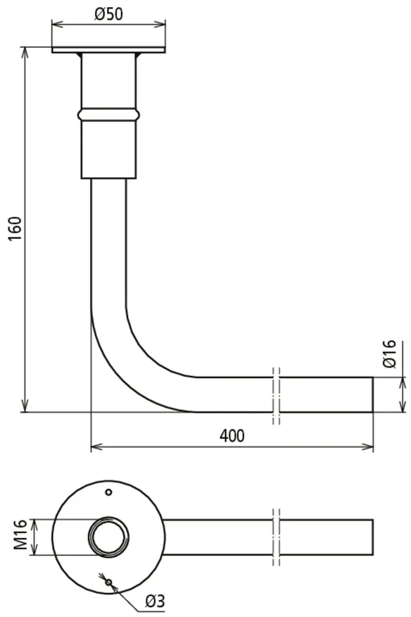
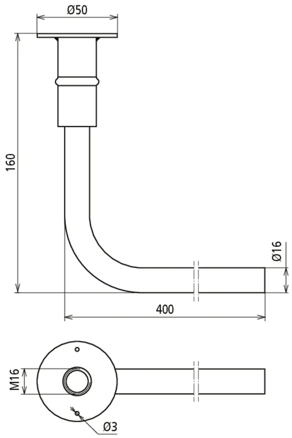
Betonacél földelő áthidalók D BEB 2

A földelő áthidalók vasútvonalak használati területén földelésre, visszáramvezetésre, valamint potenciálkiegyenlítésre szolgálnak. Ez a változat a felülettel síkba lesz beépítve és a hajlított betonacéllal mindenekelőtt helykritikus beépítési helyzetekben a földelő vasalásra ráhegesztve. A földelő áthidaló rendelkezik emellett a DB Netz AG műszaki jóváhagyásával és ezért ott tervezési biztonsággal felhasználható.

1 Termék

Cikkszám 419020 D BEB 2 / EBS 15-03-19

GTIN 4013364439405, Vámtarifa szám (EU): 85369010, Bruttó súly: 950.00 g, PU: 1.00 db.


Képek

További információ

Betonacél földelő áthidaló D BEB 2 / EBS 15-03-19
betonelemek vasalásának földeléséhez
a DB Netz AG engedélyével
Lemez anyaga: NIRO
Anyagszám: 1.4301
Hüvely anyaga: St / Cu
Tengely anyaga: Betonacél B500B
Rövidzárlati áram: > 25 kA
Vizsgálati áram: 40 kA / 100 ms
Szabványhivatkozás: Ril 997.0205A01
Rövidzárlati áram (AC 50 Hz / DC): 12,6 kA
Menet: M16
Csatlakozólemez átmérő: 50 mm
Betonacél átmérő: 16 mm
Beépítési magasság: 160 mm
Hossz: 400 mm
DB rajzszám: 3 Ebs 15.03.19 - 31

Gyártó: DEHN
Típus: D BEB 2 / EBS 15-03-19
Cikksz.: 419020
vagy egyenértékű.

 

Műszaki adatok

Lemez anyaga NIRO
Anyagszám 1.4301
Hüvely anyaga St / Cu
Tengely anyaga Betonacél B500B
Rövidzárlati áram > 25 kA
Vizsgálati áram 40 kA / 100 ms
Szabványhivatkozás Ril 997.0205A01
Rövidzárlati áram (AC 50 Hz / DC) (1 s; ≤ 300 °C) 12,6 kA
Menet M16
Csatlakozólemez átmérő 50 mm
Betonacél átmérő 16 mm
Beépítési magasság 160 mm
Hossz 400 mm
DB rajzszám 3 Ebs 15.03.19 - 31

A 419020 termék hozzá lett adva a jegyzettömbhöz.

A 419020 terméket hozzáadtuk a kosárhoz.

Webshop indítása

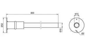
Betonacél földelő áthidalók D BEB 3

A földelő áthidalók vasútvonalak használati területén földelésre, visszáramvezetésre, valamint potenciálkiegyenlítésre szolgálnak. Ez a változat a felülettel síkba lesz beépítve és a betonacéllal a földelő vasalásra ráhegesztve. A földelő áthidaló rendelkezik emellett a DB Netz AG műszaki jóváhagyásával és ezért ott tervezési biztonsággal felhasználható.

1 Termék

Cikkszám 419030 D BEB 3 / EBS 15-03-19

GTIN 4013364439474, Vámtarifa szám (EU): 85369010, Bruttó súly: 750.00 g, PU: 1.00 db.


Képek

További információ

Betonacél földelő áthidaló D BEB 3 / EBS 15-03-19
betonelemek vasalásának földeléséhez
a DB Netz AG engedélyével
Lemez anyaga: NIRO
Anyagszám: 1.4301
Hüvely anyaga: St / Cu
Tengely anyaga: Betonacél B500B
Rövidzárlati áram: > 25 kA
Vizsgálati áram: 40 kA / 100 ms
Szabványhivatkozás: Ril 997.0205A01
Rövidzárlati áram (AC 50 Hz / DC): 12,6 kA
Menet: M16
Csatlakozólemez átmérő: 50 mm
Betonacél átmérő: 16 mm
Hossz: 400 mm
DB rajzszám: 3 Ebs 15.03.19 - 31

Gyártó: DEHN
Típus: D BEB 3 / EBS 15-03-19
Cikksz.: 419030
vagy egyenértékű.

 

Műszaki adatok

Lemez anyaga NIRO
Anyagszám 1.4301
Hüvely anyaga St / Cu
Tengely anyaga Betonacél B500B
Rövidzárlati áram > 25 kA
Vizsgálati áram 40 kA / 100 ms
Szabványhivatkozás Ril 997.0205A01
Rövidzárlati áram (AC 50 Hz / DC) (1 s; ≤ 300 °C) 12,6 kA
Menet M16
Csatlakozólemez átmérő 50 mm
Betonacél átmérő 16 mm
Hossz 400 mm
DB rajzszám 3 Ebs 15.03.19 - 31

A 419030 termék hozzá lett adva a jegyzettömbhöz.

A 419030 terméket hozzáadtuk a kosárhoz.

Webshop indítása

Betonacél földelő áthidalók D BEB 8

A földelő áthidalók vasútvonalak használati területén földelésre, visszáramvezetésre, valamint potenciálkiegyenlítésre szolgálnak. A változat a felülettel síkba lesz beépítve és a betonacéllal a földelő vasalásra ráhegesztve. A mindkét oldalon elhelyezett hüvelyekkel az alkatrészátvezetések hatékonyan és gazdaságosan valósulnak meg. A földelő áthidaló rendelkezik emellett a DB Netz AG műszaki jóváhagyásával és ezért ott tervezési biztonsággal felhasználható.

1 Termék

Cikkszám 419080 D BEB 8 / EBS 15-03-19

GTIN 4013364439566, Vámtarifa szám (EU): 85369010, Bruttó súly: 1.00 kg, PU: 1.00 db.


Képek

További információ

Betonacél földelő áthidaló D BEB 8 / EBS 15-03-19
betonelemek vasalásának földeléséhez
a DB Netz AG engedélyével

Lemez anyaga: NIRO
Anyagszám: 1.4301
Hüvely anyaga: St / Cu
Tengely anyaga: Betonacél B500B
Rövidzárlati áram: > 25 kA
Vizsgálati áram: 40 kA / 100 ms
Szabványhivatkozás: Ril 997.0205A01
Rövidzárlati áram (AC 50 Hz / DC): 12,6 kA
Menet: M16
Csatlakozólemez átmérő: 50 mm
Betonacél átmérő: 16 mm
Hossz: 500 mm
DB rajzszám: 3 Ebs 15.03.19 - 33

Gyártó: DEHN
Típus: D BEB 8 / EBS 15-03-19
Cikksz.: 419080
vagy egyenértékű.

 

Műszaki adatok

Lemez anyaga NIRO
Anyagszám 1.4301
Hüvely anyaga St / Cu
Tengely anyaga Betonacél B500B
Rövidzárlati áram > 25 kA
Vizsgálati áram 40 kA / 100 ms
Szabványhivatkozás Ril 997.0205A01
Rövidzárlati áram (AC 50 Hz / DC) (1 s; ≤ 300 °C) 12,6 kA
Menet M16
Csatlakozólemez átmérő 50 mm
Betonacél átmérő 16 mm
Hossz 500 mm
DB rajzszám 3 Ebs 15.03.19 - 33

A 419080 termék hozzá lett adva a jegyzettömbhöz.

A 419080 terméket hozzáadtuk a kosárhoz.

Webshop indítása

Réz-kábel földelő áthidalók D BEB 4 / 5

A földelő áthidalók vasútvonalak használati területén földelésre, visszáramvezetésre, valamint potenciálkiegyenlítésre szolgálnak. Ez a változat a felülettel síkba lesz beépítve és a rézkábelre rápréselt, rézzel bevont acélfüllel a földelő vasalásra ráhegesztve. A kábel flexibilitása megkönnyíti a felhasználónak a beszerelést a vasalásba. A speciális FLEX-változat a helykritikus beépítésnél különösen jól alkalmazható – itt extra-flexibilis, finomsodratú rézkábelek alkalmazására kerül sor. Ezek a földelő áthidalók rendelkeznek emellett a DB Netz AG műszaki jóváhagyásával és ezért ott tervezési biztonsággal felhasználhatók.
Speciális hosszúságok külön kérésre kaphatók: 500 mm teljes hosszig 50 mm-es lépésekben és 500 mm teljes hossz felett 100 mm-es lépésekben.

7 Termékek

Cikkszám 419040 D BEB 4 / EBS 15-03-19

GTIN 4013364439481, Vámtarifa szám (EU): 85369010, Bruttó súly: 640.00 g, PU: 1.00 db.


Képek

További információ

Réz-kábel földelő áthidaló D BEB 4 / EBS 15-03-19
betonelemek vasalásának földeléséhez
a DB Netz AG engedélyével
Lemez anyaga: NIRO
Anyagszám: 1.4301
Hüvely anyaga: St / Cu
Heveder anyaga: St / Cu
Kábel anyaga: Cu
Rövidzárlati áram: ≤ 25 kA
Vizsgálati áram: 25 kA / 100 ms
Szabványhivatkozás: Ril 997.0205A01
Rövidzárlati áram (AC 50 Hz / DC): 7,9 kA
Menet: M16
Csatlakozólemez átmérő: 50 mm
Kábel: NYY-O
Kábel keresztmetszet: 70 mm²
Átmérő kábel: 17 mm
Heveder mérete: 80 x 30 mm
Hossz: 500 mm
DB rajzszám: 3 Ebs 15.03.19 - 32

Gyártó: DEHN
Típus: D BEB 4 / EBS 15-03-19
Cikksz.: 419040
vagy egyenértékű.

 

Műszaki adatok

Lemez anyaga NIRO
Anyagszám 1.4301
Hüvely anyaga St / Cu
Heveder anyaga St / Cu
Kábel anyaga Cu
Rövidzárlati áram ≤ 25 kA
Vizsgálati áram 25 kA / 100 ms
Szabványhivatkozás Ril 997.0205A01
Rövidzárlati áram (AC 50 Hz / DC) (1 s; ≤ 300 °C) 7,9 kA
Menet M16
Csatlakozólemez átmérő 50 mm
Kábel NYY-O
Kábel keresztmetszet 70 mm²
Átmérő kábel 17 mm
Heveder mérete 80 x 30 mm
Hossz 500 mm
DB rajzszám 3 Ebs 15.03.19 - 32

A 419040 termék hozzá lett adva a jegyzettömbhöz.

A 419040 terméket hozzáadtuk a kosárhoz.

Webshop indítása

Cikkszám 419050 D BEB 5 / EBS 15-03-19

GTIN 4013364439504, Vámtarifa szám (EU): 85369010, Bruttó súly: 710.00 g, PU: 1.00 db.


Képek

További információ

Réz-kábel földelő áthidaló D BEB 5 / EBS 15-03-19
betonelemek vasalásának földeléséhez
a DB Netz AG engedélyével
Lemez anyaga: NIRO
Anyagszám: 1.4301
Hüvely anyaga: St / Cu
Heveder anyaga: St / Cu
Kábel anyaga: Cu
Rövidzárlati áram: > 25 kA
Vizsgálati áram: 40 kA / 100 ms
Szabványhivatkozás: Ril 997.0205A01
Rövidzárlati áram (AC 50 Hz / DC): 12,6 kA
Menet: M16
Csatlakozólemez átmérő: 50 mm
Kábel: NYY-O
Kábel keresztmetszet: 95 mm²
Átmérő kábel: 19 mm
Heveder mérete: 80 x 30 mm
Hossz: 500 mm
DB rajzszám: 3 Ebs 15.03.19 - 32

Gyártó: DEHN
Típus: D BEB 5 / EBS 15-03-19
Cikksz.: 419050
vagy egyenértékű.

 

Műszaki adatok

Lemez anyaga NIRO
Anyagszám 1.4301
Hüvely anyaga St / Cu
Heveder anyaga St / Cu
Kábel anyaga Cu
Rövidzárlati áram > 25 kA
Vizsgálati áram 40 kA / 100 ms
Szabványhivatkozás Ril 997.0205A01
Rövidzárlati áram (AC 50 Hz / DC) (1 s; ≤ 300 °C) 12,6 kA
Menet M16
Csatlakozólemez átmérő 50 mm
Kábel NYY-O
Kábel keresztmetszet 95 mm²
Átmérő kábel 19 mm
Heveder mérete 80 x 30 mm
Hossz 500 mm
DB rajzszám 3 Ebs 15.03.19 - 32

A 419050 termék hozzá lett adva a jegyzettömbhöz.

A 419050 terméket hozzáadtuk a kosárhoz.

Webshop indítása

Cikkszám 419051 D BEB 5-FLEX / EBS 15-03-19

GTIN 4013364439511, Vámtarifa szám (EU): 85369010, Bruttó súly: 640.00 g, PU: 1.00 db.


Képek

További információ

Réz-kábel földelő áthidaló D BEB 5-FLEX / EBS 15-03-19
betonelemek vasalásának földeléséhez
a DB Netz AG engedélyével
Lemez anyaga: NIRO
Anyagszám: 1.4301
Hüvely anyaga: St / Cu
Heveder anyaga: St / Cu
Kábel anyaga: Cu
Rövidzárlati áram: > 25 kA
Vizsgálati áram: 40 kA / 100 ms
Szabványhivatkozás: Ril 997.0205A01
Rövidzárlati áram (AC 50 Hz / DC): 12,6 kA
Menet: M16
Csatlakozólemez átmérő: 50 mm
Kábel: H07V-K
Kábel keresztmetszet: 95 mm²
Átmérő kábel: 19 mm
Heveder mérete: 80 x 30 mm
Hossz: 500 mm
DB rajzszám: 3 Ebs 15.03.19 - 32

Gyártó: DEHN
Típus: D BEB 5-FLEX / EBS 15-03-19
Cikksz.: 419051
vagy egyenértékű.

 

Műszaki adatok

Lemez anyaga NIRO
Anyagszám 1.4301
Hüvely anyaga St / Cu
Heveder anyaga St / Cu
Kábel anyaga Cu
Rövidzárlati áram > 25 kA
Vizsgálati áram 40 kA / 100 ms
Szabványhivatkozás Ril 997.0205A01
Rövidzárlati áram (AC 50 Hz / DC) (1 s; ≤ 300 °C) 12,6 kA
Menet M16
Csatlakozólemez átmérő 50 mm
Kábel H07V-K
Kábel keresztmetszet 95 mm²
Átmérő kábel 19 mm
Heveder mérete 80 x 30 mm
Hossz 500 mm
DB rajzszám 3 Ebs 15.03.19 - 32

A 419051 termék hozzá lett adva a jegyzettömbhöz.

A 419051 terméket hozzáadtuk a kosárhoz.

Webshop indítása

Cikkszám 419501 D BEB 5 - L700 / EBS 15-03-19

GTIN 4013364458390, Vámtarifa szám (EU): 85369010, Bruttó súly: 980.00 g, PU: 1.00 db.


Képek

További információ

Réz-kábel földelő áthidaló D BEB 5 / EBS 15-03-19
betonelemek vasalásának földeléséhez
a DB Netz AG engedélyével
Lemez anyaga: NIRO
Anyagszám: 1.4301
Hüvely anyaga: St / Cu
Heveder anyaga: St / Cu
Kábel anyaga: Cu
Rövidzárlati áram: > 25 kA
Vizsgálati áram: 40 kA / 100 ms
Szabványhivatkozás: Ril 997.0205A01
Rövidzárlati áram (AC 50 Hz / DC): 12,6 kA
Menet: M16
Csatlakozólemez átmérő: 50 mm
Kábel: NYY-O
Kábel keresztmetszet: 95 mm²
Átmérő kábel: 19 mm
Heveder mérete: 80 x 30 mm
Hossz: 700 mm
DB rajzszám: 3 Ebs 15.03.19 - 32

Gyártó: DEHN
Típus: D BEB 5 - L700 / EBS 15-03-19
Cikksz.: 419501
vagy egyenértékű.

 

Műszaki adatok

Lemez anyaga NIRO
Anyagszám 1.4301
Hüvely anyaga St / Cu
Heveder anyaga St / Cu
Kábel anyaga Cu
Rövidzárlati áram > 25 kA
Vizsgálati áram 40 kA / 100 ms
Szabványhivatkozás Ril 997.0205A01
Rövidzárlati áram (AC 50 Hz / DC) (1 s; ≤ 300 °C) 12,6 kA
Menet M16
Csatlakozólemez átmérő 50 mm
Kábel NYY-O
Kábel keresztmetszet 95 mm²
Átmérő kábel 19 mm
Heveder mérete 80 x 30 mm
Hossz 700 mm
DB rajzszám 3 Ebs 15.03.19 - 32

A 419501 termék hozzá lett adva a jegyzettömbhöz.

A 419501 terméket hozzáadtuk a kosárhoz.

Webshop indítása

Cikkszám 419502 D BEB 5 - L1000 / EBS 15-03-19

GTIN 4013364458406, Vámtarifa szám (EU): 85369010, Bruttó súly: 1.40 kg, PU: 1.00 db.


Képek

További információ

Réz-kábel földelő áthidaló D BEB 5 / EBS 15-03-19
betonelemek vasalásának földeléséhez
a DB Netz AG engedélyével
Lemez anyaga: NIRO
Anyagszám: 1.4301
Hüvely anyaga: St / Cu
Heveder anyaga: St / Cu
Kábel anyaga: Cu
Rövidzárlati áram: > 25 kA
Vizsgálati áram: 40 kA / 100 ms
Szabványhivatkozás: Ril 997.0205A01
Rövidzárlati áram (AC 50 Hz / DC): 12,6 kA
Menet: M16
Csatlakozólemez átmérő: 50 mm
Kábel: NYY-O
Kábel keresztmetszet: 95 mm²
Átmérő kábel: 19 mm
Heveder mérete: 80 x 30 mm
Hossz: 1000 mm
DB rajzszám: 3 Ebs 15.03.19 - 32

Gyártó: DEHN
Típus: D BEB 5 - L1000 / EBS 15-03-19
Cikksz.: 419502
vagy egyenértékű.

 

Műszaki adatok

Lemez anyaga NIRO
Anyagszám 1.4301
Hüvely anyaga St / Cu
Heveder anyaga St / Cu
Kábel anyaga Cu
Rövidzárlati áram > 25 kA
Vizsgálati áram 40 kA / 100 ms
Szabványhivatkozás Ril 997.0205A01
Rövidzárlati áram (AC 50 Hz / DC) (1 s; ≤ 300 °C) 12,6 kA
Menet M16
Csatlakozólemez átmérő 50 mm
Kábel NYY-O
Kábel keresztmetszet 95 mm²
Átmérő kábel 19 mm
Heveder mérete 80 x 30 mm
Hossz 1000 mm
DB rajzszám 3 Ebs 15.03.19 - 32

A 419502 termék hozzá lett adva a jegyzettömbhöz.

A 419502 terméket hozzáadtuk a kosárhoz.

Webshop indítása

Cikkszám 419503 D BEB 5 - L1500 / EBS 15-03-19

GTIN 4013364458413, Vámtarifa szám (EU): 85369010, Bruttó súly: 2.10 kg, PU: 1.00 db.


Képek

További információ

Réz-kábel földelő áthidaló D BEB 5 / EBS 15-03-19
betonelemek vasalásának földeléséhez
a DB Netz AG engedélyével
Lemez anyaga: NIRO
Anyagszám: 1.4301
Hüvely anyaga: St / Cu
Heveder anyaga: St / Cu
Kábel anyaga: Cu
Rövidzárlati áram: > 25 kA
Vizsgálati áram: 40 kA / 100 ms
Szabványhivatkozás: Ril 997.0205A01
Rövidzárlati áram (AC 50 Hz / DC): 12,6 kA
Menet: M16
Csatlakozólemez átmérő: 50 mm
Kábel: NYY-O
Kábel keresztmetszet: 95 mm²
Átmérő kábel: 19 mm
Heveder mérete: 80 x 30 mm
Hossz: 1500 mm
DB rajzszám: 3 Ebs 15.03.19 - 32

Gyártó: DEHN
Típus: D BEB 5 - L1500 / EBS 15-03-19
Cikksz.: 419503
vagy egyenértékű.

 

Műszaki adatok

Lemez anyaga NIRO
Anyagszám 1.4301
Hüvely anyaga St / Cu
Heveder anyaga St / Cu
Kábel anyaga Cu
Rövidzárlati áram > 25 kA
Vizsgálati áram 40 kA / 100 ms
Szabványhivatkozás Ril 997.0205A01
Rövidzárlati áram (AC 50 Hz / DC) (1 s; ≤ 300 °C) 12,6 kA
Menet M16
Csatlakozólemez átmérő 50 mm
Kábel NYY-O
Kábel keresztmetszet 95 mm²
Átmérő kábel 19 mm
Heveder mérete 80 x 30 mm
Hossz 1500 mm
DB rajzszám 3 Ebs 15.03.19 - 32

A 419503 termék hozzá lett adva a jegyzettömbhöz.

A 419503 terméket hozzáadtuk a kosárhoz.

Webshop indítása

Cikkszám 419504 D BEB 5 - L2000 / EBS 15-03-19

GTIN 4013364458420, Vámtarifa szám (EU): 85369010, Bruttó súly: 2.80 kg, PU: 1.00 db.


Képek

További információ

Réz-kábel földelő áthidaló D BEB 5 / EBS 15-03-19
betonelemek vasalásának földeléséhez
a DB Netz AG engedélyével
Lemez anyaga: NIRO
Anyagszám: 1.4301
Hüvely anyaga: St / Cu
Heveder anyaga: St / Cu
Kábel anyaga: Cu
Rövidzárlati áram: > 25 kA
Vizsgálati áram: 40 kA / 100 ms
Szabványhivatkozás: Ril 997.0205A01
Rövidzárlati áram (AC 50 Hz / DC): 12,6 kA
Menet: M16
Csatlakozólemez átmérő: 50 mm
Kábel: NYY-O
Kábel keresztmetszet: 95 mm²
Átmérő kábel: 19 mm
Heveder mérete: 80 x 30 mm
Hossz: 2000 mm
DB rajzszám: 3 Ebs 15.03.19 - 32

Gyártó: DEHN
Típus: D BEB 5 - L2000 / EBS 15-03-19
Cikksz.: 419504
vagy egyenértékű.

 

Műszaki adatok

Lemez anyaga NIRO
Anyagszám 1.4301
Hüvely anyaga St / Cu
Heveder anyaga St / Cu
Kábel anyaga Cu
Rövidzárlati áram > 25 kA
Vizsgálati áram 40 kA / 100 ms
Szabványhivatkozás Ril 997.0205A01
Rövidzárlati áram (AC 50 Hz / DC) (1 s; ≤ 300 °C) 12,6 kA
Menet M16
Csatlakozólemez átmérő 50 mm
Kábel NYY-O
Kábel keresztmetszet 95 mm²
Átmérő kábel 19 mm
Heveder mérete 80 x 30 mm
Hossz 2000 mm
DB rajzszám 3 Ebs 15.03.19 - 32

A 419504 termék hozzá lett adva a jegyzettömbhöz.

A 419504 terméket hozzáadtuk a kosárhoz.

Webshop indítása

Réz-kábel földelő áthidalók D BEB 6 / 7

A földelő áthidalók vasútvonalak használati területén földelésre, visszáramvezetésre, valamint potenciálkiegyenlítésre szolgálnak. Ez a változat az alkatrészek földátvezetéseként van alkalmazva úgy, hogy mindkét oldalon a felülettel síkba lesz beépítve. A kábel flexibilitása megkönnyíti a felhasználónak a beszerelést a vasalásba. A speciális FLEX-változat a helykritikus beépítésnél különösen jól alkalmazható – itt extra-flexibilis, finomsodratú rézkábelek alkalmazására kerül sor. Ezek a földelő áthidalók rendelkeznek emellett a DB Netz AG műszaki jóváhagyásával és ezért ott tervezési biztonsággal felhasználhatók.
Speciális hosszúságok külön kérésre kaphatók: 500 mm teljes hosszig 50 mm-es lépésekben és 500 mm teljes hossz felett 100 mm-es lépésekben.

4 Termékek

Cikkszám 419060 D BEB 6 / EBS 15-03-19

GTIN 4013364439528, Vámtarifa szám (EU): 85369010, Bruttó súly: 600.00 g, PU: 1.00 db.


Képek

További információ

Réz-kábel földelő áthidaló D BEB 6 / EBS 15-03-19
betonelemek vasalásának földeléséhez
a DB Netz AG engedélyével
Lemez anyaga: NIRO
Anyagszám: 1.4301
Hüvely anyaga: St / Cu
Kábel anyaga: Cu
Rövidzárlati áram: ≤ 25 kA
Vizsgálati áram: 25 kA / 100 ms
Szabványhivatkozás: Ril 997.0205A01
Rövidzárlati áram (AC 50 Hz / DC): 7,9 kA
Menet: M16
Csatlakozólemez átmérő: 50 mm
Kábel: NYY-O
Kábel keresztmetszet: 70 mm²
Átmérő kábel: 17 mm
Hossz: 500 mm
DB rajzszám: 3 Ebs 15.03.19 - 33

Gyártó: DEHN
Típus: D BEB 6 / EBS 15-03-19
Cikksz.: 419060
vagy egyenértékű.

 

Műszaki adatok

Lemez anyaga NIRO
Anyagszám 1.4301
Hüvely anyaga St / Cu
Kábel anyaga Cu
Rövidzárlati áram ≤ 25 kA
Vizsgálati áram 25 kA / 100 ms
Szabványhivatkozás Ril 997.0205A01
Rövidzárlati áram (AC 50 Hz / DC) (1 s; ≤ 300 °C) 7,9 kA
Menet M16
Csatlakozólemez átmérő 50 mm
Kábel NYY-O
Kábel keresztmetszet 70 mm²
Átmérő kábel 17 mm
Hossz 500 mm
DB rajzszám 3 Ebs 15.03.19 - 33

A 419060 termék hozzá lett adva a jegyzettömbhöz.

A 419060 terméket hozzáadtuk a kosárhoz.

Webshop indítása

Cikkszám 419061 D BEB 6-FLEX / EBS 15-03-19

GTIN 4013364439535, Vámtarifa szám (EU): 85369010, Bruttó súly: 530.00 g, PU: 1.00 db.


Képek

További információ

Réz-kábel földelő áthidaló D BEB 6-FLEX / EBS 15-03-19
betonelemek vasalásának földeléséhez
a DB Netz AG engedélyével
Lemez anyaga: NIRO
Anyagszám: 1.4301
Hüvely anyaga: St / Cu
Kábel anyaga: Cu
Rövidzárlati áram: ≤ 25 kA
Vizsgálati áram: 25 kA / 100 ms
Szabványhivatkozás: Ril 997.0205A01
Rövidzárlati áram (AC 50 Hz / DC): 7,9 kA
Menet: M16
Csatlakozólemez átmérő: 50 mm
Kábel: H07V-K
Kábel keresztmetszet: 70 mm²
Átmérő kábel: 17 mm
Hossz: 500 mm
DB rajzszám: 3 Ebs 15.03.19 - 33

Gyártó: DEHN
Típus: D BEB 6-FLEX / EBS 15-03-19
Cikksz.: 419061
vagy egyenértékű.

 

Műszaki adatok

Lemez anyaga NIRO
Anyagszám 1.4301
Hüvely anyaga St / Cu
Kábel anyaga Cu
Rövidzárlati áram ≤ 25 kA
Vizsgálati áram 25 kA / 100 ms
Szabványhivatkozás Ril 997.0205A01
Rövidzárlati áram (AC 50 Hz / DC) (1 s; ≤ 300 °C) 7,9 kA
Menet M16
Csatlakozólemez átmérő 50 mm
Kábel H07V-K
Kábel keresztmetszet 70 mm²
Átmérő kábel 17 mm
Hossz 500 mm
DB rajzszám 3 Ebs 15.03.19 - 33

A 419061 termék hozzá lett adva a jegyzettömbhöz.

A 419061 terméket hozzáadtuk a kosárhoz.

Webshop indítása

Cikkszám 419070 D BEB 7 / EBS 15-03-19

GTIN 4013364439542, Vámtarifa szám (EU): 85369010, Bruttó súly: 704.50 g, PU: 1.00 db.


Képek

További információ

Réz-kábel földelő áthidaló D BEB 7 / EBS 15-03-19
betonelemek vasalásának földeléséhez
a DB Netz AG engedélyével
Lemez anyaga: NIRO
Anyagszám: 1.4301
Hüvely anyaga: St / Cu
Kábel anyaga: Cu
Rövidzárlati áram: > 25 kA
Vizsgálati áram: 40 kA / 100 ms
Szabványhivatkozás: Ril 997.0205A01
Rövidzárlati áram (AC 50 Hz / DC): 12,6 kA
Menet: M16
Csatlakozólemez átmérő: 50 mm
Kábel: NYY-O
Kábel keresztmetszet: 95 mm²
Átmérő kábel: 19 mm
Hossz: 500 mm
DB rajzszám: 3 Ebs 15.03.19 - 33

Gyártó: DEHN
Típus: D BEB 7 / EBS 15-03-19
Cikksz.: 419070
vagy egyenértékű.

 

Műszaki adatok

Lemez anyaga NIRO
Anyagszám 1.4301
Hüvely anyaga St / Cu
Kábel anyaga Cu
Rövidzárlati áram > 25 kA
Vizsgálati áram 40 kA / 100 ms
Szabványhivatkozás Ril 997.0205A01
Rövidzárlati áram (AC 50 Hz / DC) (1 s; ≤ 300 °C) 12,6 kA
Menet M16
Csatlakozólemez átmérő 50 mm
Kábel NYY-O
Kábel keresztmetszet 95 mm²
Átmérő kábel 19 mm
Hossz 500 mm
DB rajzszám 3 Ebs 15.03.19 - 33

A 419070 termék hozzá lett adva a jegyzettömbhöz.

A 419070 terméket hozzáadtuk a kosárhoz.

Webshop indítása

Cikkszám 419071 D BEB 7-FLEX / EBS 15-03-19

GTIN 4013364439559, Vámtarifa szám (EU): 85369010, Bruttó súly: 622.00 g, PU: 1.00 db.


Képek

További információ

Réz-kábel földelő áthidaló D BEB 7-FLEX / EBS 15-03-19
betonelemek vasalásának földeléséhez
a DB Netz AG engedélyével
Lemez anyaga: NIRO
Anyagszám: 1.4301
Hüvely anyaga: St / Cu
Kábel anyaga: Cu
Rövidzárlati áram: > 25 kA
Vizsgálati áram: 40 kA / 100 ms
Szabványhivatkozás: Ril 997.0205A01
Rövidzárlati áram (AC 50 Hz / DC): 12,6 kA
Menet: M16
Csatlakozólemez átmérő: 50 mm
Kábel: H07V-K
Kábel keresztmetszet: 95 mm²
Átmérő kábel: 19 mm
Hossz: 500 mm
DB rajzszám: 3 Ebs 15.03.19 - 33

Gyártó: DEHN
Típus: D BEB 7-FLEX / EBS 15-03-19
Cikksz.: 419071
vagy egyenértékű.

 

Műszaki adatok

Lemez anyaga NIRO
Anyagszám 1.4301
Hüvely anyaga St / Cu
Kábel anyaga Cu
Rövidzárlati áram > 25 kA
Vizsgálati áram 40 kA / 100 ms
Szabványhivatkozás Ril 997.0205A01
Rövidzárlati áram (AC 50 Hz / DC) (1 s; ≤ 300 °C) 12,6 kA
Menet M16
Csatlakozólemez átmérő 50 mm
Kábel H07V-K
Kábel keresztmetszet 95 mm²
Átmérő kábel 19 mm
Hossz 500 mm
DB rajzszám 3 Ebs 15.03.19 - 33

A 419071 termék hozzá lett adva a jegyzettömbhöz.

A 419071 terméket hozzáadtuk a kosárhoz.

Webshop indítása

Réz-kábel földelő áthidalók D BEB 9 / 10

A földelő áthidalók vasútvonalak használati területén földelésre, visszáramvezetésre, valamint potenciálkiegyenlítésre szolgálnak. Ez a változat nem látható kapcsolatot jelent a betonon belül úgy, hogy a rézkábelre rápréselt, rézzel bevont acélhevederek a földelő vasalásra vannak ráhegesztve. A kábel flexibilitása megkönnyíti a felhasználónak a beszerelést a vasalásba. A speciális FLEX-változat a helykritikus beépítésnél különösen jól alkalmazható – itt extra-flexibilis, finomsodratú rézkábelek alkalmazására kerül sor. Ezek a földelő áthidalók rendelkeznek emellett a DB Netz AG műszaki jóváhagyásával és ezért ott tervezési biztonsággal felhasználhatók.
Speciális hosszúságok külön kérésre kaphatók: 500 mm teljes hosszig 50 mm-es lépésekben és 500 mm teljes hossz felett 100 mm-es lépésekben.

5 Termékek

Cikkszám 419090 D BEB 9 / EBS 15-03-19

GTIN 4013364439573, Vámtarifa szám (EU): 85369010, Bruttó súly: 640.00 g, PU: 1.00 db.


Képek

További információ

Réz-kábel földelő áthidaló D BEB 9 / EBS 15-03-19
betonelemek vasalásának földeléséhez
a DB Netz AG engedélyével
Heveder anyaga: St / Cu
Kábel anyaga: Cu
Rövidzárlati áram: ≤ 25 kA
Vizsgálati áram: 25 kA / 100 ms
Szabványhivatkozás: Ril 997.0205A01
Rövidzárlati áram (AC 50 Hz / DC): 7,9 kA
Kábel: NYY-O
Kábel keresztmetszet: 70 mm²
Átmérő kábel: 17 mm
Heveder mérete: 80 x 30 mm
Hossz: 500 mm
DB rajzszám: 3 Ebs 15.03.19 - 33

Gyártó: DEHN
Típus: D BEB 9 / EBS 15-03-19
Cikksz.: 419090
vagy egyenértékű.

 

Műszaki adatok

Heveder anyaga St / Cu
Kábel anyaga Cu
Rövidzárlati áram ≤ 25 kA
Vizsgálati áram 25 kA / 100 ms
Szabványhivatkozás Ril 997.0205A01
Rövidzárlati áram (AC 50 Hz / DC) (1 s; ≤ 300 °C) 7,9 kA
Kábel NYY-O
Kábel keresztmetszet 70 mm²
Átmérő kábel 17 mm
Heveder mérete 80 x 30 mm
Hossz 500 mm
DB rajzszám 3 Ebs 15.03.19 - 33

A 419090 termék hozzá lett adva a jegyzettömbhöz.

A 419090 terméket hozzáadtuk a kosárhoz.

Webshop indítása

Cikkszám 419091 D BEB 9-FLEX / EBS 15-03-19

GTIN 4013364439580, Vámtarifa szám (EU): 85369010, Bruttó súly: 570.00 g, PU: 1.00 db.


Képek

További információ

Réz-kábel földelő áthidaló D BEB 9-FLEX / EBS 15-03-19
betonelemek vasalásának földeléséhez
a DB Netz AG engedélyével
Heveder anyaga: St / Cu
Kábel anyaga: Cu
Rövidzárlati áram: ≤ 25 kA
Vizsgálati áram: 25 kA / 100 ms
Szabványhivatkozás: Ril 997.0205A01
Rövidzárlati áram (AC 50 Hz / DC): 7,9 kA
Kábel: H07V-K
Kábel keresztmetszet: 70 mm²
Átmérő kábel: 17 mm
Heveder mérete: 80 x 30 mm
Hossz: 500 mm
DB rajzszám: 3 Ebs 15.03.19 - 33

Gyártó: DEHN
Típus: D BEB 9-FLEX / EBS 15-03-19
Cikksz.: 419091
vagy egyenértékű.

 

Műszaki adatok

Heveder anyaga St / Cu
Kábel anyaga Cu
Rövidzárlati áram ≤ 25 kA
Vizsgálati áram 25 kA / 100 ms
Szabványhivatkozás Ril 997.0205A01
Rövidzárlati áram (AC 50 Hz / DC) (1 s; ≤ 300 °C) 7,9 kA
Kábel H07V-K
Kábel keresztmetszet 70 mm²
Átmérő kábel 17 mm
Heveder mérete 80 x 30 mm
Hossz 500 mm
DB rajzszám 3 Ebs 15.03.19 - 33

A 419091 termék hozzá lett adva a jegyzettömbhöz.

A 419091 terméket hozzáadtuk a kosárhoz.

Webshop indítása

Cikkszám 419100 D BEB 10 / EBS 15-03-19

GTIN 4013364439597, Vámtarifa szám (EU): 85369010, Bruttó súly: 722.50 g, PU: 1.00 db.


Képek

További információ

Réz-kábel földelő áthidaló D BEB 10 / EBS 15-03-19
betonelemek vasalásának földeléséhez
a DB Netz AG engedélyével
Heveder anyaga: St / Cu
Kábel anyaga: Cu
Rövidzárlati áram: > 25 kA
Vizsgálati áram: 40 kA / 100 ms
Szabványhivatkozás: Ril 997.0205A01
Rövidzárlati áram (AC 50 Hz / DC): 12,6 kA
Kábel: NYY-O
Kábel keresztmetszet: 95 mm²
Átmérő kábel: 19 mm
Heveder mérete: 80 x 30 mm
Hossz: 500 mm
DB rajzszám: 3 Ebs 15.03.19 - 33

Gyártó: DEHN
Típus: D BEB 10 / EBS 15-03-19
Cikksz.: 419100
vagy egyenértékű.

 

Műszaki adatok

Heveder anyaga St / Cu
Kábel anyaga Cu
Rövidzárlati áram > 25 kA
Vizsgálati áram 40 kA / 100 ms
Szabványhivatkozás Ril 997.0205A01
Rövidzárlati áram (AC 50 Hz / DC) (1 s; ≤ 300 °C) 12,6 kA
Kábel NYY-O
Kábel keresztmetszet 95 mm²
Átmérő kábel 19 mm
Heveder mérete 80 x 30 mm
Hossz 500 mm
DB rajzszám 3 Ebs 15.03.19 - 33

A 419100 termék hozzá lett adva a jegyzettömbhöz.

A 419100 terméket hozzáadtuk a kosárhoz.

Webshop indítása

Cikkszám 419101 D BEB 10-FLEX / EBS 15-03-19

GTIN 4013364439603, Vámtarifa szám (EU): 85369010, Bruttó súly: 667.00 g, PU: 1.00 db.


Képek

További információ

Réz-kábel földelő áthidaló D BEB 10-FLEX / EBS 15-03-19
betonelemek vasalásának földeléséhez
a DB Netz AG engedélyével
Heveder anyaga: St / Cu
Kábel anyaga: Cu
Rövidzárlati áram: > 25 kA
Vizsgálati áram: 40 kA / 100 ms
Szabványhivatkozás: Ril 997.0205A01
Rövidzárlati áram (AC 50 Hz / DC): 12,6 kA
Kábel: H07V-K
Kábel keresztmetszet: 95 mm²
Átmérő kábel: 19 mm
Heveder mérete: 80 x 30 mm
Hossz: 500 mm
DB rajzszám: 3 Ebs 15.03.19 - 33

Gyártó: DEHN
Típus: D BEB 10-FLEX / EBS 15-03-19
Cikksz.: 419101
vagy egyenértékű.

 

Műszaki adatok

Heveder anyaga St / Cu
Kábel anyaga Cu
Rövidzárlati áram > 25 kA
Vizsgálati áram 40 kA / 100 ms
Szabványhivatkozás Ril 997.0205A01
Rövidzárlati áram (AC 50 Hz / DC) (1 s; ≤ 300 °C) 12,6 kA
Kábel H07V-K
Kábel keresztmetszet 95 mm²
Átmérő kábel 19 mm
Heveder mérete 80 x 30 mm
Hossz 500 mm
DB rajzszám 3 Ebs 15.03.19 - 33

A 419101 termék hozzá lett adva a jegyzettömbhöz.

A 419101 terméket hozzáadtuk a kosárhoz.

Webshop indítása

Cikkszám 419505 D BEB 10 - L800 / EBS 15-03-19

GTIN 4013364458437, Vámtarifa szám (EU): 85369010, Bruttó súly: 1.12 kg, PU: 1.00 db.


Képek

További információ

Réz-kábel földelő áthidaló D BEB 10 / EBS 15-03-19
betonelemek vasalásának földeléséhez
a DB Netz AG engedélyével
Heveder anyaga: St / Cu
Kábel anyaga: Cu
Rövidzárlati áram: > 25 kA
Vizsgálati áram: 40 kA / 100 ms
Szabványhivatkozás: Ril 997.0205A01
Rövidzárlati áram (AC 50 Hz / DC): 12,6 kA
Kábel: NYY-O
Kábel keresztmetszet: 95 mm²
Átmérő kábel: 19 mm
Heveder mérete: 80 x 30 mm
Hossz: 800 mm
DB rajzszám: 3 Ebs 15.03.19 - 33

Gyártó: DEHN
Típus: D BEB 10 - L800 / EBS 15-03-19
Cikksz.: 419505
vagy egyenértékű.

 

Műszaki adatok

Heveder anyaga St / Cu
Kábel anyaga Cu
Rövidzárlati áram > 25 kA
Vizsgálati áram 40 kA / 100 ms
Szabványhivatkozás Ril 997.0205A01
Rövidzárlati áram (AC 50 Hz / DC) (1 s; ≤ 300 °C) 12,6 kA
Kábel NYY-O
Kábel keresztmetszet 95 mm²
Átmérő kábel 19 mm
Heveder mérete 80 x 30 mm
Hossz 800 mm
DB rajzszám 3 Ebs 15.03.19 - 33

A 419505 termék hozzá lett adva a jegyzettömbhöz.

A 419505 terméket hozzáadtuk a kosárhoz.

Webshop indítása

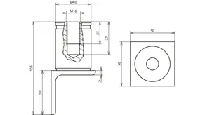
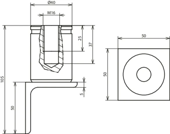
Földelőösszekötő nagycsöves földeléshez D BEB 11

A földelő áthidalók vasútvonalak használati területén földelésre, visszáramvezetésre, valamint potenciálkiegyenlítésre szolgálnak. A nagycsöves földelés változata cölöp- és nagycsöves alapoknál van alkalmazásban. A termék rápréselt hüvelyű rézkábelből áll NIRO csatlakozólemezzel, integrált furatokkal a zsaluzatrögzítéshez az egyik végén, valamint egy kábelsaruval az azzal szembeni végén. A kábelsaru feladata rövidzárlatbiztos kapcsolat létrehozása a cölöp- és nagycsöves alaphoz. A kábel flexibilitása megkönnyíti a felhasználónak a beszerelést a vasalásba. A földelő áthidaló rendelkezik emellett a DB Netz AG műszaki jóváhagyásával és ezért ott tervezési biztonsággal felhasználható.
Speciális hosszúságok külön kérésre kaphatók: 500 mm teljes hosszig 50 mm-es lépésekben és 500 mm teljes hossz felett 100 mm-es lépésekben.

2 Termékek

Cikkszám 419110 D BEB 11 / EBS 15-03-27

GTIN 4013364439665, Vámtarifa szám (EU): 85369010, Bruttó súly: 640.00 g, PU: 1.00 db.


Képek

További információ

Földelő áthidaló nagycsöves földelés számára D BEB 11 / EBS 15-03-27
betonelemek vasalásának földeléséhez
a DB Netz AG engedélyével
Lemez anyaga: NIRO
Anyagszám: 1.4301
Hüvely anyaga: St / Cu
Kábelsaru anyaga: Cu/gal Sn
Kábel anyaga: Cu
Rövidzárlati áram: ≤ 25 kA
Vizsgálati áram: 25 kA / 100 ms
Szabványhivatkozás: Ril 997.0205A01
Rövidzárlati áram (AC 50 Hz / DC): 7,9 kA
Menet: M16
Csatlakozólemez átmérő: 50 mm
Kábel: NYY-O
Kábel keresztmetszet: 70 mm²
Átmérő kábel: 17 mm
Kábelsaru furat: 13 mm
Hossz: 500 mm
DB rajzszám: 4 Ebs 15.03.27 - 2

Gyártó: DEHN
Típus: D BEB 11 / EBS 15-03-27
Cikksz.: 419110
vagy egyenértékű.

 

Műszaki adatok

Lemez anyaga NIRO
Anyagszám 1.4301
Hüvely anyaga St / Cu
Kábelsaru anyaga Cu /gal Sn
Kábel anyaga Cu
Rövidzárlati áram ≤ 25 kA
Vizsgálati áram 25 kA / 100 ms
Szabványhivatkozás Ril 997.0205A01
Rövidzárlati áram (AC 50 Hz / DC) (1 s; ≤ 300 °C) 7,9 kA
Menet M16
Csatlakozólemez átmérő 50 mm
Kábel NYY-O
Kábel keresztmetszet 70 mm²
Átmérő kábel 17 mm
Kábelsaru furat 13 mm
Hossz 500 mm
DB rajzszám 4 Ebs 15.03.27 - 2

A 419110 termék hozzá lett adva a jegyzettömbhöz.

A 419110 terméket hozzáadtuk a kosárhoz.

Webshop indítása

Cikkszám 419506 D BEB 11 - L1000 / EBS 15-03-27

GTIN 4013364458444, Vámtarifa szám (EU): 85369010, Bruttó súly: 1.10 kg, PU: 1.00 db.


Képek

További információ

Földelő áthidaló nagycsöves földelés számára D BEB 11 / EBS 15-03-27
betonelemek vasalásának földeléséhez
a DB Netz AG engedélyével
Lemez anyaga: NIRO
Anyagszám: 1.4301
Hüvely anyaga: St / Cu
Kábelsaru anyaga: Cu/gal Sn
Kábel anyaga: Cu
Rövidzárlati áram: ≤ 25 kA
Vizsgálati áram: 25 kA / 100 ms
Szabványhivatkozás: Ril 997.0205A01
Rövidzárlati áram (AC 50 Hz / DC): 7,9 kA
Menet: M16
Csatlakozólemez átmérő: 50 mm
Kábel: NYY-O
Kábel keresztmetszet: 70 mm²
Átmérő kábel: 17 mm
Kábelsaru furat: 13 mm
Hossz: 1000 mm
DB rajzszám: 4 Ebs 15.03.27 - 2

Gyártó: DEHN
Típus: D BEB 11 - L1000 / EBS 15-03-27
Cikksz.: 419506
vagy egyenértékű.

 

Műszaki adatok

Lemez anyaga NIRO
Anyagszám 1.4301
Hüvely anyaga St / Cu
Kábelsaru anyaga Cu /gal Sn
Kábel anyaga Cu
Rövidzárlati áram ≤ 25 kA
Vizsgálati áram 25 kA / 100 ms
Szabványhivatkozás Ril 997.0205A01
Rövidzárlati áram (AC 50 Hz / DC) (1 s; ≤ 300 °C) 7,9 kA
Menet M16
Csatlakozólemez átmérő 50 mm
Kábel NYY-O
Kábel keresztmetszet 70 mm²
Átmérő kábel 17 mm
Kábelsaru furat 13 mm
Hossz 1000 mm
DB rajzszám 4 Ebs 15.03.27 - 2

A 419506 termék hozzá lett adva a jegyzettömbhöz.

A 419506 terméket hozzáadtuk a kosárhoz.

Webshop indítása

Földelőösszekötő nagycsöves földeléshez D BEB 40

A földelőösszekötők vasútvonalak használati területén földelésre, visszáramvezetésre, valamint potenciálkiegyenlítésre szolgálnak. A nagycsöves földelés változata cölöp- és nagycsöves alapoknál való felhasználásra készül. A termék acélsodronyból áll rézzel bevont acélhevederrel az egyik végén, valamint egy kábelsaruval az azzal szembeni végén. A hegesztési fül oldalán zsugorcső akadályozza meg a víz behatolását az acélsodronyba. Az acélsodrony megelőző lopásvédelmi intézkedést testesít meg. Ez a földelőösszekötő rendelkezik emellett a DB Netz AG műszaki jóváhagyásával és ezért ott tervezési biztonsággal felhasználható.
Speciális hosszúságok külön kérésre kaphatók: 500 mm teljes hosszig 50 mm-es lépésekben és 500 mm teljes hossz felett 100 mm-es lépésekben.

1 Termék

Cikkszám 419400 D BEB 40 / EBS 15-03-25

GTIN 4013364439672, Vámtarifa szám (EU): 85359000, Bruttó súly: 700.00 g, PU: 1.00 db.


Képek

További információ

Földelő áthidaló nagycsöves földelés számára D BEB 40 / EBS 15-03-25
betonelemek vasalásának földeléséhez
a DB Netz AG engedélyével
Heveder anyaga: St / Cu
Kábelsaru anyaga: Cu/gal Sn
Sodrony anyaga: St
Rövidzárlati áram: ≤ 25 kA
Vizsgálati áram: 25 kA / 100 ms
Szabványhivatkozás: Ril 997.0205A01
Rövidzárlati áram (AC 50 Hz / DC): 7,9 kA
Sodrony keresztmetszet: 95 mm²
Átmérő kábel: 17 mm
Heveder mérete: 80 x 30 mm
Kábelsaru furat: 17 mm
Hossz: 500 mm
DB rajzszám: 4 Ebs 15.03.25 - 4

Gyártó: DEHN
Típus: D BEB 40 / EBS 15-03-25
Cikksz.: 419400
vagy egyenértékű.

 

Műszaki adatok

Heveder anyaga St / Cu
Kábelsaru anyaga Cu /gal Sn
Sodrony anyaga St
Rövidzárlati áram ≤ 25 kA
Vizsgálati áram 25 kA / 100 ms
Szabványhivatkozás Ril 997.0205A01
Rövidzárlati áram (AC 50 Hz / DC) (1 s; ≤ 300 °C) 7,9 kA
Sodrony keresztmetszet 95 mm²
Átmérő kábel 17 mm
Heveder mérete 80 x 30 mm
Kábelsaru furat 17 mm
Hossz 500 mm
DB rajzszám 4 Ebs 15.03.25 - 4

A 419400 termék hozzá lett adva a jegyzettömbhöz.

A 419400 terméket hozzáadtuk a kosárhoz.

Webshop indítása

Acélsodrony földelőösszekötő D BEB 26

A földelőösszekötők vasútvonalak használati területén földelésre, visszáramvezetésre, valamint potenciálkiegyenlítésre szolgálnak. A D BEB 26 halogénmentes (köpeny) változat - földelőpontok vagy más földelendő elemek külső összekapcsolásához - földelővezetékként acélsodronyt alkalmaz és ezzel megelőző lopásvédelmi intézkedést testesít meg. Ez a földelőösszekötő rendelkezik emellett a DB Netz AG műszaki jóváhagyásával és ezért ott tervezési biztonsággal felhasználható.
Speciális hosszúságok külön kérésre kaphatók: 500 mm teljes hosszig 50 mm-es lépésekben és 500 mm teljes hossz felett 100 mm-es lépésekben.

1 Termék

Cikkszám 419260 D BEB 26 / EBS 15-03-17

GTIN 4013364439610, Vámtarifa szám (EU): 85359000, Bruttó súly: 630.00 g, PU: 1.00 db.


Képek

További információ

Acélsodrony földelőösszekötő D BEB 26 / EBS 15-03-17
betonelemek vasalásának földeléséhez
a DB Netz AG engedélyével
Kábelsaru anyaga: Cu/gal Sn
Sodrony anyaga: St
Rövidzárlati áram: ≤ 25 kA
Vizsgálati áram: 25 kA / 100 ms
Szabványhivatkozás: Ril 997.0205A01
Rövidzárlati áram (AC 50 Hz / DC): 7,9 kA
Sodrony: 1-12-12 B 350 sZ PE
Sodrony keresztmetszet: ≥ 95 mm²
Kivitel: halogénmentes
Átmérő kábel: 17 mm
Kábelsaru furat: 17 mm
Hossz: 500 mm
DB rajzszám: 3 Ebs 15.03.17 - 11

Gyártó: DEHN
Típus: D BEB 26 / EBS 15-03-17
Cikksz.: 419260
vagy egyenértékű.

 

Műszaki adatok

Kábelsaru anyaga Cu /gal Sn
Sodrony anyaga St
Rövidzárlati áram ≤ 25 kA
Vizsgálati áram 25 kA / 100 ms
Szabványhivatkozás Ril 997.0205A01
Rövidzárlati áram (AC 50 Hz / DC) (1 s; ≤ 300 °C) 7,9 kA
Sodrony 1-12-12 B 350 sZ PE
Sodrony keresztmetszet ≥ 95 mm²
Kivitel halogénmentes
Átmérő kábel 17 mm
Kábelsaru furat 17 mm
Hossz 500 mm
DB rajzszám 3 Ebs 15.03.17 - 11

A 419260 termék hozzá lett adva a jegyzettömbhöz.

A 419260 terméket hozzáadtuk a kosárhoz.

Webshop indítása

CuStAl-kábel földelőösszekötő D BEB 29

A földelőösszekötők vasútvonalak használati területén földelésre, visszáramvezetésre, valamint potenciálkiegyenlítésre szolgálnak. A halogénmentes D BEB 29 változat, ill. a halogénmentes és lángálló D BEB 29-NF változat - földelőpontok vagy más földelendő elemek külső összekapcsolásához - kábelsaruváltozattal készül M16-csatlakozók számára. Ezek a földelőösszekötők réz-acél-alumínium kábelből állnak és ezzel megelőző lopásvédelmi intézkedést testesítenek meg. Ezek a földelőösszekötők rendelkeznek emellett a DB Netz AG műszaki jóváhagyásával és ezért ott tervezési biztonsággal felhasználhatók. A halogénmentes és lángálló kivitel alagútban is alkalmazható az EU-rendelet szerint.
Speciális hosszúságok külön kérésre kaphatók: 500 mm teljes hosszig 50 mm-es lépésekben és 500 mm teljes hossz felett 100 mm-es lépésekben.

6 Termékek

Cikkszám 419290 D BEB 29 / EBS 15-03-17

GTIN 4013364439627, Vámtarifa szám (EU): 85359000, Bruttó súly: 390.00 g, PU: 1.00 db.


Képek

További információ

Réz-acél-alumínium-kábel földelőösszekötő
D BEB 29 / EBS 15-03-17
betonelemek vasalásának földeléséhez
a DB Netz AG engedélyével
Kábelsaru anyaga: Cu/gal Sn
Kábel anyaga: CuStAl
Rövidzárlati áram: > 25 kA
Vizsgálati áram: 40 kA / 100 ms
Szabványhivatkozás: Ril 997.0205A01
Rövidzárlati áram (AC 50 Hz / DC): 12,6 kA
Kábel: (N)2X RF CuStAl
Kábel keresztmetszet: ≥ 70 mm²
Kivitel: halogénmentes
Átmérő kábel: 17 mm
Kábelsaru furat: 17 mm
Hossz: 500 mm
DB rajzszám: 4 Ebs 15.03.17 - 6 (Bayka)

Gyártó: DEHN
Típus: D BEB 29 / EBS 15-03-17
Cikksz.: 419290
vagy egyenértékű.

 

Műszaki adatok

Kábelsaru anyaga Cu /gal Sn
Kábel anyaga Cu St Al
Rövidzárlati áram > 25 kA
Vizsgálati áram 40 kA / 100 ms
Szabványhivatkozás Ril 997.0205A01
Rövidzárlati áram (AC 50 Hz / DC) (1 s; ≤ 300 °C) 12,6 kA
Kábel (N)2X RF Cu St Al
Kábel keresztmetszet ≥ 70 mm²
Kivitel halogénmentes
Átmérő kábel 17 mm
Kábelsaru furat 17 mm
Hossz 500 mm
DB rajzszám 4 Ebs 15.03.17 - 6 (Bayka)

A 419290 termék hozzá lett adva a jegyzettömbhöz.

A 419290 terméket hozzáadtuk a kosárhoz.

Webshop indítása

Cikkszám 419291 D BEB 29-NF / EBS 15-03-17

GTIN 4013364439634, Vámtarifa szám (EU): 85359000, Bruttó súly: 410.00 g, PU: 1.00 db.


Képek

További információ

Réz-acél-alumínium-kábel földelőösszekötő
D BEB 29-NF / EBS 15-03-17
betonelemek vasalásának földeléséhez
a DB Netz AG engedélyével
Kábelsaru anyaga: Cu/gal Sn
Kábel anyaga: CuStAl
Rövidzárlati áram: > 25 kA
Vizsgálati áram: 40 kA / 100 ms
Szabványhivatkozás: Ril 997.0205A01
Rövidzárlati áram (AC 50 Hz / DC): 12,6 kA
Kábel: B2ca RF CuStAl
Kábel keresztmetszet: ≥ 70 mm²
Kivitel: halogénmentes és lángálló
Átmérő kábel: 17 mm
Kábelsaru furat: 17 mm
Hossz: 500 mm
DB rajzszám: 4 Ebs 15.03.17 - 6 (Bayka)

Gyártó: DEHN
Típus: D BEB 29-NF / EBS 15-03-17
Cikksz.: 419291
vagy egyenértékű.

 

Műszaki adatok

Kábelsaru anyaga Cu /gal Sn
Kábel anyaga Cu St Al
Rövidzárlati áram > 25 kA
Vizsgálati áram 40 kA / 100 ms
Szabványhivatkozás Ril 997.0205A01
Rövidzárlati áram (AC 50 Hz / DC) (1 s; ≤ 300 °C) 12,6 kA
Kábel B2ca RF Cu St Al
Kábel keresztmetszet ≥ 70 mm²
Kivitel halogénmentes és lángálló
Átmérő kábel 17 mm
Kábelsaru furat 17 mm
Hossz 500 mm
DB rajzszám 4 Ebs 15.03.17 - 6 (Bayka)

A 419291 termék hozzá lett adva a jegyzettömbhöz.

A 419291 terméket hozzáadtuk a kosárhoz.

Webshop indítása

Cikkszám 419511 D BEB 29 M12 M16 / EBS 15-03-17

GTIN 4013364480513, Vámtarifa szám (EU): 85359000, Bruttó súly: 410.00 g, PU: 1.00 db.


Képek

További információ

Réz-acél-alumínium-kábel földelőösszekötő
D BEB 29 M12 M16 / EBS 15-03-17
földelésre szerkezeti elemeken (M16), ill. sínen (M12)
a DB Netz AG engedélyével
Kábelsaru anyaga: Cu/gal Sn
Kábel anyaga: CuStAl
Rövidzárlati áram: > 25 kA
Vizsgálati áram: 40 kA / 100 ms
Szabványhivatkozás: Ril 997.0205A01
Rövidzárlati áram (AC 50 Hz / DC): 12,6 kA
Kábel: (N)2X RF CuStAl
Kábel keresztmetszet: ≥ 70 mm²
Kivitel: halogénmentes
Átmérő kábel: 17 mm
Kábelsaru furat: 13 mm M12 számára és 17 mm M16 számára
Hossz: 500 mm
DB rajzszám: 4 Ebs 15.03.17 - 6 (Bayka)

Gyártó: DEHN
Típus: D BEB 29 M12 M16 / EBS 15-03-17
Cikksz.: 419511
vagy egyenértékű.

 

Műszaki adatok

Kábelsaru anyaga Cu /gal Sn
Kábel anyaga Cu St Al
Rövidzárlati áram > 25 kA
Vizsgálati áram 40 kA / 100 ms
Szabványhivatkozás Ril 997.0205A01
Rövidzárlati áram (AC 50 Hz / DC) (1 s; ≤ 300 °C) 12,6 kA
Kábel (N)2X RF Cu St Al
Kábel keresztmetszet ≥ 70 mm²
Kivitel halogénmentes
Átmérő kábel 17 mm
Kábelsaru furat 13 mm M12 számára és 17 mm M16 számára
Hossz 500 mm
DB rajzszám 4 Ebs 15.03.17 - 6 (Bayka)

A 419511 termék hozzá lett adva a jegyzettömbhöz.

A 419511 terméket hozzáadtuk a kosárhoz.

Webshop indítása

Cikkszám 419512 D BEB 29-NF M12 M16 / EBS 15-03-17

GTIN 4013364480520, Vámtarifa szám (EU): 85359000, Bruttó súly: 410.00 g, PU: 1.00 db.


Képek

További információ

Réz-acél-alumínium-kábel földelőösszekötő
D BEB 29-NF / EBS 15-03-17
betonelemek vasalásának földeléséhez
a DB Netz AG engedélyével
Kábelsaru anyaga: Cu/gal Sn
Kábel anyaga: CuStAl
Rövidzárlati áram: > 25 kA
Vizsgálati áram: 40 kA / 100 ms
Szabványhivatkozás: Ril 997.0205A01
Rövidzárlati áram (AC 50 Hz / DC): 12,6 kA
Kábel: B2ca RF CuStAl
Kábel keresztmetszet: ≥ 70 mm²
Kivitel: halogénmentes és lángálló
Átmérő kábel: 17 mm
Kábelsaru furat: 13 mm M12 számára és 17 mm M16 számára
Hossz: 500 mm
DB rajzszám: 4 Ebs 15.03.17 - 6 (Bayka)

Gyártó: DEHN
Típus: D BEB 29-NF M12 M16 / EBS 15-03-17
Cikksz.: 419512
vagy egyenértékű.

 

Műszaki adatok

Kábelsaru anyaga Cu /gal Sn
Kábel anyaga Cu St Al
Rövidzárlati áram > 25 kA
Vizsgálati áram 40 kA / 100 ms
Szabványhivatkozás Ril 997.0205A01
Rövidzárlati áram (AC 50 Hz / DC) (1 s; ≤ 300 °C) 12,6 kA
Kábel B2ca RF Cu St Al
Kábel keresztmetszet ≥ 70 mm²
Kivitel halogénmentes és lángálló
Átmérő kábel 17 mm
Kábelsaru furat 13 mm M12 számára és 17 mm M16 számára
Hossz 500 mm
DB rajzszám 4 Ebs 15.03.17 - 6 (Bayka)

A 419512 termék hozzá lett adva a jegyzettömbhöz.

A 419512 terméket hozzáadtuk a kosárhoz.

Webshop indítása

Cikkszám 419513 D BEB 29 R / EBS 15-03-17

GTIN 4013364480506, Vámtarifa szám (EU): 85359000, Bruttó súly: 410.00 g, PU: 1.00 db.


Képek

További információ

Réz-acél-alumínium-kábel földelőösszekötő
Jobbforgatású kivitelben
D BEB 29 R / EBS 15-03-17
betonelemek vasalásának földeléséhez
a DB Netz AG engedélyével
Kábelsaru anyaga: Cu/gal Sn
Kábel anyaga: CuStAl
Rövidzárlati áram: > 25 kA
Vizsgálati áram: 40 kA / 100 ms
Szabványhivatkozás: Ril 997.0205A01
Rövidzárlati áram (AC 50 Hz / DC): 12,6 kA
Kábel: (N)2X RF CuStAl
Kábel keresztmetszet: ≥ 70 mm²
Kivitel: halogénmentes
Átmérő kábel: 17 mm
Kábelsaru furat: 17 mm
Kivitel kábelsaru: 90° jobbra forgatva
Hossz: 500 mm
DB rajzszám: 4 Ebs 15.03.17 - 6 (Bayka)

Gyártó: DEHN
Típus: D BEB 29 R / EBS 15-03-17
Cikksz.: 419513
vagy egyenértékű.

 

Műszaki adatok

Kábelsaru anyaga Cu /gal Sn
Kábel anyaga Cu St Al
Rövidzárlati áram > 25 kA
Vizsgálati áram 40 kA / 100 ms
Szabványhivatkozás Ril 997.0205A01
Rövidzárlati áram (AC 50 Hz / DC) (1 s; ≤ 300 °C) 12,6 kA
Kábel (N)2X RF Cu St Al
Kábel keresztmetszet ≥ 70 mm²
Kivitel halogénmentes
Átmérő kábel 17 mm
Kábelsaru furat 17 mm
Kivitel kábelsaru 90° jobbra forgatva
Hossz 500 mm
DB rajzszám 4 Ebs 15.03.17 - 6 (Bayka)

A 419513 termék hozzá lett adva a jegyzettömbhöz.

A 419513 terméket hozzáadtuk a kosárhoz.

Webshop indítása

Cikkszám 419514 D BEB 29 L / EBS 15-03-17

GTIN 4013364480537, Vámtarifa szám (EU): 85359000, Bruttó súly: 410.00 g, PU: 1.00 db.


Képek

További információ

Réz-acél-alumínium-kábel földelőösszekötő
Balforgatású kivitelben
D BEB 29 R / EBS 15-03-17
betonelemek vasalásának földeléséhez
a DB Netz AG engedélyével
Kábelsaru anyaga: Cu/gal Sn
Kábel anyaga: CuStAl
Rövidzárlati áram: > 25 kA
Vizsgálati áram: 40 kA / 100 ms
Szabványhivatkozás: Ril 997.0205A01
Rövidzárlati áram (AC 50 Hz / DC): 12,6 kA
Kábel: (N)2X RF CuStAl
Kábel keresztmetszet: ≥ 70 mm²
Kivitel: halogénmentes
Átmérő kábel: 17 mm
Kábelsaru furat: 17 mm
Kivitel kábelsaru: 90° balra forgatva
Hossz: 500 mm
DB rajzszám: 4 Ebs 15.03.17 - 6 (Bayka)

Gyártó: DEHN
Típus: D BEB 29 L / EBS 15-03-17
Cikksz.: 419514
vagy egyenértékű.

 

Műszaki adatok

Kábelsaru anyaga Cu /gal Sn
Kábel anyaga Cu St Al
Rövidzárlati áram > 25 kA
Vizsgálati áram 40 kA / 100 ms
Szabványhivatkozás Ril 997.0205A01
Rövidzárlati áram (AC 50 Hz / DC) (1 s; ≤ 300 °C) 12,6 kA
Kábel (N)2X RF Cu St Al
Kábel keresztmetszet ≥ 70 mm²
Kivitel halogénmentes
Átmérő kábel 17 mm
Kábelsaru furat 17 mm
Kivitel kábelsaru 90° balra forgatva
Hossz 500 mm
DB rajzszám 4 Ebs 15.03.17 - 6 (Bayka)

A 419514 termék hozzá lett adva a jegyzettömbhöz.

A 419514 terméket hozzáadtuk a kosárhoz.

Webshop indítása

Öntapadós ragasztós felület

Az öntapadós ragasztós felület a vasútföldelési termékeknek a zsaluzatra rögzítésére szolgál ragasztásos eljárással. Az öntapadós ragasztós felület ráragasztható a D BEB 0 NIRO-csatlakozólemezére, majd együttesen összekapcsolható a zsaluzattal.

1 Termék

Cikkszám 419900 D KLP D50 BEB

GTIN 4013364439641, Vámtarifa szám (EU): 39191080, Bruttó súly: 2.00 g, PU: 1.00 db.


Képek

További információ

Öntapadós ragasztós felület D KLP D50 BEB
vasútföldelési termékek számára D BEB 0-x
Átmérő: 50 mm
Átmérő: 50 mm

Gyártó: DEHN
Típus: D KLP D50 BEB
Cikksz.: 419900
vagy egyenértékű.

 

Műszaki adatok

Átmérő 50 mm

A 419900 termék hozzá lett adva a jegyzettömbhöz.

A 419900 terméket hozzáadtuk a kosárhoz.

Webshop indítása

Földeléscímke

A földeléscímke pótalkatrészként vasútföldelési termékek megjelölésére szolgál beépített állapotban. Ez egyszerűen ráragasztható a NIRO-csatlakozólemezre. Az ilyen megjelölés a D BEB 1-8 földelő áthidalók, valamint a D BEB 11 változat számára nagycsöves földeléseknél alkalmazható, amennyiben a gyárilag elhelyezett címke már nincs meg, ill. megsérült.

1 Termék

Cikkszám 419901 D EAK D50 BEB

GTIN 4013364439658, Vámtarifa szám (EU): 39191080, Bruttó súly: 3.00 g, PU: 1.00 db.


Képek

További információ

Földeléscímke D EAK D50 BEB
megjelölésként vasútföldelési termékek számára.
Átmérő: 50 mm
Átmérő: 50 mm

Gyártó: DEHN
Típus: D EAK D50 BEB
Cikksz.: 419901
vagy egyenértékű.

 

Műszaki adatok

Átmérő 50 mm

A 419901 termék hozzá lett adva a jegyzettömbhöz.

A 419901 terméket hozzáadtuk a kosárhoz.

Webshop indítása

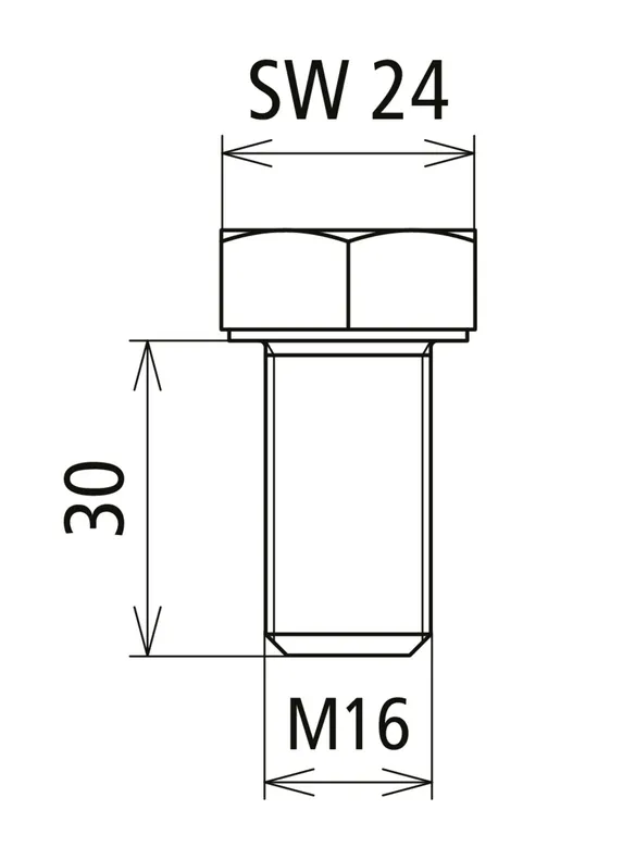
Hatlapú csavar

1 Termék

Cikkszám 419902 D SKS M16X30 V4A

GTIN 4013364439689, Vámtarifa szám (EU): 85389099, Bruttó súly: 76.89 g, PU: 1.00 db.


Képek

További információ

Hatlapú csavar D SKS M16X30 V2A
Anyag: NIRO A4-70
Menet: M16 x 30 mm
Anyag: NIRO (V4A)
Menet: M16 x 30 mm

Gyártó: DEHN
Típus: D SKS M16X30 V4A
Cikksz.: 419902
vagy egyenértékű.

 

Műszaki adatok

Anyag NIRO (V4A)
Menet M16 x 30 mm

A 419902 termék hozzá lett adva a jegyzettömbhöz.

A 419902 terméket hozzáadtuk a kosárhoz.

Webshop indítása

Hatlapú anya

1 Termék

Cikkszám 419903 D SKM M16 V4A

GTIN 4013364439696, Vámtarifa szám (EU): 73181639, Bruttó súly: 28.98 g, PU: 1.00 db.


Képek

További információ

Hatlapú anya D SKM M16 V2A
Anyag: NIRO A4-70
Menet: M16
Anyag: NIRO (V4A)
Menet: M16

Gyártó: DEHN
Típus: D SKM M16 V4A
Cikksz.: 419903
vagy egyenértékű.

 

Műszaki adatok

Anyag NIRO (V4A)
Menet M16

A 419903 termék hozzá lett adva a jegyzettömbhöz.

A 419903 terméket hozzáadtuk a kosárhoz.

Webshop indítása

Alátét

1 Termék

Cikkszám 419904 D SCH A17 V4A

GTIN 4013364439702, Vámtarifa szám (EU): 85389099, Bruttó súly: 9.10 g, PU: 1.00 db.


Képek

További információ

Tárcsa D SCH A17 V2A
Anyag: NIRO A4-70
Átmérő külső: 30 mm
Átmérő belső: 17 mm
Anyag: NIRO (V4A)
Átmérő külső: 30 mm
Átmérő belső: 17 mm

Gyártó: DEHN
Típus: D SCH A17 V4A
Cikksz.: 419904
vagy egyenértékű.

 

Műszaki adatok

Anyag NIRO (V4A)
Átmérő külső 30 mm
Átmérő belső 17 mm

A 419904 termék hozzá lett adva a jegyzettömbhöz.

A 419904 terméket hozzáadtuk a kosárhoz.

Webshop indítása

back to top