Kalapácsbetétek csőföldelő számára
:quality(98)/www.dehn.hu/store/f/62172203/HDVORSCHAU/649005_16-9.jpg)
:quality(98)/www.dehn.hu/store/f/62172203/HDVORSCHAU/649005_16-9.jpg)
Details
:quality(98)/www.dehn.hu/store/f/62172204/HDVORSCHAU/Hammereinsaetze_Auswahlhilfe_EN.jpg)
:quality(98)/www.dehn.hu/store/f/62172204/HDVORSCHAU/Hammereinsaetze_Auswahlhilfe_EN.jpg)
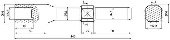
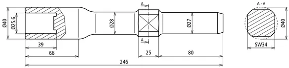
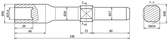
Cikkszám 648005 HE RE 25 R27 VH WN STBLANK
GTIN 4013364129160, Vámtarifa szám (EU): 82079099, Bruttó súly: 1.46 kg, PU: 1.00 db.
Műszaki adatok
Típus | EH 22/400, EH 23/230, EH 24/042/200, BH 23 és BHF 30 |
Fogadó | kerek Ø27 x 80 mm |
Anyag | St/csupasz |
Furat (d1 x l1) | 25,6 x 39 mm |
Hossz | 246 mm |
Földelőátmérő | 25 mm |
Mélyföldelő típus | RE |
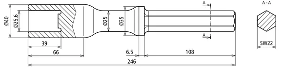
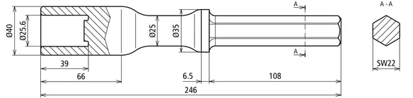
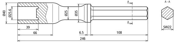
Cikkszám 648007 HE RE 25 SW22 VH AC STBLANK
GTIN 4013364129177, Vámtarifa szám (EU): 82079099, Bruttó súly: 1.46 kg, PU: 1.00 db.
Műszaki adatok
Típus | Cobra 149+248 és Pionjär 120+130 |
Fogadó | hatszög laptáv SW22 x 108 mm |
Anyag | St/csupasz |
Furat (d1 x l1) | 25,6 x 39 mm |
Hossz | 246 mm |
Földelőátmérő | 25 mm |
Mélyföldelő típus | RE |
Cikkszám 648009 HE RE 25 SDS MAX VH STBLANK
GTIN 4013364315501, Vámtarifa szám (EU): 82079099, Bruttó súly: 973.00 g, PU: 1.00 db.
Műszaki adatok
Típus | Vibrációs / ráverőkalapácsok SDS-max fogadóval |
Fogadó | kerek Ø18 x 175 mm |
Anyag | St/csupasz |
Furat (d1 x l1) | 25,6 x 39 mm |
Hossz | 260 mm |
Földelőátmérő | 25 mm |
Mélyföldelő típus | RE |
Megjegyzés: Ajánlott minimum 26 Joule ütőerejű kalapács használata. A maximális beütési mélység a talaj jellemzőitől függ. |
Cikkszám 648029 HE RE 25 SW28 VH BO STBLANK
GTIN 4013364236059, Vámtarifa szám (EU): 82079099, Bruttó súly: 1.60 kg, PU: 1.00 db.
Műszaki adatok
Típus | GSH 27, GSH 27 VC, TE 3000 AVR (2021-es modellig), K 2628 H |
Fogadó | SW28 hatlapú anya |
Anyag | St/csupasz |
Furat (d1 x l1) | 25,6 x 39 mm |
Hossz | 266 mm |
Földelőátmérő | 25 mm |
Mélyföldelő típus | RE |
Cikkszám 648031 HE RE 25 TES VH HI STBLANK
GTIN 4013364293182, Vámtarifa szám (EU): 82079099, Bruttó súly: 1.51 kg, PU: 1.00 db.
Műszaki adatok
Típus | Vibrációs / ráverőkalapácsok TE-S fogadóval |
Fogadó | Hilti TE-S |
Anyag | St/csupasz |
Furat (d1 x l1) | 25,6 x 39 mm |
Hossz | 280 mm |
Földelőátmérő | 25 mm |
Mélyföldelő típus | RE |