Csatlakozókapcsok acéltartó számára RB-s tér 2/22 zónához

Nehéz kivitel, acélszerkezetekre való csatlakozáshoz.Az összes összeköttetés kilazulás ellen biztosított:
  • kapcsolat az acélszerkezethez ragasztóval csavarokkal
  • Kör keresztmetszetű vezetők csatlakozása rugós alátéttel
Alkalmas a RB-s tér 2/22 zónájában való alkalmazásra.

Kivitel függőleges KS-összekötővel

2 Termékek

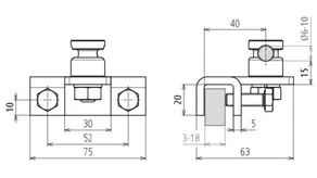
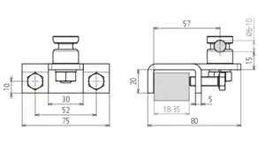
Cikkszám 372169 AK 6.10 KSV FER S KBF3 18 V2A

GTIN 4013364463660, Vámtarifa szám (EU): 85359000, Bruttó súly: 289.60 g, PU: 10.00 db.


Képek

További információ

Csatlakozókapcsok acéltartó számára függőleges KS-összekötővel NIRO
Csatlakozókapcsok acéltartó számára
nehéz kivitel,
csatlakozáshoz
acélszerkezetekre
Csavarok kilazulás ellen
rugós alátéttel biztosítva
Alkalmas RB-s tér zóna 2/22 számára
Befogási tartomány: 3-18 mm
Kapocs anyaga: NIRO
Befogási tartomány Rd: 6-10 mm
Szabványhivatkozás: DIN EN 62561-1

Gyártó: DEHN
Típus: AK 6.10 KSV FER S KBF3 18 V2A
Cikksz.: 372169
vagy egyenértékű.

Tanúsítványok

 

Műszaki adatok

Befogási tartomány 3-18 mm
Kapocs anyaga NIRO
Befogási tartomány Rd 6-10 mm
Szabványhivatkozás DIN EN 62561-1
*) A pontos hozzárendelést lásd a vizsgálati tanúsítványban.

A 372169 termék hozzá lett adva a jegyzettömbhöz.

A 372169 terméket hozzáadtuk a kosárhoz.

Webshop indítása

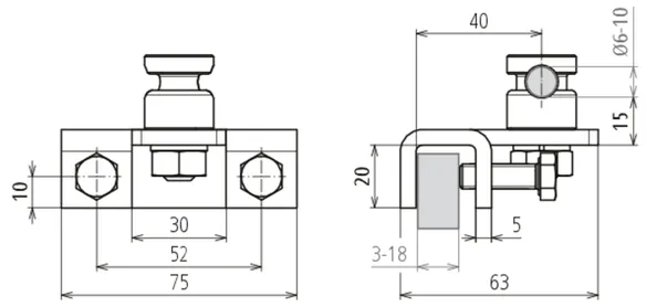
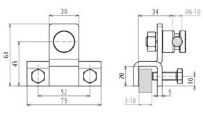
Cikkszám 372179 AK 6.10 KSV FER S KBF18 35 V2A

GTIN 4013364463684, Vámtarifa szám (EU): 85359000, Bruttó súly: 342.50 g, PU: 10.00 db.


Képek

További információ

Csatlakozókapcsok acéltartó számára függőleges KS-összekötővel NIRO
Csatlakozókapcsok acéltartó számára
nehéz kivitel, csatlakozáshoz
acélszerkezetekre
Csavarok kilazulás ellen
rugós alátéttel biztosítva
Alkalmas RB-s tér zóna 2/22 számára
Befogási tartomány: 18-35 mm
Kapocs anyaga: NIRO
Befogási tartomány Rd: 6-10 mm
Szabványhivatkozás: DIN EN 62561-1

Gyártó: DEHN
Típus: AK 6.10 KSV FER S KBF18 35 V2A
Cikksz.: 372179
vagy egyenértékű.

Tanúsítványok

 

Műszaki adatok

Befogási tartomány 18-35 mm
Kapocs anyaga NIRO
Befogási tartomány Rd 6-10 mm
Szabványhivatkozás DIN EN 62561-1
*) A pontos hozzárendelést lásd a vizsgálati tanúsítványban.

A 372179 termék hozzá lett adva a jegyzettömbhöz.

A 372179 terméket hozzáadtuk a kosárhoz.

Webshop indítása

Kivitel vízszintes KS-összekötővel

2 Termékek

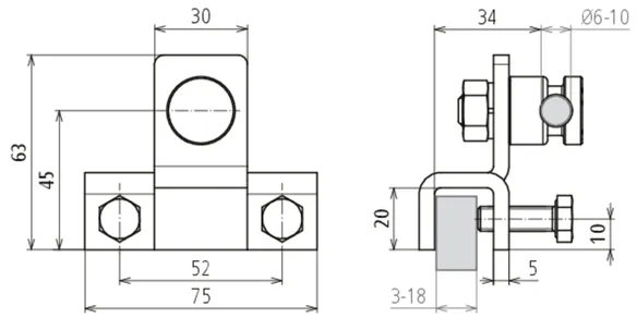
Cikkszám 372269 AK 6.10 KSV FER W KBF3 18 V2A

GTIN 4013364463677, Vámtarifa szám (EU): 85359000, Bruttó súly: 290.00 g, PU: 10.00 db.


Képek

További információ

Csatlakozókapcsok acéltartó számára vízszintesen KS-összekötővel NIRO
Csatlakozókapcsok acéltartó számára
nehéz kivitel, csatlakozáshoz
acélszerkezetekre
Csavarok kilazulás ellen
rugós alátéttel biztosítva
Alkalmas RB-s tér zóna 2/22 számára
Befogási tartomány: 3-18 mm
Kapocs anyaga: NIRO
Befogási tartomány Rd: 6-10 mm
Szabványhivatkozás: DIN EN 62561-1

Gyártó: DEHN
Típus: AK 6.10 KSV FER W KBF3 18 V2A
Cikksz.: 372269
vagy egyenértékű.

Tanúsítványok

 

Műszaki adatok

Befogási tartomány 3-18 mm
Kapocs anyaga NIRO
Befogási tartomány Rd 6-10 mm
Szabványhivatkozás DIN EN 62561-1
*) A pontos hozzárendelést lásd a vizsgálati tanúsítványban.

A 372269 termék hozzá lett adva a jegyzettömbhöz.

A 372269 terméket hozzáadtuk a kosárhoz.

Webshop indítása

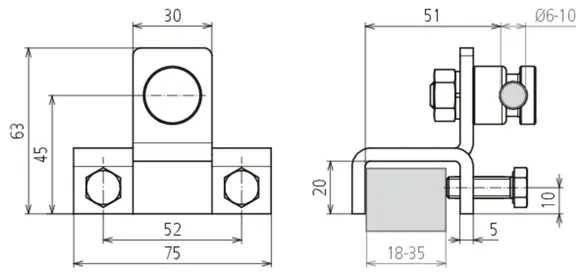
Cikkszám 372279 AK 6.10 KSV FER W KBF18 35 V2A

GTIN 4013364463691, Vámtarifa szám (EU): 85359000, Bruttó súly: 341.90 g, PU: 10.00 db.


Képek

További információ

Csatlakozókapcsok acéltartó számára vízszintesen KS-összekötővel NIRO
Csatlakozókapcsok acéltartó számára
nehéz kivitel, csatlakozáshoz
acélszerkezetekre
Csavarok kilazulás ellen
rugós alátéttel biztosítva
Alkalmas RB-s tér zóna 2/22 számára
Befogási tartomány: 18-35 mm
Kapocs anyaga: NIRO
Befogási tartomány Rd: 6-10 mm
Szabványhivatkozás: DIN EN 62561-1

Gyártó: DEHN
Típus: AK 6.10 KSV FER W KBF18 35 V2A
Cikksz.: 372279
vagy egyenértékű.

Tanúsítványok

 

Műszaki adatok

Befogási tartomány 18-35 mm
Kapocs anyaga NIRO
Befogási tartomány Rd 6-10 mm
Szabványhivatkozás DIN EN 62561-1
*) A pontos hozzárendelést lásd a vizsgálati tanúsítványban.

A 372279 termék hozzá lett adva a jegyzettömbhöz.

A 372279 terméket hozzáadtuk a kosárhoz.

Webshop indítása

back to top