Földelési fixpontok flexibilis csatlakozókapoccsal

Betonbeépítéshez a földelőrendszer rugalmas, korróziómentes csatlakozásaként védőpotenciál-kiegyenlítéshez és/vagy a levezető funkcionális potenciálkiegyenlítéséhez, pl. az épületek vasalására.
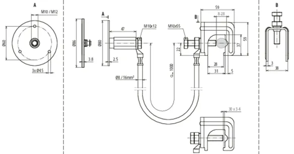
Flexibilis csatlakozóvezetékek 1000 mm hosszúságig lehetővé teszik a maximális flexibilitást a külső csatlakozópont és a belső kapcsolat között.
Az univerzális összekötő kapocs lehetővé teszi 8-28 mm-es betonvasak és kör keresztmetszetű anyagok, valamint 30x3,5 mm-es vagy nagyobb vastagságú laposanyag csatlakozását.
Az M10 és M12 duplamenetnél a csavarok következő min. hosszaira kell ügyelni:
35 mm M10-nél (menethosszúság 40 mm)
15 mm M12-nél (menethosszúság 20 mm)

2 Termékek

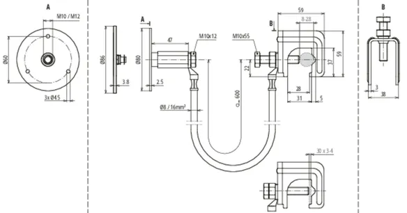
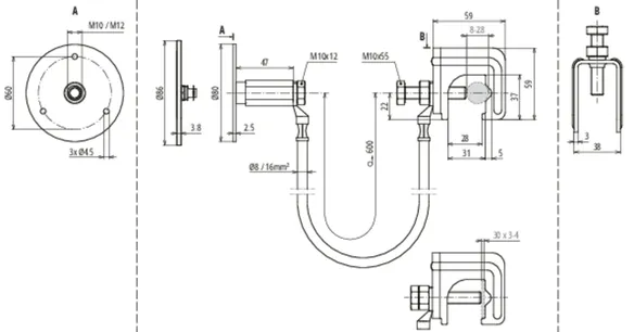
Cikkszám 416940 UES 16 L600 VK RD8 28 FL30 EFP

GTIN 4013364360280, Vámtarifa szám (EU): 85359000, Bruttó súly: 530.00 g, PU: 25.00 db.


Képek

További információ

Bekötési készlet
összekötő vezetékből
csatlakozott csatlakozó-sorkapoccsal és földelő fixponttal
a földelő fixpont biztonságos
összekapcsolására
a vasalással/betonvassal
A bekötési készlettel
biztonságos elektromos kapcsolat
alakul ki
egy definiált betonvastól (hosszirányú vastól)
, ami levezetésként van használatban
felfogókon, darusíneken,
kábeltartó rendszereken, földelőrendszeren,
funkcionális potenciálkiegyenlítésen stb.
Csatlakozó-sorkapocs anyaga: St/csupasz
Befogási tartomány Rd csatlakozó-sorkapocs: 8-28 mm
Befogási tartomány FI csatlakozó-sorkapocs: 30 x 3-4 mm
Földelő fixpont anyaga: NIRO (V4A)
Földelő fixpont csatlakozómenet: M10 / M12
Áthidaló sodrony anyaga: Flexibilis rézvezeték, fagyálló
Áthidaló sodrony vezetékhossza: 600 mm
Áthidaló sodrony vezeték-keresztmetszete: 16 mm2
Szabványhivatkozás: DIN EN 62561-1

Gyártó: DEHN
Típus: UES 16 L600 VK RD8 28 FL30 EFP
Cikksz.: 416940
vagy egyenértékű.

Tanúsítványok

 

Műszaki adatok

Csatlakozó-sorkapocs anyaga St/csupasz
Befogási tartomány Rd csatlakozó-sorkapocs 8-28 mm
Befogási tartomány FI csatlakozó-sorkapocs 30 x 3-4 mm
Földelő fixpont anyaga NIRO (V4A)
Földelő fixpont csatlakozómenet M10 / M12
Áthidaló sodrony anyaga Flexibilis rézvezeték, fagyálló
Áthidaló sodrony vezetékhossza 600 mm
Áthidaló sodrony vezeték-keresztmetszete 16 mm2
Szabványhivatkozás DIN EN 62561-1

A 416940 termék hozzá lett adva a jegyzettömbhöz.

A 416940 terméket hozzáadtuk a kosárhoz.

Webshop indítása

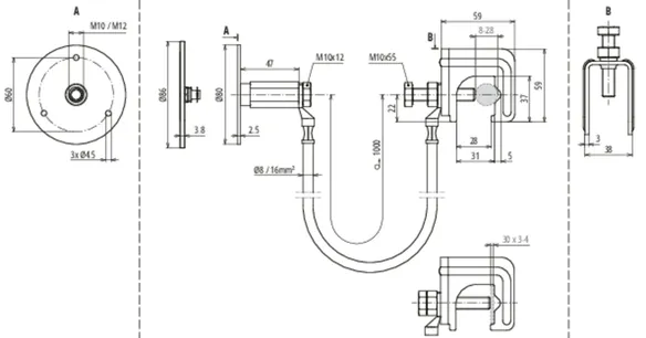
Cikkszám 416950 UES 16 L1000 VK RD8 28 FL30 EFP

GTIN 4013364508620, Vámtarifa szám (EU): 85359000, Bruttó súly: 650.00 g, PU: 25.00 db.


Képek

További információ

Bekötési készlet részei:
Összekötő vezeték
csatlakozott csatlakozó-sorkapoccsal és földelő fixponttal
a földelő fixpont biztonságos
összekapcsolására
a vasalással/betonvassal
A bekötési készlettel
biztonságos elektromos kapcsolat
alakul ki
egy definiált betonvastól (hosszirányú vastól)
, ami levezetésként van használatban
felfogókon, darusíneken,
kábeltartó rendszereken, földelőrendszeren,
funkcionális potenciálkiegyenlítésen stb.
Csatlakozó-sorkapocs anyaga: St/csupasz
Befogási tartomány Rd csatlakozó-sorkapocs: 8-28 mm
Befogási tartomány FI csatlakozó-sorkapocs: 30 x 3-4 mm
Földelő fixpont anyaga: NIRO (V4A)
Földelő fixpont csatlakozómenet: M10 / M12
Áthidaló sodrony anyaga: Flexibilis rézvezeték, fagyálló
Áthidaló sodrony vezetékhossza: 1000 mm
Áthidaló sodrony vezeték-keresztmetszete: 16 mm2
Szabványhivatkozás: DIN EN 62561-1

Gyártó: DEHN
Típus: UES 16 L1000 VK RD8 28 FL30 EFP
Cikksz.: 416950
vagy egyenértékű.

Tanúsítványok

 

Műszaki adatok

Csatlakozó-sorkapocs anyaga St/csupasz
Befogási tartomány Rd csatlakozó-sorkapocs 8-28 mm
Befogási tartomány FI csatlakozó-sorkapocs 30 x 3-4 mm
Földelő fixpont anyaga NIRO (V4A)
Földelő fixpont csatlakozómenet M10 / M12
Áthidaló sodrony anyaga Flexibilis rézvezeték, fagyálló
Áthidaló sodrony vezetékhossza 1000 mm
Áthidaló sodrony vezeték-keresztmetszete 16 mm2
Szabványhivatkozás DIN EN 62561-1

A 416950 termék hozzá lett adva a jegyzettömbhöz.

A 416950 terméket hozzáadtuk a kosárhoz.

Webshop indítása

back to top