Felfogórudak HVI light vezeték számára lapostetőn

Felfogórúd komplett négyes csatlakozólemezzel a HVI light vezeték számára és rögzítőkészlet a vezeték szereléséhez a felfogórúdon.
Illesztve a max. 10°-os tetőhajlatra.
A betontalpat (súlya 17 kg) és az alátétlapokat külön kell megrendelni.

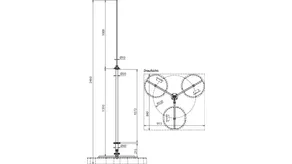
Felfogórúd 30 HVI light vezeték számára SET I 2300 mm teljes magasság

1 Termék

Cikkszám 819282 FM D30 L2300 DBS R320 GFK AL STTZN

GTIN 4013364252073, Vámtarifa szám (EU): 85389099, Bruttó súly: 4.73 kg, PU: 1.00 db.

Kifutott termék:

Képek

További információ

Felfogórudak HVI light vezeték számára lapostetőn
komplett 4-szeres csatlakozólemezzel a
HVI light vezeték és rögzítőkészlet a vezeték
szereléséhez a felfogórúdon.
Az elválasztási távolság betartásához elektromosan
vezető elemekhez a DIN EN 62305-3 (VDE 0185-305-3) szerint.
Szigetelő szakasz üvegszál erősítésű műanyagból (GFK)
Cső Ø30 mm
Anyagtényező km = 0,7
Szín világosszürke, UV-stabilizált
Felfogórúd méretezve az
Eurocode 1 (DIN EN 1991-1-4 + DIN EN 1991-1-4/NA) szerint
Illesztés max. 10°-os tetőhajlatra
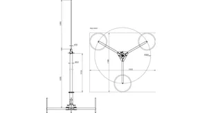
Felfogórúd 30 HVI light vezeték számára SET I
Magasság összesen 2300 mm
Az egymásra rakható betontalpat (cikkszám 102 010) és az
alaplapot (cikkszám: 102 050) külön kell
megrendelni.
Magasság: 2300 mm
Állvány anyaga: St/tZn
Állvány sugara: 320 mm
Tartócső anyaga: Üvegszál erősítésű műanyag (GRP) / Al
Tartócső hossza: 1300 mm
Szigetelő szakasz: 1095 mm
Felfogócsúcs hossza: 1000 mm
Felfogócsúcs anyaga: NIRO
Max. széllökés sebesség 3 talpnál à 17 kg, 2x HVI light kívül: 149 km/h
Szabványhivatkozás: DIN IEC/TS 62561-8 (VDE V 0185-561-8)

Gyártó: DEHN
Típus: FM D30 L2300 DBS R320 GFK AL STTZN
Cikksz.: 819282
vagy egyenértékű.

Tanúsítványok

 

Műszaki adatok

Állvány anyaga St/tZn
Állvány sugara 320 mm
Tartócső anyaga Üvegszál erősítésű műanyag (GRP) / Al
Tartócső hossza 1300 mm
Szigetelő szakasz 1095 mm
Felfogócsúcs hossza 1000 mm
Felfogócsúcs anyaga NIRO
Max. széllökés sebesség 3 talpnál à 17 kg, 2x HVI light kívül 149 km/h
Szabványhivatkozás DIN IEC/TS 62561-8 (VDE V 0185-561-8)

A 819282 termék hozzá lett adva a jegyzettömbhöz.

A 819282 terméket hozzáadtuk a kosárhoz.

Webshop indítása

Felfogórúd 30 HVI light vezeték számára SET II 2800 mm teljes magasság

1 Termék

Cikkszám 819287 FM D30 L2800 DBS R320 GFK AL STTZN

GTIN 4013364252097, Vámtarifa szám (EU): 85389099, Bruttó súly: 4.59 kg, PU: 1.00 db.

Kifutott termék:

Képek

További információ

Felfogórudak HVI light vezeték számára lapostetőn
komplett 4-szeres csatlakozólemezzel a
HVI light vezeték és rögzítőkészlet a vezeték
szereléséhez a felfogórúdon.
Az elválasztási távolság betartásához elektromosan
vezető elemekhez a DIN EN 62305-3 (VDE 0185-305-3) szerint.
Szigetelő szakasz üvegszál erősítésű műanyagból (GFK)
Cső Ø30 mm
Anyagtényező km = 0,7
Szín világosszürke, UV-stabilizált
Felfogórúd méretezve az
Eurocode 1 (DIN EN 1991-1-4 + DIN EN 1991-1-4/NA) szerint.
Illesztés max. 10°-os tetőhajlatra
Felfogórúd D 30 HVI light vezeték SET II számára
Magasság összesen 2800 mm
Az egymásra rakható betontalpat (cikkszám 102 010) és az
alaplapot (cikkszám: 102 050) külön kell
megrendelni.
Magasság: 2800 mm
Állvány anyaga: St/tZn
Állvány sugara: 320 mm
Tartócső anyaga: Üvegszál erősítésű műanyag (GRP) / Al
Tartócső hossza: 1300 mm
Szigetelő szakasz: 1095 mm
Felfogócsúcs hossza: 1500 mm
Felfogócsúcs anyaga: Al
Max. széllökés sebesség 3 talpnál à 17 kg, 2x HVI light kívül: 132 km/h
Szabványhivatkozás: DIN IEC/TS 62561-8 (VDE V 0185-561-8)

Gyártó: DEHN
Típus: FM D30 L2800 DBS R320 GFK AL STTZN
Cikksz.: 819287
vagy egyenértékű.

Tanúsítványok

 

Műszaki adatok

Állvány anyaga St/tZn
Állvány sugara 320 mm
Tartócső anyaga Üvegszál erősítésű műanyag (GRP) / Al
Tartócső hossza 1300 mm
Szigetelő szakasz 1095 mm
Felfogócsúcs hossza 1500 mm
Felfogócsúcs anyaga Al
Max. széllökés sebesség 3 talpnál à 17 kg, 2x HVI light kívül 132 km/h
Szabványhivatkozás DIN IEC/TS 62561-8 (VDE V 0185-561-8)

A 819287 termék hozzá lett adva a jegyzettömbhöz.

A 819287 terméket hozzáadtuk a kosárhoz.

Webshop indítása

Felfogórúd 50 HVI light vezeték számára SET I 2900 mm teljes magasság

1 Termék

Cikkszám 819380 FM D50 10 2900 GFK AL DBS KB STTZN

GTIN 4013364241916, Vámtarifa szám (EU): 85389099, Bruttó súly: 13.88 kg, PU: 1.00 db.

Kifutott termék:

Képek

További információ

Felfogórudak HVI light vezeték számára lapostetőn
komplett 4-szeres csatlakozólemezzel a
HVI light vezeték és rögzítőkészlet a vezeték
szereléséhez a felfogórúdon.
Az elválasztási távolság betartásához elektromosan
vezető elemekhez a DIN EN 62305-3 (VDE 0185-305-3) szerint.
Szigetelő szakasz üvegszál erősítésű műanyagból (GFK)
Cső Ø50 mm
Anyagtényező km = 0,7
Szín világosszürke, UV-stabilizált
A felfogórudak az
Eurocode 1 (DIN EN 1991-1-4 + DIN EN 1991-1-4/NA) szerint max. 203
km/h széllökés sebességre vannak méretezve.
Illesztés max. 10°-os tetőhajlatra
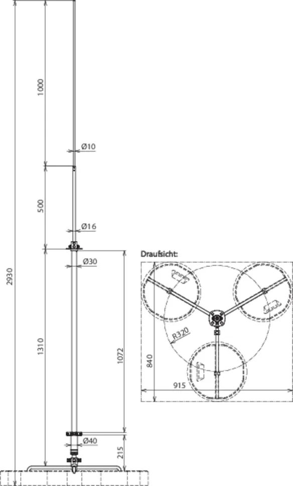
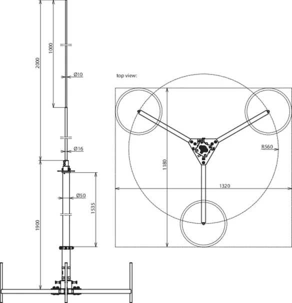
Felfogórúd 50 HVI light vezeték SET I számára
Magasság összesen 2900 mm
Az egymásra rakható betonalapot (cikkszám: 102 010) és az
alaplapot (cikkszám: 102 050) külön kell megrendelni.
Magasság: 2900 mm
Állvány anyaga: St/tZn
Állvány sugara: 560 mm
Tartócső anyaga: Üvegszál erősítésű műanyag (GRP) / Al
Tartócső hossza: 1900 mm
Szigetelő szakasz: 1535 mm
Felfogócsúcs hossza: 1000 mm
Felfogócsúcs anyaga: NIRO
Max. széllökés sebesség 3 talpnál à 17 kg, 2x HVI light kívül: 121 km/h
Max. széllökés sebesség 6 talpnál à 17 kg, 2x HVI light kívül: 166 km/h
Max. széllökés sebesség 9 talpnál à 17 kg, 2x HVI light kívül: 203 km/h
Szabványhivatkozás: DIN IEC/TS 62561-8 (VDE V 0185-561-8)

Gyártó: DEHN
Típus: FM D50 10 2900 GFK AL DBS KB STTZN
Cikksz.: 819380
vagy egyenértékű.

Tanúsítványok

 

Műszaki adatok

Állvány anyaga St/tZn
Állvány sugara 560 mm
Tartócső anyaga Üvegszál erősítésű műanyag (GRP) / Al
Tartócső hossza 1900 mm
Szigetelő szakasz 1535 mm
Felfogócsúcs hossza 1000 mm
Felfogócsúcs anyaga NIRO
Max. széllökés sebesség 3 talpnál à 17 kg, 2x HVI light kívül 121 km/h
Max. széllökés sebesség 6 talpnál à 17 kg, 2x HVI light kívül 166 km/h
Max. széllökés sebesség 9 talpnál à 17 kg, 2x HVI light kívül 203 km/h
Szabványhivatkozás DIN IEC/TS 62561-8 (VDE V 0185-561-8)

A 819380 termék hozzá lett adva a jegyzettömbhöz.

A 819380 terméket hozzáadtuk a kosárhoz.

Webshop indítása

Felfogórúd 50 HVI light vezeték számára SET II 3900 mm teljes magasság

1 Termék

Cikkszám 819385 FM D50 16 10 3900 GFK AL DBS KB STTZN

GTIN 4013364241923, Vámtarifa szám (EU): 85389099, Bruttó súly: 13.99 kg, PU: 1.00 db.

Kifutott termék:

Képek

További információ

Felfogórudak HVI light vezeték számára lapostetőn
komplett 4-szeres csatlakozólemezzel a
HVI light vezeték és rögzítőkészlet a vezeték
szereléséhez a felfogórúdon.
Az elválasztási távolság betartásához elektromosan
vezető elemekhez a DIN EN 62305-3 (VDE 0185-305-3) szerint.
Szigetelő szakasz üvegszál erősítésű műanyagból (GFK)
Cső Ø50 mm
Anyagtényező km = 0,7
Szín világosszürke, UV-stabilizált
A felfogórudak az
Eurocode 1 (DIN EN 1991-1-4 + DIN EN 1991-1-4/NA) szerint max. 179
km/h széllökés sebességre vannak méretezve.
Illesztés max. 10°-os tetőhajlatra
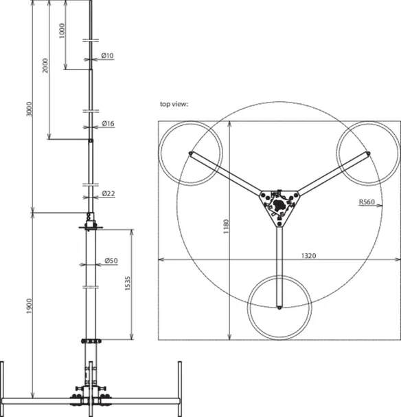
Felfogórúd 50 HVI light vezeték SET II számára
Magasság összesen 3900 mm
Az egymásra rakható betonalapot (cikkszám: 102 010) és az
alaplapot (cikkszám: 102 050) külön kell megrendelni.
Magasság: 3900 mm
Állvány anyaga: St/tZn
Állvány sugara: 560 mm
Tartócső anyaga: Üvegszál erősítésű műanyag (GRP) / Al
Tartócső hossza: 1900 mm
Szigetelő szakasz: 1535 mm
Felfogórúd hossza: 2000 mm
Felfogórúd anyaga: Al
Max. széllökés sebesség 3 talpnál à 17 kg, 2x HVI light kívül: 110 km/h
Max. széllökés sebesség 6 talpnál à 17 kg, 2x HVI light kívül: 147 km/h
Max. széllökés sebesség 9 talpnál à 17 kg, 2x HVI light kívül: 179 km/h
Szabványhivatkozás: DIN IEC/TS 62561-8 (VDE V 0185-561-8)

Gyártó: DEHN
Típus: FM D50 16 10 3900 GFK AL DBS KB STTZN
Cikksz.: 819385
vagy egyenértékű.

Tanúsítványok

 

Műszaki adatok

Állvány anyaga St/tZn
Állvány sugara 560 mm
Tartócső anyaga Üvegszál erősítésű műanyag (GRP) / Al
Tartócső hossza 1900 mm
Szigetelő szakasz 1535 mm
Felfogórúd hossza 2000 mm
Felfogórúd anyaga Al
Max. széllökés sebesség 3 talpnál à 17 kg, 2x HVI light kívül 110 km/h
Max. széllökés sebesség 6 talpnál à 17 kg, 2x HVI light kívül 147 km/h
Max. széllökés sebesség 9 talpnál à 17 kg, 2x HVI light kívül 179 km/h
Szabványhivatkozás DIN IEC/TS 62561-8 (VDE V 0185-561-8)

A 819385 termék hozzá lett adva a jegyzettömbhöz.

A 819385 terméket hozzáadtuk a kosárhoz.

Webshop indítása

Felfogórúd 50 HVI light vezeték számára SET III 4900 mm teljes magasság

1 Termék

Cikkszám 819390 FM D50 22 16 10 4900 GFK AL DBS KB STTZN

GTIN 4013364241930, Vámtarifa szám (EU): 85389099, Bruttó súly: 13.27 kg, PU: 1.00 db.


Képek

További információ

Felfogórudak HVI light vezeték számára lapostetőn
komplett 4-szeres csatlakozólemezzel a
HVI light vezeték és rögzítőkészlet a vezeték
szereléséhez a felfogórúdon.
Az elválasztási távolság betartásához elektromosan
vezető elemekhez a DIN EN 62305-3 (VDE 0185-305-3) szerint.
Szigetelő szakasz üvegszál erősítésű műanyagból (GFK)
Cső Ø50 mm
Anyagtényező km = 0,7
Szín világosszürke, UV-stabilizált
A felfogórudak az
Eurocode 1 (DIN EN 1991-1-4 + DIN EN 1991-1-4/NA) szerint max. 147
km/h széllökés sebességre vannak méretezve.
Illesztés max. 10°-os tetőhajlatra
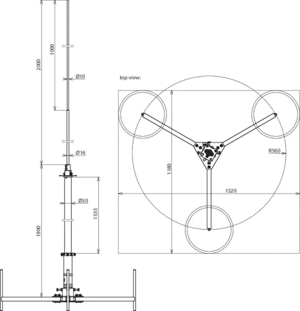
Felfogórúd 50 HVI light vezeték SET III számára
Magasság összesen 4900 mm
Az egymásra rakható betonalapot (cikkszám: 102 010) és az
alaplapot (cikkszám: 102 050) külön kell megrendelni.
Magasság: 4900 mm
Állvány anyaga: St/tZn
Állvány sugara: 560 mm
Tartócső anyaga: Üvegszál erősítésű műanyag (GRP) / Al
Tartócső hossza: 1900 mm
Szigetelő szakasz: 1535 mm
Felfogórúd hossza: 3000 mm
Felfogórúd anyaga: Al
Max. széllökés sebesség 3 talpnál à 17 kg, 2x HVI light kívül: 97 km/h
Max. széllökés sebesség 6 talpnál à 17 kg, 2x HVI light kívül: 124 km/h
Max. széllökés sebesség 9 talpnál à 17 kg, 2x HVI light kívül: 147 km/h
Szabványhivatkozás: DIN IEC/TS 62561-8 (VDE V 0185-561-8)

Gyártó: DEHN
Típus: FM D50 22 16 10 4900 GFK AL DBS KB STTZN
Cikksz.: 819390
vagy egyenértékű.

Tanúsítványok

 

Műszaki adatok

Állvány anyaga St/tZn
Állvány sugara 560 mm
Tartócső anyaga Üvegszál erősítésű műanyag (GRP) / Al
Tartócső hossza 1900 mm
Szigetelő szakasz 1535 mm
Felfogórúd hossza 3000 mm
Felfogórúd anyaga Al
Max. széllökés sebesség 3 talpnál à 17 kg, 2x HVI light kívül 97 km/h
Max. széllökés sebesség 6 talpnál à 17 kg, 2x HVI light kívül 124 km/h
Max. széllökés sebesség 9 talpnál à 17 kg, 2x HVI light kívül 147 km/h
Szabványhivatkozás DIN IEC/TS 62561-8 (VDE V 0185-561-8)

A 819390 termék hozzá lett adva a jegyzettömbhöz.

A 819390 terméket hozzáadtuk a kosárhoz.

Webshop indítása

back to top