Cikkszám 900230 DSO 1 255
GTIN 4013364153783, Vámtarifa szám (EU): 85363090, Bruttó súly: 1.67 kg, PU: 1.00 db.
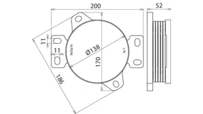
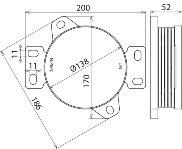
Műszaki adatok
| Besorolás az EN 61643-11 / IEC 61643-11 | 1.típus / I.osztály |
| Legnagyobb folyamatos üzemi feszültség AC (UC ) | 255 V (50 / 60 Hz) |
| Levezetési áramimpulzus (10/350 µs) (Iimp ) | 200 kA |
| Védelmi feszültségszint (UP ) | ≤ 2,5 kV |
| Max. hálózatoldali túláramvédelem | 160 A gG |
