Összekötő kapcsok betonalap földelőhöz és vasaláshoz

Kör- és laposvezetők összekapcsolására betonalapban vagy betonacél-hálók és vasalások összekötésére kör- és laposvezetőkkel.

Elrendezés:
(II) = párhuzamos
(+) = kereszt

Nyomókengyelkapocs

T-, kereszt- és párhuzamos kapcsolatokhoz.

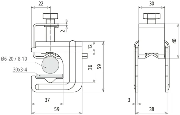
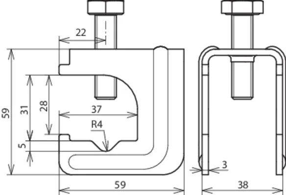
2 Termékek

Cikkszám 308031 VK DB 6.20 8.10 FL30 BSB STBL

GTIN 4013364136571, Vámtarifa szám (EU): 85359000, Bruttó súly: 239.60 g, PU: 25.00 db.


Képek

További információ

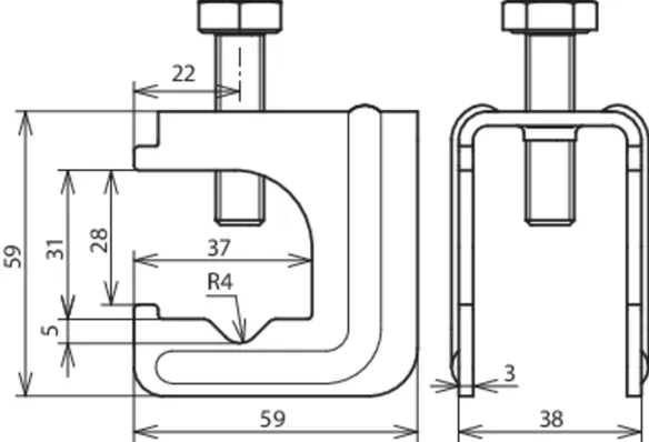
Nyomókengyelkapocs St/csupasz
Nyomókengyelkapocs kör- és laposvezetők
összekapcsolására betonalapban vagy betonacél-hálók
és vasalások összekötésére kör- és laposvezetőkkel
T-, kereszt- és párhuzamos kapcsolatokhoz
Anyag: St/csupasz
Befogási tartomány Rd / Rd: (+/II) 6-20 / 8-10 mm
Befogási tartomány Rd / Fl: (+/II) 6-20 / 30 x 3-4 mm
Befogási tartomány Fl / Fl: (+/II) 30 x 3-4 / 30 x 3-4 mm
Kivitel: szorítógyűrű nélkül
Szabványhivatkozás: DIN EN 62561-1

Gyártó: DEHN
Típus: VK DB 6.20 8.10 FL30 BSB STBL
Cikksz.: 308031
vagy egyenértékű.

Tanúsítványok

 

Műszaki adatok

Anyag St/csupasz
Befogási tartomány Rd / Rd (+/II) 6-20 / 8-10 mm
Befogási tartomány Rd / Fl (+/II) 6-20 / 30 x 3-4 mm
Befogási tartomány Fl / Fl (+/II) 30 x 3-4 / 30 x 3-4 mm
Kivitel szorítógyűrű nélkül
Rövidzárlati áram (AC 50 Hz / DC) (1 s; ≤ 300 °C) 8,4 kA
Szabványhivatkozás DIN EN 62561-1
*) A pontos hozzárendelést lásd a vizsgálati tanúsítványban.

A 308031 termék hozzá lett adva a jegyzettömbhöz.

A 308031 terméket hozzáadtuk a kosárhoz.

Webshop indítása

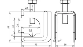
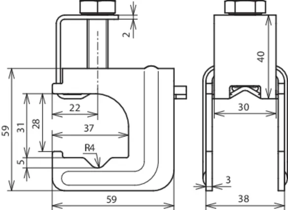
Cikkszám 308033 VK DB KR 6.20 8.10 FL30 BSB STBL

GTIN 4013364519978, Vámtarifa szám (EU): 85359000, Bruttó súly: 240.40 g, PU: 25.00 db.


Képek

További információ

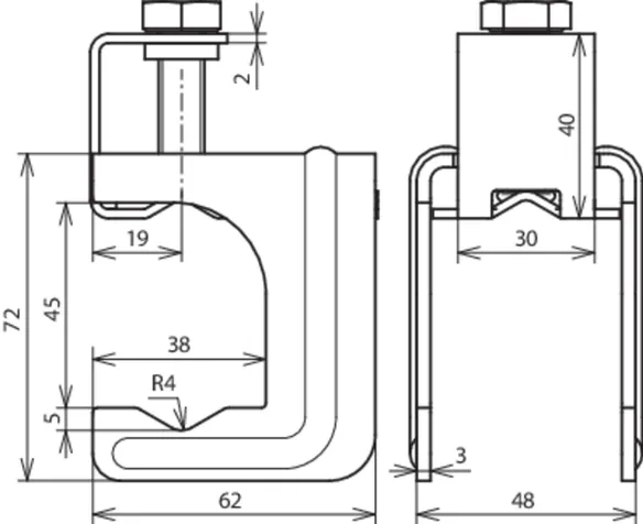
Nyomókengyelkapocs St/csupasz
Nyomókengyelkapocs szorítógyűrűvel
kör- és laposvezetők
összekapcsolására betonalapban
vagy betonacél-hálók és
vasalások összekapcsolására kör- és laposvezetőkkel
T-, kereszt- és párhuzamos kapcsolatokhoz
Anyag: St/csupasz
Befogási tartomány Rd / Rd: (+/II) 6-20 / 8-10 mm
Befogási tartomány Rd / Fl: (+/II) 6-20 / 30 x 3-4 mm
Befogási tartomány Fl / Fl: (+/II) 30 x 3-4 / 30 x 3-4 mm
Kivitel: szorítógyűrűvel
Szabványhivatkozás: DIN EN 62561-1

Gyártó: DEHN
Típus: VK DB KR 6.20 8.10 FL30 BSB STBL
Cikksz.: 308033
vagy egyenértékű.

Tanúsítványok

 

Műszaki adatok

Anyag St/csupasz
Befogási tartomány Rd / Rd (+/II) 6-20 / 8-10 mm
Befogási tartomány Rd / Fl (+/II) 6-20 / 30 x 3-4 mm
Befogási tartomány Fl / Fl (+/II) 30 x 3-4 / 30 x 3-4 mm
Kivitel szorítógyűrűvel
Rövidzárlati áram (AC 50 Hz / DC) (1 s; ≤ 300 °C) 8,4 kA
Szabványhivatkozás DIN EN 62561-1
*) A pontos hozzárendelést lásd a vizsgálati tanúsítványban.

A 308033 termék hozzá lett adva a jegyzettömbhöz.

A 308033 terméket hozzáadtuk a kosárhoz.

Webshop indítása

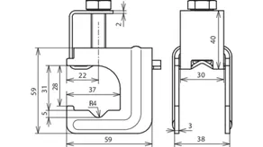
Nyomókengyelkapocs MAXI

T-, kereszt- és párhuzamos kapcsolatokhoz.

1 Termék

Cikkszám 308036 VK DB 20.32 8.10 FL40 BSB STBL

GTIN 4013364136588, Vámtarifa szám (EU): 85359000, Bruttó súly: 275.60 g, PU: 25.00 db.


Képek

További információ

Nyomókengyelkapocs MAXI St/csupasz
Nyomókengyelkapocs kör- és laposvezetők összekapcsolására betonalapban vagy betonacél-hálók
és vasalások összekötésére kör- és laposvezetőkkel
T-, kereszt- és párhuzamos kapcsolatokhoz
Anyag: St/csupasz
Befogási tartomány Rd / Rd: (+/II) 20-32 / 8-10 mm
Befogási tartomány Rd / Fl: (+/II) 20-32 / 40 x 4-5 mm
Kivitel: szorítógyűrűvel
Szabványhivatkozás: DIN EN 62561-1

Gyártó: DEHN
Típus: VK DB 20.32 8.10 FL40 BSB STBL
Cikksz.: 308036
vagy egyenértékű.

Tanúsítványok

 

Műszaki adatok

Anyag St/csupasz
Befogási tartomány Rd / Rd (+/II) 20-32 / 8-10 mm
Befogási tartomány Rd / Fl (+/II) 20-32 / 40 x 4-5 mm
Kivitel szorítógyűrűvel
Rövidzárlati áram (AC 50 Hz / DC) (1 s; ≤ 300 °C) 14,0 kA
Szabványhivatkozás DIN EN 62561-1
*) A pontos hozzárendelést lásd a vizsgálati tanúsítványban.

A 308036 termék hozzá lett adva a jegyzettömbhöz.

A 308036 terméket hozzáadtuk a kosárhoz.

Webshop indítása

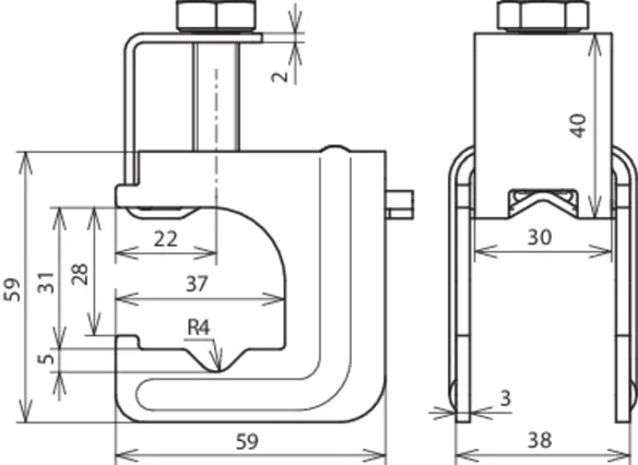
Összekötő kapocs nyomókengyel nélkül

Keresztkapcsolatokhoz.

1 Termék

Cikkszám 308032 VK 6.20 FL30 BSB STBL

GTIN 4013364152823, Vámtarifa szám (EU): 85359000, Bruttó súly: 178.50 g, PU: 25.00 db.


Képek

További információ

Összekötő kapocs nyomókengyel nélkül St/csupasz
Összekötő kapcsok, betonalap földelők számára kör- és laposvezetők összekapcsolására betonalapban
Keresztkapcsolatokhoz a vezetők befűzésének kényszere
nélkül
Anyag: St/csupasz
Befogási tartomány Rd / Fl: (+) 6-20 / 30 x 3-4 mm
Befogási tartomány Fl / Fl: (+/II) 30 x 3-4 / 30 x 3-4 mm
Szabványhivatkozás: DIN EN 62561-1

Gyártó: DEHN
Típus: VK 6.20 FL30 BSB STBL
Cikksz.: 308032
vagy egyenértékű.

Tanúsítványok

 

Műszaki adatok

Anyag St/csupasz
Befogási tartomány Rd / Fl (+) 6-20 / 30 x 3-4 mm
Befogási tartomány Fl / Fl (+/II) 30 x 3-4 / 30 x 3-4 mm
Rövidzárlati áram (AC 50 Hz / DC) (1 s; ≤ 300 °C) 7,0 kA
Szabványhivatkozás DIN EN 62561-1
*) A pontos hozzárendelést lásd a vizsgálati tanúsítványban.

A 308032 termék hozzá lett adva a jegyzettömbhöz.

A 308032 terméket hozzáadtuk a kosárhoz.

Webshop indítása

Összekötő kapocs MAXI nyomókengyel nélkül

Keresztkapcsolatokhoz.

1 Termék

Cikkszám 308037 VK 20.32 FL40 BSB STBL

GTIN 4013364154704, Vámtarifa szám (EU): 85359000, Bruttó súly: 218.00 g, PU: 25.00 db.


Képek

További információ

Összekötő kapocs MAXI nyomókengyel nélkül St/csupasz
Összekötő kapcsok, betonalap földelők számára kör- és laposvezetők összekapcsolására betonalapban
Keresztkapcsolatokhoz a vezetők befűzésének kényszere
nélkül
Anyag: St/csupasz
Befogási tartomány Rd / Fl: (+) 20-32 / 30 x 3-40 x 5 mm
Szabványhivatkozás: DIN EN 62561-1

Gyártó: DEHN
Típus: VK 20.32 FL40 BSB STBL
Cikksz.: 308037
vagy egyenértékű.

Tanúsítványok

 

Műszaki adatok

Anyag St/csupasz
Befogási tartomány Rd / Fl (+) 20-32 / 30 x 3-40 x 5 mm
Szabványhivatkozás DIN EN 62561-1
*) A pontos hozzárendelést lásd a vizsgálati tanúsítványban.

A 308037 termék hozzá lett adva a jegyzettömbhöz.

A 308037 terméket hozzáadtuk a kosárhoz.

Webshop indítása

back to top