Tartozék DEHNcon-H számára

1 Termék

Cikkszám 105342 WB D40.50 SE WA46 V2A

GTIN 4013364111141, Vámtarifa szám (EU): 85389099, Bruttó súly: 514.00 g, PU: 1.00 db.


Képek

További információ

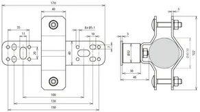
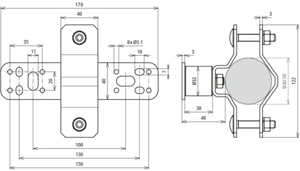
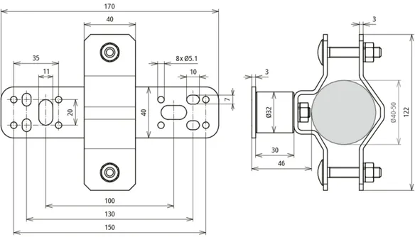
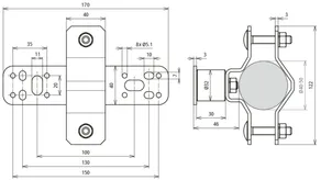
Tartó D40 és DEHNcon-H NIRO felfogórudak számára függőleges szerelés
Tartó D40 és DEHNcon-H felfogórudak számára
a D40 felfogórudak
vagy a támasztócsövek rögzítésére
a védendő felépítményen vagy a falon

Gyártó: DEHN
Típus: WB D40.50 SE WA46 V2A
Cikksz.: 105342
vagy egyenértékű.

Tanúsítványok

 

Műszaki adatok

Anyag NIRO
Rögzítés [8x] Ø5,1 / [4x] 7 x 10 / [2x] 11 x 20 mm
Faltávolság 46 mm

A 105342 termék hozzá lett adva a jegyzettömbhöz.

A 105342 terméket hozzáadtuk a kosárhoz.

Webshop indítása

back to top